法令文庫
  • 法令
  • 制定法律
  • 判例
  • ヘルプ
    • このサイトについて
    • サイトポリシー
    • サイトマップ
    • 外部リンク集
昭和二十七年運輸省令第五十六号

航空法施行規則

航空法(昭和二十七年法律第二百三十一号)の規定に基き、及び同法を実施するため、航空法施行規則を次のように定める。

目次

  • 第一章 総則(第一条〜第六条の二)
  • 第二章 航空機登録証明書等(第七条〜第十一条)
  • 第三章 航空機の安全性
    • 第一節 耐空証明等(第十二条〜第二十九条)
    • 第二節 事業場の認定(第三十条〜第四十一条の二)
  • 第四章 航空従事者(第四十二条〜第七十四条)
  • 第五章 空港等及び航空保安施設
    • 第一節 空港等(第七十五条〜第九十六条の四)
    • 第二節 航空保安無線施設(第九十七条〜第百十二条)
    • 第三節 航空灯火(第百十三条〜第百三十二条)
    • 第四節 昼間障害標識(第百三十二条の二〜第百三十二条の四)
  • 第六章 航空機の運航(第百三十三条〜第二百九条の二)
  • 第七章 航空運送事業等
    • 第一節 航空運送事業(第二百十条〜第二百二十六条の五)
    • 第二節 航空機使用事業(第二百二十七条〜第二百二十九条)
  • 第八章 外国航空機(第二百三十条〜第二百三十五条の四)
  • 第九章 危害行為の防止
    • 第一節 危害行為防止基本方針等(第二百三十五条の四の二〜第二百三十五条の四の六)
    • 第二節 保安検査等(第二百三十五条の四の七〜第二百三十五条の四の十九)
  • 第十章 航空の脱炭素化の推進(第二百三十五条の四の二十〜第二百三十五条の四の二十二)
  • 第十一章 無人航空機
    • 第一節 無人航空機の登録(第二百三十六条〜第二百三十六条の十一)
    • 第二節 無人航空機の安全性(第二百三十六条の十二〜第二百三十六条の三十七)
    • 第三節 無人航空機操縦者技能証明(第二百三十六条の三十八〜第二百三十六条の六十九)
    • 第四節 無人航空機の飛行(第二百三十六条の七十〜第二百三十六条の八十九)
  • 第十二章 雑則(第二百三十七条〜第二百四十三条)
  • 附則

第一章 総則

(航空保安施設)

第一条航空法(昭和二十七年法律第二百三十一号。以下「法」という。)第二条第五項の規定による航空保安施設は、次のとおりとする。
一航空保安無線施設電波により航空機の航行を援助するための施設
二航空灯火灯光により航空機の航行を援助するための施設
三昼間障害標識昼間において航行する航空機に対し、色彩又は形象により航行の障害となる物件の存在を認識させるための施設

(ヘリポートの進入区域の長さ)

第一条の二法第二条第七項の国土交通省令で定めるヘリポートの進入区域の長さは、千メートル以下で国土交通大臣が指定する長さとする。

(進入表面の勾配)

第二条法第二条第八項の国土交通省令で定める進入表面の水平面に対する勾配は、次のとおりとする。
一計器着陸装置を利用して行う着陸又は精密進入レーダーを用いてする着陸誘導に従つて行う着陸の用に供する着陸帯にあつては、五十分の一
二陸上空港等及び水上空港等の着陸帯(前号に掲げる着陸帯を除く。)にあつては、空港等の種類及び着陸帯の等級別に、次の表に掲げる勾配
空港等の種類着陸帯の等級勾配
陸上空港等AからDまで四十分の一
E及びF四十分の一以上三十分の一以下で国土交通大臣が指定する勾配
G二十五分の一
H及びJ二十分の一
水上空港等A及びB四十分の一
C及びD三十分の一
E二十分の一
三ヘリポートの着陸帯(第一号に掲げる着陸帯を除く。)にあつては、八分の一以上で国土交通大臣が指定するこう配。ただし、当該ヘリポートの立地条件を勘案して特に必要と認める場合にあつては、二十分の一以上八分の一以下で国土交通大臣が指定するこう配

(水平表面の半径の長さ)

第三条法第二条第九項の国土交通省令で定める水平表面の半径の長さは、次のとおりとする。
一陸上空港等及び水上空港等にあつては、空港等の種類及び着陸帯(二以上の着陸帯を有する空港等にあつては、最も長い着陸帯)の等級別に、次の表に掲げる長さ
空港等の種類着陸帯の等級半径
陸上空港等A四千メートル
B三千五百メートル
C三千メートル
D二千五百メートル
E二千メートル
F千八百メートル
G千五百メートル
H千メートル
J八百メートル
水上空港等A四千メートル
B三千五百メートル
C三千メートル
D二千五百メートル
E二千メートル
二ヘリポートにあつては、二百メートル以下で国土交通大臣が指定する長さ

(ヘリポートの転移表面の勾配)

第三条の二法第二条第十項の国土交通省令で定めるヘリポートの転移表面の勾配は、二分の一とする。
2前項の規定にかかわらず、着陸帯の一方の長辺(以下この項において「甲長辺」という。)の側の転移表面のこう配は、着陸帯の他の長辺(以下この項において「乙長辺」という。)の外方当該着陸帯の短辺の長さの二倍の距離の範囲内において、乙長辺を含み、かつ、着陸帯の外側上方に十分の一のこう配を有する平面の上に出る物件がない場合には、次のとおりとすることができる。
一甲長辺の外方当該ヘリポートを使用することが予想されるヘリコプターの回転翼の直径の長さの四分の三の距離の範囲内において、着陸帯の最高点を含む水平面の上に出る物件がないときは、二分の一以上で国土交通大臣が指定するこう配
二前号以外のときは、二分の一から一分の一までで国土交通大臣が指定するこう配

(航空灯火)

第四条法第二条第十一項の国土交通省令で定める航空灯火は、次のとおりとする。
一航空灯台夜間又は計器気象状態下における航空機の航行を援助するための施設
二飛行場灯火航空機の離陸又は着陸を援助するための施設で、第百十四条に規定するもの
三航空障害灯航空機に対し航行の障害となる物件の存在を認識させるための施設

(計器気象状態)

第五条法第二条第十五項の国土交通省令で定める視界上不良な気象状態は、次の各号に掲げる航空機の区分に応じ当該各号に掲げる気象状態(以下「有視界気象状態」という。)以外の気象状態とする。
一三千メートル以上の高度で飛行する航空機(第三号及び第四号に掲げる航空機を除く。)次に掲げる条件に適合する気象状態
イ飛行視程が八千メートル以上であること。
ロ航空機からの垂直距離が上方及び下方にそれぞれ三百メートルである範囲内に雲がないこと。
ハ航空機からの水平距離が千五百メートルである範囲内に雲がないこと。
二三千メートル未満の高度で飛行する航空機(次号及び第四号に掲げる航空機を除く。)次に掲げる航空機の区分に応じそれぞれに掲げる気象状態
イ航空交通管制区(以下「管制区」という。)、航空交通管制圏(以下「管制圏」という。)又は航空交通情報圏(以下「情報圏」という。)を飛行する航空機次に掲げる条件に適合する気象状態
(1)飛行視程が五千メートル以上であること。
(2)航空機からの垂直距離が上方に百五十メートル、下方に三百メートルである範囲内に雲がないこと。
(3)航空機からの水平距離が六百メートルである範囲内に雲がないこと。
ロ管制区、管制圏及び情報圏以外の空域を飛行する航空機次に掲げる条件に適合する気象状態
(1)飛行視程が千五百メートル以上であること。
(2)航空機からの垂直距離が上方に百五十メートル、下方に三百メートルである範囲内に雲がないこと。
(3)航空機からの水平距離が六百メートルである範囲内に雲がないこと。
三管制区、管制圏及び情報圏以外の空域を地表又は水面から三百メートル以下の高度で飛行する航空機(次号に掲げる航空機を除く。)次に掲げる条件に適合する気象状態(他の物件との衝突を避けることができる速度で飛行するヘリコプター及びマルチローターについては、イに掲げるものを除く。)
イ飛行視程が千五百メートル以上であること。
ロ航空機が雲から離れて飛行でき、かつ、操縦者が地表又は水面を引き続き視認することができること。
四管制圏又は情報圏内にある空港等並びに管制圏及び情報圏外にある国土交通大臣が告示で指定した空港等において、離陸し、又は着陸しようとする航空機次に掲げる条件に適合する気象状態
イ地上視程が五千メートル(当該空港等が管制圏内にある空港等であつて国土交通大臣が告示で指定したものである場合にあつては、八千メートル)以上であること。
ロ雲高が地表又は水面から三百メートル(当該空港等がイの国土交通大臣が告示で指定したものである場合にあつては、四百五十メートル)以上であること。

(法第二条第二十二項の国土交通省令で定める機器)

第五条の二法第二条第二十二項の国土交通省令で定める機器は、重量が百グラム未満のものとする。

(滑空機)

第五条の三滑空機の種類は、左の四種とする。
一動力滑空機(附属書第一に規定する耐空類別動力滑空機の滑空機をいう。)
二上級滑空機(附属書第一に規定する耐空類別曲技Aの滑空機並びに実用Uの滑空機であつて中級滑空機及び初級滑空機以外のものをいう。)
三中級滑空機(附属書第一に規定する耐空類別実用Uの滑空機のうち、曲技飛行及び航空機えい航に適しないものであつて、ウインチえい航(自動車によるえい航を含む。次号において同じ。)に適するものをいう。)
四初級滑空機(附属書第一に規定する耐空類別実用Uの滑空機のうち曲技飛行、航空機えい航及びウインチえい航に適しないものをいう。)

(飛行規程)

第五条の四飛行規程は、次に掲げる事項を記載した書類とする。
一航空機の概要
二航空機の限界事項
三非常の場合にとらなければならない各種装置の操作その他の措置
四通常の場合における各種装置の操作方法
五航空機の性能
六航空機の騒音に関する事項
七発動機の排出物に関する事項

(整備手順書)

第五条の五整備手順書は、次に掲げる事項を記載した書類とする。
一航空機の構造並びに装備品等(法第十条第五項第五号に規定する装備品等をいう。第十一章を除き、以下同じ。)及び系統に関する説明
二航空機の定期の点検の方法、航空機に発生した不具合の是正の方法その他の航空機の整備に関する事項
三その他必要な事項

(航空機の整備及び改造)

第五条の六航空機の整備又は改造の作業の内容は、次の表に掲げる作業の区分ごとに同表に定めるとおりとする。
作業の区分作業の内容
整備保守軽微な保守複雑な結合作業を伴わない規格装備品又は部品の交換その他の簡単な保守予防作業
  一般的保守軽微な保守以外の保守作業
 修理軽微な修理重量、重心位置、強度、動力装置の機能、飛行性その他の航空機の耐空性(以下この表及び次条の表において単に「耐空性」という。)に及ぼす影響が軽微な範囲にとどまり、かつ複雑でない修理作業であつて、当該作業の確認において動力装置の作動点検その他複雑な点検を必要としないもの
  小修理軽微な修理及び大修理以外の修理作業
  大修理耐空性に重大な影響を及ぼす修理作業
改造小改造大改造以外の改造作業
 大改造耐空性に重大な影響を及ぼす改造作業

(航空機の設計の変更)

第六条航空機の設計の変更の区分及び内容は、次の表に定めるとおりとする。
設計の変更の区分設計の変更の内容
小変更耐空性に重大な影響を及ぼさない変更
大変更小変更以外の変更

(有視界飛行方式)

第六条の二有視界飛行方式とは、計器飛行方式以外の飛行の方式をいう。

第二章 航空機登録証明書等

(航空機登録証明書)

第七条法第六条の航空機登録証明書の様式は、第三号様式の通りとする。
第八条航空機の移転登録又は変更登録を受けた者は、航空機登録証明書の書替を受けなければならない。
第九条航空機登録証明書を失い、破り、汚し、その再交付を申請しようとする者は、航空機登録証明書再交付申請書(第四号様式)に現に有する航空機登録証明書(失つた場合を除く。)を添えて国土交通大臣に提出しなければならない。
第十条航空機の所有者は、まヽつヽ消登録を受けた場合には、すみやかに航空機登録証明書を返納しなければならない。

(登録記号の打刻の位置及び方法)

第十一条法第八条の三第一項の規定による打刻は、当該航空機のフレーム、ビームその他の構造部材の見やすい位置に、直接登録記号を打刻する方法又は登録記号を打刻した金属板を外れないよう取り付ける方法により行わなければならない。

第三章 航空機の安全性

第一節 耐空証明等

第十二条法第十条第一項の滑空機は、初級滑空機とする。

(耐空証明)

第十二条の二法第十条第一項又は法第十条の二第一項の耐空証明を申請しようとする者は、耐空証明申請書(第七号様式)を国土交通大臣又は耐空検査員に提出しなければならない。
2前項の申請書に添付すべき書類及び提出の時期は、次の表に掲げる区分による。
区分添付書類提出の時期
一法第十二条第一項の型式証明を受けた型式と異なる型式の航空機(三に掲げる航空機を除く。)本邦内で製造するもの一 設計計画書設計の初期
二 設計書三 設計図面四 部品表五 製造計画書製造着手前
六 飛行規程七 整備手順書八 航空機の重量及び重心位置の算出に必要な事項を記載した書類九 第三十九条第一項の規定により検査の確認をした旨を証する書類(法第十条第五項第四号及び第五号に掲げる航空機に限る。)十 前各号に掲げるもののほか、参考事項を記載した書類現状についての検査実施前
本邦内で製造するもの以外のもの一 航空機が法第十条第四項の基準に適合することを証明するに足る書類及び図面二 飛行規程三 製造国の政府機関で発行した当該航空機の耐空性、騒音又は発動機の排出物について証明する書類四 航空の用に供した航空機については、整備又は改造に関する技術的記録並びに総飛行時間及び前回分解検査後の飛行時間を記載した書類五 整備手順書六 航空機の重量及び重心位置の算出に必要な事項を記載した書類七 前各号に掲げるもののほか、参考事項を記載した書類検査希望時期まで
二法第十二条第一項の型式証明を受けた型式の航空機(三に掲げる航空機を除く。)本邦内で製造するもの法第十条第六項第一号に掲げる航空機以外のもの一 製造計画書製造着手前
二 飛行規程三 航空機の重量及び重心位置の算出に必要な事項を記載した書類四 前三号に掲げるもののほか、参考事項を記載した書類現状についての検査実施前
法第十条第六項第一号に掲げる航空機一 第四十一条第一項の規定により交付を受けた航空機基準適合証(検査希望時期以前十五日以内に交付を受けたものに限る。以下この表において同じ。)二 飛行規程三 航空機の重量及び重心位置の算出に必要な事項を記載した書類四 前三号に掲げるもののほか、参考事項を記載した書類検査希望時期まで
本邦内で製造するもの以外のもの一 飛行規程二 製造国の政府機関で発行した当該航空機の耐空性、騒音又は発動機の排出物について証明する書類三 航空の用に供した航空機については、整備又は改造に関する技術的記録並びに総飛行時間及び前回分解検査後の飛行時間を記載した書類四 航空機の重量及び重心位置の算出に必要な事項を記載した書類五 前各号に掲げるもののほか、参考事項を記載した書類検査希望時期まで
三法第十条第一項又は法第十条の二第一項の耐空証明を受けたことのある航空機法第十条第六項第三号に掲げる航空機以外のもの一 飛行規程二 整備又は改造に関する技術的記録並びに総飛行時間及び前回分解検査後の飛行時間を記載した書類三 使用中止中の保管の状況を記載した書類四 航空機の重量及び重心位置の算出に必要な事項を記載した書類五 前各号に掲げるもののほか、参考事項を記載した書類検査希望時期まで
法第十条第六項第三号に掲げる航空機一 第四十一条第一項の規定により交付を受けた航空機基準適合証二 飛行規程三 航空機の重量及び重心位置の算出に必要な事項を記載した書類四 前三号に掲げるもののほか、参考事項を記載した書類
第十二条の三法第十条第三項(法第十条の二第二項において準用する場合を含む。以下この条において同じ。)の航空機の用途を指定する場合は、附属書第一に規定する耐空類別を明らかにするものとする。
2法第十条第三項の国土交通省令で定める航空機の運用限界は、第五条の四第二号の航空機の限界事項とする。
第十三条法第十条第三項(法第十条の二第二項において準用する場合を含む。)の指定は、前条に規定する事項を記載した書類(以下「運用限界等指定書」という。)を申請者に交付することによつて行う。
第十四条法第十条第四項第一号(法第十条の二第二項において準用する場合を含む。)の基準は、附属書第一に定める基準(装備品等については附属書第一に定める基準又は国土交通大臣が承認した型式若しくは仕様(電波法(昭和二十五年法律第百三十一号)の適用を受ける無線局の無線設備にあつては、同法に定める技術基準を含む。))とする。
2法第十条第四項第二号(法第十条の二第二項において準用する場合を含む。以下この項において同じ。)の事項が国土交通省令で定めるものである航空機は、附属書第二の適用を受ける航空機とし、同号の基準は、附属書第二に定める基準とする。
3法第十条第四項第三号(法第十条の二第二項において準用する場合を含む。以下この項において同じ。)の事項が国土交通省令で定めるものである航空機は、附属書第三又は附属書第四の適用を受ける航空機とし、同号の基準は、それぞれ附属書第三又は附属書第四に定める基準とする。
第十五条前条第一項の型式又は仕様の承認を申請しようとする者は、装備品等型式(仕様)承認申請書(第七号の二様式)を国土交通大臣に提出しなければならない。
2前項の申請書には、次に掲げる書類を添付しなければならない。
一型式又は仕様を記載した書類
二型式又は仕様に係る設計が前号の型式又は仕様に適合することを証する書類及び図面
三型式又は仕様の装備品等の均一性が確保されることを証する書類
四前三号に掲げるもののほか、参考事項を記載した書類
3前条第一項の型式又は仕様の承認は、装備品等型式(仕様)承認書(第七号の三様式)を申請者に交付することによつて行う。
4前条第一項の承認を受けた者は、当該承認を受けた型式又は仕様について変更しようとするときは、国土交通大臣の承認を受けなければならない。
5第一項から第三項までの規定は、前項の場合について準用する。
6前条第一項の承認を受けた者であつて法第二十条第一項第五号の能力について同項の認定を受けたものが、当該承認を受けた型式又は仕様に係る設計の変更(第六条の表に掲げる設計の変更の区分のうちの小変更に該当するものに限る。)について、第三十二条第七号の規定による検査をし、かつ、第四十条第二項の規定により当該型式又は仕様に適合することを確認したときは、第四項の規定の適用については、同項の承認を受けたものとみなす。
7前項の規定による確認をした者は、遅滞なく、次に掲げる事項を記載した届出書を国土交通大臣に提出しなければならない。
一氏名又は名称及び住所
二認定事業場の名称及び所在地
三装備品等型式(仕様)承認書の番号及び装備品等の型式又は仕様の名称
四当該確認をした設計の変更の内容
8前項の届出書には、次に掲げる書類を添付しなければならない。
一第二項各号に掲げる書類(変更した部分に限る。)
二第四十一条第二項の規定により交付した設計基準適合証の写し
9国土交通大臣は、前条第一項の承認を受けた型式若しくは仕様(第四項の承認があつたときは、その変更後のもの。次項において同じ。)の装備品等の安全性若しくは均一性が確保されていないと認められるとき又は当該装備品等が用いられていないと認められるときは、当該承認を取り消すことができる。
10前条第一項の承認を受けた型式又は仕様の装備品等を製造する者は、当該装備品等に同項の承認を受けた旨の表示を行わなければならない。
11前項の規定により行うべき表示の方法については、第三項の装備品等型式(仕様)承認書において指定する。
12第二十三条の十の規定は、前条第一項の承認を受けた者であつて、本邦内に住所(法人にあつては、その主たる事務所)を有するものについて準用する。
13その型式又は仕様について国際民間航空条約の締約国たる外国が我が国と同等以上の基準及び手続により承認その他の行為をしたと国土交通大臣が認めた装備品等(発動機及びプロペラを除く。)の型式又は仕様は、前条第一項の規定の適用については、同項の承認を受けたものとみなす。
第十六条法第十条第七項又は法第十条の二第二項において準用する法第十条第七項の耐空証明書の様式は、第八号様式の通りとする。
第十六条の二航空機の使用者は、耐空証明書の記載事項に変更(国土交通大臣が軽微と認めるものに限る。)を生じ、又はこれを失い、破り、若しくは汚したため再交付を申請しようとするときは、再交付申請書(第八号の二様式)に、書換えの理由を証する書類(記載事項を変更しようとする場合に限る。)及び当該耐空証明書(失つた場合を除く。)を添えて、当該耐空証明書を交付した者に提出しなければならない。
2前項の申請を受けた者は、当該申請が正当であると認めるときは、耐空証明書を再交付する。
第十六条の三左の各号の一に該当する耐空証明書を所有し、又は保管する者は、遅滞なく、その耐空証明書を、これを交付した者に返納しなければならない。この場合において、返納の事由を記載した書類を添付しなければならない。
一有効期間が経過した耐空証明書
二耐空証明の有効期間が経過する前に新たな耐空証明書の交付を受けた場合における旧耐空証明書
三耐空証明が効力を失つた場合における耐空証明書

(耐空検査員)

第十六条の四法第十条の二第一項の資格及び経験は、次のとおりとする。
一資格
イ法第十条の二第一項の認定を申請する日までに二十三歳に達していること。
ロ一等航空整備士若しくは二等航空整備士の資格についての技能証明(法第二十二条に規定する航空従事者技能証明をいう。第十一章を除き、以下同じ。)(動力滑空機についての限定をされているものに限る。)若しくは航空工場整備士の資格についての技能証明(機体構造関係、機体装備品関係、ピストン発動機関係及びプロペラ関係についての限定をされているものに限る。)を有しているか、又はこれと同等以上と認められる技能を有していること。
二経験
イ二年以上滑空機の製造、改造若しくは修理又はこれらの検査に従事したこと。
ロ法第十条第四項第二号及び第三号の基準に関して国土交通大臣が行う講習を修了したこと。
第十六条の五法第十条の二第一項の滑空機は、中級滑空機、上級滑空機及び動力滑空機とする。
第十六条の六次に掲げる者は、法第十条の二第一項の認定を申請することができない。
一日本の国籍を有しない者
二第十六条の十一の規定により、その資格の取消しを受け、その取消しの日から二年を経過しない者
三拘禁刑以上の刑に処せられて、その執行を終わり、又は執行を受けることがなくなつた日から二年を経過しない者
四精神の機能の障害により耐空検査員の業務を適正に行うに当たつて必要な認知、判断及び意思疎通を適切に行うことができない者
第十六条の七法第十条の二第一項の認定を申請しようとする者は、次に掲げる事項を記載した耐空検査員認定申請書を国土交通大臣に提出しなければならない。
一氏名、生年月日及び住所(別に営業所があるときは、その名称及び所在地を附記すること。)
二所属する会社その他の団体があるときは、その名称及び主たる事務所の所在地
三技能証明書(法第二十三条に規定する航空従事者技能証明書をいう。第十一章を除き、以下同じ。)の種別及び番号
2前項の申請書には、写真(申請前六月以内に、脱帽、上三分身を写した台紙に貼らないもの(縦三センチメートル、横二・四センチメートル)で、裏面に氏名を記載したもの。以下同じ。)二葉及び次に掲げる書類を添えなければならない。
一戸籍抄本
二履歴書
三第十六条の四第二号の経験を有することを証明する書類
3国土交通大臣は、申請者に対し、前項に規定するもののほか、必要と認める書面を提出させることができる。
第十六条の八国土交通大臣は、法第十条の二第一項の認定をしたときは、耐空検査員に、その身分を示す証票(第八号の三様式。以下「耐空検査員の証」という。)を交付する。
2耐空検査員が、業務に従事するときは、前項の耐空検査員の証を携帯しなければならない。
第十六条の九耐空検査員が、耐空検査員の証を失い、破り、よごし、又は氏名若しくは住所を変更したため再交付を申請しようとするときは、左に掲げる事項を記載した再交付申請書に写真二葉及び耐空検査員の証(失つた場合を除く。)を添えて、国土交通大臣に提出しなければならない。
一氏名及び住所
二認定番号
三再交付を申請する事由

(精神の機能の障害により認知等を適切に行うことができない状態となつた場合の届出)

第十六条の九の二耐空検査員又はその法定代理人若しくは同居の親族は、当該耐空検査員が精神の機能の障害を有することにより認知、判断及び意思疎通を適切に行うことができない状態となつたときは、国土交通大臣に届け出なければならない。この場合においては、病名、障害の程度、病因、病後の経過、治癒の見込みその他参考となる所見を記載した医師の診断書を添付しなければならない。
第十六条の十耐空検査員は、法第十条の二第一項の耐空証明を行つたとき、又は法第十七条第二項の検査を行つたときは、次の各号に掲げる事項を記載した報告書及び検査記録書を作成し、遅滞なく国土交通大臣に提出しなければならない。ただし、検査記録書の提出にあつては、国土交通大臣の要求があつた場合に限るものとする。
一報告書
イ氏名及び住所
ロ認定番号
ハ滑空機の登録番号
ニ滑空機の型式、製造番号、製造者及び製造年月日
ホ申請者の氏名及び住所
ヘ検査を行つた日及び場所
ト耐空証明書交付年月日及び耐空証明書番号(法第十条の二第一項の耐空証明を行つたときに限る。)
二検査記録書
イ法第十条の二第一項の耐空証明を行つたとき
(一)材料、部品及び組立部品の検査に関する事項
(二)内部検査、総組立検査及び飛行検査に関する事項
ロ法第十七条第二項の検査を行つたとき
(一)修理及び改造に関する事項(設計書及び設計図面を添付すること。)
(二)材料、部品及び組立部品の検査に関する事項
(三)総組立検査及び飛行検査に関する事項
2前項の報告書(法第十条の二第一項の耐空証明に係るものに限る。)には、当該滑空機の飛行規程の写しを添えなければならない。ただし、法第十条第一項又は法第十条の二第一項の耐空証明を受けたことのある滑空機であつてその飛行規程の記載事項に変更がないものについては、この限りでない。
3法第十二条第一項の型式証明を受けた型式と異なる型式の滑空機について法第十条の二第一項の耐空証明をしたときは、第一項の報告書に当該滑空機の設計書及び設計図面を添えなければならない。
第十六条の十一国土交通大臣は、耐空検査員が次の各号の一に該当するときは、その認定を取り消すことができる。
一死亡し、又は失そうの宣告を受けたとき。
二第十六条の六第一号、第三号又は第四号に該当したとき。
三法又は法に基づく命令の規定に違反したとき。
四不正の手段により認定を受けたとき。
五技能証明の取消し又は航空業務の停止を命ぜられたとき。
六耐空検査員としての職務を行うに当たり、非行又は重大な過失があつたとき。
第十六条の十二国土交通大臣は、耐空検査員の証について、第二百三十八条の失つた旨の届出があつたとき、第十六条の九の再交付の申請があつたとき(失つた場合に限る。)又は前条の規定により認定を取り消したときは、その無効であることを告示する。
第十六条の十三耐空検査員が前条の取消しを受けたとき、又は再交付を受けた後失つた耐空検査員の証が発見されたときは、その証を所有し、又は保管する者は、遅滞なく、その事由を記載した書類を添えて、これを国土交通大臣に返納しなければならない。

(試験飛行等の許可)

第十六条の十四法第十一条第一項ただし書(同条第三項、法第十七条第三項及び法第十九条第三項において準用する場合を含む。)の許可を受けようとする者は、次に掲げる事項を記載した申請書を国土交通大臣に提出しなければならない。
一氏名及び住所
二航空機の型式並びに航空機の国籍及び登録記号
三飛行計画の概要(飛行の目的、日時及び径路を明記すること。)
四操縦者の氏名及び資格
五同乗者の氏名及び同乗の目的
六法第十一条第三項において準用する同条第一項ただし書の許可を受けようとする者にあつては、指定された用途又は運用限界の範囲を超えることとなる事項の内容
七法第十七条第三項又は法第十九条第三項において準用する法第十一条第一項ただし書の許可を受けようとする者にあつては、当該許可に係る修理、改造又は整備の内容
八その他参考となる事項

(型式証明)

第十七条法第十二条第一項の型式証明を申請しようとする者は、型式証明申請書(第九号様式)を国土交通大臣に提出しなければならない。
2前項の申請書に添付すべき書類及び提出の時期は、次の表に掲げる区分による。
区分添付書類提出の時期
一その型式の設計について国際民間航空条約の締約国たる外国が型式証明その他の行為をした航空機一 航空機が法第十条第四項の基準に適合することを証明するに足る書類及び図面二 当該国の政府機関で発行した、当該国が型式証明その他の行為をしたことを証明する書類三 図面目録四 部品表五 仕様書六 飛行規程七 整備手順書八 航空機の重量及び重心位置の算出に必要な事項を記載した書類九 前各号に掲げるもののほか、参考事項を記載した書類検査希望時期まで
二一に掲げる航空機以外の航空機一 設計計画書設計の初期
二 設計書三 図面目録四 設計図面五 部品表六 製造計画書製造着手前
七 仕様書八 飛行規程九 整備手順書十 航空機の重量及び重心位置の算出に必要な事項を記載した書類十一 第三十九条第一項の規定により検査の確認をした旨を証する書類(次条第二項第二号に掲げる航空機に限る。)十二 前各号に掲げるもののほか、参考事項を記載した書類現状についての検査実施前
第十八条型式証明を行うための検査は、当該型式の設計並びにその設計に係る航空機のうち一機の製造過程及び現状について行う。
2前項の規定にかかわらず、次に掲げる航空機については、設計又は製造過程について検査の一部を行わないことができる。
一その型式の設計について国際民間航空条約の締約国たる外国が型式証明その他の行為をした航空機
二法第十二条第一項の型式証明を申請した者であつて、法第二十条第一項第一号の能力について同項の認定を受けたものが、第三十二条第七号の規定により、当該認定に係る設計及び設計後の検査をした航空機
3前二項の規定にかかわらず、その型式の設計について国際民間航空条約の締約国たる外国が我が国と同等以上の基準及び手続により型式証明その他の行為をしたと国土交通大臣が認めた航空機については、設計、製造過程又は現状について検査の一部を行わないことができる。
第十九条法第十二条第三項の型式証明書の様式は、第十号様式の通りとする。

(型式証明の変更)

第二十条法第十三条第一項の承認を受けようとする者は、型式設計変更申請書(第十一号様式)に現に有する型式証明書及び第十七条第二項の表の区分に従い当該変更に係る事項を記載した添付書類を添えて国土交通大臣に提出しなければならない。
2第十七条第二項の規定は、前項の添付書類の提出の時期について準用する。
第二十一条第十八条の規定は、前条の場合に準用する。
第二十二条法第十三条第一項の承認は、新たに型式証明書を交付することによつて行う。
第二十二条の二法第十三条第四項の国土交通省令で定める変更は、次に掲げる変更に該当しないものとする。
一法第十条第四項第二号の航空機について行う次に掲げる設計の変更その他の当該航空機の騒音に影響を及ぼすおそれのある設計の変更
イナセルの形状の変更その他の航空機の形状の大きな変更を伴う設計の変更
ロ装備する発動機又はその部品(航空機の騒音に影響を及ぼす吸音材その他の部品に限る。)に係る設計の変更
ハ離着陸性能の大きな変更を伴う設計の変更
二法第十条第四項第三号の航空機について行う次に掲げる設計の変更その他の当該航空機の発動機の排出物に影響を及ぼすおそれのある設計の変更
イ発動機の空気取入口の形状の変更を伴う設計の変更
ロ装備する発動機、燃料系統又はこれらの部品(発動機の排出物に影響を及ぼす燃焼室その他の部品に限る。)の変更を伴う設計の変更
ハ発動機の性能の大きな変更を伴う設計の変更
2前項の規定にかかわらず、法第十三条の五第一項の規定による国土交通大臣の命令を受けて設計の変更を行う場合には、当該変更は法第十三条第四項の変更に含まれないものとする。
第二十二条の三法第十三条第五項の規定により、確認をした旨の届出をしようとする者は、次に掲げる事項を記載した届出書を国土交通大臣に提出しなければならない。
一氏名又は名称及び住所
二認定事業場の名称及び所在地
三型式証明書の番号及び航空機の型式
四当該確認をした設計の変更の内容
2前項の届出書には、次に掲げる書類を添付しなければならない(第一号から第八号までに掲げる書類にあつては、変更に係る部分に限る。)。
一設計書
二図面目録
三設計図面
四部品表
五仕様書
六飛行規程
七整備手順書
八航空機の重量及び重心位置の算出に必要な事項を記載した書類
九第四十一条第一項の規定により交付した設計基準適合証の写し
十前各号に掲げるもののほか、参考事項を記載した書類

(追加型式設計の承認)

第二十三条型式証明を受けた型式の航空機の当該型式証明を受けた者以外の者による設計の一部の変更(以下「追加型式設計」という。)について法第十三条の二第一項の承認を申請しようとする者は、追加型式設計承認申請書(第十一号の二様式)を国土交通大臣に提出しなければならない。
2前項の申請書に添付すべき書類及び提出の時期は、次の表に掲げる区分による。
区分添付書類提出の時期
一その追加型式設計について国際民間航空条約の締約国たる外国が承認その他の行為をした航空機一 航空機が法第十条第四項の基準に適合することを証明するに足る書類及び図面(変更に係る部分に限る。)二 当該国の政府機関で発行した、当該国が追加型式設計の承認その他の行為をしたことを証明する書類三 図面目録四 部品表五 仕様書六 飛行規程(変更に係る部分に限る。)七 整備手順書(変更に係る部分に限る。)八 航空機の重量及び重心位置の算出に必要な事項を記載した書類九 前各号に掲げるもののほか、参考事項を記載した書類検査希望時期まで
二一に掲げる航空機以外の航空機一 追加型式設計に係る設計計画書設計の初期
二 設計書三 図面目録四 設計図面五 部品表六 製造計画書製造着手前
七 仕様書八 飛行規程(変更に係る部分に限る。)九 整備手順書(変更に係る部分に限る。)十 航空機の重量及び重心位置の算出に必要な事項を記載した書類十一 第三十九条第一項の規定により検査の確認をした旨を証する書類(次条第二項第二号に掲げる航空機に限る。)十二 前各号に掲げるもののほか、参考事項を記載した書類現状についての検査実施前
第二十三条の二追加型式設計の承認を行うための検査は、当該追加型式設計に係る設計並びにその設計に係る航空機のうち一機の製造過程及び現状について行う。
2前項の規定にかかわらず、次に掲げる追加型式設計に係る設計及びその設計に係る航空機については、設計又は製造過程について検査の一部を行わないことができる。
一その追加型式設計について国際民間航空条約の締約国たる外国が承認その他の行為をした航空機
二法第十三条の二第一項の承認を申請した者であつて、法第二十条第一項第一号の能力について同項の認定を受けたものが、第三十二条第七号の規定により、当該認定に係る設計及び設計後の検査をした航空機
3前二項の規定にかかわらず、その追加型式設計について国際民間航空条約の締約国たる外国が我が国と同等以上の基準及び手続により承認その他の行為をしたと国土交通大臣が認めた航空機については、設計、製造過程又は現状について検査の一部を行わないことができる。
第二十三条の三法第十三条の二第一項の承認は、申請者に追加型式設計承認書(第十一号の三様式)を交付することによつて行う。

(追加型式設計の変更の承認)

第二十三条の四法第十三条の二第三項の承認を受けようとする者は、追加型式設計変更申請書(第十一号の四様式)に現に有する追加型式設計承認書及び第二十三条第二項の表の区分に従い当該変更に係る事項を記載した添付書類を添えて国土交通大臣に提出しなければならない。
2第二十三条第二項の規定は、前項の添付書類の提出の時期について準用する。
第二十三条の五第二十三条の二の規定は、前条の場合に準用する。
第二十三条の六法第十三条の二第三項の承認は、新たに追加型式設計承認書を交付することによつて行う。
第二十三条の七法第十三条の二第四項の国土交通省令で定める変更は、第二十二条の二第一項各号に掲げる設計の変更に該当しないものとする。
2前項の規定にかかわらず、法第十三条の五第一項の規定による国土交通大臣の命令を受けて設計の変更を行う場合には、当該変更は法第十三条の二第四項の変更に含まれないものとする。
第二十三条の八法第十三条の二第五項において準用する法第十三条第五項の規定により、確認をした旨の届出をしようとする者は、次に掲げる事項を記載した届出書を国土交通大臣に提出しなければならない。
一氏名又は名称及び住所
二認定事業場の名称及び所在地
三追加型式設計承認書の番号及び追加型式設計の内容
四当該確認をした設計の変更の内容
2前項の届出書には、次に掲げる書類を添付しなければならない(第一号から第八号までに掲げる書類にあつては、変更に係る部分に限る。)。
一設計書
二図面目録
三設計図面
四部品表
五仕様書
六飛行規程
七整備手順書
八航空機の重量及び重心位置の算出に必要な事項を記載した書類
九第四十一条第一項の規定により交付した設計基準適合証の写し
十前各号に掲げるもののほか、参考事項を記載した書類

(航空機の整備及び改造に関する情報)

第二十三条の九法第十三条の三の国土交通省令で定める技術上の情報は、整備及び改造の箇所、時期及び実施の方法とする。

(法第十三条の四の国土交通省令で定める事態の報告等)

第二十三条の十法第十三条の四(法第十八条第五項において準用する場合を含む。)の規定により情報を収集し、これを報告する者(以下この条において「本邦型式証明保有者等」という。)は、型式証明を受けた型式の航空機、追加型式設計の承認を受けた設計に係る航空機又は耐空証明のある航空機の修理若しくは改造のための設計の一部の変更(以下「修理改造設計」という。)の承認を受けた設計に係る航空機(当該本邦型式証明保有者等が受けた当該型式証明又は承認に係るものに限る。以下この条及び次条において「国産航空機等」という。)について、次条各号に掲げる事態(追加型式設計又は修理改造設計の承認を受けた者にあつては、当該設計に係る部分に限る。第三項において同じ。)に関する情報を、国産航空機等の使用者又は国産航空機等若しくはその装備品等の製造、整備若しくは改造をする者から収集し、整理し、及び分析するための体制を整備しなければならない。
2本邦型式証明保有者等は、前項の規定により情報の収集、整理及び分析を行つたときは、その結果を記載し、又は記録した書面又は電磁的記録を作成し、保存しなければならない。
3本邦型式証明保有者等は、国産航空機等について次条各号に掲げる事態の発生を知つた時から七十二時間以内においてできる限り速やかに、次に掲げる事項を国土交通大臣に速報しなければならない。
一氏名又は名称
二航空機の国籍、登録記号及び型式
三報告に係る事態が発生した日時及び場所
四報告に係る事態の概要
五その他参考となる事項
4本邦型式証明保有者等は、前項の規定により速報した事態の原因が設計又は製造過程にあると認める場合、必要な改善措置について、国土交通大臣に報告するとともに、当該改善措置の内容が適切であるかどうかの技術的な検証のために必要な事項を記載した書類を国土交通大臣に提出しなければならない。
第二十三条の十一法第十三条の四の国土交通省令で定める事態は、次に掲げる事態とする。
一法第七十六条第一項各号に掲げる事故
二法第七十六条の二に規定する事態(設計又は製造過程に起因し、又は起因すると疑われるものに限る。)
三前二号に掲げるもののほか、国産航空機等が法第十条第四項の基準に適合せず、又は同項の基準に適合しなくなるおそれがあるものとして国土交通大臣が認める事態

(型式証明書等の提出)

第二十三条の十二型式証明又は追加型式設計の承認(以下この条において「型式証明等」という。)を受けた者は、法第十三条の五第二項の規定により型式証明等を取り消されたときは、直ちに、当該型式証明等に係る型式証明書又は追加型式設計承認書を国土交通大臣に提出しなければならない。

(耐空証明の有効期間の起算日)

第二十三条の十三耐空証明の有効期間の起算日は、当該耐空証明に係る耐空証明書を交付する日とする。ただし、耐空証明の有効期間が満了する日の一月前から当該期間が満了する日までの間に新たに耐空証明書を交付する場合は、当該期間が満了する日の翌日とする。

(法第十四条の二第一項の整備規程)

第二十三条の十四法第十四条の二第一項の国土交通省令で定める航空機の整備に関する事項は第二百十四条の表第二号の上欄に掲げるとおりとし、法第十四条の二第二項の国土交通省令で定める技術上の基準は同号の上欄に掲げる事項についてそれぞれ同号の下欄に掲げるとおりとする。

(整備規程の認定の申請等)

第二十三条の十五法第十四条の二第一項の規定により、整備規程の設定の認定を申請しようとする者は、次に掲げる事項を記載した整備規程設定認定申請書を国土交通大臣に提出しなければならない。
一氏名又は名称及び住所
二設定しようとする整備規程
2法第十四条の二第三項の規定により、整備規程の変更の認定を申請しようとする者は、次に掲げる事項を記載した整備規程変更認定申請書を国土交通大臣に提出しなければならない。
一氏名又は名称及び住所
二変更しようとする整備規程(新旧の対照を明示すること。)
三変更を必要とする理由
3法第十四条の二第三項の国土交通省令で定める軽微な変更は、次のとおりとする。
一機体及び装備品等の製造者等の作成する整備に関する技術的資料に準拠した変更
二整備に関する職務を実施する組織の名称の変更であつて、その職務の範囲及び内容の変更を伴わないもの
三前二号に掲げるもののほか、航空機の運航の安全に影響を及ぼすおそれの少ないものとして国土交通大臣が認める事項の変更
4法第十四条の二第五項の規定により整備規程の変更の届出をしようとする者は、次に掲げる事項を記載した整備規程変更届出書を国土交通大臣に提出しなければならない。
一氏名又は名称及び住所
二変更した事項(新旧の対照を明示すること。)
三実施日

(耐空証明書等の提出等)

第二十三条の十六航空機の使用者は、法第十四条の三第二項の規定により当該航空機の耐空証明の効力が停止されたときは、直ちに、当該航空機の耐空証明書を国土交通大臣に提出しなければならない。
2航空機の使用者は、法第十四条の三第二項の規定により当該航空機の耐空証明の有効期間が短縮され、又は指定事項が変更されたときは、直ちに、当該航空機の耐空証明書又は運用限界等指定書を国土交通大臣に提示しなければならない。

(航空の用に供してはならない航空機)

第二十三条の十七法第十五条第二号の国土交通省令で定める航空機は、第十四条第二項の基準に適合しないターボジェット発動機又はターボファン発動機を装備する航空機であつて、最大離陸重量が三万四千キログラムを超えるものとする。

(使用者の整備及び改造の義務)

第二十三条の十八法第十六条第一項の規定により航空機を法第十条第四項の基準に適合するように維持しなければならない者は、次の各号に掲げる航空機について、それぞれ当該各号に定める措置を講ずることとする。
一航空運送事業の用に供する航空機法第百四条第一項の認可を受けた整備規程により整備をし、及び必要に応じ改造をすること
二法第十四条の二第一項の認定を受けた整備規程(同条第三項の変更の認定又は同条第五項の規定による届出があつたときは、その変更後のもの)により整備をする航空機当該整備規程により整備をし、及び必要に応じ改造をすること
三前二号に掲げる航空機以外の航空機次に定めるところにより行うこと
イ機体及び装備品等の製造者等の作成する整備に関する技術的資料に準拠して適切な日常整備、定時整備又はオーバーホールを実施すること
ロ航空機に発生した不具合を適切に是正すること
ハ整備作業の結果を適確に記録し、保存すること
ニその他航空機を法第十条第四項の基準に適合するように維持するため必要な整備又は改造をすること

(法第十六条第二項第四号の国土交通省令で定める装備品等)

第二十三条の十九法第十六条第二項第四号の国土交通省令で定める装備品等は、次に掲げるものとする。
一その耐空性について国際民間航空条約の締約国たる外国が証明その他の行為をした装備品等
二装備品等の製造、修理又は改造の能力についての認定その他の行為に関して我が国と同等以上の基準及び手続を有すると国土交通大臣が認めた外国において、当該基準及び手続により当該認定その他の行為を受けた者が製造、修理又は改造をし、かつ、その耐空性について確認した装備品等
三日本産業規格その他の標準化された規格に適合する部品
四その他国土交通大臣が定める装備品等

(修理改造検査)

第二十四条法第十七条第一項の検査を受けるべき国土交通省令で定める範囲の修理又は改造は、次の表の上欄に掲げる航空機の区分に応じ、それぞれ同表の下欄に掲げるものとする。
航空機の区分修理又は改造の範囲
一 法第十九条第一項の航空機第五条の六の表に掲げる作業の区分のうちの改造
二 前号に掲げる航空機以外の航空機イ 第五条の六の表に掲げる作業の区分のうちの大修理又は改造(滑空機にあつては、大修理又は大改造)ロ 法第十条第四項第二号の航空機について行う次に掲げる修理又は改造その他の当該航空機の騒音に影響を及ぼすおそれのある修理又は改造(1) ナセルの形状の変更その他の航空機の形状の大きな変更を伴う修理又は改造(2) 装備する発動機又はその部品(航空機の騒音に影響を及ぼす吸音材その他の部品に限る。)の変更を伴う修理又は改造(3) 離着陸性能の大きな変更を伴う修理又は改造ハ 法第十条第四項第三号の航空機について行う次に掲げる修理又は改造その他の当該航空機の発動機の排出物に影響を及ぼすおそれのある修理又は改造(1) 発動機の空気取入口の形状の変更を伴う修理又は改造(2) 装備する発動機、燃料系統又はこれらの部品(発動機の排出物に影響を及ぼす燃焼室その他の部品に限る。)の変更を伴う修理又は改造(3) 発動機の性能の大きな変更を伴う修理又は改造
第二十四条の二法第十七条第一項の国土交通省令で定める輸入した航空機の修理又は改造のための設計は、次に掲げるものとする。
一耐空性、騒音又は発動機の排出物について国際民間航空条約の締約国たる外国が我が国と同等以上の基準及び手続により承認その他の行為をしたと国土交通大臣が認めた航空機の修理又は改造のための設計
二航空機の設計の能力についての認定その他の行為に関して我が国と同等以上の基準及び手続を有すると国土交通大臣が認めた外国において、当該基準及び手続により当該認定その他の行為を受けた者が設計し、かつ、耐空性、騒音又は発動機の排出物について確認した航空機の修理又は改造のための設計
第二十五条法第十七条第一項又は第二項の検査を受けようとする者は、修理改造検査申請書(第十二号様式)を国土交通大臣又は耐空検査員に提出しなければならない。
2前項の申請書に添付すべき書類及び提出の時期は、次の表に掲げる区分による。
区分添付書類提出の時期
一法第十八条第一項の承認を受けた設計に基づき修理又は改造をする航空機一 第二十六条の五の規定により交付がされた修理改造設計承認書の写し又は第四十一条第一項の規定により交付がされた設計基準適合証の写し二 修理又は改造の計画(航空機の修理又は改造のための設計に係る部分を除く。)作業着手前
三 飛行規程(変更に係る部分に限る。)四 整備手順書(変更に係る部分に限る。)五 航空機の重量及び重心位置の算出に必要な事項を記載した書類六 前三号に掲げるもののほか、参考事項を記載した書類現状についての検査実施前
二前条各号に掲げる輸入した航空機の修理又は改造のための設計に基づき修理又は改造をする航空機一 前条第一号に規定する承認その他の行為がされたことを証明する書類又は同条第二号に規定する確認がされた旨を証する書類二 修理又は改造の計画(航空機の修理又は改造のための設計に係る部分を除く。)作業着手前
三 飛行規程(変更に係る部分に限る。)四 整備手順書(変更に係る部分に限る。)五 航空機の重量及び重心位置の算出に必要な事項を記載した書類六 前三号に掲げるもののほか、参考事項を記載した書類現状についての検査実施前
三一及び二に掲げる航空機以外の航空機次条第二項及び第三項に規定する航空機以外のもの一 設計計画書設計の初期
二 設計書三 図面目録四 設計図面五 部品表六 修理又は改造の計画(航空機の修理又は改造のための設計に係る部分を除く。)作業着手前
七 飛行規程(変更に係る部分に限る。)八 整備手順書(変更に係る部分に限る。)九 航空機の重量及び重心位置の算出に必要な事項を記載した書類十 前三号に掲げるもののほか、参考事項を記載した書類現状についての検査実施前
次条第二項に規定する航空機一 第二十二条の規定により交付がされた型式証明書の写し、第二十三条の三若しくは第二十三条の六の規定により交付がされた追加型式設計承認書の写し又は第四十一条第一項の規定により交付がされた設計基準適合証の写し二 修理又は改造の計画(航空機の修理又は改造のための設計に係る部分を除く。)作業着手前
三 飛行規程(変更に係る部分に限る。)四 整備手順書(変更に係る部分に限る。)五 航空機の重量及び重心位置の算出に必要な事項を記載した書類六 前三号に掲げるもののほか、参考事項を記載した書類現状についての検査実施前
次条第三項に規定する航空機一 第二十六条の十三第六項若しくは第十四項の規定により交付がされた装備品等修理改造設計承認書の写し、第四十一条第一項の規定により交付がされた設計基準適合証の写し、次条第三項第二号に規定する承認その他の行為がされたことを証明する書類又は同項第三号に規定する確認がされた旨を証する書類二 設計計画書(次条第三項の装備品等に係る部分を除く。)設計の初期
三 設計書(次条第三項の装備品等に係る部分を除く。)四 図面目録(次条第三項の装備品等に係る部分を除く。)五 設計図面(次条第三項の装備品等に係る部分を除く。)六 部品表(次条第三項の装備品等に係る部分を除く。)七 修理又は改造の計画(航空機の修理又は改造のための設計に係る部分を除く。)作業着手前
八 飛行規程(変更に係る部分に限る。)九 整備手順書(変更に係る部分に限る。)十 航空機の重量及び重心位置の算出に必要な事項を記載した書類十一 前三号に掲げるもののほか、参考事項を記載した書類現状についての検査実施前
第二十六条法第十七条第一項又は第二項の検査は、修理又は改造の計画、過程及び作業完了後の現状について行う。
2前項の規定にかかわらず、法第十三条第一項又は法第十三条の二第一項若しくは第三項の承認を受けた設計に基づき修理又は改造をする航空機については、修理又は改造の計画(航空機の修理又は改造のための設計に係るものに限る。)又は過程について検査の一部を行わないことができる。
3前二項の規定にかかわらず、次に掲げる設計に基づき修理又は改造をする装備品等を用いて修理又は改造をする航空機については、修理又は改造の計画(装備品等の修理又は改造のための設計に係るものに限る。)又は過程について検査の一部を行わないことができる。
一装備品等の修理又は改造のための設計の一部の変更(以下「装備品等修理改造設計」という。)であつて国土交通大臣の承認を受けた設計
二耐空性について国際民間航空条約の締約国たる外国が我が国と同等以上の基準及び手続により承認その他の行為をしたと国土交通大臣が認めた装備品等の修理又は改造のための設計
三装備品等の設計及び設計後の検査の能力についての認定その他の行為に関して我が国と同等以上の基準及び手続を有すると国土交通大臣が認めた外国において、当該基準及び手続により当該認定その他の行為を受けた者が設計し、かつ、耐空性について確認した装備品等の修理又は改造のための設計
第二十六条の二国土交通大臣又は耐空検査員は、法第十七条第一項又は第二項の検査の結果、航空機が次の表の上欄に掲げる航空機の区分及び同表の中欄に掲げる修理又は改造の範囲に応じ、それぞれ同表の下欄に掲げる基準に適合すると認めるときは、これを合格とするものとする。
航空機の区分修理又は改造の範囲基準
一 法第十九条第一項の航空機イ 第二十四条の表第一号の下欄に掲げる改造(ロ及びハに掲げる改造を除く。)法第十条第四項第一号の基準
ロ 第二十四条の表第二号の下欄ロに掲げる改造法第十条第四項第一号及び第二号の基準
ハ 第二十四条の表第二号の下欄ハに掲げる改造法第十条第四項第一号及び第三号の基準
二 前号に掲げる航空機以外の航空機イ 第二十四条の表第二号の下欄イに掲げる修理又は改造(ロ及びハに掲げる修理又は改造を除く。)法第十条第四項第一号の基準
ロ 第二十四条の表第二号の下欄ロに掲げる修理又は改造法第十条第四項第一号及び第二号の基準
ハ 第二十四条の表第二号の下欄ハに掲げる修理又は改造法第十条第四項第一号及び第三号の基準

(修理改造設計の承認)

第二十六条の三修理改造設計について法第十八条第一項の承認を申請しようとする者は、修理改造設計承認申請書(第十二号の二様式)を国土交通大臣に提出しなければならない。
2前項の申請書に添付すべき書類及び提出の時期は、次の表による。
添付書類提出の時期
一 設計計画書設計の初期
二 設計書三 図面目録四 設計図面五 部品表六 仕様書(変更に係る部分に限る。)七 飛行規程(変更に係る部分に限る。)八 整備手順書(変更に係る部分に限る。)九 航空機の重量及び重心位置の算出に必要な事項を記載した書類十 第三十九条第一項の規定により検査の確認をした旨を証する書類(次条第二項に規定する修理改造設計に係る設計に限る。)十一 第二号から前号までに掲げるもののほか、参考事項を記載した書類検査希望時期まで
第二十六条の四修理改造設計の承認を行うための検査は、当該修理改造設計に係る設計について行う。
2前項の規定にかかわらず、法第十八条第一項の承認を申請した者であつて、法第二十条第一項第一号の能力について同項の認定を受けたものが、第三十二条第七号の規定により、当該認定に係る設計及び設計後の検査をした設計については、検査の一部を行わないことができる。
第二十六条の五法第十八条第一項の承認は、申請者に修理改造設計承認書(第十二号の三様式)を交付することによつて行う。
第二十六条の六法第十八条第二項の規定による確認をした者は、同条第五項において準用する法第十三条第五項の規定により、次に掲げる事項を記載した届出書を国土交通大臣に提出しなければならない。
一氏名又は名称及び住所
二認定事業場の名称及び所在地
三当該確認をした設計の内容
2前項の届出書には、次に掲げる書類を添付しなければならない。
一設計書
二図面目録
三設計図面
四部品表
五仕様書
六飛行規程
七整備手順書
八航空機の重量及び重心位置の算出に必要な事項を記載した書類
九第四十一条第一項の規定により交付した設計基準適合証の写し
十前各号に掲げるもののほか、参考事項を記載した書類

(修理改造設計の変更の承認)

第二十六条の七法第十八条第三項の承認を受けようとする者は、修理改造設計変更申請書(第十二号の四様式)に現に有する修理改造設計承認書又は第四十一条第一項の規定により交付した設計基準適合証の写し及び第二十六条の三第二項の表に従い当該変更に係る事項を記載した添付書類を添えて国土交通大臣に提出しなければならない。
2第二十六条の三第二項の規定は、前項の添付書類の提出の時期について準用する。
第二十六条の八第二十六条の四の規定は、前条の場合に準用する。
第二十六条の九法第十八条第三項の承認は、新たに修理改造設計承認書を交付することによつて行う。
第二十六条の十法第十八条第四項の国土交通省令で定める変更は、第二十二条の二第一項各号に掲げる設計の変更に該当しないものとする。
2前項の規定にかかわらず、法第十八条第五項において準用する法第十三条の五第一項の規定による国土交通大臣の命令を受けて設計の変更を行う場合には、当該変更は法第十八条第四項の変更に含まれないものとする。
第二十六条の十一法第十八条第四項の規定による確認をした者は、同条第五項において準用する法第十三条第五項の規定により、次に掲げる事項を記載した届出書を国土交通大臣に提出しなければならない。
一氏名又は名称及び住所
二認定事業場の名称及び所在地
三修理改造設計承認書又は設計基準適合証の番号及び修理改造設計の内容
四当該確認をした設計の変更の内容
2第二十六条の六第二項の規定は、前項の届出書について準用する。ただし、同項第一号から第八号までに掲げる書類にあつては、変更に係る部分に限る。
第二十六条の十二第二十三条の十二の規定は、法第十八条第五項において法第十三条の五第二項の規定を準用する場合について準用する。

(装備品等修理改造設計の承認)

第二十六条の十三第二十六条第三項第一号の承認を申請しようとする者は、装備品等修理改造設計承認申請書(第十三号様式)を国土交通大臣に提出しなければならない。
2前項の申請書に添付すべき書類及び提出の時期は、次の表による。
添付書類提出の時期
一 設計計画書設計の初期
二 設計書三 図面目録四 設計図面五 部品表六 仕様書(変更に係る部分に限る。)七 整備手順書(変更に係る部分に限る。)八 第三十九条第一項の規定により検査の確認をした旨を証する書類(第五項に規定する装備品等修理改造設計に係る設計に限る。)九 第二号から前号までに掲げるもののほか、参考事項を記載した書類検査希望時期まで
3国土交通大臣は、第二十六条第三項第一号の承認の申請があつたときは、当該申請に係る設計について法第十条第四項第一号の基準に適合するかどうかを検査し、これに適合すると認めるときは、承認を行う。
4前項の検査は、当該装備品等修理改造設計に係る設計について行う。
5前項の規定にかかわらず、第二十六条第三項第一号の承認を申請した者であつて、法第二十条第一項第五号の能力について同項の認定を受けたものが、第三十二条第七号の規定により、当該認定に係る設計及び設計後の検査をした設計については、検査の一部を行わないことができる。
6第二十六条第三項第一号の承認は、申請者に装備品等修理改造設計承認書(第十四号様式)を交付することによつて行う。
7装備品等修理改造設計であつて、法第二十条第一項第五号の能力について同項の認定を受けた者が当該認定に係る設計及び設計後の検査をし、かつ、第四十条第一項の規定により、法第十条第四項第一号の基準に適合することを確認したものは、第二十六条第三項第一号の規定の適用については、同号の承認を受けたものとみなす。
8前項の規定による確認をした者は、遅滞なく、次に掲げる事項を記載した届出書を国土交通大臣に提出しなければならない。
一氏名又は名称及び住所
二認定事業場の名称及び所在地
三当該確認をした設計の内容
9前項の届出書には、次に掲げる書類を添付しなければならない。
一設計書
二図面目録
三設計図面
四部品表
五仕様書
六整備手順書
七第四十一条第一項の規定により交付した設計基準適合証の写し
八前各号に掲げるもののほか、参考事項を記載した書類
10第二十六条第三項第一号の承認を受けた者は、当該承認を受けた設計の変更をしようとするときは、国土交通大臣の承認を受けなければならない。法第十条第四項第一号の基準の変更があつた場合において、当該承認を受けた設計が同号の基準に適合しなくなつたときも、同様とする。
11前項の承認を受けようとする者は、装備品等修理改造設計変更申請書(第十五号様式)に現に有する装備品等修理改造設計承認書又は第四十一条第一項の規定により交付した設計基準適合証の写し及び第二項の表に従い当該変更に係る事項を記載した添付書類を添えて国土交通大臣に提出しなければならない。
12第二項の規定は、前項の添付書類の提出の時期について準用する。
13第三項から第五項までの規定は、第十項の承認について準用する。
14第十項の承認は、新たに装備品等修理改造設計承認書を交付することによつて行う。
15第二十六条第三項第一号の承認を受けた者であつて法第二十条第一項第五号の能力について同項の認定を受けたものが、当該承認を受けた設計の変更について、当該認定に係る設計及び設計後の検査をし、かつ、第四十条第一項の規定により、法第十条第四項第一号の基準に適合することを確認したときは、第十項の規定の適用については、同項の承認を受けたものとみなす。
16前項の規定による確認をした者は、遅滞なく、次に掲げる事項を記載した届出書を国土交通大臣に提出しなければならない。
一氏名又は名称及び住所
二認定事業場の名称及び所在地
三装備品等修理改造設計承認書又は設計基準適合証の番号及び装備品等修理改造設計の内容
四当該確認をした設計の変更の内容
17第九項の規定は、前項の届出書について準用する。ただし、同項第一号から第六号までに掲げる書類にあつては、変更に係る部分に限る。
18第二十三条の十の規定は、第二十六条第三項第一号の承認を受けた者であつて、本邦内に住所(法人にあつては、その主たる事務所)を有するものについて準用する。
19国土交通大臣は、第二十六条第三項第一号又は第十項の承認を受けた設計に係る装備品等が法第十条第四項第一号の基準に適合しなくなつたと認めるときは、当該承認を取り消すことができる。
20第二十三条の十二の規定は、前項の場合について準用する。

(法第十九条第一項の国土交通省令で定める航空機)

第二十七条法第十九条第一項の国土交通省令で定める航空機は、客席数が三十又は最大離陸重量が一万五千キログラムを超える飛行機及び回転翼航空機とする。

(軽微な保守)

第二十八条法第十九条第一項の国土交通省令で定める軽微な保守は、第五条の六の表に掲げる作業の区分のうちの軽微な保守とする。

(航空機の整備又は改造についての確認)

第二十九条法第十九条第二項の確認は、航空機の整備又は改造の計画(修理又は改造のための設計に係るものを除く。)及び過程並びにその作業完了後の現状について行うものとし、搭載用航空日誌(滑空機にあつては、滑空機用航空日誌)に署名又は記名押印をすることにより行うものとする。

第二節 事業場の認定

(業務の範囲及び限定)

第三十条法第二十条第一項の事業場の認定(以下この節において単に「認定」という。)は、次の表の上欄に掲げる業務の能力の区分に応じ、同表の下欄に掲げる業務の範囲の一又は二以上について行う。
業務の能力の区分業務の範囲
一 法第二十条第一項第一号から第四号までに掲げる業務の能力1 最大離陸重量が五千七百キログラム以下の航空機(回転翼航空機を除く。)に係る業務2 最大離陸重量が五千七百キログラムを超える航空機(回転翼航空機を除く。)に係る業務3 回転翼航空機に係る業務
二 法第二十条第一項第五号から第七号までに掲げる業務の能力1 ピストン発動機に係る業務2 タービン発動機に係る業務3 プロペラに係る業務4 回転翼に係る業務5 トランスミッションに係る業務6 計器又は記録系統の装備品等に係る業務7 自動操縦系統の装備品等に係る業務8 発動機補機に係る業務9 補助動力装置に係る業務10 着陸系統の装備品等に係る業務11 防氷、防火又は防水系統の装備品等に係る業務12 燃料系統の装備品等に係る業務13 油圧系統の装備品等に係る業務14 空調又は与圧系統の装備品等に係る業務15 酸素系統の装備品等に係る業務16 空圧又は真空系統の装備品等に係る業務17 電気系統の装備品等に係る業務18 通信又は航法系統の装備品等に係る業務19 操縦系統の装備品等に係る業務20 構造部材に係る業務21 ドアに係る業務22 窓に係る業務23 座席その他航空機内に備え付けられた装備品等に係る業務24 その他国土交通大臣が告示で指定する装備品等に係る業務
2認定には、次の表の上欄に掲げる区分に応じ、同表の下欄に掲げる限定をすることができるものとする。
認定の区分限定
一 前項の表第一号に掲げる業務の能力についての認定航空機の型式についての限定、第五条の六の表に掲げる作業の区分又は作業の内容についての限定、第六条の表に掲げる設計の変更の区分又は設計の変更の内容についての限定その他の限定
二 前項の表第二号に掲げる業務の能力についての認定装備品等の種類及び型式又は仕様についての限定、第五条の六の表に掲げる作業の区分又は作業の内容についての限定、第六条の表に掲げる設計の変更の区分又は設計の変更の内容についての限定その他の限定

(認定の申請)

第三十一条認定を申請しようとする者は、事業場ごとに、事業場認定申請書(第十六号様式)に、当該事業場が次条の技術上の基準に適合することを説明する書類を添えて、国土交通大臣に提出しなければならない。

(認定の基準)

第三十二条法第二十条第一項の技術上の基準は、次のとおりとする。
一次に掲げる施設を有すること。
イ認定に係る業務(以下この節において「認定業務」という。)に必要な設備
ロ認定業務に必要な面積並びに温度及び湿度の調整設備、照明設備その他の設備を有する作業場
ハ認定業務に必要な材料、部品、装備品等を適切に保管するための施設
二業務を実施する組織が認定業務を適切に分担できるものであり、かつ、それぞれの権限及び責任が明確にされたものであること。
三前号の各組織ごとに認定業務を適確に実施することができる能力を有する人員が適切に配置されていること。
四次の表の上欄に掲げる認定業務の区分に応じ、航空法規及び第六号の品質管理制度の運用に関する教育及び訓練を修了した者であつて同表の中欄に掲げる要件を備えるもの又は国土交通大臣がこれと同等以上の能力を有すると認めた者が、同表の下欄に掲げる確認を行う者(以下「確認主任者」という。)として選任されていること。
認定業務の区分確認主任者の要件確認の区分
法第二十条第一項第一号に係る認定業務学校教育法(昭和二十二年法律第二十六号)による大学又は高等専門学校の工学に関する学科において所定の課程を修めて卒業し(当該学科において所定の課程を修めて同法による専門職大学の前期課程を修了した場合を含む。以下この表において同じ。)、上欄に掲げる認定業務について大学卒業者(同法による短期大学の卒業者を除く。以下この表において同じ。)にあつては六年以上、その他の者にあつては八年以上の経験を有し、かつ、構造、電気その他の当該業務を行うのに必要な分野について専門的知識を有すること。法第十三条第四項、法第十三条の二第四項又は法第十八条第二項若しくは第四項の確認又は第三十九条第一項の表第一号の検査の確認
法第二十条第一項第二号に係る認定業務学校教育法による大学又は高等専門学校の航空又は機械に関する学科において所定の課程を修めて卒業し(当該学科において所定の課程を修めて同法による専門職大学の前期課程を修了した場合を含む。)、かつ、上欄に掲げる認定業務について大学卒業者にあつては三年以上、その他の者にあつては五年以上の経験を有すること。法第十条第六項第一号又は法第十六条第二項第二号の確認
学校教育法による大学、高等専門学校、専修学校(同法第百三十二条に規定する専門課程に限る。以下この表において同じ。)、高等学校(旧中等学校令(昭和十八年勅令第三十六号)による実業学校を含む。以下この表において同じ。)又は中等教育学校の工学に関する学科において所定の課程を修めて卒業し、かつ、国土交通大臣が定める装備品等の種類に応じて上欄に掲げる認定業務について国土交通大臣が定める期間以上の経験を有すること。法第十六条第二項第二号の確認
法第二十条第一項第三号に係る認定業務上欄に掲げる認定業務に対応した一等航空整備士、二等航空整備士又は航空工場整備士の資格の技能証明を有し、かつ、当該認定業務について三年以上の経験を有すること。法第十条第六項第三号の確認
法第二十条第一項第四号に係る認定業務上欄に掲げる認定業務に対応した一等航空整備士、二等航空整備士、一等航空運航整備士、二等航空運航整備士又は航空工場整備士の資格の技能証明を有し、かつ、当該認定業務について三年以上の経験を有すること。ただし、改造をした航空機については、一等航空整備士又は二等航空整備士の資格の技能証明を有し、当該改造に係る型式の航空機の改造に関する教育及び訓練を終了し、かつ、当該改造に係る型式の航空機の改造について三年以上の経験を有することをもつて足りる。法第十九条第一項又は法第十九条の二の確認
法第二十条第一項第五号に係る認定業務学校教育法による大学又は高等専門学校の工学に関する学科において所定の課程を修めて卒業し、上欄に掲げる認定業務について大学卒業者にあつては六年以上、その他の者にあつては八年以上の経験を有し、かつ、構造、電気その他の当該業務を行うのに必要な分野について専門的知識を有すること。第十五条第六項若しくは第二十六条の十三第七項若しくは第十五項の確認又は第三十九条第一項の表第二号の検査の確認
法第二十条第一項第六号に係る認定業務学校教育法による大学、高等専門学校、専修学校、高等学校又は中等教育学校の工学に関する学科において所定の課程を修めて卒業し、かつ、国土交通大臣が定める装備品等の種類に応じて上欄に掲げる認定業務について国土交通大臣が定める期間以上の経験を有すること。法第十六条第二項第一号の確認
法第二十条第一項第七号に係る認定業務1又は2に掲げる要件を備えること。1 上欄に掲げる認定業務に対応した航空工場整備士の資格の技能証明を有し、かつ、国土交通大臣が定める装備品等の種類に応じて当該認定業務について国土交通大臣が定める期間以上の経験を有すること。2 学校教育法による大学、高等専門学校、専修学校、高等学校又は中等教育学校の工学に関する学科において所定の課程を修めて卒業し、かつ、国土交通大臣が定める装備品等の種類に応じて上欄に掲げる認定業務について国土交通大臣が定める期間以上の経験を有すること。法第十六条第二項第三号の確認
五作業の実施方法(次号の品質管理制度に係るものを除く。)が認定業務の適確な実施のために適切なものであること(法第二十条第一項第三号に係る認定業務の作業の実施方法にあつては、航空機の構造並びに装備品等及び系統の状態の点検の結果、当該航空機について必要な整備を行うこととするものであり、かつ、認定業務の適確な実施のために適切なものであること。)。
六次の制度を含む品質管理制度が認定業務の適確な実施のために適切なものであること。
イ第一号の施設の維持管理に関する制度
ロ第三号の人員の教育及び訓練に関する制度
ハ前号の作業の実施方法の改訂に関する制度
ニ技術資料の入手、管理及び運用に関する制度
ホ材料、部品、装備品等の管理に関する制度
ヘ材料、部品、装備品等の領収検査並びに航空機又は装備品等の受領検査、中間検査及び完成検査に関する制度
ト工程管理に関する制度
チ業務を委託する場合における受託者による当該業務の遂行の管理に関する制度
リ業務の記録の管理に関する制度
ヌ業務の実施組織から独立した組織が行う監査に関する制度
ル法第二十条第一項第一号又は第五号に係る認定業務にあつては、設計書その他設計に関する書類(以下この節において「設計書類」という。)の管理及び当該書類の検査に関する制度
ヲ法第二十条第一項第一号又は第五号に係る認定業務にあつては、供試体の管理及びその品質の維持を図るため行う検査に関する制度
七次の表の上欄に掲げる認定業務にあつては、同表の中欄に掲げる検査が同表の下欄に掲げる方法により実施されること。
認定業務の区分検査の区分検査の実施方法
法第二十条第一項第一号に係る認定業務法第十条第五項第四号、法第十三条第四項、法第十三条の二第四項、法第十八条第二項若しくは第四項、第十八条第二項第二号(第二十一条において準用する場合を含む。)、第二十三条の二第二項第二号(第二十三条の五において準用する場合を含む。)又は第二十六条の四第二項(第二十六条の八において準用する場合を含む。)の設計後の検査設計書類の審査、地上試験、飛行試験その他の方法
法第二十条第一項第二号に係る認定業務法第十条第六項第一号の完成後の検査地上試験及び飛行試験
法第二十条第一項第三号に係る認定業務法第十条第六項第三号の整備後の検査
法第二十条第一項第五号に係る認定業務法第十条第五項第五号、第十五条第六項又は第二十六条の十三第五項(同条第十三項において準用する場合を含む。)、第七項若しくは第十五項の設計後の検査設計書類の審査、機能試験その他の方法
法第二十条第一項第六号に係る認定業務法第十六条第二項第一号の完成後の検査機能試験その他の方法
八事業場の運営に責任を有する者の権限及び責任において、次に掲げる事項が文書により適切に定められており、及び当該文書に記載されたところに従い認定業務が実施されるものであること。
イ航空機又は装備品等の安全性を確保するための業務の運営の方針に関する事項
ロ航空機又は装備品等の安全性を確保するための業務の実施及びその管理の体制に関する事項
ハ航空機又は装備品等の安全性を確保するための業務の実施及びその管理の方法に関する事項

(認定書の交付)

第三十三条認定は、申請者に事業場認定書(第十六号の二様式)を交付することによつて行う。

(認定の有効期間)

第三十四条認定の有効期間は、二年とする。

(限定の変更)

第三十五条認定を受けた者が限定を受けた事項について変更をしようとするときは、限定変更申請書(第十六号の三様式)を国土交通大臣に提出し、その承認を受けなければならない。
2前項の承認は、変更に係る業務の能力が第三十二条の技術上の基準に適合しているかどうかを審査して行うものとする。
3第一項の承認は、申請者に限定変更承認書(第十六号の四様式)を交付することによつて行う。

(業務の実施に関する事項等)

第三十六条法第二十条第二項の国土交通省令で定める業務の実施に関する事項は、次のとおりとする。ただし、第三十二条第八号に掲げる事項を除く。
一認定業務の能力及び範囲並びに限定
二業務に用いる設備、作業場及び保管施設その他の施設に関する事項
三業務を実施する組織及び人員に関する事項
四品質管理制度その他の業務の実施の方法に関する事項
五確認主任者の行う確認の業務に関する事項
六その他業務の実施に関し必要な事項
2法第二十条第二項の規定により、業務規程の設定又は変更の認可を申請しようとする者は、業務規程設定(変更)認可申請書(第十六号の五様式)に次に掲げる事項を記載した書類を添えて、国土交通大臣に提出しなければならない。
一設定し、又は変更しようとする業務規程(変更の場合においては、新旧の対照を明示すること。)
二前号の業務規程が次条の技術上の基準に適合していることを説明する書類
3法第二十条第二項の国土交通省令で定める軽微な変更は、次のとおりとする。
一第一項第二号に掲げる事項のうち業務に用いる施設の機能に支障を及ぼすおそれがないと国土交通大臣が認める事項の変更
二第一項第三号に掲げる事項のうち業務の実施に影響を及ぼすおそれがないと国土交通大臣が認める事項の変更
三前二号に掲げるもののほか、誤記の訂正、法令の制定又は改廃に伴い当然必要とされる形式的な変更その他の業務規程に記載されている内容の実質的な変更を伴わない変更
4法第二十条第四項の規定により業務規程の変更の届出をしようとする者は、次に掲げる事項を記載した業務規程変更届出書を国土交通大臣に提出しなければならない。
一氏名又は名称及び住所
二変更した事項(新旧の対照を明示すること。)
三実施日

(技術上の基準)

第三十七条法第二十条第三項の国土交通省令で定める技術上の基準は、次のとおりとする。
一前条第一項第一号の事項にあつては、第三十条の規定に従つて認定業務の能力及び範囲並びに限定が明確に定められていること。
二前条第一項第二号から第四号までの事項にあつては、第三十二条第一号から第七号までに掲げる技術上の基準に適合していること。
三前条第一項第五号の事項にあつては、第三十九条から第四十一条までの規定に従つて確認の業務を行うための方法が適切に定められていること。

(認定業務の運営)

第三十八条認定を受けた者は、公正に、かつ、法第二十条第二項に規定する業務規程に従つて認定業務を運営しなければならない。

(検査の確認の方法)

第三十九条法第二十条第一項第一号又は第五号に係る認定業務を行う確認主任者は、次の表の上欄に掲げる区分に応じ、それぞれ同表の下欄に掲げる検査を行うものとし、全ての検査事項が適切に行われ、かつ、当該検査の結果が記録されたことを確認したときは、その旨を証する書類に署名又は記名押印をするものとする。
認定業務の区分確認をする検査
一 法第二十条第一項第一号に係る認定業務法第十条第五項第四号、法第十三条第四項、法第十三条の二第四項、法第十八条第二項若しくは第四項、第十八条第二項第二号(第二十一条において準用する場合を含む。)、第二十三条の二第二項第二号(第二十三条の五において準用する場合を含む。)又は第二十六条の四第二項(第二十六条の八において準用する場合を含む。)の設計後の検査
二 法第二十条第一項第五号に係る認定業務法第十条第五項第五号、第十五条第六項又は第二十六条の十三第五項(同条第十三項において準用する場合を含む。)、第七項若しくは第十五項の設計後の検査
2前項の検査の対象となる設計を担当した確認主任者は、前項の確認をしてはならない。

(法第十条第四項の基準に適合することの確認等の方法)

第四十条法第十条第四項の基準に適合することの確認は、次の表の上欄に掲げる区分に応じ、それぞれ同表の中欄に掲げる事項について確認主任者(同表第三号、第四号、第八号、第九号、第十一号及び第十二号の場合にあつては、当該確認に係る設計を担当した者を除く。)に行わせるものとし、当該確認主任者の確認は、同表の下欄に掲げる基準適合証又は航空日誌に署名又は記名押印をすることにより行うものとする。
確認の区分事項基準適合証又は航空日誌
一 法第十条第六項第一号の確認航空機の製造過程及び完成後の現状について、当該航空機が法第十条第四項の基準に適合すること。次条第一項の航空機基準適合証及び搭載用航空日誌(滑空機にあつては、滑空機用航空日誌)
二 法第十条第六項第三号の確認航空機の整備過程及び整備後の現状について、当該航空機が法第十条第四項の基準に適合すること。
三 法第十三条第四項の確認型式証明を受けた型式の航空機の設計の変更について、当該設計の変更後の航空機が法第十条第四項の基準に適合すること。次条第一項の設計基準適合証
四 法第十三条の二第四項の確認追加型式設計の承認を受けた航空機の設計の変更について、当該設計の変更後の航空機が法第十条第四項の基準に適合すること。
五 法第十六条第二項第一号の確認装備品等の製造過程及び完成後の現状について、当該装備品等が法第十条第四項第一号の基準に適合すること。次条第一項の装備品等基準適合証
六 法第十六条第二項第二号の確認装備品等の製造過程(装備品等を製造する場合に限る。)及び完成後の現状について、当該装備品等が法第十条第四項第一号の基準に適合すること。
七 法第十六条第二項第三号の確認装備品等の修理又は改造の過程及びその作業完了後の現状について、当該装備品等が法第十条第四項第一号の基準に適合すること。
八 法第十八条第二項の確認修理改造設計が法第十条第四項の基準に適合すること。次条第一項の設計基準適合証
九 法第十八条第四項の確認修理改造設計の承認を受けた設計の変更について、当該変更後の修理改造設計が法第十条第四項の基準に適合すること。
十 法第十九条第一項又は法第十九条の二の確認航空機の整備又は改造の計画(修理又は改造のための設計に係るものを除く。)及び過程並びにその作業完了後の現状について、次のイからハまでに掲げる航空機がそれぞれ当該イからハまでに定める基準に適合すること。イ 整備又は改造をした航空機(ロ及びハに掲げるものを除く。) 法第十条第四項第一号の基準ロ 第二十四条の表第二号の下欄ロに掲げる修理又は改造をした航空機 法第十条第四項第一号及び第二号の基準ハ 第二十四条の表第二号の下欄ハに掲げる修理又は改造をした航空機 法第十条第四項第一号及び第三号の基準搭載用航空日誌(滑空機にあつては、滑空機用航空日誌)
十一 第二十六条の十三第七項の確認装備品等修理改造設計が法第十条第四項第一号の基準に適合すること。次条第一項の設計基準適合証
十二 第二十六条の十三第十五項の確認装備品等修理改造設計の承認を受けた設計の変更について、当該変更後の装備品等修理改造設計が法第十条第四項第一号の基準に適合すること。
2第十五条第六項の確認は、第十四条第一項の承認を受けた型式又は仕様の装備品等の設計の変更について、当該設計の変更後の装備品等が当該承認を受けた型式又は仕様に適合することについて確認主任者(当該確認に係る設計を担当した者を除く。)に行わせるものとし、当該確認主任者の確認は、次条第二項の設計基準適合証に署名又は記名押印をすることにより行うものとする。

(基準適合証の交付)

第四十一条認定を受けた者は、次の表の上欄に掲げる法第十条第四項の基準に適合することの確認をしたときは、同表の中欄に掲げる基準適合証を、同表の下欄に掲げる者に交付するものとする。
確認の区分基準適合証の区分交付を受ける者
前条第一項の表第一号及び第二号に掲げる確認航空機基準適合証(第十七号様式)当該航空機の使用者
前条第一項の表第三号に掲げる確認設計基準適合証(第十七号の二様式)型式証明を受けた者
前条第一項の表第四号に掲げる確認 追加型式設計の承認を受けた者
前条第一項の表第五号から第七号までに掲げる確認装備品等基準適合証(第十八号様式)当該装備品等の使用者
前条第一項の表第八号及び第九号に掲げる確認設計基準適合証(第十七号の二様式)修理改造設計又は当該設計の変更を行つた者
前条第一項の表第十一号及び第十二号に掲げる確認 装備品等修理改造設計又は当該設計の変更を行つた者
2認定を受けた者は、前条第二項に掲げる第十四条第一項の承認を受けた型式又は仕様に適合することの確認をしたときは、設計基準適合証を、当該承認を受けた者に交付するものとする。

(講習)

第四十一条の二認定を受けた者は、国土交通大臣から航空法規その他認定業務の実施に関し必要な事項について講習を行う旨の通知を受けたときは、第三十二条第三号の人員のうちから適切な者を指名して当該講習を受けさせなければならない。

第四章 航空従事者

(技能証明の申請)

第四十二条法第二十二条の技能証明を申請しようとする者(第五十七条の規定により申請する者を除く。第三項において「技能証明申請者」という。)は、技能証明申請書(第十九号様式(全部の科目に係る学科試験の免除を受けようとする者(以下「学科試験全科目免除申請者」という。)にあつては、第十九号の二様式))を国土交通大臣に提出しなければならない。
2前項の申請書には、次の各号に掲げる書類を添付しなければならない。
一学科試験全科目免除申請者にあつては、写真一葉
二第四十八条又は第四十八条の二の規定により全部又は一部の科目に係る学科試験の免除を受けようとする者にあつては、第四十七条の文書の写し
三第四十九条の規定により全部又は一部の科目に係る試験の免除を受けようとする者にあつては、技能証明書の写し
四国際民間航空条約の締約国たる外国の政府が授与した航空業務の技能に係る資格証書を有する者で、試験の免除を受けようとするものにあつては、当該証書の写し
3技能証明申請者(学科試験全科目免除申請者を除く。)であつて、学科試験に合格したものは、実地試験を受けようとするとき(全部又は一部の科目に係る実地試験の免除を受けようとするときを含む。)は、実地試験申請書(第十九号の二様式)に、写真一葉及び第四十七条の文書の写し(学科試験の合格に係るものに限る。)を添付するとともに、次の各号に掲げる書類を添付し、国土交通大臣に提出しなければならない。
一第四十九条の規定により全部又は一部の科目に係る実地試験の免除を受けようとする者にあつては、技能証明書の写し
二国際民間航空条約の締約国たる外国の政府が授与した航空業務の技能に係る資格証書を有する者で、実地試験の免除を受けようとするものにあつては、当該証書の写し
4第一項の規定により技能証明を申請する者は、当該申請に係る学科試験の合格について第四十七条の通知があつた日(学科試験全科目免除申請者にあつては、技能証明申請書提出の日)から二年以内に戸籍抄本若しくは戸籍記載事項証明書又は本籍の記載のある住民票の写し(外国人にあつては、国籍、氏名、出生の年月日及び性別を証する本国領事官の証明書(本国領事官の証明書を提出できない者にあつては、権限ある機関が発行するこれらの事項を証明する書類)。以下同じ。)及び別表第二に掲げる飛行経歴その他の経歴を有することを証明する書類を国土交通大臣に提出しなければならない。
5第一項の規定により航空通信士の資格に係る技能証明を申請する者は、技能証明申請書提出の日から二年以内に無線従事者免許証の写しを国土交通大臣に提出しなければならない。

(技能証明等の要件)

第四十三条技能証明又は法第三十四条第一項の計器飛行証明若しくは同条第二項の操縦教育証明は、自家用操縦士、二等航空士及び航空通信士の資格に係るものにあつては十七歳(自家用操縦士の資格のうち滑空機に係るものにあつては十六歳)、事業用操縦士、准定期運送用操縦士、一等航空士、航空機関士、一等航空運航整備士、二等航空運航整備士及び航空工場整備士の資格に係るものにあつては十八歳、二等航空整備士の資格に係るものにあつては十九歳、一等航空整備士の資格に係るものにあつては二十歳並びに定期運送用操縦士の資格に係るものにあつては二十一歳以上の者であつて、別表第二に掲げる飛行経歴その他の経歴を有する者でなければ受けることができない。
2法第二十六条第二項の国土交通省令で定める資格は、第一級総合無線通信士、第二級総合無線通信士又は航空無線通信士とする。

(飛行経歴等の証明)

第四十四条第四十二条第四項及び前条第一項の飛行経歴その他の経歴は、次に掲げる方法により証明されたものでなければならない。ただし、法の施行前のものについては、この限りでない。
一技能証明を有する者のその資格に係る飛行経歴にあつては、一飛行の終了ごとに当該機長が証明をしたもの
二法第三十五条第一項各号に掲げる操縦の練習のために行う操縦に係る飛行経歴にあつては、そのつどその監督者の証明したもの
三前二号に掲げるもの以外のものにあつては、そのつどその使用者、指導者その他これに準ずる者の証明したもの

(試験の期日等の公示及び通知)

第四十五条国土交通大臣は、法第二十九条第一項(法第二十九条の二第二項、法第三十三条第三項及び法第三十四条第三項において準用する場合を含む。)の規定により試験を行う場合は、試験の期日及び場所、試験を行う技能証明の資格、第四十二条第一項の技能証明申請書、第五十七条第一項の技能証明限定変更申請書、第六十三条第一項の航空英語能力証明申請書又は第六十四条第一項の計器飛行証明申請書若しくは操縦教育証明申請書の提出時期その他必要な事項を、インターネットの利用その他の適切な方法により公示するものとする。
2国土交通大臣は、第四十二条第一項の技能証明申請書、第五十七条第一項の技能証明限定変更申請書、第六十三条第一項の航空英語能力証明申請書又は第六十四条第一項の計器飛行証明申請書若しくは操縦教育証明申請書を受理したときは、申請者に法第二十九条第一項(法第二十九条の二第二項、法第三十三条第三項又は法第三十四条第三項において準用する場合を含む。)の試験に関する実施細目その他必要な事項を通知する。

(試験の科目等)

第四十六条法第二十九条第一項(法第二十九条の二第二項、法第三十三条第三項又は法第三十四条第三項において準用する場合を含む。)の試験は、別表第三に掲げる科目について行う。ただし、実地試験の科目のうち、実地試験に使用する航空機の強度、構造及び性能上実施する必要がないと国土交通大臣が認めたものについては、これを行わない。
第四十六条の二国土交通大臣は、別表第三に掲げる科目について実地試験を行う場合には、その全部又は一部を模擬飛行装置又は飛行訓練装置を使用して行うことができる。

(学科試験の合格の通知)

第四十七条国土交通大臣は、学科試験に合格した者又は学科試験の一部の科目について合格点を得た者に対し、その旨を文書で通知する。

(試験の免除)

第四十八条学科試験に合格した者が、当該合格に係る資格と同じ資格の技能証明を同じ種類の航空機(航空工場整備士の資格にあつては、同じ種類の業務)について申請する場合又は法第三十三条第一項の航空英語能力証明、計器飛行証明若しくは操縦教育証明を申請する場合は、申請により、当該合格に係る前条の通知があつた日から二年以内に行われる学科試験を免除する。
第四十八条の二学科試験の全部の科目について試験を受け、その一部の科目について合格点を得た者が、当該学科試験に係る資格と同じ資格についての技能証明を申請する場合には、申請により、当該学科試験に係る第四十七条の通知をした日から一年以内に行われる学科試験に限り、当該全部の科目に係る学科試験及び当該全部の科目に係る学科試験の後当該申請に係る学科試験までの間に行われた学科試験において合格点を得た科目に係る学科試験を免除する。
第四十八条の三航空英語能力証明を有する者が、新たに航空英語能力証明を申請する場合は、申請により、既得の航空英語能力証明の有効期間が経過する前に当該申請に係る実地試験を受けるときに限り、当該申請に係る学科試験を免除する。
第四十九条現に有する資格以外の資格の技能証明、技能証明の限定の変更、計器飛行証明又は操縦教育証明を申請する者に対する試験にあつては、申請により、既得の技能証明、計器飛行証明又は操縦教育証明に係る試験の科目と同一のものであつて国土交通大臣が同等又はそれ以上と認めたものについては、これを行わない。
第五十条国土交通大臣は、国際民間航空条約の締約国たる外国の政府が授与した航空業務の技能に係る資格証書を有する者については、申請により、学科試験(別表第三に掲げる国内航空法規に係るものを除く。)及び実地試験の全部又は一部を行わないで技能証明、技能証明の限定の変更、航空英語能力証明、計器飛行証明又は操縦教育証明を行うことができる。
2国土交通大臣は、国際民間航空条約の締約国たる外国の政府であつて、第四十六条の規定による試験と同等又はそれ以上の試験を行うと国土交通大臣が認めるものが授与した航空業務の技能に係る資格証書を有する者については、申請により、試験の全部を行わないで技能証明、技能証明の限定の変更、航空英語能力証明、計器飛行証明又は操縦教育証明を行うことができる。
3前二項の場合(航空英語能力証明を行う場合を除く。)においては、航空従事者として必要な日本語又は英語の能力を有するかどうかについて国土交通大臣が必要があると認めて行う試験に合格しなければならない。
第五十条の二独立行政法人航空大学校の課程を修了した者に対する航空通信士の資格についての技能証明若しくは航空英語能力証明に係る学科試験又は事業用操縦士、自家用操縦士若しくは准定期運送用操縦士の資格についての技能証明、技能証明の限定の変更、計器飛行証明若しくは操縦教育証明に係る実地試験については、申請により、これを行わない。ただし、当該航空大学校の課程を修了した日から起算して一年を経過した場合は、この限りでない。
2前項の規定により申請を行う場合には、独立行政法人航空大学校の課程を修了したことを証する書類を添付しなければならない。
3法第二十九条第四項の規定により国土交通大臣が指定した航空従事者の養成施設(以下「指定航空従事者養成施設」という。)の課程を修了した者に対する試験については、申請により、国土交通大臣が告示で定めるところに従い、実地試験の全部又は一部を行わない。ただし、当該指定航空従事者養成施設の課程を修了した日から起算して一年(次条第三項第二号の整備の基本技術の科目に係る課程については、二年)を経過した場合は、この限りでない。
4航空通信士の資格についての技能証明又は航空英語能力証明に係る指定航空従事者養成施設の課程を修了した者に対する当該技能証明又は航空英語能力証明に係る学科試験については、申請により、これを行わない。ただし、当該航空従事者養成施設の課程を修了した日から起算して一年を経過した場合は、この限りでない。
5前二項の規定により申請を行う場合には、指定航空従事者養成施設の管理者の発行する修了証明書(第十九号の三様式)を添付しなければならない。
6法第三十三条第三項において読み替えて準用する法第二十九条第四項の規定により国土交通大臣が指定した本邦航空運送事業者(以下「指定航空英語能力判定航空運送事業者」という。)により航空英語に関する知識及び能力を有すると判定された者に対する航空英語能力証明に係る試験については、申請により、これを行わない。ただし、当該判定をされた日から起算して一年を経過した場合は、この限りでない。
7前項の規定により申請を行う場合には、指定航空英語能力判定航空運送事業者の管理者の発行する能力判定結果証明書(第十九号の三の二様式)を添付しなければならない。

(航空従事者の養成施設の指定の申請)

第五十条の三法第二十九条第四項の規定による航空従事者の養成施設の指定を受けようとする者は、航空従事者養成施設指定申請書(第十九号の四様式)を国土交通大臣に提出しなければならない。
2前項の申請書には、教育規程二部及び教育実績を記載した書類を添えなければならない。
3前項の教育規程は、次に掲げる事項を記載したものとする。
一当該養成施設の管理者の氏名及び経歴
二法第二十五条第一項、第二項及び第三項の限定、法第二十九条の二第一項の変更に係る限定、法第三十三条第一項の航空英語能力証明、法第三十四条第一項の計器飛行証明、同条第二項の操縦教育証明又は別表第三の一等航空整備士、二等航空整備士、一等航空運航整備士、二等航空運航整備士及び航空工場整備士の資格についての技能証明に係る整備の基本技術の科目の別ごとに定める課程
三学科教官の氏名、経歴及び航空従事者としての資格
四実技教官の氏名、経歴及び航空従事者としての資格
五技能審査員(当該養成施設の課程に係る学科又は実技についての技能審査に従事する者をいう。以下同じ。)の氏名、経歴及び航空従事者としての資格
六教育施設の概要
七教育の内容及び方法
八技能審査の方法
九その他次条各号に掲げる基準に適合するものであることを証するに足りる事項

(航空従事者の養成施設の指定の基準)

第五十条の四法第二十九条第四項の航空従事者の養成施設の指定は、次の基準に適合するものについて行う。
一次に掲げる要件を備えた設置者が設置する養成施設であること。
イ過去二年以内に指定航空従事者養成施設の修了証明書の発行、法第二十九条第一項(法第二十九条の二第二項、法第三十三条第三項又は法第三十四条第三項において準用する場合を含む。)の試験若しくは法第七十一条の三第一項の審査に関し不正な行為を行つた者又は法に違反し、罰金以上の刑に処せられ、その執行を終わり、若しくは執行を受けることがなくなつた日から二年を経過していない者(以下この条において「欠格者」という。)でないこと。
ロ当該養成施設を適正かつ確実に運営できると認められる者であること。
ハ航空従事者の養成について相当の実績を有する者であること。
ニ設置者が法人である場合には、当該法人の役員(いかなる名称によるかを問わず、これと同等以上の職権又は支配力を有する者を含む。)が欠格者でないこと。
二次に掲げる要件を備えた管理者が置かれていること。
イ二十五歳以上の者であること。
ロ欠格者でないこと。
ハ当該養成施設の運営を適正に管理できると認められる者であること。
ニ航空従事者の養成について必要な知識及び経験を有する者であること。
三次に掲げる要件を備えた学科教官が必要な数以上置かれていること。
イ二十一歳以上の者であること。
ロ当該養成施設の課程に対応する技能証明、航空英語能力証明、計器飛行証明若しくは操縦教育証明を有する者又は当該養成施設の課程に係る学科に関する十分な知識及び能力を有し、当該学科に関する相当の実務の経験を有する者であること。
ハ当該養成施設の課程に係る学科の教育を行うに十分な知識及び能力を有する者であつて、教官として必要な教育を受けているものであること。
四次に掲げる要件を備えた実技教官が必要な数以上置かれていること。
イ二十一歳以上の者であること。
ロ当該養成施設の課程に係る実技の教育に必要な技能証明、航空英語能力証明、計器飛行証明若しくは操縦教育証明(これに相当する国際民間航空条約の締約国たる外国の政府の行つた航空業務の技能に係る証明を含む。)を有する者又はこれと同等以上の経歴、知識及び能力を有する者であること。
ハ当該養成施設の課程に係る実技の教育を行うに十分な知識及び能力を有する者であつて、教官として必要な教育を受けているものであること。
五次に掲げる要件を備えたことについて国土交通大臣が認定した技能審査員が必要な数以上置かれていること。
イ二十五歳以上の者であること。
ロ欠格者でないこと。
ハ当該養成施設の課程のうち、技能証明、計器飛行証明又は操縦教育証明についての課程に係る技能審査を行う場合にあつては、当該技能審査に必要な技能証明、計器飛行証明又は操縦教育証明を有する者であること。
ニ当該養成施設の課程に係る技能審査に関する能力を有する者であること。
六次に掲げる要件を備えた教育施設を有するものであること。
イ学科の教育を行うために必要な建物その他の施設
ロ実技の教育を行うために必要な航空機その他の機材及び設備
七当該養成施設の課程に係る学科教育及び実技教育の科目、これらの科目ごとの教育時間その他の教育の内容及び方法が適切なものであること。
八当該養成施設の技能審査の方法が、国土交通大臣が行う法第二十九条第二項の実地試験と同一のものであることその他の訓練生の技能の習得状況を適切に確認できるものであること。
九次に掲げる当該養成施設の適確な運営のための制度が定められていること。
イ学科教官、実技教官及び技能審査員に係る管理に関する制度
ロ技能審査の結果についての評価に関する制度
ハ教育施設の維持管理に関する制度
ニ教育実績の記録に関する制度
ホ当該養成施設の監査に関する制度

(指定航空従事者養成施設の業務の運営)

第五十条の五指定航空従事者養成施設の管理者は、公正に、かつ、前条各号に掲げる基準に適合するように、及び第五十条の三第二項に規定する教育規程に従つて、業務を運営しなければならない。

(航空従事者の養成施設の指定)

第五十条の六法第二十九条第四項の規定による航空従事者の養成施設の指定は、施設ごとに行うものとする。
2前項の指定には、課程についての限定をするものとする。

(航空従事者養成施設指定書の交付)

第五十条の七航空従事者の養成施設の指定は、申請者に航空従事者養成施設指定書(第十九号の五様式)を交付することによつて行う。

(技能審査員の認定)

第五十条の八第五十条の四第五号に規定する技能審査員の認定は、課程ごとに行う。
2前項の認定には、期限を付することができる。

(指定航空従事者養成施設の課程についての限定の変更)

第五十条の九指定を受けた者が当該指定航空従事者養成施設の課程についての限定を受けた事項について変更をしようとするときは、変更しようとする教育規程二部及び教育実績を記載した書類を添えた限定変更申請書(第十九号の六様式)を国土交通大臣に提出し、その承認を受けなければならない。
2前項の承認は、変更に係る事項が第五十条の四の基準に適合するかどうかを審査して行うものとする。
3第一項の承認は、申請者に限定変更承認書(第十九号の七様式)を交付することによつて行う。

(指定航空従事者養成施設の教育規程の変更)

第五十条の十指定を受けた者が第五十条の三第三項第七号又は第八号に掲げる事項を変更しようとするときは、教育規程(変更に係る部分に限る。)二部及び教育規程変更申請書(第十九号の八様式)を国土交通大臣に提出し、その承認を受けなければならない。ただし、軽微な変更については、この限りでない。
2前項の承認は、変更に係る事項が第五十条の四の基準に適合するかどうかを審査して行うものとする。
3第一項の承認は、申請者に教育規程変更承認書(第十九号の九様式)を交付することによつて行う。

(修了証明書の交付の制限)

第五十条の十一指定航空従事者養成施設の管理者は、第五十条の二第五項の規定による修了証明書を、当該指定航空従事者養成施設の課程を修了し、かつ、同条第三項及び第四項の規定により試験を免除される科目について第五十条の四第五号の技能審査員の行う技能審査に合格した者以外の者に交付してはならない。

(技能審査員の認定の取消し)

第五十条の十二国土交通大臣は、第五十条の四第五号の規定による認定を受けた技能審査員に技能審査の実施に関し不正があつたと認めるとき、又は同号の基準に適合しないと認めるときは、その認定を取り消すことができる。

(航空機の指定)

第五十一条法第二十八条第三項の国土交通省令で定める航空機は、次に掲げるものとする。
一初級滑空機及び中級滑空機
二本邦外の各地間を航行する航空機であつて、当該航空機において航空業務に従事するのに必要な知識及び能力を有する者として国土交通大臣が告示で定める者が乗り組んで操縦(航空機に乗り組んで行うその機体及び発動機の取扱いを含む。)を行うもの
第五十一条の二法第二十八条第三項の許可を受けようとする者は、次に掲げる事項を記載した申請書を国土交通大臣に提出しなければならない。
一氏名及び住所
二航空機の種類、等級及び型式並びに航空機の国籍及び登録記号
三飛行計画の概要(飛行の目的、日時及び径路を明記すること。)
四操縦者の氏名及び資格
五同乗者の氏名及び同乗の目的
六その他参考となる事項

(技能証明書の様式)

第五十二条法第二十三条の技能証明書の様式は、第二十号様式の通りとする。

(技能証明の限定)

第五十三条法第二十五条第一項の航空機の種類についての限定及び同条第二項の航空機の等級についての限定は、実地試験に使用される航空機により行う。この場合において、航空機の等級は、次の表の上欄に掲げる航空機の種類に応じ、それぞれ同表の下欄に掲げる等級とする。
航空機の種類航空機の等級
飛行機陸上単発ピストン機陸上単発タービン機陸上多発ピストン機陸上多発タービン機水上単発ピストン機水上単発タービン機水上多発ピストン機水上多発タービン機
回転翼航空機飛行機の項の等級に同じ。
滑空機曳えい航装置なし動力滑空機曳えい航装置付き動力滑空機上級滑空機中級滑空機
飛行船飛行機の項の等級に同じ。
2前項の場合において、定期運送用操縦士、事業用操縦士及び自家用操縦士の資格並びに航空機関士の資格(限定をする航空機の種類が飛行機又は飛行船であるときに限る。)についての技能証明については、実地試験に使用される航空機の等級が次の表の上欄に掲げる等級であるときは、限定をする航空機の等級を同表の下欄に掲げる等級とする。
実地試験に使用される航空機の等級限定をする航空機の等級
陸上単発ピストン機又は陸上単発タービン機陸上単発ピストン機及び陸上単発タービン機
陸上多発ピストン機又は陸上多発タービン機陸上多発ピストン機及び陸上多発タービン機
水上単発ピストン機又は水上単発タービン機水上単発ピストン機及び水上単発タービン機
水上多発ピストン機又は水上多発タービン機水上多発ピストン機及び水上多発タービン機
3第一項の場合において、一等航空整備士、二等航空整備士、一等航空運航整備士及び二等航空運航整備士の資格についての技能証明については、実地試験に使用される航空機の等級が次の表の上欄に掲げる等級であるときは、限定をする航空機の等級を同表の下欄に掲げる航空機の等級とする。
実地試験に使用される航空機の等級限定をする航空機の等級
陸上単発ピストン機、陸上多発ピストン機、水上単発ピストン機又は水上多発ピストン機陸上単発ピストン機、陸上多発ピストン機、水上単発ピストン機及び水上多発ピストン機
陸上単発タービン機、陸上多発タービン機、水上単発タービン機又は水上多発タービン機陸上単発タービン機、陸上多発タービン機、水上単発タービン機及び水上多発タービン機
曳えい航装置なし動力滑空機又は曳えい航装置付き動力滑空機曳えい航装置なし動力滑空機、曳えい航装置付き動力滑空機、上級滑空機及び中級滑空機
上級滑空機上級滑空機及び中級滑空機
第五十四条法第二十五条第二項の航空機の型式についての限定は、実地試験に使用される航空機により、次に掲げる区分により行う。
一操縦者に係る資格にあつては、構造上、その操縦のために二人を要する航空機又は国土交通大臣が指定する型式の航空機については当該航空機の型式
二航空機関士の資格にあつては当該航空機の型式
三一等航空整備士の資格にあつては、次に掲げる型式
イ第五十六条の二に規定する航空機(ロに掲げるものを除く。)については、当該航空機の型式
ロ国土交通大臣が指定する型式の航空機については、当該航空機の型式
四二等航空整備士、一等航空運航整備士及び二等航空運航整備士の資格にあつては、前号ロの国土交通大臣が指定する型式の航空機については当該航空機の型式
2前項(第三号イに係る部分に限る。)の規定は、一等航空整備士が、第五条の六の表に掲げる作業の区分のうちの保守又は軽微な修理をした航空機について法第十九条第二項に規定する確認の行為を行う場合には、適用しない。
第五十五条法第二十五条第三項の業務の種類についての限定は、試験に係る業務の種類により、機体構造関係、機体装備品関係、ピストン発動機関係、タービン発動機関係、プロペラ関係、計器関係、電子装備品関係、電気装備品関係又は無線通信機器関係の別に行なう。
第五十六条次の表の上欄に掲げる資格についての技能証明を有する者が、同一の種類(滑空機にあつては等級)の航空機について、それぞれ同表の下欄に掲げる資格についての技能証明を受けたときは、前に有した技能証明の限定は、新たに受けた技能証明についても有効とする。
事業用操縦士定期運送用操縦士
自家用操縦士定期運送用操縦士事業用操縦士
准定期運送用操縦士定期運送用操縦士

(二等航空整備士及び二等航空運航整備士が整備後の確認をすることができない用途の航空機)

第五十六条の二法別表二等航空整備士の項及び二等航空運航整備士の項の国土交通省令で定める用途の航空機は、附属書第一に規定する耐空類別が飛行機普通Nである飛行機であつて最大離陸重量が五千七百キログラムを超えるもの(別表第二及び附属書第一において「特定飛行機普通N」という。)並びに当該耐空類別が飛行機輸送T、回転翼航空機輸送TA級及び回転翼航空機輸送TB級である航空機とする。
第五十六条の三法別表一等航空運航整備士及び二等航空運航整備士の項の国土交通省令で定める軽微な修理は、第五条の六の表に掲げる作業の区分のうちの軽微な修理とする。

(技能証明の限定の変更の申請)

第五十七条法第二十九条の二第一項の規定による技能証明の限定の変更を申請しようとする者は、技能証明限定変更申請書(第十九号様式(学科試験全科目免除申請者にあつては、第十九号の二様式))を国土交通大臣に提出しなければならない。
2第四十二条第二項(第一号を除く。)から第四項までの規定は、前項の申請について準用する。この場合において、同条第三項中「写真一葉及び第四十七条の文書の写し」とあるのは「第四十七条の文書の写し」と、同条第四項中「技能証明を申請する者」とあるのは「技能証明の限定の変更を申請する者(現に有する技能証明を受けるのに必要な飛行経歴その他の経歴と同一でない飛行経歴その他の経歴が必要とされている技能証明の限定の変更を申請する者に限る。)」と、「戸籍抄本若しくは戸籍記載事項証明書又は本籍の記載のある住民票の写し(外国人にあつては、国籍、氏名、出生の年月日及び性別を証する本国領事官の証明書(本国領事官の証明書を提出できない者にあつては、権限ある機関が発行するこれらの事項を証明する書類)。以下同じ。)及び別表第二に掲げる飛行経歴その他の経歴」とあるのは「別表第二に掲げる飛行経歴その他の経歴」と読み替えるものとする。

(技能証明の取消等の通知)

第五十八条国土交通大臣は、法第三十条(法第三十五条第五項において準用する場合を含む。)の規定による処分をしたときは、その旨及び事由を当該処分を受けた航空従事者又は操縦練習生(法第三十五条第一項第一号の許可を受けた者をいう。以下同じ。)に通知する。

(航空業務の停止)

第五十九条航空業務又は航空機の操縦の練習の停止について前条の通知を受けた航空従事者又は操縦練習生は、すみやかにその技能証明書又は航空機操縦練習許可書を国土交通大臣に提出しなければならない。

(聴聞の方法の特例)

第六十条国土交通大臣は、聴聞を行うに当たつては、その期日の十日前までに、行政手続法(平成五年法律第八十八号)第十五条第一項の規定による通知をしなければならない。
2国土交通大臣より行政手続法第十五条第一項の通知を受けた者(同条第三項後段の規定により当該通知が到達したものとみなされる者を含む。以下「当事者」という。)は、補佐人を選任したときは、聴聞の日の前日までに、その者の住所、氏名及び証言の内容を記載した書面を主宰者に提出しなければならない。
3当事者は、自己のために証言しようとする者(同法第十七条第一項の規定により当該聴聞に関する手続に参加する者を除く。以下「証人」という。)があるときは、聴聞の期日の前日までに、その者の住所、氏名及び証言内容を記載した書面を国土交通大臣に提出しなければならない。
4証人が発言し、又は証拠を提出しようとするときは、主宰者の許可を受けなければならない。
5前二項の聴聞の期日における審理は、公開により行わなければならない。ただし、当事者から非公開で行う旨の申出があつたときは、この限りでない。

(航空身体検査証明の申請)

第六十一条法第三十一条第一項の航空身体検査証明を申請しようとする者は、航空身体検査証明申請書(国土交通大臣の指定する医療機関等(以下「航空身体検査指定機関」という。)において申請前一月以内に受けた検査の結果を記載したもの。第二十二号様式)を国土交通大臣又は指定航空身体検査医に提出しなければならない。
2前項の申請書には、はじめて航空身体検査証明を申請する場合を除き、前回の航空身体検査証明に係る検査(第十一章を除き、以下「身体検査」という。)の結果の記録を添えなければならない。

(身体検査基準及び航空身体検査証明書)

第六十一条の二法第三十一条第三項の国土交通省令で定める身体検査基準及び同条第二項の航空身体検査証明書は、次の表のとおりとする。
資格身体検査基準航空身体検査証明書
定期運送用操縦士事業用操縦士准定期運送用操縦士第一種第一種航空身体検査証明書
自家用操縦士一等航空士二等航空士航空機関士航空通信士第一種又は第二種第一種航空身体検査証明書又は第二種航空身体検査証明書
2前項の表の身体検査基準の内容は別表第四のとおりとし、航空身体検査証明書の様式は第二十四号様式のとおりとする。
3別表第四の規定の一部に適合しない者のうち、その者の経験及び能力を考慮して、航空機に乗り組んでその運航を行うのに支障を生じないと国土交通大臣が認めるものは、同表の規定にかかわらず、身体検査基準に適合するものとみなす。この場合において、国土交通大臣は、必要があると認めるときは、当該者が新たに航空身体検査証明を申請する場合は、当該者に対し、同表の規定の一部に適合しない原因となつた傷病の症状(以下この条において「症状」という。)の検査等を受けるべきこと等を指示することができる。
4前項の規定により身体検査基準に適合するものとみなされた者は、新たに航空身体検査証明を申請する場合であつて、次に掲げるときは、当該適合しない別表第四の規定の一部に適合するものとみなす。
一前項の規定により国土交通大臣が認めるに際して症状が固定しているとされたとき。
二前項の規定による国土交通大臣の指示に基づく検査等の結果、症状が安定していると認められるとき。
5国土交通大臣は、航空機の航行の安全のため必要があると認めるときは、航空身体検査証明に、航空業務を行うについて必要な条件を付し、及びこれを変更することができる。
6第一種航空身体検査証明書を有する者は、第二種航空身体検査証明書を有する者とみなす。

(航空身体検査証明の有効期間)

第六十一条の三法第三十二条の国土交通省令で定める航空身体検査証明の有効期間は、次の各号に掲げる当該航空身体検査証明に係る航空身体検査証明書の区分に応じ、当該航空身体検査証明書の交付の日(以下この項において「交付日」という。)から起算して、当該各号の表の上欄に掲げる技能証明の資格ごとに、同表の中欄に掲げる区分に応じてそれぞれ同表の下欄に定める期間が経過する日までの期間とする。ただし、航空身体検査証明の有効期間が満了する日の四十五日前から当該期間が満了する日までの間に新たに航空身体検査証明書を交付する場合は、その交付日から、当該期間が満了する日の翌日から起算して、同表の上欄に掲げる技能証明の資格ごとに、同表の中欄に掲げる区分に応じてそれぞれ同表の下欄に定める期間が経過する日までの期間とする。
一第一種航空身体検査証明書
技能証明の資格区分期間
定期運送用操縦士事業用操縦士旅客を運送する航空運送事業の用に供する航空機に乗り組んで、一人の操縦者でその操縦を行う場合交付日における年齢が四十歳未満一年
交付日における年齢が四十歳以上六月
航空運送事業の用に供する航空機に乗り組んでその操縦を行う場合(前項の場合を除く。)交付日における年齢が六十歳未満一年
交付日における年齢が六十歳以上六月
その他の場合一年
准定期運送用操縦士航空運送事業の用に供する航空機に乗り組んでその操縦を行う場合交付日における年齢が六十歳未満一年
交付日における年齢が六十歳以上六月
その他の場合一年
自家用操縦士一等航空士二等航空士航空機関士航空通信士 一年
二第二種航空身体検査証明書
技能証明の資格区分期間
自家用操縦士交付日における年齢が四十歳未満五年又は交付日から四十二歳の誕生日(その者の誕生日が二月二十九日であるときは、その者のうるう年以外の年における誕生日は二月二十八日であるものとみなす。以下この表において同じ。)の前日までの期間のうちいずれか短い期間
交付日における年齢が四十歳以上五十歳未満二年又は交付日から五十一歳の誕生日の前日までの期間のうちいずれか短い期間
交付日における年齢が五十歳以上一年
一等航空士二等航空士航空機関士航空通信士 一年
2航空身体検査証明の有効期間が満了する日前に新たに航空身体検査証明書の交付を受け、これを受領したときは、当該期間は、満了したものとみなす。
3国土交通大臣又は指定航空身体検査医は、身体検査の結果、第一項の期間を経過する前に身体検査基準に適合しなくなるおそれがあると認める者については、当該者の航空身体検査証明の有効期間を短縮することができる。
4国土交通大臣は、航空身体検査証明を有する者が、天災その他やむを得ない事由により、身体検査を受けることができないと認めるときは、当該航空身体検査証明の有効期間を、期間を定めて伸長することができる。

(航空身体検査証明申請書の返付等)

第六十一条の四国土交通大臣又は指定航空身体検査医は、航空身体検査証明を申請した者に対し、所定の事項を記載した航空身体検査証明申請書を返付するものとする。
2指定航空身体検査医は、身体検査を実施したときは、所定の事項を記載した航空身体検査証明申請書の写しを十日以内に国土交通大臣に提出しなければならない。
3指定航空身体検査医は、申請者が偽りその他不正の手段により航空身体検査証明書の交付を受けようとしたと認めるときは、遅滞なく、その旨を国土交通大臣に報告しなければならない。

(指定航空身体検査医)

第六十一条の五法第三十一条第一項の指定を受けようとする者は、航空身体検査医指定申請書(第二十三号様式)に、次に掲げる書類を添えて、国土交通大臣に提出しなければならない。
一履歴書
二医師免許証の写し
三航空身体検査指定機関に所属していることを証明する書類
2法第三十一条第一項の国土交通省令で定める要件は、次のとおりとする。
一航空身体検査指定機関に所属する医師であること。
二航空身体検査証明についての国土交通大臣が行なう講習会に出席したこと又は航空身体検査証明について当該講習会に出席した者と同等以上と認められる知識を有すること。
三臨床又は航空医学の経験を五年以上有すること。
四第六十二条第二項の規定により法第三十一条第一項の指定の取消しを受け、その取消しの日から二年を経過しない者でないこと。
3法第三十一条第一項の指定は、航空身体検査医指定書(第二十三号の二様式)を交付することによつて行なう。この場合において、当該指定には、期限を附することができる。
4国土交通大臣は、前項の指定を行なつたときは、インターネットの利用その他の適切な方法により、その旨を公示するものとする。

(指定の失効及び取消し)

第六十二条法第三十一条第一項の指定は、指定航空身体検査医が次の各号のいずれかに該当するときは、効力を失う。
一前条第三項の規定により指定に附した期限が満了したとき。
二所属する航空身体検査指定機関に所属しなくなつたとき。
三所属する航空身体検査指定機関が航空身体検査指定機関でなくなつたとき。
四医師法(昭和二十三年法律第二百一号)第七条第一項の規定により医師の免許が取り消されたとき。
2国土交通大臣は、指定航空身体検査医が次の各号の一に該当するときは、法第三十一条第一項の指定を取り消すことができる。
一法又は法に基づく命令の規定に違反したとき。
二医師法第七条第一項の規定により医業の停止処分を受けたとき。
三指定航空身体検査医としての職務を行なうに当たり、非行又は重大な過失があつたとき。
3国土交通大臣は、第一項の規定により指定が失効したとき、又は前項の規定により指定が取り消されたときは、インターネットの利用その他の適切な方法により、その旨を公示するものとする。

(航空身体検査指定機関)

第六十二条の二第六十一条第一項の指定を受けようとする者は、航空身体検査指定機関指定申請書(第二十四号の二様式)を、次項各号の要件に適合することを証明する書類を添えて、国土交通大臣に提出しなければならない。
2第六十一条第一項の指定は、次の各号に掲げる要件に適合する医療機関等に対して行う。
一医療法(昭和二十三年法律第二百五号)第七条の許可を受けた病院若しくは診療所若しくは同法第八条の届出を行つた診療所又は国際民間航空条約の締約国が航空身体検査証明を行う機関等として指定した本邦外にある医療機関等であること。
二身体検査を実施する医師が、各診療科に、必要な数以上配置されていること。
三身体検査に必要な設備及び器具を備えていること。
四身体検査の一部を他の医療機関等に実施させることとしている場合には、当該他の医療機関等がその分担する身体検査に関して前三号の要件に適合していること。
五航空身体検査証明に関し十分な知識を有し、かつ、身体検査に係る事務を適正に管理することができる職員(以下「実務管理者」という。)が置かれていること。
六その他身体検査を適正に実施しうる検査体制を有すること。
3第六十一条第一項の指定は、航空身体検査指定機関指定書(第二十四号の三様式)を交付することによつて行う。この場合において、当該指定には、期限を付することができる。
4国土交通大臣は、前項の指定を行つたときは、インターネットの利用その他の適切な方法により、その旨を公示するものとする。

(指定の失効及び取消し)

第六十二条の三第六十一条第一項の指定は、航空身体検査指定機関が次の各号の一に該当するときは、効力を失う。
一前条第三項の規定により指定に付した期限が満了したとき。
二第六十一条第一項の指定を受けている医療機関等の開設者が当該医療機関等を廃止したとき。
三医療法第二十九条第一項の規定により開設許可を取り消されたとき。
2国土交通大臣は、航空身体検査指定機関が次の各号の一に該当するときは、第六十一条第一項の指定を取り消すことができる。
一法に基づく命令の規定に違反したとき。
二身体検査を長期間休止したとき。
三医療法第二十九条第一項の規定により閉鎖を命じられたとき。
四前条第二項第二号から第六号までの要件に適合しなくなつたとき。
3国土交通大臣は、第一項の規定により指定が失効したとき、又は前項の規定により指定が取り消されたときは、インターネットの利用その他の適切な方法により、その旨を公示するものとする。

(航空英語能力証明の申請)

第六十三条航空英語能力証明を申請しようとする者(第三項において「航空英語能力証明申請者」という。)は、航空英語能力証明申請書(第十九号様式(学科試験の免除を受けようとする者(以下この条において「学科試験免除申請者」という。)にあつては、第十九号の二様式))を国土交通大臣に提出しなければならない。
2前項の申請書には、次の各号に掲げる書類を添付しなければならない。
一第四十八条の規定により学科試験の免除を受けようとする者にあつては、第四十七条の文書の写し
二第四十八条の三の規定により学科試験の免除を受けようとする者にあつては、技能証明書の写し
三国際民間航空条約の締約国たる外国の政府が授与した航空業務の技能に係る資格証書を有する者で、試験の免除を受けようとするものにあつては、当該証書の写し
3航空英語能力証明申請者(学科試験免除申請者を除く。)であつて、学科試験に合格したものは、実地試験を受けようとするとき(実地試験の免除を受けようとするときを含む。)は、実地試験申請書(第十九号の二様式)に、次の各号に掲げる書類を添付し、国土交通大臣に提出しなければならない。
一第四十七条の文書の写し(学科試験の合格に係るものに限る。)
二国際民間航空条約の締約国たる外国の政府が授与した航空業務の技能に係る資格証書を有する者で、実地試験の免除を受けようとするものにあつては、当該証書の写し
第六十三条の二航空英語能力証明は、その者の有する技能証明書にその旨を記載することによつて行う。

(航空英語能力証明が必要な航空機の種類)

第六十三条の三法第三十三条第一項の国土交通省令で定める航空機の種類は、飛行機及び回転翼航空機とする。

(航空英語能力証明が必要な航行)

第六十三条の四法第三十三条第一項の国土交通省令で定める航行は、次に掲げるもの(国土交通大臣が航空英語能力証明を受けて行う必要がないと認めたものを除く。)とする。
一本邦内の地点と本邦外の地点との間において行う航行
二本邦外の各地間において行う航行(本邦以外の国の領域を航行するものに限る。)
三本邦内から出発して着陸することなしに本邦以外の国の領域を通過し、本邦内に到達する航行

(航空英語能力証明の有効期間)

第六十三条の五法第三十三条第二項の国土交通省令で定める期間は、次の各号に掲げる場合の区分に応じ、当該各号に定める期間とする。
一国際民間航空条約の附属書一第百六十四改訂版に規定する言語能力レベル四に相当する航空英語に関する知識及び能力を有すると判定された場合三年
二国際民間航空条約の附属書一第百六十四改訂版に規定する言語能力レベル五に相当する航空英語に関する知識及び能力を有すると判定された場合六年
三国際民間航空条約の附属書一第百六十四改訂版に規定する言語能力レベル六に相当する航空英語に関する知識及び能力を有すると判定された場合無期限
2前項各号に定める期間の起算日は、実地試験に合格した日とする。ただし、現に有する航空英語能力証明の有効期間が満了する日の三月前から当該期間が満了する日までの間に実地試験に合格した場合にあつては、当該期間が満了する日の翌日とする。
3第五十条第一項又は第二項の規定により学科試験及び実地試験を行わないで行う航空英語能力証明の有効期間は、前二項の規定にかかわらず、国際民間航空条約の締約国たる外国の政府が授与した航空業務の技能に係る資格証書(航空英語能力証明に係るものに限る。)の有効期間が満了する日までの期間を超えない範囲内において国土交通大臣が定める期間とする。
4国土交通大臣は、航空英語能力証明を有する者が、天災その他やむを得ない事由により、能力判定(航空英語に関する知識及び能力を有するかどうかの判定をいう。以下同じ。)を受けることができないと認めるときは、当該航空英語能力証明の有効期間を、期間を定めて伸長することができる。
5第五十条の二第三項の規定により実地試験の全部を行わない場合についての第一項及び第二項の規定の適用については、同項中「実地試験に合格した」とあるのは「課程を修了した」とする。
6第五十条の二第六項の規定により試験の全部を行わない場合についての第一項及び第二項の規定の適用については、同項中「実地試験に合格した」とあるのは「航空英語に関する知識及び能力を有すると判定された」とする。

(指定航空英語能力判定航空運送事業者の指定の申請)

第六十三条の六指定航空英語能力判定航空運送事業者の指定を受けようとする者は、次に掲げる事項を記載した申請書を国土交通大臣に提出しなければならない。
一氏名又は名称及び住所
二当該指定に係る業務を行う主たる事務所の名称及び所在地
三所属する操縦者、能力判定の対象となる者及び航空英語能力証明を有する者の数
四その他参考となる事項
2前項の申請書には、能力判定に関する規程(以下「判定規程」という。)を添付しなければならない。
3前項の判定規程は、次に掲げる事項を記載したものとする。
一能力判定に関する業務の管理者の氏名及び経歴
二能力判定員(能力判定に従事する者をいう。以下同じ。)の氏名及び経歴
三能力判定の方法
四能力判定結果証明書の交付に関する事項
五能力判定に関して知り得た秘密の保持に関する事項
六能力判定に関する記録の作成及び保存の方法
七その他次条各号に掲げる基準に適合するものであることを証するに足りる事項

(指定航空英語能力判定航空運送事業者の指定の基準)

第六十三条の七指定航空英語能力判定航空運送事業者の指定は、次の基準に適合するものについて行う。
一次に掲げる要件を備えた管理者が置かれていること。
イ二十五歳以上の者であること。
ロ過去二年以内に指定航空英語能力判定航空運送事業者の能力判定結果証明書の発行若しくは法第三十三条第三項において準用する法第二十九条第一項の試験に関し不正な行為を行つた者又は法に違反し、罰金以上の刑に処せられ、その執行を終わり、若しくは執行を受けることがなくなつた日から二年を経過していない者(以下この条において「欠格者」という。)でないこと。
ハ能力判定に関する業務の運営を適正に管理できると認められる者であること。
ニ航空英語能力証明に関し必要な知識を有する者であること。
二次に掲げる要件を備えることについて国土交通大臣が認定した能力判定員が必要な数以上置かれていること。
イ二十五歳以上の者であること。
ロ欠格者でないこと。
ハ航空英語及び能力判定について必要な知識及び能力を有する者であること。
三能力判定の内容及び基準が国土交通大臣が行う法第三十三条第三項において準用する法第二十九条第一項の試験の内容及び評価基準に準じたものであること。
四次に掲げる当該事業者における能力判定に関する業務の適確な運営のための制度が定められていること。
イ能力判定の結果についての評価に関する制度
ロ能力判定に関する記録の管理に関する制度
ハ能力判定に関する業務の監査に関する制度

(指定航空英語能力判定航空運送事業者の業務の運営)

第六十三条の八指定航空英語能力判定航空運送事業者の管理者は、公正に、かつ、前条各号に掲げる基準に適合するように、及び第六十三条の六第二項に規定する判定規程に従つて、業務を運営しなければならない。

(能力判定員の認定)

第六十三条の九第六十三条の七第二号に規定する能力判定員の認定には、期限を付すことができる。

(能力判定結果証明書の交付の制限)

第六十三条の十指定航空英語能力判定航空運送事業者の管理者は、第五十条の二第七項の規定による能力判定結果証明書を、第六十三条の七第二号に規定する能力判定員により航空英語に関する知識及び能力を有すると判定された者以外の者に交付してはならない。

(能力判定員の認定の取消し)

第六十三条の十一国土交通大臣は、第六十三条の七第二号の規定による認定を受けた能力判定員に能力判定の実施に関し不正があつたと認めるとき、又は同号の基準に適合しないと認めるときは、その認定を取り消すことができる。

(計器飛行証明及び操縦教育証明の申請)

第六十四条計器飛行証明又は操縦教育証明を申請しようとする者は、計器飛行証明申請書又は操縦教育証明申請書(第十九号様式(学科試験全科目免除申請者にあつては、第十九号の二様式))を国土交通大臣に提出しなければならない。
2第四十二条第二項(第一号を除く。)から第四項までの規定は、前項の申請について準用する。この場合において、同条第三項中「写真一葉及び第四十七条の文書の写し」とあるのは「第四十七条の文書の写し」と、同条第四項中「戸籍抄本若しくは戸籍記載事項証明書又は本籍の記載のある住民票の写し(外国人にあつては、国籍、氏名、出生の年月日及び性別を証する本国領事官の証明書(本国領事官の証明書を提出できない者にあつては、権限ある機関が発行するこれらの事項を証明する書類)。以下同じ。)及び別表第二に掲げる飛行経歴その他の経歴」とあるのは「別表第二に掲げる飛行経歴その他の経歴」と読み替えるものとする。
第六十四条の二国土交通大臣は、航空機の操縦の教育の適正な実施のため必要があると認めるときは、操縦教育証明に、操縦の教育を行うについて必要な条件を付し、及びこれを変更することができる。
第六十五条計器飛行証明又は操縦教育証明は、その者の有する技能証明書にその旨を記載することによつて行う。

(計器飛行等に計器飛行証明が必要な航空機の種類)

第六十五条の二法第三十四条第一項の国土交通省令で定める航空機の種類は、飛行機以外の航空機とする。

(計器航法による飛行の距離及び時間)

第六十六条法第三十四条第一項第二号の国土交通省令で定める距離は百十キロメートルとし、同号の国土交通省令で定める時間は三十分とする。

(航空機の操縦練習)

第六十七条法第三十五条第一項第一号の許可を受けようとする者は、航空機操縦練習許可申請書(航空身体検査指定機関において申請前一月以内に受けた身体検査の結果を記載したもの。第二十六号様式)を国土交通大臣に提出しなければならない。
2前項の申請書には、写真二葉及び戸籍抄本若しくは戸籍記載事項証明書又は本籍の記載のある住民票の写しを添付しなければならない。
第六十八条法第三十五条第四項の航空機操縦練習許可書の様式は、第二十七号様式のとおりとする。
2前項の許可書の有効期間は、一年以内において国土交通大臣の指定する期間とする。
第六十九条法第三十五条第一項第三号の指定は、当該指定を受けようとする者に操縦練習監督者指定書(第二十七号の二様式)を交付することによつて行う。この場合において、当該指定には期限を付するものとする。
第六十九条の二法第三十五条第二項に規定する者(以下「操縦練習の監督者」という。)は、法第三十五条第一項各号の操縦の練習を行う者(以下「操縦練習を行う者」という。)がその操縦の練習を開始する前に、次の各号に掲げる事項を確認しなければならない。
一その練習の計画の内容が適切であること。
二操縦練習を行う者がその練習を行うのに必要な知識及び能力を有していること。
三飛行しようとする空域における気象状態がその練習を行うのに適切であること。
四使用する航空機がその練習を行うのに必要な性能及び装置を有していること。
2操縦練習の監督者は、操縦練習を行う者と航空機に同乗している場合であつて操縦練習を行う者が操縦を行つているときは、その操縦を交替することができる場所に位置しなければならない。
3操縦練習の監督者は、操縦練習を行う者が、初めてその型式の航空機を使用して、単独飛行による操縦の練習を行おうとするときは、次の各号に掲げる事項を確認しなければ、当該飛行による操縦の練習に係る監督を行つてはならない。
一操縦練習を行う者が当該飛行による操縦の練習を行うのに必要な経験を有していること。
二操縦練習を行う者だけで離陸及び着陸をすることができること。
4操縦練習の監督者は、操縦練習生が初めて単独飛行による操縦の練習を行おうとするときは、その練習が次の各号に該当するものでなければ、これを認めてはならない。
一操縦練習の監督者の同乗による離陸及び着陸に係る操縦の練習を行つた後に引き続いて行われるもの
二昼間における場周飛行により行われるもの
5操縦練習の監督者は、操縦練習生が初めて出発地点から四十キロメートル以上離れる単独飛行による操縦の練習を行おうとするときは、操縦練習生がその練習を行うのに必要な航法に関する知識を有していることを確認しなければ、当該飛行による操縦の練習に係る監督を行つてはならない。

(計器飛行等の練習)

第六十九条の三第六十九条の規定は、法第三十五条の二第一項第三号の指定について準用する。この場合において、第六十九条中「操縦練習監督者指定書(第二十七号の二様式)」とあるのは「計器飛行等練習監督者指定書(第二十七号の三様式)」と読み替えるものとする。
第七十条第六十九条の二第一項の規定は、法第三十五条の二第二項の計器飛行等の練習の監督を行う者(以下「計器飛行等の練習の監督者」という。)について準用する。この場合において、「法第三十五条第一項各号の操縦の練習を行う者(以下「操縦練習を行う者」という。)」とあり、及び「操縦練習を行う者」とあるのは「計器飛行等の練習を行う者」と、「操縦の練習」とあるのは「計器飛行等の練習」と読み替えるものとする。
2計器飛行等の練習の監督者は、計器飛行等の練習を行う者について次の各号に掲げる事項を確認しなければ、当該練習に係る監督を行つてはならない。
一その練習を行うのに必要な資料及び情報を入手し、その意味及び内容を知つていること。
二その練習を行うのに必要な用具を携行し、かつ、その用具の使用方法を熟知していること。
3計器飛行等の練習の監督者は、計器飛行等の練習を行う者が当該練習のために行う飛行をするときは、その者と航空機に同乗し、常時、その航空機を操縦できる場所に位置しなければならない。

(技能証明書等の再交付)

第七十一条航空従事者又は操縦練習生は、その技能証明書若しくは航空身体検査証明書又は航空機操縦練習許可書を失い、破り、よごし、又は本籍、住所若しくは氏名を変更したため再交付を申請しようとするときは、再交付申請書(第二十八号様式)を国土交通大臣(指定航空身体検査医から交付を受けた航空身体検査証明書に係るときは、当該指定航空身体検査医。第三項において同じ。)に提出しなければならない。
2前項の申請書には、技能証明書の再交付を申請する場合にあつては写真一葉及び次に掲げる書類を、航空身体検査証明書の再交付を申請する場合にあつては次に掲げる書類を、航空機操縦練習許可書の再交付を申請する場合にあつては写真二葉及び次に掲げる書類を、それぞれ添付しなければならない。
一技能証明書若しくは航空身体検査証明書又は航空機操縦練習許可書(失つた場合を除く。)
二戸籍抄本若しくは戸籍記載事項証明書又は本籍の記載のある住民票の写し(本籍又は氏名を変更した場合に限る。)
三失つた事由及び日時(失つた日から三十日以内に再交付を申請する場合に限る。)
3国土交通大臣は、第一項の申請が正当であると認めるときは、技能証明書若しくは航空身体検査証明書又は航空機操縦練習許可書を再交付する。

(技能証明書等の返納)

第七十二条次の各号に掲げる技能証明書、航空身体検査証明書又は航空機操縦練習許可書を所有し、又は保管する者は、十日以内に、その事由を記載した書類を添えて、これを国土交通大臣に返納しなければならない。
一法第三十条(法第三十五条第五項において準用する場合を含む。)の規定により技能証明又は法第三十五条第一項第一号の許可を取り消されたときは、当該技能証明書(航空機乗組員の資格に係る者にあつては、技能証明書及び航空身体検査証明書。第四号において同じ。)又は航空機操縦練習許可書
二同一種類の上級の資格に係る技能証明書の交付を受けたとき(第五十六条の表の上欄に掲げる資格についての技能証明を有する者にあつては、同一の種類(滑空機にあつては等級)の航空機について、それぞれ同表の下欄に掲げる資格に係る技能証明書の交付を受けたとき)は、現に有する資格に係るもの
三第六十一条の三第二項の規定により航空身体検査証明の有効期間が満了したものとみなされたとき(当該期間が満了する日前に新たに受けた航空身体検査証明に、従前の航空身体検査証明に付されていなかつた条件又は付されていたものと異なる条件が第六十一条の二第五項の規定により付されたときに限る。)は、従前の航空身体検査証明に係るもの
四前条の規定により再交付を受けた後失つたものを発見したときは、発見したもの
五航空従事者又は操縦練習生が死亡し、又は失そヽうヽの宣言を受けたときは、その技能証明書又は航空機操縦練習許可書

(外国語の技能証明)

第七十三条法第百二十六条第一項各号に掲げる航行を行う航空従事者は、第五十二条の技能証明書の他に英語、フランス語又はスペイン語で記載された技能証明書の交付を受けようとするときは、現に有する技能証明書に写真を添えて国土交通大臣にこれを申請しなければならない。
2前項の規定による交付の手数料は、第七十一条の規定による技能証明書の再交付の場合と同額とする。

(無効の告示)

第七十四条国土交通大臣は、技能証明書、航空身体検査証明書又は航空機操縦練習許可書について第二百三十八条の失つた旨の届出があつたとき、第七十一条の再交付の申請(失つたことによるものに限る。)があつたとき又は第七十二条(第四号を除く。)の規定により返納しなければならない場合に返納されなかつたときは、その無効であることを告示する。

第五章 空港等及び航空保安施設

第一節 空港等

(空港等の種類及び着陸帯等の等級)

第七十五条空港等は、陸上空港等、陸上ヘリポート、水上空港等及び水上ヘリポートの四種類とする。
2着陸帯の等級は、陸上空港等にあつては滑走路の長さにより、水上空港等にあつては着陸帯の長さにより、次の表に掲げるところによる。
空港等の種類着陸帯の等級滑走路又は着陸帯の長さ
陸上空港等A二千五百五十メートル以上
B二千百五十メートル以上二千五百五十メートル未満
C千八百メートル以上二千百五十メートル未満
D千五百メートル以上千八百メートル未満
E千二百八十メートル以上千五百メートル未満
F千八十メートル以上千二百八十メートル未満
G九百メートル以上千八十メートル未満
H五百メートル以上九百メートル未満
J百メートル以上五百メートル未満
水上空港等A四千三百メートル以上
B三千メートル以上四千三百メートル未満
C二千メートル以上三千メートル未満
D千五百メートル以上二千メートル未満
E三百メートル以上千五百メートル未満
3コード番号(陸上空港等の滑走路の等級をいう。以下同じ。)は、陸上空港等の滑走路の長さにより、次の表に掲げるところによる。
コード番号陸上空港等の滑走路の長さ
一八百メートル未満
二八百メートル以上千二百メートル未満
三千二百メートル以上千八百メートル未満
四千八百メートル以上
4コード文字(対象航空機(陸上空港等の施設を使用することが予想される航空機をいう。以下同じ。)の等級をいう。以下同じ。)は、対象航空機の翼幅(主翼を水平面に投影した投影面の幅をいう。以下同じ。)により、次の表に掲げるところによる。
コード文字対象航空機の翼幅
A十五メートル未満
B十五メートル以上二十四メートル未満
C二十四メートル以上三十六メートル未満
D三十六メートル以上五十二メートル未満
E五十二メートル以上六十五メートル未満
F六十五メートル以上八十メートル未満

(設置の許可申請)

第七十六条法第三十八条第二項の規定により、空港等の設置の許可を申請しようとする者は、次に掲げる事項を記載した空港等設置許可申請書三通を国土交通大臣に提出するものとする。
一設置の目的(公共の用に供するかどうかの別を附記すること。)
二氏名及び住所
三空港等の名称及び位置並びに標点の位置(標高を含む。以下同じ。)
四空港等予定地又は予定水面並びにそれらの所有者の氏名及び住所
五空港等の種類、着陸帯の等級及び滑走路(陸上空港等及び陸上ヘリポートにあつては、基礎地盤を含む。)の強度又は着陸帯の深さ
六計器着陸又は夜間着陸の用に供する空港等にあつては、その旨
七空港等の利用を予定する航空機の種類及び型式
七の二国土交通大臣の指定を受けようとする進入区域の長さ、進入表面の勾配、水平表面の半径の長さ又は転移表面の勾配
八空港等の施設の概要
九設置予定の航空保安施設の概要
十設置に要する費用
十一工事の着手及び完成の予定期日
十二管理の計画(管理に要する費用を附記すること。)
十三予定する空港等の進入表面、転移表面若しくは水平表面の上に出る高さの物件又はこれらの表面に著しく近接した物件がある場合には、次に掲げる事項
イ当該物件の位置及び種類
ロ当該物件の進入表面、転移表面若しくは水平表面の上に出る高さ又はこれらの表面への近接の程度
ハ当該物件の所有者その他の権原を有する者の氏名及び住所
ニ当該物件を除去するかどうかの別
ホ当該物件の除去に要する費用
ヘ当該物件の除去に係る工事の着手及び完了の予定期日
2前項の申請書には、次に掲げる書類及び図面を添付するものとする。
一次に掲げる事項の調達方法を記載した書類
イ設置に要する費用、土地、水面及び物件
ロ前項第十三号の物件の除去に要する費用
二管理に要する費用の内訳及びその調達方法を記載した書類
二の二申請者が、空港等の敷地について所有権その他の使用の権原を有するか又はこれを確実に取得することができることを証明する書類
三空港等の工事設計図書、仕様書及び工事予算書
四実測図
五空港にあつては、風向風速図(空港の予定地若しくは予定水面又はその付近の場所における風向及び風速を、陸上空港及び水上空港にあつては三年以上、ヘリポートにあつては一年以上の資料に基づいて作成すること。)
五の二空港にあつては、空港の予定地若しくは予定水面又はその付近の場所における気温を記載した書類(国土交通大臣が定める基準に従い、五年以上の資料に基づいて作成すること。)
六空港にあつては、一年間に利用することが予想される航空機の種類、型式及び数並びにその算出の基礎を記載した書類
七削除
八地方公共団体にあつては、設置に関する意思の決定を証する書類
九地方公共団体以外の法人にあつては、次に掲げる書類
イ定款又は寄附行為及び登記事項証明書
ロ最近の事業年度における貸借対照表
ハ役員又は社員の名簿及び履歴書
ニ設置に関する意思の決定を証する書類
十法人格なき組合にあつては、次に掲げる書類
イ組合契約書の写し
ロ組合員の資産目録
ハ組合員の名簿及び履歴書
十一個人にあつては、次に掲げる書類
イ資産目録
ロ戸籍抄本
ハ履歴書
十二現に他の事業を経営する者にあつては、その事業の種類及び概要を記載した書類

(実測図)

第七十七条前条第二項第四号の実測図は、次のとおりとする。
一平面図縮尺は、五千分の一以上とし、次に掲げる事項を明示するものとする。
イ縮尺及び方位
ロ空港等の敷地の境界線
ハ空港等の周辺百メートル以上にわたる区域内の地形及び市町村名
ニ予定する空港等の施設の位置
ホ主要道路、市街及び交通機関と連絡するための道路
二着陸帯縦断面図縮尺は、横を五千分の一以上、縦を五百分の一以上とし、左に掲げる事項を明示するものとする。
イ測点番号、測点間距離(百メートルとすること。)及び逓加距離
ロ測点ごとの中心線の地面、施工基面、盛土の高さ及び切土の深さ
三着陸帯横断面図滑走路の両端及び中央の三箇所における着陸帯の横断面図とし、且つ、縮尺は横を千分の一以上及び縦を五十分の一以上とし、左に掲げる事項を明示するものとする。
イ測点番号及び測点間距離
ロ測点ごとの地面、施工基面、盛土の高さ及び切土の深さ
四付近図縮尺一万分の一の図面(縮尺一万分の一の図面がない場合は、縮尺二万五千分の一又は五万分の一の図面とする。)に第七十六条第一項第十三号の物件及び予定する空港等の進入表面、転移表面及び水平表面の投影面を明示し、並びに当該物件の存する地域についての縮尺五千分の一以上の図面に同号イ及びロに掲げる事項を明示するものとする。

(設置許可等の申請の告示等)

第七十八条法第三十八条第三項の規定により、空港等の設置の許可の申請があつた場合において告示し及び公衆の閲覧に供し並びに掲示しなければならない事項は、同項に掲げる事項並びに第七十六条第一項第一号から第五号まで、第八号及び第九号に掲げる事項とする。
2法第三十八条第三項の規定による公衆の閲覧は、国土交通省のウェブサイトへの掲載により行うものとする。
3前二項の規定は、国土交通大臣が空港等を設置する場合に準用する。

(設置基準)

第七十九条法第三十九条第一項第一号(法第四十三条第二項において準用する場合を含む。)の基準は、次のとおりとする。
一空港等の周辺にある建造物、植物その他の物件であつて、国土交通大臣が航空機の離陸又は着陸に支障があると認めるものがないこと。ただし、当該空港等の工事完成の予定期日までに、当該物件を確実に除去できると認められる場合は、この限りでない。
二滞空旋回圏(空港等に着陸せんとする航空機の滞空旋回のために安全最小限と認められる空港等上空の所定の空域をいう。以下同じ。)が既存の空港等に設定された滞空旋回圏と重ならないものであること。
三陸上空港等にあつては、滑走路、着陸帯、誘導路及び誘導路帯(誘導路の区域及び誘導路からの逸脱による航空機の損傷を軽減するために設けられる区域をいう。以下同じ。)について、次の位置及び構造を有するものであること。ただし、特別の理由があるときは、この限りでない。
イ滑走路
(1)コード番号及び外側主脚車輪間隔(航空機の主脚車輪(主脚を構成する車輪をいう。)の両最外側面の相互間の距離をいう。以下同じ。)別に、次の表に掲げる規格に適合するものであること。
コード番号一二三四
幅外側主脚車輪間隔六メートル未満一八メートル(精密進入用滑走路(精密進入を行う計器着陸用滑走路をいう。以下同じ。)である場合にあつては、三〇メートル)以上二三メートル(精密進入用滑走路である場合にあつては、三〇メートル)以上三〇メートル以上
六メートル以上九メートル未満二三メートル(精密進入用滑走路である場合にあつては、三〇メートル)以上三〇メートル以上三〇メートル以上四五メートル以上
九メートル以上一五メートル未満 四五メートル以上四五メートル以上
最大縦断勾配一 滑走路の末端から滑走路の長さの四分の一以下の距離にある部分二パーセント二パーセント一・五パーセント〇・八パーセント
二 一に規定する部分以外の部分二パーセント二パーセント一・五パーセント一・二五パーセント
(2)コード文字別に、次の表に掲げる規格に適合するものであること。
コード文字ABCDEF
最大横断勾配二パーセント二パーセント一・五パーセント一・五パーセント一・五パーセント一・五パーセント
ロ着陸帯
コード番号別に、次の表に掲げる規格に適合するものであること。
コード番号一二三四
滑走路の短辺から着陸帯の短辺までの距離計器着陸用滑走路六〇メートル以上六〇メートル以上六〇メートル以上六〇メートル以上
非計器着陸用滑走路(計器着陸用滑走路以外の滑走路をいう。以下同じ。)三〇メートル以上六〇メートル以上六〇メートル以上六〇メートル以上
滑走路の縦方向の中心線から着陸帯の長辺までの距離精密進入用滑走路七〇メートル以上七〇メートル以上一四〇メートル以上一四〇メートル以上
非精密進入用滑走路(精密進入用滑走路以外の計器着陸用滑走路をいう。以下同じ。)三〇メートル以上六〇メートル以上七五メートル以上七五メートル以上
非計器着陸用滑走路三〇メートル以上四〇メートル以上七五メートル以上七五メートル以上
非計器着陸用滑走路の着陸帯として必要な最小の区域内の部分の最大縦断勾配二パーセント二パーセント一・七五パーセント一・五パーセント
最大横断勾配一 非計器着陸用滑走路の着陸帯として必要な最小の区域内の部分三パーセント三パーセント二・五パーセント二・五パーセント
二 一に規定する部分以外の部分五パーセント五パーセント五パーセント五パーセント
ハ誘導路
(1)外側主脚車輪間隔別に、次の表に掲げる規格に適合するものであること。
外側主脚車輪間隔四・五メートル未満四・五メートル以上六メートル未満六メートル以上九メートル未満九メートル以上一五メートル未満
幅七・五メートル以上一〇・五メートル以上一五メートル以上二三メートル以上
(2)コード文字別に、次の表に掲げる規格に適合するものであること。
コード文字ABCDEF
最大縦断勾配三パーセント三パーセント一・五パーセント一・五パーセント一・五パーセント一・五パーセント
最大横断勾配二パーセント二パーセント一・五パーセント一・五パーセント一・五パーセント一・五パーセント
ニ誘導路帯
コード文字別に、次の表に掲げる規格に適合するものであること。
コード文字ABCDEF
誘導路の縦方向の中心線から当該中心線に平行な誘導路帯の縁までの距離一五・五メートル以上二〇メートル以上二六メートル以上三七メートル以上四三・五メートル以上五一メートル以上
四陸上空港にあつては、コード番号別に、次の表に掲げる規格に適合した滑走路端安全区域(オーバーラン又はアンダーシュートによる航空機の損傷を軽減するために設けられる区域をいう。以下同じ。)を有するものであること。ただし、特別の理由があるときは、この限りでない。
コード番号一二三四
着陸帯の短辺から当該短辺に平行な滑走路端安全区域の辺までの距離精密進入用滑走路九〇メートル以上九〇メートル以上九〇メートル以上九〇メートル以上
非精密進入用滑走路九〇メートル以上九〇メートル以上九〇メートル以上九〇メートル以上
非計器着陸用滑走路三〇メートル以上三〇メートル以上九〇メートル以上九〇メートル以上
滑走路の縦方向の中心線の延長線から当該延長線に平行な滑走路端安全区域の辺までの距離滑走路の短辺の長さ以上
五陸上空港等及び陸上ヘリポートにあつては、滑走路がこれを使用することが予想される航空機に対して十分な長さを有するものであること。
六陸上空港等及び陸上ヘリポートにあつては、滑走路及び誘導路が、これらの上を航行する航空機の航行の安全のため、相互の間の十分な距離並びに接続点における適当な角度及び形状を有するものであること。
七陸上空港等及び陸上ヘリポートにあつては、滑走路、誘導路及びエプロン(いずれも基礎地盤を含む。第十号及び第八十五条第一号において同じ。)並びにこれらの強度に影響を及ぼす地下の工作物がこれらを使用することが予想される航空機の予想される回数の運航に十分耐えるだけの強度を有するものであること。
八陸上空港等及び陸上ヘリポートにあつては、滑走路及び誘導路の両側並びにエプロンの縁に適当な幅、強度及び表面を有するショルダーを設けること。
九陸上空港にあつては、滑走路の両短辺の外側に接続し、かつ、適当な長さ、幅、強度及び表面を有する過走帯を設けること。
十陸上空港にあつては、滑走路、着陸帯、滑走路端安全区域、誘導路、誘導路帯、エプロン並びに滑走路、誘導路及びエプロンの強度に影響を及ぼす地下の工作物について、次の性能を有するものであること。
イ滑走路
(1)自重、土圧、地震動(当該施設を設置する地点において発生するものと想定される地震動のうち、地震動の再現期間と当該施設の設計供用期間(当該施設の設計に当たつて、当該施設に求められる性能を満足し続けるものとして設定される期間をいう。以下同じ。)との関係から当該施設の設計供用期間中に発生する可能性の高いものに限る。以下同じ。)、水圧、波浪(当該施設を設置する地点において発生するものと想定される波浪のうち、当該施設の設計供用期間中に発生する可能性の高いものに限る。以下同じ。)等による損傷等が当該施設の機能を損なわず、継続して使用することに影響を及ぼさないこと。
(2)自然状況、利用状況その他の当該施設が置かれる諸条件を勘案して、適当な表面を有すること。
ロ着陸帯
(1)自重、土圧、地震動、水圧、波浪等による損傷等が当該施設の機能を損なわず、継続して使用することに影響を及ぼさないこと。
(2)自然状況、利用状況その他の当該施設が置かれる諸条件を勘案して、適当な表面を有すること。
ハ滑走路端安全区域
(1)自重、土圧、地震動、水圧、波浪等による損傷等が当該施設の機能を損なわず、継続して使用することに影響を及ぼさないこと。
(2)自然状況、利用状況その他の当該施設が置かれる諸条件を勘案して、適当な表面を有すること。
ニ誘導路
(1)自重、土圧、地震動、水圧、波浪等による損傷等が当該施設の機能を損なわず、継続して使用することに影響を及ぼさないこと。
(2)自然状況、利用状況その他の当該施設が置かれる諸条件を勘案して、適当な表面を有すること。
ホ誘導路帯
(1)自重、土圧、地震動、水圧、波浪等による損傷等が当該施設の機能を損なわず、継続して使用することに影響を及ぼさないこと。
(2)自然状況、利用状況その他の当該施設が置かれる諸条件を勘案して、適当な表面を有すること。
ヘエプロン
(1)自重、土圧、地震動、水圧、波浪等による損傷等が当該施設の機能を損なわず、継続して使用することに影響を及ぼさないこと。
(2)自然状況、利用状況その他の当該施設が置かれる諸条件を勘案して、適当な表面を有すること。
(3)航空機を安全に駐機するため、駐機の方法等に応じ、十分な面積を有するとともに適切な形状を有すること。
ト滑走路、誘導路及びエプロンの強度に影響を及ぼす地下の工作物
自重、土圧、地震動、水圧等による損傷等が当該施設の機能を損なわず、継続して使用することに影響を及ぼさないこと。
十一陸上ヘリポートにあつては、次の表に掲げる規格に適合した滑走路及び着陸帯を有するものとし、誘導路を設ける場合には、次の表に掲げる規格に適合した誘導路を有するものであること。ただし、特別の理由があるときは、この限りでない。
区分設置基準
滑走路及び着陸帯長さ使用予定航空機の投影面の長さの一・二倍以上
幅使用予定航空機の投影面の幅の一・二倍以上
最大縦断勾配二パーセント
最大横断勾配二・五パーセント
誘導路幅使用予定航空機の降着装置の幅の二倍以上
最大縦断勾配三パーセント
最大横断勾配三パーセント
誘導路縁と固定障害物との間隔使用予定航空機の投影面の幅から降着装置の幅を減じた値以上
十二陸上ヘリポート及び水上ヘリポートにあつては、当該ヘリポートに係る出発経路、進入経路及び場周飛行経路において、飛行中のヘリコプターの動力装置のみが停止した場合に地上又は水上の人又は物件に危険を及ぼすことなく着陸する場所を確保することができる立地条件を有するものであること。
十三構築物の上に設置する陸上ヘリポートにあつては、次に掲げる附帯施設を有するものであること。
イ航空機の脱落防止施設
ロ燃料の流出防止施設
十四水上空港等にあつては、着陸帯の等級別に、次の表に掲げる規格に適合した着陸帯、旋回水域及び誘導水路を有するものであること。
着陸帯の等級ABCDE
着陸帯幅計器用二五五メートル以上二五五メートル以上二五五メートル以上二五五メートル以上二五五メートル以上
非計器用二五五メートル以上一八〇メートル以上一五〇メートル以上一〇〇メートル以上六五メートル以上
旋回水域直径五一〇メートル以上三六〇メートル以上三〇〇メートル以上  
誘導水路幅一二〇メートル以上一〇五メートル以上九〇メートル以上七五メートル以上四〇メートル以上
十五水上空港等及び水上ヘリポートにあつては、着陸帯、旋回水域及び誘導水路が干潮時において十分な深さを有するものであり、かつ、これらの水面の状態が航空機の安全な航行に適するものであること。
十六水上ヘリポートにあつては、次の表に掲げる規格に適合した着陸帯及び誘導水路を有するものであること。
区分設置基準
着陸帯長さ使用予定航空機の投影面の長さの五倍以上
幅使用予定航空機の投影面の幅の三倍以上
誘導水路の幅使用予定航空機の投影面の幅の二倍以上
十七次の表の区分により、飛行場標識施設(別表第五の様式による。)を有するものであること。ただし、舗装されていない滑走路又は誘導路で滑走路標識又は誘導路標識を設けることが困難なものについては省略してもよい。
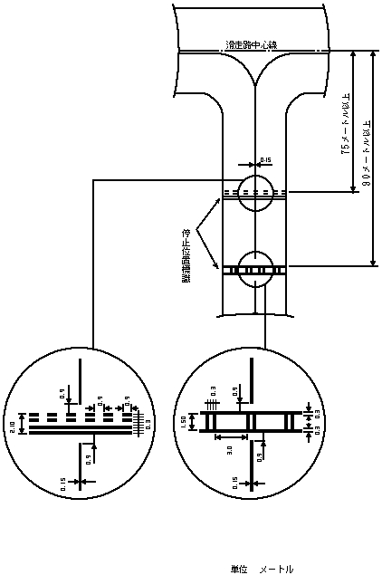
飛行場標識施設の種類標示すべき事項設置を要する空港等又は滑走路設置場所
飛行場名標識空港等の名称空港等(周辺の地形等により当該空港等の名称が確認できるものを除く。)飛行中の航空機からの識別が容易な場所
着陸帯標識着陸帯の境界線陸上ヘリポート、水上空港等及び水上ヘリポート(着陸帯の境界が明確でない場合に限る。)着陸帯の長辺
滑走路標識指示標識進入方向から見た滑走路の方位を磁北から右まわりに測つたもの及び平行滑走路の場合は左側からの順序陸上空港等の滑走路滑走路進入端(着陸をしようとする航空機から見て手前にある滑走路(当該着陸に使用できる部分に限る。)の末端をいう。以下同じ。)に近い場所
滑走路中心線標識滑走路の縦方向の中心線滑走路の縦方向の中心線上
滑走路進入端標識滑走路進入端陸上空港等の計器着陸用滑走路滑走路進入端から六メートルの場所
移設滑走路進入端標識滑走路の末端の中心点から滑走路進入端の中心点までの滑走路の中心線及び滑走路進入端陸上空港等の計器着陸用滑走路(滑走路進入端が滑走路の末端から離れた場所に設置されているものに限る。)滑走路の末端の中心点から滑走路進入端の中心点までの滑走路の中心線上及び滑走路進入端
滑走路中央標識滑走路の横方向の中心線陸上空港等の滑走路(滑走路距離灯が設置されているものを除く。)滑走路の横方向の中心線上
目標点標識滑走路上の着陸目標点陸上空港等の長さが千二百メートル以上の滑走路及び千二百メートル未満の計器着陸用滑走路滑走路進入端から百五十メートル以上の場所
接地帯標識滑走路上の着陸接地区域陸上空港等の長さが千二百メートル以上の滑走路及び九百メートル以上千二百メートル未満の精密進入用滑走路並びに陸上ヘリポート陸上空港等の滑走路にあつては滑走路進入端から百五十メートル以上九百二十二・五メートル以下の場所、陸上ヘリポートにあつては滑走路の中心
滑走路縁標識滑走路の境界線陸上空港等の滑走路(精密進入用滑走路及びその他の滑走路で境界が明確でないものに限る。)滑走路の長辺
積雪離着陸区域標識積雪時における滑走路の離着陸可能区域陸上空港等の滑走路(積雪時において滑走路の境界が明確でない場合に限る。)滑走路の離着陸可能区域の長辺
過走帯標識過走帯の区域陸上空港等(過走帯が滑走路からの逸脱による航空機の損傷を軽減する目的のみに設置されている場合に限る。)舗装された過走帯
誘導路標識誘導路中心線標識誘導路の縦方向の中心線及び滑走路への出入経路陸上空港等誘導路の縦方向の中心線上及び滑走路への出入経路上
停止位置標識航空機が滑走路に入る前に一時停止すべき位置誘導路上の滑走路の縦方向の中心線から三十メートル以上離れた場所
停止位置案内標識誘導案内灯(地上走行中の航空機に一時停止すべき位置を示すものに限る。以下この項において同じ。)が標示する事項陸上空港等(誘導案内灯の設置を要しない場合を除き、誘導案内灯が設置できない場合又は誘導路の幅が六十メートルを超える場合に限る。)誘導路中心線標識の両側かつ停止位置標識の待機側であつて、各標識から一メートル以上離れた場所
誘導路縁標識誘導路の境界線陸上空港等(誘導路の境界が明確でない場合に限る。)誘導路の縁
風向指示器風向空港等付近の物件により空気のかく乱の影響を受けず、かつ、航空機からの識別が容易な場所
十八陸上空港にあつては、第三号から第八号まで及び前号に掲げるもののほか、航空機の航行の安全を確保するために必要な措置を講じること。
2前項第七号から第十号までに規定する陸上空港の滑走路、着陸帯、過走帯、滑走路端安全区域、誘導路、誘導路帯、エプロン及びショルダー並びに滑走路、誘導路及びエプロンの強度に影響を及ぼす地下の工作物の性能の照査に必要な事項は、国土交通大臣が定める。
3第一項の規定にかかわらず、飛行場標識施設の設置について、工事その他の一時的な事情により同項の基準によることができない場合には、同項の基準と異なる方式によることができる。

(利害関係人)

第八十条法第三十九条第二項(法第四十三条第二項、法第五十五条の二第三項及び法第五十六条の二第二項において準用する場合を含む。)の規定による利害関係を有する者とは、次に掲げる者をいう。
一許可の申請者
二空港等の区域、進入区域又は転移表面、水平表面、延長進入表面、円錐すい表面若しくは外側水平表面の投影面内の区域の土地又は建物について所有権、地上権、永小作権、地役権、採石権、質権、抵当権、使用貸借又は賃貸借による権利その他土地又は建物に関する権利を有する者
三前号の区域内に鉱業権、温泉を利用する権利、漁業権、入漁権又は流水、海水その他の水を利用する権利を有する者
四第二号の区域を管理する地方公共団体
五空港等を利用する者

(公示及び告知)

第八十一条国土交通大臣は、法第三十九条第二項(法第四十三条第二項、法第五十五条の二第三項及び法第五十六条の二第二項において準用する場合を含む。)の規定による公聴会を開こうとするときは、その公聴会の開催の十日前までに、事案の内容、日時、場所及び主宰者並びに公述申込書及び公述書を提出すべき場所、期限及び部数を官報で公示しなければならない。
2公聴会が前項の日時内に終らないときは、同項の規定にかかわらず、主宰者がその公聴会において次回に公聴会を開く日時及び場所を口頭で告知することをもつて足りる。

(主宰者の指名)

第八十一条の二公聴会は、国土交通大臣が当該事案について特別の利害関係を有しないと認める職員のうちから国土交通大臣が指名する者が主宰する。

(公述の申出等)

第八十一条の三公述しようとする利害関係人は、第八十一条第一項の規定により公示した期限までに公述申込書及び公述書を国土交通大臣に提出しなければならない。
2公述申込書には、公述しようとする利害関係人の氏名、住所、職業、年齢(法人にあつては、その名称及び住所並びにその法人を代表して公述する者の氏名、職名及び年齢)及び当該事案に対する賛否並びに利害関係を説明する事項を記載しなければならない。
3公述書には、公述しようとする内容を具体的に記載しなければならない。
4国土交通大臣は、必要があると認めるときは、利害関係人として公述しようとする者に対し、提出すべき場所、期限及び部数を指定して、利害関係を証明する書類を提出すべきことを要求することができる。

(公述人の選定)

第八十一条の四国土交通大臣は、公述書の内容が、事案の範囲外にあるか又は同類であると認めるときは、公述の申出をした利害関係人のうちから公述人を選定することができる。

(参考人の委嘱)

第八十一条の五国土交通大臣は、必要があると認めるときは、利害関係人以外の者に対し、公聴会に出頭を求めて、意見を述べさせ、又は報告をさせることができる。

(公聴会の開催の取消)

第八十一条の六国土交通大臣は、第八十一条第一項の規定による公示の日以後において、公聴会を開く必要がなくなつたと認めるときは、その公聴会の開催を取り消す旨をすみやかに知れたる利害関係人に通知するとともに適当な方法で公示しなければならない。

(公聴会の開催日時等の変更)

第八十一条の七国土交通大臣は、天災その他緊急やむを得ない事情により、第八十一条の規定により公示し、又は告知した事項を変更する必要があると認めるときは、その旨をすみやかに知れたる利害関係人に通知するとともに適当な方法で公示することにより、当該公示し、又は告知した事項を変更することができる。

(公述時間の制限)

第八十一条の八主宰者は、議事の整理上必要があると認めるときは、公述人の公述の時間を制限することができる。

(公述)

第八十一条の九公述人の公述は、公述書に記載されたところにしたがつてしなければならない。ただし、主宰者の質問に答えるとき又は主宰者が特に必要あると認めて許可したときは、この限りでない。

(公述の中止等)

第八十一条の十主宰者は、公述人の公述が次の各号の一に該当すると認めるときは、その公述を中止させることができる。
一第八十一条の八の規定により主宰者が指示した時間をこえたとき。
二すでに公述された事項と重複し、又は事案の範囲外にあるとき。
三前条の規定に反するとき。
2主宰者は、公述人が前項の規定による中止の指示に従わないときは、その公述人を退去させることができる。

(公述書の代読)

第八十一条の十一公述人が病気その他やむを得ない事情により公聴会に出頭できなかつたときは、公述書の朗読をもつて公述にかえるものとする。

(証拠書類)

第八十一条の十二主宰者は、必要があると認めるときは、公述人に対し、提出すべき場所、期限及び部数を指定して、公述した事項を証明する書類を提出すべきことを、公聴会において、要求することができる。

(記録)

第八十一条の十三公述された事項は、速記その他の方法で記録しなければならない。
2前項の記録は、一般からの申出があつたときは、その閲覧に供しなければならない。

(傍聴券の発行)

第八十一条の十四国土交通大臣は、必要があると認めるときは、傍聴券を発行し、その所持者に限り傍聴させることができる。

(遵守事項)

第八十一条の十五傍聴人は、公聴会の会場への入場若しくは退場に際し、又は公聴会の会場において、主宰者又はその命を受けた関係職員の指示に従わなければならない。
2主宰者は、前項の規定による指示に従わない傍聴人を退去させることができる。
3前二項の規定は、公述中でない公述人に準用する。

(公衆の閲覧の方法)

第八十一条の十六法第四十条(法第四十三条第二項、法第五十五条の二第三項及び法第五十六条の二第二項において準用する場合を含む。)の規定による公衆の閲覧は、国土交通省のウェブサイトへの掲載により行うものとする。

(工事完成予定期日の変更許可申請)

第八十二条法第四十一条第二項本文の規定による許可を受けようとする者は、次に掲げる事項を記載した工事完成予定期日変更許可申請書を国土交通大臣に提出するものとする。
一氏名及び住所
二空港等の名称及び位置
三希望する変更の予定期日
四変更を必要とする理由

(法第四十一条第二項ただし書の期間)

第八十二条の二法第四十一条第二項ただし書の国土交通省令で定める期間は、一年とする。

(工事完成予定期日の変更の届出)

第八十二条の三法第四十一条第三項の規定により工事完成予定期日の変更の届出をしようとする者は、次に掲げる事項を記載した工事完成予定期日変更届出書を国土交通大臣に提出するものとする。
一氏名及び住所
二空港等の名称及び位置
三変更した予定期日
四変更を必要とする理由

(工事完成検査の申請)

第八十三条法第四十二条第一項の規定により、空港等の工事の完成検査を受けようとする者は、次に掲げる事項を記載した空港等工事完成検査申請書を国土交通大臣に提出するものとする。
一氏名及び住所
二空港等の名称及び位置
三工事完成の年月日
2前項の規定は、法第四十三条第二項において準用する法第四十二条第一項の規定により、空港等の変更の工事の完成検査の申請について準用する。

(供用開始期日の届出)

第八十四条法第四十二条第三項の規定により、空港等の供用開始の期日の届出をしようとする者は、次に掲げる事項を記載した空港等供用開始届出書を国土交通大臣に提出するものとする。
一氏名及び住所
二空港等の名称及び位置
三供用開始の期日
2前項の規定は、法第四十三条第二項、法第四十四条第五項又は法第四十五条第二項において準用する法第四十四条第五項においてそれぞれ準用する法第四十二条第三項の規定により、変更又は休止をした空港等の供用再開の期日の届出について準用する。

(重要な変更)

第八十五条法第四十三条第一項の規定による許可を受けなければならない重要な変更は、空港等の種類により次のとおりとする。
一陸上空港等及び陸上ヘリポート
イ標点の位置の変更
ロ滑走路、着陸帯、誘導路又はエプロンの新設
ハ滑走路又は着陸帯の長さ、幅又は強度の変更
ニ誘導路の幅又は強度の変更
ホエプロンの拡張又は強度の変更
二水上空港等及び水上ヘリポート
イ標点の位置の変更
ロ着陸帯、誘導水路又は旋回水域の新設
ハ着陸帯の長さ、幅又は深さの変更
ニ誘導水路の幅若しくは深さ又は旋回水域の直径若しくは深さの変更

(変更の許可申請)

第八十六条法第四十三条第二項において準用する法第三十八条第二項の規定により、空港等の変更の許可を申請しようとする者は、次に掲げる事項を記載した空港等変更許可申請書三通を国土交通大臣に提出するものとする。
一氏名及び住所
二空港等の名称及び位置
三変更しようとする事項(新旧対照を示す書類及び図面を添附すること。)
四変更に要する費用
五工事の着手及び完成の予定期日
六管理の計画に変更があるときは、変更後の管理の計画
七変更を必要とする理由
2前項の申請書には、次に掲げる書類を添付すること。
一変更に要する費用、土地及び物件の調達方法を記載した書類
二工事設計図書、仕様書及び工事予算書
三空港等の敷地に変更を生ずる場合は、申請者が当該変更に係る敷地について所有権その他の使用の権原を有するか、又はこれを確実に取得することができることを証明する書類
四申請者が法人又は組合であるときは、変更に関する意思の決定を証する書類

(変更許可等の申請の告示等)

第八十七条法第四十三条第二項において準用する法第三十八条第三項の規定により、告示し及び公衆の閲覧に供し並びに掲示しなければならない事項は、次のとおりとする。
一申請者の氏名及び住所
二空港等の名称及び位置
三変更しようとする事項
四進入表面、転移表面又は水平表面に変更を生ずることとなる場合には、変更後の進入表面、転移表面又は水平表面
2法第四十三条第二項において準用する法第三十八条第三項の規定による公衆の閲覧は、国土交通省のウェブサイトへの掲載により行うものとする。
3前二項の規定は、国土交通大臣が空港等の施設に変更を加える場合に準用する。

(供用の休止又は廃止の許可申請)

第八十八条法第四十四条第一項の規定により、空港の供用の休止又は廃止の許可を受けようとする者は、次に掲げる事項を記載した空港休止(廃止)許可申請書を国土交通大臣に提出するものとする。
一氏名及び住所
二空港の名称及び位置
三休止の許可申請の場合は、予定する休止の開始期日及び期間
四廃止の許可申請の場合は、廃止の予定期日
五休止又は廃止を必要とする理由
2申請者が法人又は組合であるときは、前項の申請書に供用の休止又は廃止に関する意思の決定を証する書類を添附するものとする。
3前二項の規定は、非公共用飛行場の休止又は廃止の届出について準用する。この場合において、第一項中「許可を受けようとする者」とあるのは「届出をしようとする者」と、「許可申請」とあるのは「届出」と、前項中「申請」とあるのは「届出」と読み替えるものとする。

(供用の再開検査申請)

第八十九条法第四十四条第四項(法第四十五条第二項において準用する場合を含む。)の規定により、空港の供用の再開の検査を受けようとする者は、次に掲げる事項を記載した空港供用再開検査申請書を国土交通大臣に提出するものとする。
一氏名及び住所
二空港の名称及び位置
三供用再開の予定期日
2申請者が法人又は組合であるときは、前項の申請書に供用の再開に関する意思の決定を証する書類を添付するものとする。

(供用開始の告示)

第九十条法第四十六条の規定により、空港の供用開始期日の届出があつた場合において告示しなければならない事項は、次のとおりとする。
一設置者の氏名及び住所
二空港の名称及び位置
三供用開始期日
2前項の規定は、国土交通大臣が空港を設置する場合に準用する。

(変更、休止等の告示)

第九十一条法第四十六条(法第五十五条の二第三項において準用する場合を含む。)の規定により、空港について告示した事項に変更があつた場合又は空港の供用の休止、再開若しくは廃止があつた場合において告示しなければならない事項は、前条第一項第一号及び第二号に掲げるもののほか、次のとおりとする。
一告示した事項に変更があつた場合は、変更した事項
二休止の場合は、予定する休止の開始期日及び期間
三再開又は廃止の場合は、その予定期日

(空港等の機能の確保に関する基準)

第九十二条法第四十七条第一項(法第五十五条の二第三項において準用する場合を含む。)の国土交通省令で定める空港等の機能の確保に関する基準は、次のとおりとする。
一空港等を第七十九条の基準(第一項第二号に掲げるものを除く。)に適合するように維持すること。
二点検、清掃等により、空港等の設備の機能を確保すること。
三改修その他の工事を行う場合は、必要な標識の設置その他適当な措置を講じ、航空機の航行を阻害しないようにすること。
四空港にあつては、国土交通大臣が定める指針に従い、地上走行中の航空機又は車両の滑走路への誤進入を防止するための施設の維持管理及び改修を行うとともに、当該誤進入の防止に関する飛行場管制業務を行う機関、航空交通情報の提供に関する業務を行う機関、航空運送事業者その他の関係者との連携体制を整備すること。
五法第五十三条に規定する禁止行為を公衆の見やすいように掲示すること。
六法第五十三条第三項の立入禁止区域に境界を明確にする標識等を設置し、かつ、当該区域に人、車両等がみだりに立ち入らないようにすること。
七空港にあつては、法第百三十二条の八十五第一項(第一号に係る部分に限る。)の規定により無人航空機の飛行が禁止されている旨の周知、同項の規定に違反して飛行する無人航空機の有無及びその所在を把握するために必要な巡視その他の空港及びその周辺における無人航空機の異常な飛行を防止するために必要な措置を講ずること。
八空港にあつては、法第百三十四条の三第一項の規定により航空機の飛行に影響を及ぼすおそれのある行為が禁止されている旨の周知、同項の規定に違反した行為の有無を把握するために必要な巡視その他の空港及びその周辺における航空機の飛行に影響を及ぼす行為を防止するために必要な措置を講ずること。
九空港等における航空機の火災その他の事故に対処するため必要な消火設備及び救難設備を備え、事故が発生したときは、直ちに必要な措置を講ずること。
十自然災害、航空事故、上空への無人航空機の侵入その他の空港等の機能を損なうおそれのある事象が生じたときは、当該機能を確保するために必要な措置を講ずるとともに、この場合に必要となる関係機関との連絡体制を整備すること(次号に掲げるものを除く。)。
十一重要施設の周辺地域の上空における小型無人機等の飛行の禁止に関する法律(平成二十八年法律第九号)第七条第一項の規定により対象空港として指定された空港にあつては、同法第十一条第四項に規定する措置並びに同条第五項において準用する同条第一項及び第二項に規定する措置を講ずるために必要な設備及び体制を整備すること。
十二関係行政機関と随時連絡できるような設備を有すること。
十三空港等業務日誌を備え付け、次に掲げる事項を記録し、これを一年間保存すること。
イ空港等の設備の状況
ロ施行した工事の内容
ハ災害、事故等があつたときは、その時刻、原因、状況及びこれに対する措置
ニ関係諸機関との連絡事項
ホ航空機による空港等の使用状況
ヘその他空港等の管理に関し必要な事項
十四空港にあつては、国土交通大臣が必要と認める場合に、空港において離陸又は着陸を行う航空機の利用に供するための気象の観測に必要な設備を備え、気象の観測を行うこと。
十五空港にあつては、国土交通大臣が必要と認める場合に、航空通信を行うための無線電話を備え、空港において離陸又は着陸を行う航空機に対し、その運航のため必要な情報を提供すること。
十六空港にあつては、国土交通大臣が必要と認める場合に、滑走路に進入する車両を使用する者に対して、当該車両に位置情報及び識別記号をモードS信号により自動的に送信する機能を有する装置を装備させること。
十七空港にあつては、滑走路、誘導路、エプロンその他の航空機に接触するおそれがある区域として空港機能管理規程で指定する区域において、業務(航空機の使用者又は当該使用者から委託を受けた者(その者から委託(二以上の段階にわたる委託を含む。)を受けた者を含む。)の需要に応じて行うものに限り、法第二条第二項に規定する航空業務を除く。)を行う者に対して、事故等(次に掲げる事故又は事態であつて、当該区域における当該者による空港の施設、車両その他の物件の使用その他の行為により生ずるものをいう。以下この号及び次号において同じ。)を防止する措置を講じさせるとともに、国土交通大臣が必要と認める場合に行う事故等に関する調査に協力させること。
イ法第七十六条第一項各号に掲げる事故
ロ法第七十六条の二に規定する事態
ハイ及びロに掲げるもののほか、次に掲げる事態
(1)人の死傷又は航空機の損傷(イ又はロに該当するものを除く。)
(2)車両の滑走路への誤進入、航空灯火の機能を損なう事態その他の空港の安全に影響を及ぼす事態(ロに該当するものを除く。)
十八空港にあつては、事故等の防止に関し、前号の業務を行う者その他の関係者との間で必要な協議を行うため、空港の設置者及び当該関係者を構成員とする協議会を組織すること。
十九空港にあつては、空港で営業を行う者に対して、危害行為防止措置(危害行為を防止するために必要な措置をいう。以下同じ。)を講じさせること。
二十空港にあつては、空港における危害行為防止措置に関し、関係諸機関との間で必要な協議を行うため、空港の設置者及び関係諸機関を構成員とする協議会を組織すること。
二十一空港にあつては、前各号に掲げるもののほか、航空交通及び空港の業務に従事する者の安全を確保するために必要な措置を講ずること。

(空港機能管理規程の届出)

第九十二条の二法第四十七条の二第一項の規定により、空港機能管理規程の設定又は変更の届出をしようとする者は、空港の設置又は法第四十三条第一項に規定する重要な変更に伴い空港機能管理規程の設定又は変更が行われる場合にあつては、法第四十二条第一項(法第四十三条第二項において準用する場合を含む。)の規定による検査が行われる日までに、その他の事由により空港機能管理規程の変更が行われる場合にあつては、変更後の空港機能管理規程の実施の日までに、次に掲げる事項を記載した空港機能管理規程設定(変更)届出書を国土交通大臣に提出しなければならない。
一氏名及び住所
二空港の名称及び位置
三変更の届出の場合は、変更後の空港機能管理規程の実施予定日
四変更の届出の場合は、変更を必要とする理由
2前項の届出書には、次に掲げる書類を添付しなければならない。
一設定し、又は変更しようとする空港機能管理規程(変更の届出の場合は、新旧の対照を明示すること。)
二実測図
三その他設定し、又は変更しようとする空港機能管理規程に関し必要な事項を記載した書類

(法第四十七条の二第二項の国土交通省令で定める航空保安施設)

第九十二条の三法第四十七条の二第二項の国土交通省令で定める航空保安施設は、飛行場灯火とする。

(空港機能管理規程の内容)

第九十二条の四法第四十七条の二第二項の国土交通省令で定める空港機能管理規程の内容は、次の表の上欄に掲げる事項ごとに、それぞれ同表の下欄に掲げるものとする。
空港の機能を確保するための管理の方針に関する事項一 空港における機能の確保のために遵守すべき法令及び内部規則その他これに準ずるもの二 空港における危害行為防止措置に関し遵守すべき法令及び内部規則その他これに準ずるもの
空港の機能を確保するための管理の体制に関する事項一 空港における機能の確保のための組織体制に関する事項二 空港における危害行為防止措置に関する組織体制に関する事項
空港の機能を確保するための管理の方法に関する事項一 空港における機能の確保に係る情報の伝達及び共有に関する事項二 空港における機能の確保に係る教育及び訓練に関する事項三 空港における機能の確保に係る文書の整備及び管理に関する事項四 第九十二条各号の基準に従つて管理するための具体的方法(前三号に含まれるものを除く。)五 空港の管理に関し必要な次に掲げる事項イ 空港の標点の位置ロ 空港の敷地並びにその所有者の氏名及び住所ハ 空港の種類、着陸帯の等級及び滑走路(陸上空港にあつては、基礎地盤を含む。)の強度又は着陸帯の深さニ 進入区域の長さ、進入表面の勾配、水平表面の半径の長さ又は転移表面の勾配ホ 空港の施設の概要ヘ 航空保安施設(飛行場灯火を除く。)の概要ト 進入表面、転移表面若しくは水平表面の上に出る高さの物件又はこれらの表面に著しく近接する物件がある場合には、次に掲げる事項(一) 当該物件の位置及び種類(二) 当該物件の進入表面、転移表面若しくは水平表面の上に出る高さ又はこれらの表面への近接の程度チ 空港の敷地又はその付近の場所における気温(国土交通大臣が定める基準に従い、五年以上の資料に基づいて算出すること。)六 第百二十六条各号の基準に従つて管理するための具体的方法(第一号から第三号までに含まれるものを除く。)七 飛行場灯火の管理に関し必要な次に掲げる事項イ 飛行場灯火の種類及び名称ロ 飛行場灯火の位置及び所在地ハ 飛行場灯火の敷地の所有者の氏名及び住所ニ 飛行場灯火の施設の概要八 空港における危害行為防止措置に係る文書の整備及び管理に関し必要な次に掲げる事項イ 危険物等所持制限区域の管理者の名称ロ 危険物等所持制限区域の位置
2前項の規定は、法第五十五条の二第二項の規定により国土交通大臣が空港機能管理規程を定める場合について準用する。

(物件制限の特例)

第九十二条の五法第四十九条第一項ただし書(法第五十五条の二第三項及び法第五十六条の三第二項において準用する場合を含む。)の国土交通省令で定める物件は、次に掲げるものとする。
一仮設物
二建築基準法(昭和二十五年法律第二百一号)第三十三条の規定により設けなければならない避雷設備
三地形又は既存物件との関係から航空機の飛行の安全を特に害しない物件

(禁止行為)

第九十二条の六法第五十三条第一項の空港等の重要な設備は、着陸帯、誘導路、エプロン、格納庫、飛行場標識施設及び給油施設とする。
第九十三条法第五十三条第二項の航空の危険を生じさせるおそれのある行為は、次に掲げるものとする。
一航空機に向かつて物を投げること。
二着陸帯、誘導路又はエプロンに金属片、布その他の物件を放置すること。
三着陸帯、誘導路、エプロン、格納庫及び国土交通大臣又は空港等の設置者が第二十八号の二様式による標識により火気を禁止する旨の表示をした場所でみだりに火気を使用すること。

(空港等の設置者の地位の承継の許可申請)

第九十四条法第五十五条第一項の規定による空港等の設置者の地位の承継の許可を受けようとする者は、次に掲げる事項を記載した空港等設置者地位承継許可申請書を国土交通大臣に提出するものとする。
一承継人の氏名及び住所
二被承継人の氏名及び住所
三空港等の名称及び位置
四承継の条件
五承継をしようとする時期
六承継を必要とする理由
2前項の申請書には、次に掲げる書類を添付するものとする。
一承継の条件を証する書類
二地方公共団体にあつては、承継に関する意思の決定を証する書類
三地方公共団体以外の法人にあつては、次に掲げる書類
イ定款又は寄附行為及び登記事項証明書
ロ最近の事業年度における貸借対照表
ハ役員又は社員の名簿及び履歴書
ニ承継に関する意思の決定を証する書類
ホその他参考となるべき事項を記載した書類
四法人格なき組合にあつては、次に掲げる書類
イ組合契約書の写し
ロ組合員の資産目録
ハ組合員の名簿及び履歴書
ニその他参考となるべき事項を記載した書類
五個人にあつては次に掲げる書類
イ資産目録
ロ戸籍抄本
ハ履歴書
ニその他参考となるべき事項を記載した書類

(相続による空港等の設置者の地位の承継の届出)

第九十五条法第五十五条第四項の規定による空港等の設置者の地位の承継の届出をしようとする相続人は、次に掲げる事項を記載した空港等設置者相続届出書を国土交通大臣に提出するものとする。
一届出者の氏名及び住所並びに被相続人との続柄
二被相続人の氏名及び住所
三空港等の名称及び位置
四相続開始の期日
2前項の届出書には、次に掲げる書類を添付するものとする。
一届出者と被相続人との続柄を証する書類
二届出者以外に相続人があるときは、その者の氏名及び住所を記載した書類並びに当該届出に対するその者の同意書

(円錐表面)

第九十六条法第五十六条第三項の規定による勾配及び半径の長さは、次のとおりとする。
一計器着陸装置を利用して行う着陸又は精密進入レーダーを用いてする着陸誘導に従つて行う着陸の用に供する空港
イ勾こう配五十分の一
ロ半径の長さ一万六千五百メートル
二前号の空港以外の陸上空港にあつては、着陸帯(二個以上の着陸帯を有する空港にあつては、最も長い着陸帯)の等級別に、次の表に掲げるところによる。
着陸帯の等級勾こう配半径の長さ
A四十分の一一万メートル
B四十分の一八千メートル
C及びD四十分の一六千メートル
E三十分の一六千メートル
F二十分の一四千メートル

(外側水平表面)

第九十六条の二法第五十六条第四項の規定による半径の長さは、二万四千メートルとする。

(延長進入表面等の指定の告示等)

第九十六条の三法第五十六条の二第二項において準用する法第三十八条第三項の規定により、告示し及び公衆の閲覧に供し並びに掲示しなければならない事項は、次のとおりとする。
一空港の名称及び位置
二指定し、又は変更しようとする延長進入表面、円錐表面又は外側水平表面
2法第五十六条の二第二項において準用する法第三十八条第三項の規定による公衆の閲覧は、国土交通省のウェブサイトへの掲載により行うものとする。

(公共用施設の指定の告示)

第九十六条の四法第五十六条の四第二項の規定により告示する事項は、次のとおりとする。
一施設の名称、位置及び設備の概要
二施設の供用開始期日
三施設の使用についての条件

第二節 航空保安無線施設

(航空保安無線施設の種類)

第九十七条第一条第一号に掲げる航空保安無線施設の種類は、次のとおりとする。
一NDB(無指向性無線標識施設をいう。以下同じ。)
二VOR(超短波全方向式無線標識施設をいう。以下同じ。)
三タカン
四ILS(計器着陸用施設をいう。以下同じ。)
五DME(距離測定装置をいう。以下同じ。)
六衛星航法補助施設

(設置の許可申請)

第九十八条法第三十八条第二項の規定により、航空保安無線施設の設置の許可を申請しようとする者は、左に掲げる事項を記載した航空保安無線施設設置許可申請書三通を国土交通大臣に提出しなければならない。
一氏名及び住所
二設置の目的
三航空保安無線施設の種類及び名称
四航空保安無線施設の位置及び所在地
五航空保安無線施設の設置予定地の所有者の氏名及び住所
六施設の概要(少くともコースの方向を示すものにあつてはその方向、送信機の定格出力及び設計上の想定周波数を附記すること。)
七管理の計画(希望する運用時間を附記すること。)
八設置及び管理に要する費用
九工事の着手及び完成の予定期日
2第七十六条第二項(第一号ロ及び第四号から第六号までに係るものを除く。)の規定は、前項の申請について準用する。

(設置基準)

第九十九条法第三十九条第一項第一号(法第四十三条第二項において準用する場合を含む。)に規定する航空保安無線施設の位置、構造等の設置の基準は、次のとおりとする。
一既設の航空保安無線施設の機能を損なわないように設置すること。
二当該航空保安無線施設の機能に及ぼす地形的影響ができるだけ少ない場所に、かつ、建造物、植物その他の物件により当該施設の機能が損なわれないように設置すること。
三NDBにあつては、次の性能、構造等を有するものであること。
イ電波の水平輻ふく射特性は、できるだけ無指向性であり、かつ、その偏波は、垂直偏波で、できるだけ水平偏波を含まないものであること。
ロ可聴周波により振幅変調された搬送波を放射するものであること。
ハ識別符号を送信するために変調可聴周波数を電鍵操作するものであること。
ニ変調周波数は、一、〇二〇ヘルツであり、かつ、その偏差は五〇ヘルツを超えないものであること。
ホ識別符号は、一分間に七語の割合の速度で、三〇秒ごとに連続二回(主として航空機の進入又は待機の用に供するNDBで国土交通大臣が指定するものにあつては、一分間に八回以上)送信するものであること。
ヘ識別符号送信中定格通達距離(当該施設から輻ふく射された電波の昼間における垂直電界強度が毎メートル七〇マイクロボルトに達する距離をいう。チにおいて同じ。)を超えない範囲内において、その符号を明確に識別できるような放射特性を有するものであること。
ト搬送波電力は、できるだけ識別符号の送信によつてその値が変化しないものであること。
チ定格通達距離は、空中線定数又は電源電圧の変動等により九〇パーセント以下に低下しないものであること。
リ不要な可聴周波の変調は、その可聴周波の振幅が搬送波の振幅の五パーセントを超えないものであること。
ヌ送信空中線系の構成は、その各部分の損失をできるだけ小さくするものであり、かつ、き電線に生ずる定在波ができるだけ小さいものであること。
ル空中線は、当該航空保安無線施設の機能を損なうおそれのある空間波を生じないものであること。
ヲ送信装置は、随時切り換えて使用することができるように二組を設備すること。
ワ擬似空中線を設備すること。
カ予備自家発電装置を設備すること。
ヨ識別符号送信の良否を検出することができる監視装置を設備すること。
四VORにあつては、次の性能、構造等を有するものであること。
イ航行中の航空機に対し当該施設を基準とする磁方位を提供するため、基準位相信号(その位相がすべての磁方位について等しい信号をいう。以下同じ。)、可変位相信号(その位相と基準位相信号の位相との位相差が磁方位に相当する信号をいう。以下同じ。)及び識別信号を搬送する電波を発射するものであること。
ロ電波は、水平偏波で、できるだけ垂直偏波を含まないものであること。
ハ主搬送波は、次に掲げる変調波により振幅変調されたものであること。
(一)基準位相信号(ドプラーVORにあつては、可変位相信号)により周波数変調された副搬送波
(二)可変位相信号(ドプラーVORにあつては、基準位相信号)
(三)識別信号
ニ基準位相信号及び可変位相信号の周波数は、三〇ヘルツであり、かつ、その偏差は一パーセントを超えないこと。
ホ副搬送波による振幅変調の変調度及び可変位相信号(ドプラーVORにあつては、基準位相信号)による振幅変調の変調度は、空中線部分の中心からの仰角が五度以下の空間において、それぞれ二〇パーセント以上五五パーセント以下及び二五パーセント以上三五パーセント以下であること。
ヘ副搬送波の周波数は、九、九六〇ヘルツであり、かつ、その偏差は一パーセントを超えないこと。
ト周波数変調の変調指数は、次のとおりであること。
(一)標準VORにおける基準位相信号による周波数変調の変調指数は、一五以上一七以下であること。
(二)ドプラーVORにおける可変位相信号による周波数変調の変調指数は、空中線部分の中心からの仰角が五度以下の空間において一五以上一七以下、当該仰角が五度を超え四〇度以下の空間において一一以上であること。
チ副搬送波は、次に掲げる変調度を超えて振幅変調されたものでないこと。
(一)標準VORにあつては、五パーセント
(二)ドプラーVORにあつては、空中線部分の中心から三〇〇メートルの地点において四〇パーセント
リ当該施設により提供される磁方位の誤差は、空中線部分の中心から主搬送波の波長の約四倍(ドプラーVORにあつては、約一八倍)の距離にあり、かつ、同中心からの仰角が四〇度以下の空間にある点において、二度を超えないこと。
ヌ識別信号の周波数は、一、〇二〇ヘルツであり、かつ、その偏差は五〇ヘルツを超えないこと。
ル識別信号による振幅変調の変調度は、一〇パーセントを超えず、かつ、できるだけ一〇パーセントに近いこと。
ヲ三文字の国際モールス符号で構成された識別符号を一分間に七語の速度で、三〇秒間に三回以上送信するものであること。
ワ送信装置は、随時切り換えて使用することができるように二組設備すること。
カ擬似空中線を設備すること。
ヨ予備自家発電装置を設備すること。
タ空中線部分の中心から主搬送波の波長の約四倍(ドプラーVORにあつては、約一八倍)の距離にある場所に監視装置を設備すること。
レ監視装置は、次のいずれかの状態が発生した場合には、速やかに、制御所にその旨を報知するとともに予備の送信装置に切り換えることができ、かつ、予備の送信装置の作動後においてもその状態が継続するときは、VORからの電波の発射を停止することができるものであること。
(一)VORにより提供される磁方位が設定時の磁方位から一度を超えて変化したとき。
(二)副搬送波による振幅変調の変調度又は可変位相信号(ドプラーVORにあつては、基準位相信号)による振幅変調の変調度が設定時の変調度から一五パーセントを超えて低下したとき。
(三)監視装置の監視機能が故障したとき。
五タカンにあつては、次の性能、構造等を有するものであること。
イ航行中の航空機に対し、当該施設を基準とする磁方位を提供するため、主基準方位信号(すべての磁方位に対して同時に発射される信号であつて、方位の粗測のためのものをいう。以下同じ。)、補助基準方位信号(すべての磁方位に対して同時に発射される信号であつて、方位の精測のためのものをいう。以下同じ。)、主可変方位信号(その位相が磁方位に応じて変化する信号であつて、方位の粗測のためのものをいう。以下同じ。)及び補助可変方位信号(その位相が磁方位に応じて変化する信号であつて、方位の精測のためのものをいう。以下同じ。)を発射し、当該施設からの距離を提供するため、機上タカン装置又は機上DME装置から発射される質問信号に応じて応答信号を発射し、及び識別信号を発射するものであること。
ロ主基準方位信号、補助基準方位信号、応答信号、識別信号及びランダムパルス対は、パルス対の電波であること。
ハパルスは、次に掲げる要件に適合するものであること。
(一)パルス立上り時間(パルスの振幅が、その前縁において最大振幅の一〇パーセントに達した時から九〇パーセントに達する時までに要する時間をいう。)及びパルス立下り時間(パルスの振幅が、その後縁において最大振幅の九〇パーセントに達した時から一〇パーセントに達する時までに要する時間をいう。)は、なるべく二・五マイクロ秒であつて、三マイクロ秒を超えないこと。
(二)パルス幅(パルスの振幅が、その前縁において最大振幅の五〇パーセントに達した時からその後縁において最大振幅の五〇パーセントに達する時までに要する時間をいう。)は、三マイクロ秒以上四マイクロ秒以下であること。
(三)パルスの振幅は、その前縁において最大振幅の九五パーセントに達した時からその後縁において最大振幅の九五パーセントに達する時までの間は、最大振幅の九五パーセント以上であること。
ニパルス間隔(パルス対について、第一パルスの前縁において振幅が最大振幅の五〇パーセントに達した時から第二パルスの前縁において最大振幅の五〇パーセントに達する時までに要する時間をいう。以下同じ。)は、Xチャンネルにあつては一二マイクロ秒、Yチャンネルにあつては三〇マイクロ秒であり、かつ、その偏差は〇・二五マイクロ秒を超えないこと。
ホ第一パルスの尖せん頭電力と第二パルスの尖せん頭電力との差は、一デシベル以下であること。
ヘ主基準方位信号、補助基準方位信号、応答信号、識別信号及びランダムパルス対は、主可変方位信号及び補助可変方位信号により振幅変調されたものであること。
ト主可変方位信号の周波数は、一五ヘルツであり、かつ、その偏差は〇・二三パーセントを超えないこと。
チ補助可変方位信号の周波数は、一三五ヘルツであり、かつ、その偏差は〇・二三パーセントを超えないこと。
リ主可変方位信号の変調度及び補助可変方位信号の変調度は、一二パーセント以上三〇パーセント以下であること。
ヌ主可変方位信号の高調波含有率及び補助可変方位信号の高調波含有率は、二〇パーセントを超えないこと。
ル主可変方位信号の振幅が最大となる時には、補助可変方位信号の振幅が最大となること。
ヲ主基準方位信号を構成するパルス対の数は、一一以上一三以下であること。
ワ主基準方位信号のパルス対間隔(隣接するパルス対について、先のパルス対の第二パルスの前縁において振幅が最大振幅の五〇パーセントに達した時から後のパルス対の第二パルスの前縁において振幅が最大振幅の五〇パーセントに達する時までに要する時間をいう。以下同じ。)は、三〇マイクロ秒であり、かつ、その偏差は〇・三マイクロ秒を超えないこと。
カ補助基準方位信号を構成するパルス対の数は、六又は七であること。
ヨ補助基準方位信号のパルス対間隔は、二四マイクロ秒であり、かつ、その偏差は〇・三マイクロ秒を超えないこと。
タ主基準方位信号は、当該施設を基準とする磁方位が九〇度の方向において主可変方位信号の振幅が最大となる時に、発射されるものであること。
レ補助基準方位信号は、当該施設を基準とする磁方位が九〇度の方向において補助可変方位信号の振幅が最大となる時(当該方向において主可変方位信号の振幅が最大となる時を除く。)に、発射されるものであること。
ソ当該施設により提供される磁方位の誤差は、一・五度を超えないこと。
ツ応答遅延時間(質問信号の第二パルスを受信した時から当該質問信号に対する応答信号の第二パルスを発射する時までの時間をいう。以下この号及び第七号において同じ。)は、五〇マイクロ秒であり、かつ、その偏差は一マイクロ秒を超えないこと。ただし、ILSの一部を構成するタカンにあつては、この限りでない。
ネ応答信号のパルス対の発射数とランダムパルス対の発射数との合計は、毎秒二、七〇〇であり、かつ、その偏差は毎秒九〇を超えないこと。
ナ応答信号は、主基準方位信号、補助基準方位信号又は識別信号を発射中は、発射しないものであること。
ラランダムパルス対は、主基準方位信号、補助基準方位信号、応答信号又は識別信号を発射中は、発射しないものであること。
ム識別信号は、パルス対間隔が九〇マイクロ秒以上一一〇マイクロ秒以下である対のパルス対により構成されるものであること。
ウ識別信号のパルス対の発射数は、毎秒二、七〇〇であり、かつ、その偏差は毎秒二〇を超えないこと。
ヰ識別信号を構成する対のパルス対相互の間隔は、できるだけ等しいこと。
ノ三文字の国際モールス符号で構成された識別符号を一分間に六語以上の速度で、四〇秒間に一回以上送信するものであること。
オ識別符号の送信に要する時間は、一回、一〇秒を超えないこと。
ク識別信号は、主基準方位信号又は補助基準方位信号を発射中は、発射しないものであること。
ヤVOR又はILSと組み合わされて使用されるタカンの識別符号は、四〇秒間を四以上に等分したうちの一期間において送信されるものであり、当該タカンと組み合わされて使用されるVOR又はILSの識別符号は、当該タカンの識別符号が送信されている期間以外の期間において送信されるものであること。
マ受信装置の最大感度(中心周波数における感度(質問信号に対する応答率が七〇パーセントとなるときの当該質問信号の尖せん頭電力をいう。以下この号及び第七号において同じ。)をいう。以下この号及び第七号において同じ。)は、有効範囲が空中線部分の中心から五六キロメートルを超える受信装置にあつては一ワットを基準としてマイナス一二五デシベル以下、有効範囲が空中線部分の中心から五六キロメートル以内である受信装置にあつては一ワットを基準としてマイナス一一五デシベル以下であること。
ケ受信装置の最大感度は、応答信号のパルス対の発射数がその最大値の九〇パーセント以下のときに一デシベル以上変動しないこと。
フ中心周波数から一〇〇キロヘルツ偏位した周波数における受信装置の感度は、最大感度から三デシベル以内にあること。
コ受信装置は、その周波数が中心周波数から九〇〇キロヘルツ偏位しており、かつ、その尖せん頭電力が最大感度に八〇デシベルを加えた電力以下である質問信号に対しては、七〇パーセント以上の応答率を有しないものであること。
エ受信装置の感度は、その尖せん頭電力が最大感度に六〇デシベルを加えた電力以下である質問信号の第一パルスを受信した時から八マイクロ秒経過した時には、最大感度から三デシベル以内に回復していること。
テ受信装置のスプリアスレスポンスは、中間周波数レスポンスにあつては八〇デシベル以上、影像周波数レスポンス及びその他のスプリアスレスポンスにあつては七五デシベル以上であること。
ア受信装置の受信休止時間は、質問信号を受信してから応答信号を発射するまでの間及び応答信号を発射してから六〇マイクロ秒(地形により生ずる反射波の影響を避けるため必要がある場合は、一五〇マイクロ秒)以下の間であること。
サ受信装置のデコーダは、質問信号のパルス対以外のパルス対に対しては、作動しないものであること。
キ受信装置のデコーダは、質問信号のパルス対に対しては、当該パルス対の前後又は中間に他のパルスが加わつたときにおいても、支障なく作動するものであること。
ユ空中線は、垂直偏波の電波を送受信するものであること。
メVORと組み合わされて使用されるタカンの空中線は、VORの空中線部分の中心を含む鉛直線上に設置すること。ただし、これにより難い場合は、VORと組み合わされて主として航空機の進入又は待機の用に供されるタカンにあつてはVORの空中線部分の中心から三〇メートル(当該VORがドプラーVORである場合にあつては、八〇メートル)を、その他のタカンにあつてはVORの空中線部分の中心から六〇〇メートルを超えない距離にある場所に設置すること。
ミ送受信装置は、随時切り換えて使用することができるように二組設備すること。
シ擬似空中線を設備すること。
ヱ予備自家発電装置を設備すること。
ヒ監視装置を設備すること。
モ監視装置は、次のいずれかの状態が四秒以上継続する場合には、その状態が発生した時から一〇秒以内のできるだけ短い時間内に、制御所にその旨を報知するとともに予備の送受信装置に切り換えることができ、かつ、予備の送受信装置の作動後においてもその状態が継続するときは、タカンからの電波の発射を停止することができるものであること。
(一)タカンにより提供される磁方位が設定時の磁方位から一度を超えて変化したとき。
(二)その尖せん頭電力が受信装置の最大感度に六デシベルを加えた電力である質問信号に対する応答遅延時間が、ツの基準に適合しなくなつたとき。
(三)空中線電力が五〇パーセントを超えて低下したとき。
(四)監視装置の監視機能が故障したとき。
セ監視装置が監視のために発射するパルス対の数は、毎秒一二〇を超えないこと。
六ILSにあつては、次の性能、構造等を有するものであること。
イ次に掲げる装置によつて構成されるものであること。ただし、タカン又はDMEを設置する場合にあつては、(三)a及びbに掲げるマーカービーコン装置の一方又は双方の設置を省略することができる。
(一)ローカライザー装置
(二)グライドスロープ装置
(三)次に掲げるマーカービーコン装置
aアウタマーカー
bミドルマーカー
cインナマーカー(必要な場合に限る。)
ロローカライザー装置は、次の性能、構造等を有するものであること。
(一)ILSのコースに沿つて精密進入を行う航空機に対し、二つの変調波の変調度の差により当該コースからの水平方向における偏位量を提供するため、これらの変調波及び識別信号を搬送する電波を発射するものであること。
(二)九〇ヘルツの変調波、一五〇ヘルツの変調波及び識別信号により振幅変調された搬送波を放射し、空間において合成電界を形成するものであること。
(三)合成電界は、航空機が当該ILSを利用して進入する方向から見て、コースライン(任意の水平面においてローカライザー装置が発射する電波の水平偏波によるDDM(二つの変調波の変調度の差の絶対値を一〇〇で除して得た値をいう。以下同じ。)が零となる点の軌跡のうち滑走路の中心線又はその延長線に最も近接したものを平均化し、直線とみなしたものをいう。以下同じ。)の右側では、一五〇ヘルツの変調波による変調度が九〇ヘルツの変調波による変調度より大きく、コースラインの左側では、九〇ヘルツの変調波による変調度が一五〇ヘルツの変調波による変調度より大きいものであること。
(四)電波は、水平偏波で、次に掲げる値を超える垂直偏波を含まないものであること。
aカテゴリー一ILS(当該ILSを利用して精密進入を行う最低の高度が滑走路進入端(航空機が当該ILSを利用して着陸する側におけるものに限る。以下この号において同じ。)を含む水平面の上方六〇メートル以上であるILSをいう。以下同じ。)のローカライザー装置にあつては、コースライン上で水平面に対し横に二〇度傾斜した姿勢の航空機のローカライザー受信装置で示されるDDM相当値が〇・〇一六となる値
bカテゴリー二ILS(当該ILSを利用して精密進入を行う最低の高度が滑走路進入端を含む水平面の上方六〇メートル未満三〇メートル以上であるILSをいう。以下同じ。)のローカライザー装置にあつては、コースライン上で水平面に対し横に二〇度傾斜した姿勢の航空機のローカライザー受信装置で示されるDDM相当値が〇・〇〇八となる値
cカテゴリー三ILS(当該ILSを利用して精密進入を行う最低の高度が滑走路進入端を含む水平面の上方三〇メートル未満であるILSをいう。以下同じ。)のローカライザー装置にあつては、水平偏波によるDDMが〇・〇二以下である範囲で、水平面に対し横に二〇度傾斜した姿勢の航空機のローカライザー受信装置で示されるDDM相当値が〇・〇〇五となる値
(五)カテゴリー三ILSのローカライザー装置にあつては、コースラインの変動幅は、〇・〇一ヘルツから一〇ヘルツの周波数帯域内においてDDM相当値で〇・〇〇五を超えないこと。
(六)ローカライザー装置から発射された電波の水平電界強度は、次の図に示す定格通達範囲内において、毎メートル四〇マイクロボルト以上であること。
備考
一定格通達範囲は、斜線で示される部分とする。
二地形上やむを得ない場合又は運用上支障のない場合は、CからAまでの距離は三三・三キロメートル、CからBまでの距離は一八・五キロメートルとする。
三C点は、ローカライザー装置の空中線の中心とする。
四P1点はAの垂直上方の点で、P2点はBの垂直上方の点で、それぞれ、滑走路進入端を含む水平面から六〇〇メートル又は中間進入空域及び最終進入空域内の地表面の最高点から三〇〇メートルの点のいずれか高い方の点とする。
五E点は、滑走路進入端とする。
(七)(六)の基準に適合するほか、ローカライザー装置から発射された電波の水平電界強度は、次の基準に適合すること。
aカテゴリー一ILSのローカライザー装置にあつては、コースセクター(コースラインを含む水平面のうちDDMが〇・一五五以下である扇形の部分をいう。以下同じ。)上の点であつて、空中線の中心から一八・五キロメートル以内の距離にあり、かつ、滑走路進入端を含む水平面から三〇メートル以上の高さにある点において、毎メートル九〇マイクロボルト以上であること。
bカテゴリー二ILSのローカライザー装置にあつては、次に掲げる値以上であること。
(一)コースセクター上の点であつて空中線の中心から一八・五キロメートルの距離にある点において、毎メートル一〇〇マイクロボルト
(二)コースセクター上の点であつて滑走路進入端を含む水平面から一五メートルの高さにある点において、毎メートル二〇〇マイクロボルト
cカテゴリー三ILSのローカライザー装置にあつては、次に掲げる値以上であること。
(一)コースセクター上の点であつて空中線の中心から十八・五キロメートルの距離にある点において、毎メートル一〇〇マイクロボルト
(二)コースセクター上の点であつて滑走路進入端を含む水平面から六メートルの高さにある点において、毎メートル二〇〇マイクロボルト
(三)グライドパス(滑走路の中心線を含む鉛直面においてグライドスロープ装置が発射する電波の水平偏波によるDDMが零となる点の軌跡のうち滑走路の中心線又はその延長線に最も近接したものを平均化し、直線とみなしたものをいう。以下同じ。)上の点であつて滑走路進入端を含む水平面から六メートルの高さにある点と接地点(滑走路進入端から滑走路終端(離陸し、又は着陸しようとする航空機から見て先方にある滑走路末端をいう。以下同じ。)の側に滑走路の中心線上三〇〇メートルの点。以下この条において同じ。)の垂直上方四メートルの点を結ぶ直線上の点及び接地点から滑走路終端の中心点までの滑走路の中心線上の点の垂直上方四メートルの点において、毎メートル一〇〇マイクロボルト
(八)二つの搬送波を放射するローカライザー装置にあつては、一方の搬送波による電界はその大部分が他方の搬送波による電界の内側に構成されるものであり、かつ、コースセクター上においては、内側に電界が構成される搬送波の水平電界強度は、外側に電界が構成される搬送波の水平電界強度より一〇デシベル以上強いものであること。
(九)九〇ヘルツの変調波の周波数の偏差及び一五〇ヘルツの変調波の周波数の偏差は、カテゴリー一ILSのローカライザー装置にあつては二・五パーセントを、カテゴリー二ILSのローカライザー装置にあつては一・五パーセントを、カテゴリー三ILSのローカライザー装置にあつては一・〇パーセントを超えないこと。
(十)九〇ヘルツの変調波及び一五〇ヘルツの変調波の位相特性は、半コースセクター(コースラインを含む水平面のうちDDMが〇・〇七七五以下である扇形の部分をいう。以下同じ。)上においては、次のとおりであること。
a九〇ヘルツの変調波と一五〇ヘルツの変調波とは、これらの合成波の半周期に一回、それぞれの電圧が、カテゴリー一ILS又はカテゴリー二ILSのローカライザー装置にあつては三七〇マイクロ秒を、カテゴリー三ILSのローカライザー装置にあつては一八五マイクロ秒を超えない間に同一方向で零となること。
b二つの搬送波を放射するローカライザー装置にあつては、双方の九〇ヘルツの変調波は、それぞれの電圧が、カテゴリー一ILS又はカテゴリー二ILSのローカライザー装置にあつては六一七マイクロ秒を、カテゴリー三ILSのローカライザー装置にあつては三〇八マイクロ秒を超えない間に、双方の一五〇ヘルツの変調波は、それぞれの電圧が、カテゴリー一ILS又はカテゴリー二ILSのローカライザー装置にあつては三七〇マイクロ秒を、カテゴリー三ILSのローカライザー装置にあつては一八五マイクロ秒を超えない間に同一方向で零となること。
(十一)九〇ヘルツの変調波の変調度及び一五〇ヘルツの変調波の変調度は、コースライン上で、二〇パーセントであり、かつ、その偏差は二パーセントを超えないこと。
(十二)九〇ヘルツの変調波の高調波含有率及び一五〇ヘルツの変調波の高調波含有率は、一〇パーセントを超えず、かつ、カテゴリー三ILSのローカライザー装置にあつては、九〇ヘルツの変調波の第二高調波含有率は五パーセントを超えないこと。
(十三)カテゴリー三ILSのローカライザー装置にあつては、電源周波数の変調波、その高調波その他不要な周波数成分による変調波の変調度は、〇・五パーセントを、かつ、九〇ヘルツ及び一五〇ヘルツの変調波並びにこれらの高調波に相互変調を与えることによりコースラインの変動を起こさせる電源周波数の高調波その他不要な周波数成分による変調波の変調度は、〇・〇五パーセントを超えないこと。
(十四)コースライン上にある点におけるDDMは、次の表の上欄に掲げる区分に応じ、それぞれ同表下欄に掲げる値であること。
区分DDM
種類コースライン上の点の位置
カテゴリー一ILSのローカライザー装置定格通達範囲の末端から滑走路の中心線又はその延長線に垂直な面(以下この表及びハ(十四)の表において単に「垂直面」という。)であつてILS・A点を含むものまでの間のコースライン上にある点〇・〇三一以下
ILS・A点を含む垂直面からILS・B点を含む垂直面までの間のコースライン上にある点その点を含む垂直面とILS・B点を含む垂直面との距離(単位 キロメートル)に〇・〇〇二五を乗じて得た値に〇・〇一五を加えて得た値以下
ILS・B点を含む垂直面からILS・C点を含む垂直面までの間のコースライン上にある点〇・〇一五以下
カテゴリー二ILSのローカライザー装置定格通達範囲の末端からILS・A点を含む垂直面までの間のコースライン上にある点〇・〇三一以下
ILS・A点を含む垂直面からILS・B点を含む垂直面までの間のコースライン上にある点その点を含む垂直面とILS・B点を含む垂直面との距離(単位 キロメートル)に〇・〇〇四一を乗じて得た値に〇・〇〇五を加えて得た値以下
ILS・B点を含む垂直面からILSリファレンスデイタムを含む垂直面までの間のコースライン上にある点〇・〇〇五以下
カテゴリー三ILSのローカライザー装置定格通達範囲の末端からILS・A点を含む垂直面までの間のコースライン上にある点〇・〇三一以下
ILS・A点を含む垂直面からILS・B点を含む垂直面までの間のコースライン上にある点その点を含む垂直面とILS・B点を含む垂直面との距離(単位 キロメートル)に〇・〇〇四一を乗じて得た値に〇・〇〇五を加えて得た値以下
ILS・B点を含む垂直面からILS・D点を含む垂直面までの間のコースライン上にある点〇・〇〇五以下
ILS・D点を含む垂直面からILS・E点を含む垂直面までの間のコースライン上にある点その点を含む垂直面とILS・D点を含む垂直面との距離(単位 キロメートル)に〇・〇〇五を乗じて得た値をILS・D点を含む垂直面とILS・E点を含む垂直面との距離(単位 キロメートル)で除して得た値に〇・〇〇五を加えて得た値以下
備考
一ILS・A点とは、グライドパス上の点で、その投影が滑走路進入端の側における滑走路の中心線の延長七・四一キロメートルの点に一致するものをいう。以下同じ。
二ILS・B点とは、グライドパス上の点で、その投影が滑走路進入端の側における滑走路の中心線の延長一・〇五キロメートルの点に一致するものをいう。以下同じ。
三ILS・C点とは、グライドパスと滑走路進入端の中心点の垂直上方三〇メートルの点を含む水平面との交点をいう。以下同じ。
四ILSリファレンスデイタムとは、グライドパス上の点で、その投影が滑走路進入端の中心点に一致するものをいう。以下同じ。
五ILS・D点とは、滑走路進入端から滑走路終端の側に滑走路の中心線上九〇〇メートルの点の垂直上方四メートルの点をいう。
六ILS・E点とは、滑走路終端から滑走路進入端の側に滑走路の中心線上六〇〇メートルの点の垂直上方四メートルの点をいう。
(十五)コースラインの投影線と滑走路進入端の中心点との距離は、カテゴリー一ILSのローカライザー装置にあつては一〇・五メートル又はコースラインからDDMが〇・〇一五となる点までの距離のいずれか小さい距離を、カテゴリー二ILSのローカライザー装置にあつては七・五メートルを、カテゴリー三ILSのローカライザー装置にあつては三・〇メートルを超えないこと。
(十六)コースラインを含む水平面におけるDDM又はその変化の割合は、次のとおりであること。
a偏位感度(距離の変化量に対するDDM変化量の割合をいう。(二十八)bにおいて同じ。)は、半コースセクターと滑走路進入端を含む鉛直面との交線上において、毎メートル〇・〇〇一四五であり、かつ、その偏差は、カテゴリー一ILS又はカテゴリー二ILSのローカライザー装置にあつては一七パーセントを、カテゴリー三ILSのローカライザー装置にあつては一〇パーセントを超えないこと。
bコースラインからDDMが〇・一八〇に達する点の水平角度(コースラインを含む水平面において、その点と空中線とを結ぶ線とコースラインとのなす角の角度をいう。以下同じ。)までは、DDMは、水平角度の増加に対し、できるだけ一定の割合で増加すること。
cDDMが〇・一八〇に達する点の水平角度から水平角度が一〇度までの間は、DDMは、〇・一八〇以上であること。
d水平角度が一〇度を超え三五度以下の間は、DDMは、〇・一五五以上であること。
(十七)コースセクターの角度は、六度以下であること。
(十八)識別信号の周波数は、一、〇二〇ヘルツであり、かつ、その偏差は五〇ヘルツを超えないこと。
(十九)識別信号の変調度は、五パーセント以上一五パーセント以下であること。
(二十)三文字の国際モールス符号で構成された識別符号を一分間に七語の速度で、一分間に六回以上できるだけ等間隔に送信するものであること。
(二十一)二つの搬送波を放射するローカライザー装置にあつては、二つの識別信号は、その識別符号の識別が困難とならないような位相特性を有するものであること。
(二十二)一の滑走路に二つのローカライザー装置を設置する場合(その二つが、互いに異なる周波数の電波を発射するカテゴリー一ILSのローカライザー装置であり、かつ、同時に電波を発射したときに運用上支障のない場合を除く。)にあつては、その二つが同時に電波を発射しないようにインターロック装置を設備すること。
(二十三)空中線は、滑走路終端の側における滑走路の中心線の延長線上に設置すること。
(二十四)送信装置は、随時切り換えて使用することができるように二組設備すること。
(二十五)擬似空中線を設備すること。
(二十六)予備自家発電装置を設備すること。
(二十七)監視装置を設備すること。
(二十八)監視装置は、次のいずれかの状態が発生した場合には、その状態が発生した時からカテゴリー一ILSのローカライザー装置にあつては一〇秒以内の、カテゴリー二ILSのローカライザー装置にあつては五秒以内の、カテゴリー三ILSのローカライザー装置にあつては二秒以内のできるだけ短い時間内に、制御所にその旨を報知するとともに予備の送信装置に切り換えることができ、かつ、予備の送信装置の作動後においてもその状態が継続するときは、ローカライザー装置からの電波の発射を停止することができるものであること。
aコースラインの位置が(十五)の基準に適合しなくなつたとき。ただし、カテゴリー三ILSのローカライザー装置にあつては、コースラインの投影線と滑走路進入端の中心点との距離が六・〇メートルを超えたとき。
b半コースセクターと滑走路進入端を含む鉛直面との交線上における偏位感度の偏差が一七パーセントを超えたとき。
c一つの搬送波を放射するローカライザー装置にあつては(六)から(十四)までの基準に適合している場合において空中線電力が正常値の五〇パーセント未満に、二つの搬送波を放射するローカライザー装置にあつてはいずれかの搬送波について空中線電力が正常値の八〇パーセント((六)から(十四)までの基準に適合している場合においては正常値の五〇パーセント)未満に低下したとき。
d監視装置の監視機能が故障したとき。
ハグライドスロープ装置は、次の性能、構造等を有するものであること。
(一)ILSのコースに沿つて精密進入を行う航空機に対し、二つの変調波の変調度の差により当該コースからの垂直方向における偏位量を提供するため、これらの変調波を搬送する電波を発射するものであること。
(二)九〇ヘルツの変調波及び一五〇ヘルツの変調波により振幅変調された搬送波を放射し、空間において合成電界を形成するものであること。
(二)の二二つの搬送波を放射するグライドスロープ装置にあつては、一方の搬送波により合成電界を形成するほか、一五〇ヘルツの変調波により振幅変調された他方の搬送波を放射し、空間において電界を形成するものであること。
(三)合成電界は、グライドパスの上方では、垂直角度(グライドパスを含む鉛直面において、その点からグライドパスと滑走路との交点まで引いた線と水平面とのなす角の角度をいう。以下同じ。)がグライドパスと水平面とのなす角の角度の一・七五倍までは、九〇ヘルツの変調波による変調度が一五〇ヘルツの変調波による変調度より大きく、グライドパスの下方では、一五〇ヘルツの変調波による変調度が九〇ヘルツの変調波による変調度より大きいものであること。
(四)電波は、水平偏波で、できるだけ垂直偏波を含まないものであること。
(五)カテゴリー三ILSのグライドスロープ装置にあつては、グライドパスの変動幅は、〇・〇一ヘルツから一〇ヘルツの周波数帯域内においてDDM相当値で〇・〇二を超えないこと。
(六)グライドパスと水平面のなす角の角度は、二度以上四度以下に設定すること。
(七)グライドパスと水平面とのなす角の角度は、設定値から、カテゴリー一ILS又はカテゴリー二ILSのグライドスロープ装置にあつては七・五パーセントを、カテゴリー三ILSのグライドスロープ装置にあつては四・〇パーセントを超えて変動しないこと。
(八)グライドスロープ装置から発射された電波の水平電界強度は、次の図に示す定格通達範囲内(カテゴリー一ILSのグライドスロープ装置にあつては滑走路進入端を含む水平面から三〇メートル以上の高さに、カテゴリー二ILS又はカテゴリー三ILSのグライドスロープ装置にあつては滑走路進入端を含む水平面から一五メートル以上の高さに限る。)において、毎メートル四〇〇マイクロボルト以上であること。
備考
一定格通達範囲は、斜線で示される部分とする。
二R点は、グライドパスと滑走路との交点とする。
三θは、グライドパスと水平面とのなす角の角度とする。
(九)九〇ヘルツの変調波の周波数の偏差及び一五〇ヘルツの変調波の周波数の偏差は、カテゴリー一ILSのグライドスロープ装置にあつては二・五パーセントを、カテゴリー二ILSのグライドスロープ装置にあつては一・五パーセントを、カテゴリー三ILSのグライドスロープ装置にあつては一・〇パーセントを超えないこと。
(十)九〇ヘルツの変調波及び一五〇ヘルツの変調波の位相特性は、半グライドパスセクター(グライドパスを含む鉛直面のうちDDMが〇・〇八七五以下である扇形の部分であつて、グライドパスを含むものをいう。)上においては、次のとおりであること。
a九〇ヘルツの変調波と一五〇ヘルツの変調波とは、これらの合成波の半周期に一回、それぞれの電圧が、カテゴリー一ILS又はカテゴリー二ILSのグライドスロープ装置にあつては三七〇マイクロ秒を、カテゴリー三ILSのグライドスロープ装置にあつては一八五マイクロ秒を超えない間に同一方向で零となること。
b二つの搬送波を放射するグライドスロープ装置にあつては、双方の一五〇ヘルツの変調波は、それぞれの電圧が、カテゴリー一ILS又はカテゴリー二ILSのグライドスロープ装置にあつては三七〇マイクロ秒を、カテゴリー三ILSのグライドスロープ装置にあつては一八五マイクロ秒を超えない間に同一方向で零となること。
(十一)九〇ヘルツの変調波の変調度及び一五〇ヘルツの変調波の変調度は、グライドパス上で、四〇パーセントであり、かつ、その偏差は二・五パーセントを超えないこと。
(十二)九〇ヘルツの変調波の高調波含有率及び一五〇ヘルツの変調波の高調波含有率は、一〇パーセントを超えず、かつ、カテゴリー三ILSのグライドスロープ装置にあつては、九〇ヘルツの変調波の第二高調波含有率は五パーセントを超えないこと。
(十三)カテゴリー三ILSのグライドスロープ装置にあつては、電源周波数の変調波、その高調波その他不要な周波数成分による変調波の変調度は、一・〇パーセントを超えないこと。
(十四)グライドパス上にある点におけるDDMは、次の表の上欄に掲げる区分に応じ、それぞれ同表下欄に掲げる値であること。
区分DDM
種類グライドパス上の点の位置
カテゴリー一ILSのグライドスロープ装置定格通達範囲の末端からILS・C点までのグライドパス上にある点〇・〇三五以下
カテゴリー二ILS又はカテゴリー三ILSのグライドスロープ装置定格通達範囲の末端からILS・A点までのグライドパス上にある点〇・〇三五以下
ILS・A点からILS・B点までのグライドパス上にある点その点を含む垂直面とILS・B点を含む垂直面との距離(単位 キロメートル)に〇・〇〇一九を乗じて得た値に〇・〇二三を加えて得た値以下
ILS・B点からILSリファレンスデイタムまでのグライドパス上にある点〇・〇二三以下
(十五)ILSリファレンスデイタムの高さは、滑走路進入端の中心点から一五メートル(許容偏差は、上方へ三メートル)であること。
(十六)グライドパスを含む鉛直面におけるDDM又はその変化の割合は、次のとおりであること。
aDDMが〇・〇八七五である点は、次の範囲内に設定すること。
(一)カテゴリー一ILSのグライドスロープ装置にあつては、垂直角度がグライドパスと水平面とのなす角の角度(以下ハにおいて「θ」という。)の〇・八六倍から〇・九三倍までの間及びθの一・〇七倍から一・一四倍までの間
(二)カテゴリー二ILSのグライドスロープ装置にあつては、垂直角度がθの〇・八六倍から〇・九〇倍までの間及びθの一・〇七倍から一・一四倍までの間
(三)カテゴリー三ILSのグライドスロープ装置にあつては、垂直角度がθの〇・八六倍から〇・九〇倍までの間及びθの一・一〇倍から一・一四倍までの間
bグライドパスからその下方においてDDMが〇・二二に達する点の垂直角度までは、DDMは、垂直角度の減少に対しできるだけ一定の割合で増加すること。
cグライドパスの下方においてDDMが〇・二二である点の垂直角度は、θの〇・三倍以上であること。この場合において、DDMが〇・二二に達する点の垂直角度がθの〇・四五倍を超えるときは、その点の垂直角度から垂直角度がθの〇・四五倍までの間は、DDMは、〇・二二以上であること。
(十七)グライドパスの下方においてDDMが〇・〇八七五である点の垂直角度は、θから設定時のその点の垂直角度を減じて得た値に次の割合を乗じて得た値を超えて変動しないこと。
aカテゴリー一ILSのグライドスロープ装置にあつては、一〇〇分の二五
bカテゴリー二ILSのグライドスロープ装置にあつては、一〇〇分の二〇
cカテゴリー三ILSのグライドスロープ装置にあつては、一〇〇分の一五
(十八)送信装置は、随時切り換えて使用することができるように二組設備すること。
(十九)擬似空中線を設備すること。
(二十)予備自家発電装置を設備すること。
(二十一)監視装置を設備すること。
(二十二)監視装置は、次のいずれかの状態が発生した場合には、その状態が発生した時からカテゴリー一ILSのグライドスロープ装置にあつては六秒以内の、カテゴリー二ILS又はカテゴリー三ILSのグライドスロープ装置にあつては二秒以内のできるだけ短い時間内に、制御所にその旨を報知するとともに予備の送信装置に切り換えることができ、かつ、予備の送信装置の作動後においてもその状態が継続するときは、グライドスロープ装置からの電波の発射を停止することができるものであること。
aグライドパスと水平面とのなす角の角度が設定値の〇・九二五倍以上一・一〇倍以下の範囲を超えて変動したとき。
bグライドパスの下方においてDDMが〇・〇八七五である点の垂直角度が次に掲げる値を超えて変動したとき。
(一)カテゴリー一ILSのグライドスロープ装置にあつては、θの〇・〇三七五倍
(二)カテゴリー二ILS又はカテゴリー三ILSのグライドスロープ装置にあつては、θから設定時の当該点の垂直角度を減じて得た値に一〇〇分の二五を乗じて得た値
cグライドパスの定格通達範囲の下限でDDMが〇・一七五未満に低下したとき。
d一つの搬送波を放射するグライドスロープ装置にあつては(八)から(十四)までの基準に適合している場合において空中線電力が正常値の五〇パーセント未満に、二つの搬送波を放射するグライドスロープ装置にあつてはいずれかの搬送波について空中線電力が正常値の八〇パーセント((八)から(十四)までの基準に適合している場合においては正常値の五〇パーセント)未満に低下したとき。
e監視装置の監視機能が故障したとき。
ニマーカービーコン装置は、次の性能、構造等を有するものであること。
(一)ILSのコースに沿つて精密進入を行う航空機に対し、滑走路から特定の距離にある位置に到達したことを伝達するため、変調波により振幅変調された扇型垂直指向性電波を上方に発射するものであること。
(二)電波は、水平偏波で、できるだけ垂直偏波を含まないものであること。
(三)輻ふく射電界型は、その軸ができるだけ垂直であること。
(四)水平電界強度は、輻ふく射電界型の軸に対しできるだけ対称であること。
(五)空中線は、できるだけ次の地点に設置すること。
aアウタマーカーにあつては、滑走路進入端の側における滑走路の中心線の延長六・五キロメートル以上一一・一キロメートル以下(なるべく七・二キロメートル)の地点において滑走路の中心線の延長線と直角をなす直線上この点からの距離が七五メートル以下の地点
bミドルマーカーにあつては、滑走路進入端の側における滑走路の中心線の延長九〇〇メートル以上一、二〇〇メートル以下の地点において滑走路の中心線の延長線と直角をなす直線上この点からの距離が七五メートル以下の地点
cインナマーカーにあつては、滑走路進入端の側における滑走路の中心線の延長七五メートル以上四五〇メートル以下の地点において滑走路の中心線の延長線と直角をなす直線上この点からの距離が三〇メートル以下の地点
(六)定格輻ふく射範囲(グライドパス上において、当該施設から輻ふく射された電波の水平電界強度が毎メートル一・五ミリボルト以上である範囲をいう。(七)において同じ。)は、次のとおりであること。
aアウタマーカーにあつては、四〇〇メートル以上八〇〇メートル以下
bミドルマーカーにあつては、二〇〇メートル以上四〇〇メートル以下
cインナマーカーにあつては、一〇〇メートル以上二〇〇メートル以下
(七)定格輻ふく射範囲内における電波の水平電界強度の最大値は、毎メートル三・〇ミリボルト以上であること。
(八)変調波の周波数は、次のとおりであり、かつ、その偏差は二・五パーセントを超えないこと。
aアウタマーカーにあつては、四〇〇ヘルツ
bミドルマーカーにあつては、一、三〇〇ヘルツ
cインナマーカーにあつては、三、〇〇〇ヘルツ
(九)変調波の変調度は、九五パーセントであり、かつ、その偏差は四パーセントを超えないこと。
(十)変調波の高調波含有率は、一五パーセントを超えないこと。
(十一)識別符号の構成は、次のとおりであること。
aアウタマーカーにあつては、長線の連続
bミドルマーカーにあつては、長線と短線の交互した連続
cインナマーカーにあつては、短線の連続
(十二)識別符号を構成する長線の送信速度は、毎秒二回の速度であり、かつ、その偏差は一五パーセントを超えないこと。
(十三)識別符号を構成する短線の送信速度は、毎秒六回の速度であり、かつ、その偏差は一五パーセントを超えないこと。
(十四)送信装置は、随時切り換えて使用することができるように二組設備すること。
(十五)擬似空中線を設備すること。
(十六)予備自家発電装置を設備すること。
(十七)監視装置を設備すること。
(十八)監視装置は、次のいずれかの状態が発生した場合には、速やかに、制御所にその旨を報知するとともに予備の送信装置に切り換えることができ、かつ、予備の送信装置の作動後においてもその状態が継続するときは、マーカービーコン装置からの電波の発射を停止することができるものであること。
a変調波の変調度が(九)の基準に適合しなくなつたとき。
b空中線電力が五〇パーセントを超えて低下したとき。
c監視装置の監視機能が故障したとき。
七DMEにあつては、次の性能、構造等を有するものであること。
イ航行中の航空機に対し当該施設からの距離を提供するため、機上DME装置又は機上タカン装置から発射される質問信号に応じて応答信号を発射し、及び識別信号を発射するものであること。
ロ応答信号、識別信号及びランダムパルス対は、パルス対の電波であること。
ハパルスは、第五号ハに掲げる要件に適合するものであること。
ニパルス間隔は、Xチャンネルにあつては一二マイクロ秒、Yチャンネルにあつては三〇マイクロ秒であり、かつ、その偏差は〇・二五マイクロ秒を超えないこと。
ホ第一パルスの尖せん頭電力と第二パルスの尖せん頭電力との差は、一デシベル以下であること。
ヘ応答遅延時間は、五〇マイクロ秒であり、かつ、その偏差は一マイクロ秒を超えないこと。ただし、ILSの一部を構成するDMEにあつては、この限りでない。
ト応答信号のパルス対を毎秒二、七〇〇(許容偏差は九〇)発射することができるものであること。
チ応答信号のパルス対の発射数とランダムパルス対の発射数との合計は、毎秒七〇〇以上二、七九〇以下であること。
リ応答信号は、識別信号を発射中は、発射しないものであること。
ヌランダムパルス対は、応答信号又は識別信号を発射中は、発射しないものであること。
ル識別信号は、単一のパルス対又はパルス対間隔が九〇マイクロ秒以上一一〇マイクロ秒以下である対のパルス対により構成されるものであること。
ヲ識別信号のパルス対の発射数は、次のとおりであること。
(一)単一のパルス対により構成されている識別信号毎秒一、三五〇(許容偏差は一〇)
(二)対のパルス対により構成されている識別信号毎秒二、七〇〇(許容偏差は二〇)
ワヲ(一)に掲げる識別信号のパルス対相互の間隔及びヲ(二)に掲げる識別信号の対のパルス対相互の間隔は、できるだけ等しいこと。
カ識別符号の構成、送信速度及び送信回数は、第五号ノの基準に適合するものであること。
ヨ識別符号の送信に要する時間は、第五号オの基準に適合するものであること。
タVOR又はILSと組み合わされて使用されるDMEの識別符号は、四〇秒間を四以上に等分したうちの一期間において送信されるものであり、当該DMEと組み合わされたVOR又はILSの識別符号は、当該DMEの識別符号が送信されている期間以外の期間において送信されるものであること。
レ受信装置は、第五号マからキまでの基準に適合するものであること。
ソ空中線は、垂直偏波の電波を送受信するものであること。
ツVORと組み合わされて使用されるDMEの空中線は、VORの空中線部分の中心を含む鉛直線上に設置すること。ただし、これにより難い場合は、VORと組み合わされて主として航空機の進入又は待機の用に供されるDMEにあつてはVORの空中線部分の中心から三〇メートル(当該VORがドプラーVORである場合にあつては、八〇メートル)を、その他のDMEにあつてはVORの空中線部分の中心から六〇〇メートルを超えない距離にある場所に設置すること。
ネ送受信装置は、随時切り換えて使用することができるように二組設備すること。
ナ擬似空中線を設備すること。
ラ予備自家発電装置を設備すること。
ム監視装置を設備すること。
ウ監視装置は、次のいずれかの状態が四秒以上継続する場合には、その状態が発生した時から一〇秒以内のできるだけ短い時間内に、制御所にその旨を報知するとともに予備の送受信装置に切り換えることができ、かつ、予備の送受信装置の作動後においてもその状態が継続するときは、DMEからの電波の発射を停止することができるものであること。
(一)その尖せん頭電力が受信装置の最大感度に六デシベルを加えた電力である質問信号に対する応答遅延時間が、ヘの基準に適合しなくなつたとき。
(二)空中線電力が五〇パーセントを超えて低下したとき。
(三)監視装置の監視機能が故障したとき。
ヰ監視装置が監視のために発射するパルス対の数は、毎秒一二〇を超えないこと。
八衛星航法補助施設にあつては、次のイ又はロに掲げる施設の種類に応じ、それぞれ次のイ又はロに掲げる性能、構造等を有するものであること。
イ衛星経由送信型衛星航法補助施設
(一)航行中の航空機に対する補助信号(航空機の測位の用に供するための信号を送信する人工衛星(以下「測位衛星」という。)を利用して行われる航空機の測位を補助するための信号をいう。以下同じ。)の送信を地上から人工衛星を経由して行うものであること。
(二)(三)の表の水平精度及び垂直精度の欄に掲げる基準に適合しないときは、警報信号(航行中の航空機に対し、その旨を警報するための信号をいう。以下同じ。)を送信するものであること。
(三)次の表の上欄に掲げる区分に応じ、それぞれ同表下欄に掲げる基準に適合するものであること。
区分基準
水平精度垂直精度継続性可用性警報信号到達時間完全性
一 航空機の進入以外の航行の用に供する場合(次の項に掲げる場合を除く。)三・七キロメートル以下 〇・九九九九以上〇・九九以上五分以下〇・九九九九九九九以上
二 航空機の進入以外の航行(許容される航法精度が指定された経路又は空域におけるものに限る。)の用に供する場合〇・七四キロメートル以下 〇・九九九九以上〇・九九以上一五秒以下〇・九九九九九九九以上
三 計器飛行により降下することができる最低の高度が滑走路進入端を含む水平面の上方七五メートル以上に指定された空港等(進入復行を行う場合の最低の高度が滑走路進入端を含む水平面の上方七五メートル以上に指定されたものに限る。)への航空機の進入の用に供する場合二二〇メートル以下 〇・九九九九以上〇・九九以上一〇秒以下〇・九九九九九九九以上
四 計器飛行により降下することができる最低の高度が滑走路進入端を含む水平面の上方七五メートル以上に指定された空港等(三の項に規定するものを除く。)への航空機の進入の用に供する場合一六・〇メートル以下二〇メートル以下〇・九九九九九二以上〇・九九以上一〇秒以下〇・九九九九九九八以上
五 計器飛行により降下することができる最低の高度が滑走路進入端を含む水平面の上方六〇メートル以上七五メートル未満に指定された空港等への航空機の進入の用に供する場合一六・〇メートル以下六・〇メートル以下〇・九九九九九二以上〇・九九以上六秒以下〇・九九九九九九八以上
備考
一水平精度とは、補助信号を受信した航空機の測位の水平方向の精度をいう。
二垂直精度とは、補助信号を受信した航空機の測位の垂直方向の精度をいう。
三継続性とは、任意の一時間(この表の四の項及び五の項の上欄に掲げる場合にあつては、任意の一五秒)において常時この表の水平精度及び垂直精度の欄に掲げる基準に適合する確率をいう。
四可用性とは、運用時間のうちに、この表の水平精度及び垂直精度の欄に掲げる基準に適合する時間の占める割合をいう。
五警報信号到達時間とは、(二)に規定する状態が発生したときから警報信号が航空機に到達するまでに要する時間をいう。
六完全性とは、(九)に規定する状態が発生した場合に速やかに補助信号の送信を停止することができない事態が、任意の一時間(この表の四の項及び五の項の上欄に掲げる場合にあつては、航空機の任意の一回の進入に要する時間)において発生する確率を一から減じた確率をいう。
(四)計器飛行により降下する最低の高度が滑走路進入端を含む水平面の上方六〇メートル未満に指定された空港等への航空機の進入の用に供しないこと。
(五)送信装置は、随時切り換えて使用することができるように二組設備すること。
(六)擬似空中線を設備すること。
(七)予備自家発電装置を設備すること。
(八)監視装置を設備すること。
(九)監視装置は、次のいずれかの状態が発生した場合には、速やかに制御所にその旨を報知するとともに補助信号の送信を停止することができるものであること。
a(三)の表の警報信号到達時間の欄に掲げる基準に適合しないとき。
b電磁的干渉により測位衛星から送信される信号に障害を与えるおそれがあるとき。
c監視装置の監視機能が故障したとき。
ロ地上直接送信型衛星航法補助施設
(一)航行中の航空機に対する補助信号の送信を地上から直接行うものであること。
(二)イ(二)から(九)までの基準に適合するものであること。
(三)イ(三)の表の五の項の上欄に掲げる場合にあつては、精密進入を行う航空機に対する最終進入経路信号(最終進入の経路を提供するための信号をいう。)の送信を地上から直接行うものであること。
(四)電波は、水平偏波又は楕だ円偏波であること。
(五)イ(三)の表の四の項及び五の項の上欄に掲げる場合にあつては、通達範囲は、次の図に示すところによるものであること。
備考
一通達範囲は、斜線で示される部分とする。
二G点は、最終進入の経路と地表面との交点とする。
三θは、最終進入の経路と水平面とのなす角の角度とする。
(六)イ(三)の表の四の項及び五の項の上欄に掲げる場合にあつては、地上直接送信型衛星航法補助施設から送信された電波の電界強度は、(五)に規定する通達範囲内において、次の基準に適合すること。
a水平偏波にあつては、毎メートル二一五マイクロボルト以上〇・八七九ボルト以下であること。
b楕だ円偏波にあつては、水平成分について毎メートル二一五マイクロボルト以上〇・八七九ボルト以下、垂直成分について毎メートル一三六マイクロボルト以上〇・五五五ボルト以下であること。
2地形的理由その他のやむを得ない理由により前項の基準によることができない航空保安無線施設については、同項の基準にかかわらず、国土交通大臣が別に定める基準によることができる。

(工事完成検査の申請)

第百条法第四十二条第一項の規定により、航空保安無線施設の工事の完成検査を受けようとする者は、次に掲げる事項を記載した航空保安無線施設工事完成検査申請書を国土交通大臣に提出するものとする。
一氏名及び住所
二航空保安無線施設の名称及び所在地
三工事完成の年月日
2前項の規定は、法第四十三条第二項において準用する法第四十二条第一項の規定による航空保安無線施設の変更の工事の完成検査の申請について準用する。

(供用開始期日の届出)

第百一条法第四十二条第三項の規定により、航空保安無線施設の供用の開始期日の届出をしようとする者は、次に掲げる事項を記載した航空保安無線施設供用開始届出書を国土交通大臣に提出するものとする。
一氏名及び住所
二航空保安無線施設の名称及び所在地
三供用開始の期日
2前項の規定は、法第四十三条第二項及び法第四十五条第二項において準用する法第四十四条第五項において準用する法第四十二条第三項の規定により、変更又は休止をした航空保安無線施設の供用再開期日の届出について準用する。

(重要な変更)

第百二条法第四十三条第一項の規定による航空保安無線施設について許可を受けなければならない重要な変更は、左の通りとする。
一コースの方向の変更
二空中線系の設置位置の変更
三空中線系の構造の変更
四送受信設備の方式の変更
五送受信装置の構造及び回路の変更(周波数、空中線電力、識別符号の変更その他航空保安無線施設の電気的特性に影響を与える場合に限る。)
六送受信装置及び電源設備の増設

(変更の許可申請)

第百三条法第四十三条第二項において準用する法第三十八条第二項の規定により、航空保安無線施設の変更の許可を申請しようとする者は、左に掲げる事項を記載した航空保安無線施設変更許可申請書三通を国土交通大臣に提出するものとする。
一氏名及び住所
二航空保安無線施設の名称及び所在地
三変更しようとする事項(新旧対照を示す書類及び図面を添附すること。)
四変更に要する費用
五工事の着手及び完成の予定期日
六管理の計画に変更があるときは、変更後の管理の計画
七変更を必要とする理由
2前項の申請書には、左に掲げる書類を添附すること。
一変更に要する費用、土地及び物件の調達方法を記載した書類
二工事設計図書、工事予算書及び仕様書
三申請者が法人又は組合であるときは、変更に関する意思の決定を証する書類

(供用の休止又は廃止の届出)

第百四条法第四十五条第一項の規定により、航空保安無線施設の供用の休止又は廃止の届出をしようとする者は、次に掲げる事項を記載した航空保安無線施設休止(廃止)届出書を国土交通大臣に提出しなければならない。
一氏名及び住所
二航空保安無線施設の名称及び所在地
三廃止の届出の場合は、廃止の予定期日
四休止の届出の場合は、予定する休止の開始期日及び期間
五休止又は廃止を必要とする理由
2申請者が法人又は組合であるときは、前項の届出書に供用の休止又は廃止に関する意思の決定を証する書類を添附しなければならない。

(供用の再開検査申請)

第百五条法第四十五条第二項において準用する法第四十四条第四項の規定により、航空保安無線施設の供用の再開の検査を受けようとする者は、次に掲げる事項を記載した航空保安無線施設供用再開検査申請書を国土交通大臣に提出しなければならない。
一氏名及び住所
二航空保安無線施設の名称及び所在地
三供用再開の予定期日
2申請者が法人又は組合であるときは、前項の申請書に供用の再開に関する意思の決定を証する書類を添付しなければならない。

(供用開始の告示)

第百六条法第四十六条の規定により、航空保安無線施設の供用開始期日の届出があつた場合において告示しなければならない事項は、次のとおりとする。
一設置者の氏名及び住所
二航空保安無線施設の種類及び名称
三航空保安無線施設の位置及び所在地
四搬送周波数
五空中線電力
六コースの方向
七識別符号
八運用時間
九供用開始期日
十航空保安無線施設の利用上の特記事項
2前項の規定は、国土交通大臣が航空保安無線施設を設置する場合に準用する。

(変更、休止等の告示)

第百七条法第四十六条(法第五十五条の二第三項において準用する場合を含む。)の規定により、航空保安無線施設について告示した事項に変更があつた場合又は航空保安無線施設の供用の休止、再開若しくは廃止があつた場合において告示しなければならない事項は、前条第一項第一号から第三号までに掲げるもののほか、次のとおりとする。
一告示した事項に変更があつた場合は、変更した事項
二休止の場合は、予定する休止の開始期日及び期間
三再開又は廃止の場合は、その予定期日

(航空保安無線施設の機能の確保に関する基準)

第百八条法第四十七条第一項(法第五十五条の二第三項において準用する場合を含む。)の国土交通省令で定める航空保安無線施設の機能の確保に関する基準は、次のとおりとする。
一所定の運用時間中当該施設の運用を確実に維持すること。
二航空保安無線施設の改修、清掃等を行うことにより、これを完全な状態において保持すること。
三法第五十三条に規定する禁止行為を公衆の見やすいように掲示すること。
四建築物、植物その他の物件により航空保安無線施設の機能を損なうこととなるときは、直ちに当該物件の除去等必要な措置を講ずること。
五やむを得ない事由により、航空保安無線施設の運用を停止し、又は定格通達距離及びコースの変更、識別符号送信の不良その他航空保安無線施設の機能を損なうこととなつた場合及び当該航空保安無線施設の運用又は機能が復旧した場合に必要となる国土交通大臣との連絡体制を整備すること。
六自然災害その他の事象により、航空保安無線施設の運用に支障を生じたときは、直ちにその復旧に努めるとともに、その運用をできるだけ継続する等航空の危害予防のため適当な措置を講ずること。
七航空保安無線施設につき改修その他の工事を行うときは、航空機の航行を阻害しないように適当な措置を講ずること。
八航空保安無線施設には、予備品として、送受信装置の回路を構成する部品のうち交換単位部品について、現用数の三分の一を確保しておくこと。
九航空保安無線施設の管理者は、当該施設に業務日誌を備え付け、次に掲げる事項を記録し、これを一年間保存すること。
イ監視装置等により監視した結果(記録回数は、少なくとも一日一回)及びその日時
ロ当該施設について運用の停止その他の事故があつた時は、その日時、原因及びこれに対する措置
ハ国土交通大臣に対する通報事項及びその日時
ニその他参考となる事項

(使用料金の届出)

第百九条法第五十四条第一項の規定により、公共の用に供する航空保安無線施設の使用料金の設定又は変更の届出をしようとする者は、次に掲げる事項を記載した航空保安無線施設使用料金設定(変更)届出書を国土交通大臣に提出しなければならない。
一氏名及び住所
二航空保安無線施設の名称及び所在地
三設定し、又は変更しようとする使用料金の種類及び額(変更の届出の場合は、新旧の対照を明示すること。)
四実施予定日
五変更の届出の場合は、変更を必要とする理由
2前項の届出書には、使用料金の算出の基礎を記載した書類を添付しなければならない。

(航空保安無線施設の設置者の地位の承継の許可申請)

第百十条法第五十五条第一項の規定による航空保安無線施設の設置者の地位の承継の許可を受けようとする者は、次に掲げる事項を記載した航空保安無線施設設置者地位承継許可申請書を国土交通大臣に提出するものとする。
一承継人の氏名及び住所
二被承継人の氏名及び住所
三航空保安無線施設の名称及び所在地
四承継の条件
五承継をしようとする時期
六承継を必要とする理由
2前項の申請書には、左に掲げる書類を添附するものとする。
一承継の条件を証する書類
二法人又は組合にあつては、承継に関する意思の決定を証する書類
三承継人が当該航空保安無線施設を管理するに足りる能力を有する者であることを証する書類

(相続による航空保安無線施設の設置者の地位の承継の届出)

第百十一条法第五十五条第四項の規定による航空保安無線施設の設置者の地位の承継の届出をしようとする相続人は、次に掲げる事項を記載した航空保安無線施設設置者相続届出書を国土交通大臣に提出するものとする。
一届出者の氏名及び住所
二被相続人の氏名及び住所並びに被相続人との続柄
三航空保安無線施設の名称及び所在地
四相続開始の期日
2前項の届出書には、次に掲げる書類を添付するものとする。
一届出者と被相続人との続柄を証する書類
二届出者以外に相続人があるときは、その者の氏名及び住所を記載した書類並びに当該届出に対するその者の同意書
第百十二条削除

第三節 航空灯火

(航空灯台の種類)

第百十三条第四条第一号の航空灯台の種類は、左の四種とする。
一航空路灯台(航行中の航空機に航空路上の一点を示すために設置する灯火)
二地標航空灯台(航行中の航空機に特定の一点を示すために設置する灯火)
三危険航空灯台(航行中の航空機に特に危険を及ぼすおそれのある区域を示すために設置する灯火)

(飛行場灯火)

第百十四条第四条第二号の飛行場灯火の種類は、次のとおりとする。
一飛行場灯台(航行中の航空機に空港等の位置を示すために空港等又はその周辺の地域に設置する灯火で補助飛行場灯台以外のもの)
二補助飛行場灯台(航行中の航空機に空港等の位置を示すためにモールス符号をもつて明滅する灯火)
三進入灯(着陸しようとする航空機にその最終進入の径路を示すために進入区域内及び着陸帯内に設置する灯火)
四進入角指示灯(着陸しようとする航空機にその着陸の進入角の良否を示すために陸上空港等にあつては滑走路進入端付近に、陸上ヘリポートにあつては着陸区域付近に設置する灯火)
五旋回灯(滞空旋回中の航空機に滑走路の位置を示すために滑走路の外側に設置する灯火で滑走路の外側上方に灯光を発するもの)
六進入灯台(着陸しようとする航空機に進入区域内の要点を示すために設置する灯火で進入灯以外のもの)
七進入路指示灯(離陸した航空機にその離陸後の飛行の経路を、又は着陸しようとする航空機にその最終進入の経路に至るまでの進入の経路を示すために設置する灯火)
八滑走路灯(離陸し、又は着陸しようとする航空機に滑走路を示すためにその両側に設置する灯火で非常用滑走路灯以外のもの)
九滑走路末端灯(離陸し、又は着陸しようとする航空機に滑走路の末端を示すために滑走路進入端及び滑走路終端に設置する灯火で非常用滑走路灯以外のもの)
十滑走路末端補助灯(滑走路末端灯の機能を補助するためにその附近に設置する灯火)
十一滑走路末端識別灯(着陸しようとする航空機に滑走路進入端の位置を示すために滑走路進入端附近に設置する灯火であつて滑走路末端補助灯以外のもの)
十二滑走路中心線灯(離陸し、又は着陸しようとする航空機に滑走路の中心線を示すためにその中心線に設置する灯火)
十三接地帯灯(着陸しようとする航空機に接地帯を示すために接地帯内に設置する灯火)
十四滑走路距離灯(滑走路を走行中の航空機に滑走路終端からの距離を示すために設置する灯火)
十五過走帯灯(離陸し、又は着陸しようとする航空機に過走帯を示すためにその周辺に設置する灯火)
十五の二離陸待機警告灯(離陸しようとする航空機に他の航空機による滑走路の使用を示すために設置する灯火)
十六離陸目標灯(離陸しようとする航空機に離陸の方向を示すために目標として設置する灯火)
十七非常用滑走路灯(滑走路灯及び滑走路末端灯が故障した場合に応急的に使用する運搬可能な灯火)
十八着水路灯(水上空港等において着陸帯を示すためにその片側又は両側に配置する灯火)
十九着水路末端灯(水上空港等において着陸帯の末端を示すためにその両末端に配置する灯火)
二十誘導路灯(地上走行中の航空機に誘導路(転回区域(航空機が滑走路終端付近で転回するために滑走路に接して設けられる区域をいう。以下同じ。)を除く。以下この節において同じ。)及びエプロンの縁を示すために設置する灯火)
二十一誘導路中心線灯(地上走行中の航空機に誘導路の中心線及び滑走路又はエプロンへの出入経路を示すために誘導路の中心線及び滑走路又はエプロンへの出入経路に設置する灯火)
二十一の二高速離脱用誘導路指示灯(滑走路を走行中の航空機に高速離脱用誘導路への出入経路と滑走路中心線との接続点までの距離を示すために設置する灯火)
二十一の三航空機接近警告灯(地上走行中の航空機に滑走路に入る前に当該滑走路から離陸し、又は当該滑走路に着陸しようとする他の航空機の接近を示すために設置する灯火)
二十一の四停止線灯(地上走行中の航空機に一時停止の要否及び一時停止すべき位置を示すために設置する灯火)
二十一の五滑走路警戒灯(地上走行中の航空機に滑走路に入る前に一時停止すべき位置を示すために設置する灯火)
二十一の六中間待機位置灯(地上走行中の航空機に一時停止すべき位置を示すために設置する灯火であつて停止線灯及び滑走路警戒灯以外のもの)
二十二誘導案内灯(地上走行中の航空機に行先、経路、分岐点等を示すために設置する灯火)
二十二の二転回灯(地上走行中の航空機に転回区域における転回経路を示すために転回区域の周辺に設置する灯火)
二十二の三駐機位置指示灯(地上走行中の航空機にエプロンにおける駐機位置への走行経路からの偏差及び駐機位置までの距離を示すために設置する灯火)
二十三誘導水路灯(航空機に誘導水路を示すために配置する灯火)
二十四着陸方向指示灯(着陸しようとする航空機に着陸の方向を示すためにT型又は四面体の形象物に設置する灯火)
二十五風向灯(航空機に風向を示すために設置する灯火)
二十六指向信号灯(航空交通の安全のため航空機等に必要な信号を送るために設置する灯火)
二十七禁止区域灯(航空機に空港等内の使用禁止区域を示すために設置する灯火)
二十八着陸区域照明灯(着陸区域を照明するために設置する灯火)
二十九境界灯(離陸し、又は着陸しようとする航空機に離陸及び着陸に可能な区域を示すためにその周囲に設置する灯火)
三十水上境界灯(離水し、又は着水しようとする航空機に航空機の離水及び着水の可能な区域を示すためにその周囲に設置する灯火)
三十一境界誘導灯(離陸し、又は着陸しようとする航空機に離陸及び着陸に適する方向を示すために境界灯に併列して設置する灯火)
三十二水上境界誘導灯(水上境界灯に併列して航空機の離水及び着水に適する方向を示すために特に色別して配置する灯火)

(設置許可の申請)

第百十五条法第三十八条第二項の規定により、航空灯火の設置の許可を申請しようとする者は、左に掲げる事項を記載した航空灯火設置許可申請書三通を国土交通大臣に提出するものとする。
一設置の目的
二氏名及び住所
三航空灯火の種類及び名称
四航空灯火の位置及び所在地
五航空灯火の設置予定地の所有者の氏名及び住所
六施設の概要
七管理の計画
八設置及び管理に要する費用
九工事の着手及び完成の予定期日
2前項の申請書には、第七十六条第二項第一号から第三号まで及び第八号から第十一号までに掲げる書類を添えなければならない。
第百十六条法第三十九条第一項(法第四十三条第二項において準用する場合を含む。)に規定する航空灯台の位置、構造等の設置の基準は、種類別に次のとおりとする。
一航空路灯台
イ航空路内でその中心線に近接した場所に、光源の中心を含む水平面から上方のすべての方向から見えるように設置すること。
ロ灯光は、航空白と航空赤の閃せん交光であること。
ハ一分間の閃せん光回数は、十二から二十までであること。
ニ実効光度は、白色光では十五万カンデラ以上、赤色光では二万三千カンデラ以上であること。
二地標航空灯台
イ閃せん光によるもの
(一)灯光の色は、航空白であること。
(二)一分間の閃せん光回数は、十二から百までであること。
(三)実効光度は、八千カンデラ以上であること。
ロモールス符号によるもの
(一)信号は、国際モールス符号によるものであること。
(二)発信速度は、一分間に六語から八語までのものであり、かつ、短点の継続時間は、一秒から〇・一五秒までのものであること。
(三)灯光の色は、航空路灯台と併置する場合は航空白又は航空赤、その他の場合は航空白であること。
(四)最大光度は二千カンデラ以上であること。
(五)すべての方位角に対し、水平面からその上方四十五度まで灯光を発するものであること。
三危険航空灯台
イ航空障害灯による障害標示が不適当であるような障害物があり、又は航空機の航行に特に危険を及ぼすおそれがある場所に設置すること。
ロ灯光は、航空赤の閃せん光であること。
ハ一分間の閃せん光回数は、二十から六十までであること。
ニ実効光度は、三千カンデラ以上であること。
ホすべての方位角に対し、水平面下五度から上方のすべての方向に灯光を発するものであること。

(飛行場灯火の設置基準)

第百十七条法第三十九条第一項(法第四十三条第二項において準用する場合を含む。)に規定する飛行場灯火の位置、構造等の設置の基準は、次のとおりとする。
一夜間着陸又は精密進入を行う計器着陸の用に供する陸上空港等及び陸上ヘリポートの飛行場灯火は、空港等及び滑走路の区分ごとに第一表から第三表までに定めるところにより設置するものであること。
第一表 陸上空港等の飛行場灯火
飛行場灯台○
補助飛行場灯台×
誘導路灯○
誘導路中心線灯×
高速離脱用誘導路指示灯×
航空機接近警告灯×
停止線灯×
滑走路警戒灯×
中間待機位置灯×
誘導案内灯×
転回灯×
駐機位置指示灯×
着陸方向指示灯×
風向灯○
指向信号灯×
禁止区域灯×
備考
○印設置を必要とする灯火
×印当該空港等の立地条件等の観点から航空機の離陸又は着陸の安全を確保するため必要と認められる場合に設置する灯火
第二表 陸上空港等の飛行場灯火
 精密進入を行う計器着陸用滑走路夜間着陸用滑走路
カテゴリー一精密進入用滑走路カテゴリー二精密進入用滑走路及びカテゴリー三精密進入用滑走路
進入灯○○×
進入角指示灯○○×
旋回灯×××
進入灯台×××
進入路指示灯×××
滑走路灯○○○
滑走路末端灯○○○
滑走路末端補助灯×××
滑走路末端識別灯×××
滑走路中心線灯×○×
接地帯灯×○ 
滑走路距離灯×××
過走帯灯×××
離陸待機警告灯×××
離陸目標灯×××
非常用滑走路灯×××
備考
一
○印設置を必要とする灯火
×印当該空港等の立地条件等の観点から航空機の離陸又は着陸の安全を確保するため必要と認められる場合に設置する灯火
二カテゴリー一精密進入とは、進入限界高度(滑走路進入端を含む水平面からの、計器飛行により降下することができる最低の高度をいう。以下同じ。)が六十メートル以上であり、かつ、滑走路視距離(滑走路中心線上にある航空機から、滑走路標識又は滑走路灯若しくは滑走路中心線灯を視認することができる最大距離をいう。以下同じ。)が五百五十メートル以上であるか又は視程が八百メートル以上である場合における精密進入をいう。以下同じ。
三カテゴリー二精密進入とは、進入限界高度が三十メートル以上六十メートル未満であり、かつ、滑走路視距離が三百メートル以上である場合における精密進入をいう。以下同じ。
四カテゴリー三精密進入とは、進入限界高度が三十メートル未満であるか又は設定されておらず、かつ、滑走路視距離が五十メートル以上である場合における精密進入をいう。以下同じ。
第三表 陸上ヘリポートの飛行場灯火
飛行場灯台×
補助飛行場灯台×
進入角指示灯×
誘導路灯×
風向灯○
指向信号灯×
禁止区域灯×
着陸区域照明灯×
境界灯○
境界誘導灯×
備考
○印設置を必要とする灯火
×印当該空港等の立地条件等の観点から航空機の離陸又は着陸の安全を確保するため必要と認められる場合に設置する灯火
一の二夜間着陸又は精密進入を行う計器着陸の用に供する陸上空港等以外の陸上空港等の飛行場灯火は、当該空港等の立地条件等の観点から航空機の着陸の安全を確保するため必要と認められる場合には、進入角指示灯及び滑走路末端識別灯を設置するものであること。
二夜間着陸又は精密進入を行う計器着陸の用に供する水上空港等及び水上ヘリポートに設置する飛行場灯火は、次の表に定めるところにより設置するものであること。
 広範囲な着水帯を有する空港等その他の空港等
飛行場灯台○○
補助飛行場灯台××
着水路灯 ○
着水路末端灯 ○
誘導水路灯 ×
着陸方向指示灯××
風向灯○○
指向信号灯××
禁止区域灯××
水上境界灯○ 
水上境界誘導灯○ 
備考
○印設置を必要とする灯火
×印当該空港等の立地条件等の観点から航空機の離陸又は着陸の安全を確保するため必要と認められる場合に設置を必要とする灯火
三飛行場灯火は、灯火別に次の位置、性能、構造等を有するものであること。
イ飛行場灯台
(一)空港等又はその周辺の地域内で、光柱が離陸又は着陸をする航空機及び管制塔の妨害とならない位置に、当該灯火が光源の中心を含む水平面から上方のすべての方向から見えるように設置すること。
(二)(一)の位置に設置することが困難である場合には、その位置に補助飛行場灯台を設置し、当該飛行場灯台をその他の適当な場所に設置すること。
(三)灯光は、陸上空港等にあつては航空白と航空緑の閃せん交光又は航空白の閃せん光、水上空港等にあつては航空白と航空黄の閃せん交光又は航空白の閃せん光、ヘリポートにあつては航空白の閃光であること。
(四)次に掲げるところにより閃光するものであること。
a陸上空港等又は水上空港等にあつては、一分間の閃光回数が二十から三十までであること。
bヘリポートにあつては、〇・八秒の間に〇・五ミリ秒以上二ミリ秒以下の閃光を等間隔に四回発し、一・二秒間休止するものであること。
(五)実効光度は、陸上空港等又は水上空港等にあつては二千カンデラ以上であり、ヘリポートにあつては二千五百カンデラ以上であること。
ロ補助飛行場灯台
(一)イ(二)により設置するもの又は隣接して他の空港等がある場合に当該空港等の同一性を確認するためイ(一)の位置に設置するものであること。
(二)灯光の色は、陸上空港等用のものは航空緑、水上空港等用のものは航空黄であること。
(三)第百十六条第二号ロ((三)を除く。)に掲げる性能を有するものであること。
ハ進入灯
(一)標準式進入灯又は簡易式進入灯のいずれかによること。ただし、精密進入を行う計器着陸用滑走路に係るものにあつては、標準式進入灯によらなければならない。
(二)標準式進入灯
a灯器は、次のA図又はB図に示す位置に設置すること。ただし、カテゴリー二精密進入用滑走路及びカテゴリー三精密進入用滑走路に係るものにあつては、滑走路進入端から三百メートルまでの部分に限りC図に示す位置に設置すること。
A図
B図
C図
備考
一アプローチセンターラインとは、滑走路(着陸に使用できる部分に限る。)の中心線の延長線(以下「滑走路中心線の延長線」という。)上に単一若しくは二個の灯器又はバレット(三個以上の灯器を着陸しようとする航空機から見て横並びとなるように近接して設置した灯器群をいう。以下同じ。)を配置した灯列をいう。以下同じ。
二サイドバレットとは、滑走路進入端から二百七十メートルまでの間において、アプローチセンターラインの両側にバレットを滑走路中心線の延長線に対し対称に配置した灯列をいう。以下同じ。
三クロスバーとは、滑走路進入端から所定の距離の位置において滑走路中心線の延長線と直交する直線上に灯器を配置した灯列(アプローチセンターライン及びサイドバレットを除く。)をいう。以下同じ。
baの灯器のほか、滑走路進入端から滑走路中心線の延長線上六十メートルから四百二十メートル以上九百メートル以下までの間に設けるaの灯器に附加して閃せん光灯を設置することができる。
c灯光は、aのうちアプローチセンターライン及びクロスバーにあつては航空可変白の、サイドバレットにあつては航空赤の不動光であり、bにあつては航空白の閃せん光であること。
daにあつては、精密進入用のものの光柱は、着陸しようとする航空機から次の表の上欄に掲げる区分に応じ、それぞれ最小限同表下欄に掲げる範囲で見えるものであり、かつ、滑走路中心線の延長線に直交する鉛直面における光柱の断面は、楕円形であること。
区分光柱の範囲
構成灯火灯器位置
アプローチセンターライン及びクロスバー滑走路進入端から三百十五メートルまでの間方位角において、光源の中心を含み、かつ、滑走路中心線を含む鉛直面又は滑走路中心線に平行な鉛直面から左右それぞれ十度までの範囲及び光源の中心を含む水平面から上方十一度までの範囲
滑走路進入端から三百十五メートルを超え四百七十五メートルまでの間方位角において、光源の中心を含み、かつ、滑走路中心線を含む鉛直面又は滑走路中心線に平行な鉛直面から左右それぞれ十度までの範囲及び光源の中心を含む水平面の上方〇・五度から十一・五度までの範囲
滑走路進入端から四百七十五メートルを超え六百四十メートルまでの間方位角において、光源の中心を含み、かつ、滑走路中心線を含む鉛直面又は滑走路中心線に平行な鉛直面から左右それぞれ十度までの範囲及び光源の中心を含む水平面の上方一・五度から十二・五度までの範囲
滑走路進入端から六百四十メートルを超え九百メートルまでの間方位角において、光源の中心を含み、かつ、滑走路中心線を含む鉛直面又は滑走路中心線に平行な鉛直面から左右それぞれ十度までの範囲(滑走路中心線の延長線から二十二・五メートルを超える部分のクロスバーにあつては、滑走路中心線側へ十二度まで及びその反対側へ八度までの範囲)及び光源の中心を含む水平面の上方二・五度から十三・五度までの範囲
サイドバレット滑走路進入端から百十五メートルまでの間方位角において、光源の中心を含み、かつ、滑走路中心線に平行な鉛直面から滑走路中心線側へ九度まで及びその反対側へ五度までの範囲並びに光源の中心を含む水平面の上方〇・五度から十・五度までの範囲
滑走路進入端から百十五メートルを超え二百十五メートルまでの間方位角において、光源の中心を含み、かつ、滑走路中心線に平行な鉛直面から滑走路中心線側へ九度まで及びその反対側へ五度までの範囲並びに光源の中心を含む水平面の上方一度から十一度までの範囲
滑走路進入端から二百十五メートルを超え二百七十メートルまでの間方位角において、光源の中心を含み、かつ、滑走路中心線に平行な鉛直面から滑走路中心線側へ九度まで及びその反対側へ五度までの範囲並びに光源の中心を含む水平面の上方一・五度から十一・五度までの範囲
eaの光柱光度は、精密進入用のもののアプローチセンターライン及びクロスバーにあつては二万カンデラ以上、サイドバレットにあつては五千カンデラ以上であり、その他のものにあつては二千カンデラ以上であり、bの実効光度は五千カンデラ以上であること。
f配光は、航空機にまぶしさを与えないものであること。
g灯器は、埋込み式のものにあつてはその上を航空機の車輪が通過してもそれに耐える構造のものであり、かつ、航空機の離着陸に支障のないものであり、その他のものにあつては航空機が接触したときこれに障害を与えず、かつ、他の灯火の機能を損なうおそれのないものであること。
h閃せん光は、進入する方向から滑走路進入端に向つて順次発するもので、閃せん光回数は一秒間に二回であること。
i光度を速やかに制御できる装置(以下「制御装置」という。)を設備すること。
j灯火の運用状況を監視し、及び運用に支障を生じたときはその旨を制御所に報知することができる装置(以下「監視装置」という。)を設備すること。
k予備電源設備を有すること。
(三)簡易式進入灯
a灯器は、次により設置すること。
(一)滑走路進入端から滑走路中心線の延長線上四百二十メートル以上九百メートル以下までの間で約六十メートルの間隔を置いた地点に各一個設置すること。
(二)(一)の地点のうち滑走路進入端から五番目の地点(以下(二)及び(三)において「直交点」という。)で滑走路中心線の延長線と直交する長さ約三十メートルの直線でその中心が直交点と一致するものの上の、直交点を中心に四メートルの部分に滑走路中心線の延長線に対し対称、かつ、ほぼ等間隔に二個又は四個、直交点から四・五メートル以上六メートル以下以遠の部分に滑走路中心線の延長線に対し対称に、〇・九メートル以上三・六メートル以下のほぼ等間隔に設置すること。
(三)(一)の地点(直交点を除く。)で滑走路中心線の延長線に直交する長さ約四メートルの直線でその中心がその交点と一致するものの上に滑走路中心線の延長線に対し対称、かつ、ほぼ等間隔に二個又は四個設置することができる。ただし、(二)において直交点を中心に滑走路中心線の延長線に直交する長さ約三十メートルの直線上直交点を中心に四メートルの部分に設置する灯数と同数であること。
b灯光は、航空赤、航空黄、航空白又は航空可変白の不動光であること。
c進入しつつある航空機の方向に対する光度は、五百カンデラ以上であること。
d配光は、航空機にまぶしさを与えないものであること。
e灯器は、埋込み式のものにあつてはその上を航空機の車輪が通過してもそれに耐える構造のものであり、かつ、航空機の離着陸に支障のないものであり、その他のものにあつては航空機が接触したときこれに障害を与えず、かつ、他の灯火の機能を損なうおそれのないものであること。
f制御装置を設備すること。
g監視装置を設備すること。
h予備電源設備を有すること。
ニ進入角指示灯
(一)灯器は、次に掲げる設置基準によること。
aコード番号が一又は二の陸上空港等にあつては、PAPI方式による灯器の設置基準又はAPAPI方式による灯器の設置基準のいずれか
bコード番号が三又は四の陸上空港等にあつては、PAPI方式による灯器の設置基準
c陸上ヘリポートにあつては、PAPI方式による灯器の設置基準、APAPI方式による灯器の設置基準又はHAPI方式による灯器の設置基準のいずれか
(二)PAPI方式による灯器の設置基準
a第一図に示す位置に、着陸しようとする航空機から見て左側に四個設置すること。ただし、陸上空港等にあつては、当該空港等に進入灯が設置されていない場合等必要と認められる場合には、第二図に示す位置に、滑走路中心線に対し対称となるように八個設置すること。
第1図
第2図
b各灯器は、上層が航空白又は航空可変白、下層が航空赤の光柱を航空機の進入してくる方向に対し第三図に示す角度で出すものであること。
第3図
備考
角度aから角度dまでは、灯器Aから灯器Dまでの光柱の上層と下層との境界面と水平面とのなす角の角度とする。
c各灯器の光柱光度は、光柱の上層と下層との境界面と光源の中心を含み滑走路中心線に平行な鉛直面の交線を軸とし光源の中心を頂点とする頂角が四度である円錐内では、下層が一万五千カンデラ以上で上層が下層の光度の二倍以上六・五倍以下であり、かつ、当該交線を軸とし光源の中心を頂点とする頂角が七度である円錐を、光柱の上層と下層との境界面に沿つて当該頂点を支点として左右にそれぞれ四・五度回転させた場合における軌跡に相当する空間内では、下層が四千カンデラ以上で上層が下層の光度の二倍以上六・五倍以下であること。
d配光は、航空機にまぶしさを与えないものであること。
e灯器は、航空機が接触したときこれに障害を与えず、かつ、他の灯火の機能を損なうおそれのないものであること。
f制御装置を設備すること。
g陸上空港等にあつては、監視装置を設備すること。
h陸上空港等にあつては、予備電源設備を有すること。
(三)APAPI方式による灯器の設置基準
a第四図に示す位置に、着陸しようとする航空機から見て左側に二個設置すること。ただし、陸上空港等にあつては、当該空港等に進入灯が設置されていない場合等必要と認められる場合には、第五図に示す位置に、滑走路中心線に対し対称となるように四個設置すること。
第4図
第5図
b各灯器は、上層が航空白又は航空可変白、下層が航空赤の光柱を航空機の進入してくる方向に対し第六図に示す角度で出すものであること。
第6図
備考
角度e及び角度fは、灯器E及び灯器Fの光柱の上層と下層との境界面と水平面とのなす角の角度とする。
c各灯器の光柱光度は、光柱の上層と下層との境界面と光源の中心を含み滑走路中心線に平行な鉛直面の交線を軸とし光源の中心を頂点とする頂角が四度である円錐内では、下層が五千カンデラ以上で上層が下層の光度の二倍以上六・五倍以下であり、かつ、当該交線を軸とし光源の中心を頂点とする頂角が七度である円錐を、光柱の上層と下層との境界面に沿つて当該頂点を支点として左右にそれぞれ四・五度回転させた場合における軌跡に相当する空間内では、下層が千五百カンデラ以上で上層が下層の光度の二倍以上六・五倍以下であること。
d(二)d、e及びfに掲げる基準に適合するものであること。
e陸上空港等にあつては、(二)g及びhに掲げる基準に適合するものであること。
(四)HAPI方式による灯器の設置基準
a灯器は、着陸区域の周辺であつて航空機の航行に障害とならない場所に設置すること。
b灯器は、航空緑の明滅、航空緑の不動光、航空赤の不動光及び航空赤の明滅を航空機の進入してくる方向に対し第七図に示す角度で出すものであること。
第7図
c明滅の一分間の明滅回数は、百二十以上であること。
d不動光の光度及び明滅の最大光度は、方位角において、光源の中心を含み、離陸若しくは着陸の経路を含む鉛直面又は当該経路に平行な鉛直面から左右それぞれ三度までの範囲及び航空緑と航空赤との境界面の上下それぞれ二度までの範囲では九千カンデラ以上、方位角において、光源の中心を含み、離陸若しくは着陸の経路を含む鉛直面又は当該経路に平行な鉛直面から左右それぞれ十五度までの範囲及び航空緑と航空赤との境界面の上下それぞれ十度までの範囲では三百七十五カンデラ以上であり、かつ、離陸若しくは着陸の経路を含む鉛直面又は当該経路に平行な鉛直面と航空緑と航空赤との境界面の交線に直交する平面における光柱の断面は、楕円形であること。
e(二)d、e及びfに掲げる基準に適合するものであること。
ホ旋回灯
(一)灯器は、滑走路灯列の旋回進入を行う側の外側の滑走路中心線に平行な直線上三百メートル以下のほぼ等間隔を置いた地点に設置すること。
(二)灯光は、航空白、航空可変白又は航空黄の不動光であること。
(三)航空機の旋回経路の方向に対する最大光度は、二千カンデラ以上であること。
(四)灯器は、航空機が接触したときこれに障害を与えないものであること。
ヘ進入灯台
(一)灯器は、滑走路進入端から滑走路中心線の延長線上約六百メートルの地点及び約九百メートルの地点に設置すること。ただし、進入灯が設置されていない場合には、滑走路進入端から滑走路中心線の延長線上約三百メートルの地点にも設置すること。
(二)灯光は、航空白の閃せん光であること。
(三)一分間の閃せん光回数は、六十であること。
(四)配光は、航空機にまぶしさを与えないものであること。
ト進入路指示灯
(一)灯光は、航空白又は航空黄の閃せん光又は不動光であること。
(二)閃せん光回数は、一秒間に二回であること。
(三)光度は、閃せん光にあつては実効光度が五千カンデラ以上、不動光にあつては一万カンデラ以上であること。
チ滑走路灯
(一)計器着陸用滑走路に係るものにあつては高光度式滑走路灯、その他のものにあつては低光度式滑走路灯によること。
(二)高光度式滑走路灯
a灯器は、滑走路の両側又はその外方三メートル以下の位置の滑走路中心線に平行な二直線上に六十メートル以下のほぼ等間隔に、かつ、滑走路中心線に対しできるだけ対称となるように設置すること。
b灯光は、航空可変白の不動光であること。ただし、着陸しようとする航空機から見て、滑走路進入端の手前にあるものにあつては航空赤の、滑走路終端から滑走路の全長の三分の一又は六百メートルのいずれか短い長さの範囲内にあるものにあつては航空黄の不動光であること。
c精密進入用のものの光柱は、着陸しようとする航空機から次の表の上欄に掲げる滑走路灯列の間隔に応じ、それぞれ最小限同表下欄に掲げる範囲で見えるものであり、滑走路灯列線の延長線に直交する鉛直面における光柱の断面は、楕円形であつて、かつ、埋込み式の滑走路灯以外のものにあつては、灯光が光源の中心を含む水平面からその上方最小限十五度までのすべての角度及びすべての方向から見えるものであること。
滑走路灯列の間隔光柱の範囲
六十メートル以上方位角において、滑走路灯列線を含む鉛直面から滑走路中心線側へ十一度まで及びその反対側へ二度までの範囲並びに光源の中心を含む水平面から上方七度までの範囲
六十メートル未満方位角において、滑走路灯列線を含む鉛直面から滑走路中心線側へ九度まで及びその反対側へ二度までの範囲並びに光源の中心を含む水平面から上方七度までの範囲
d光柱光度は、精密進入用のものにあつては一万カンデラ以上、その他のものにあつては千カンデラ以上であること。ただし、航空赤の灯光にあつてはその十五パーセント以上、航空黄の灯光にあつてはその四十パーセント以上であること。
e配光は、航空機にまぶしさを与えないものであること。
f灯器は、埋込み式のものにあつてはその上を航空機の車輪が通過してもそれに耐える構造のものであり、かつ、航空機の離着陸に支障のないものであり、その他のものにあつては航空機が接触したときこれに障害を与えず、かつ、他の灯火の機能を損なうおそれのないものであること。
g灯器の高さは、地表面から六十センチメートルを超えないものであること。
h制御装置を設備すること。
i監視装置を設備すること。
j予備電源設備を有すること。
(三)低光度式滑走路灯
a灯器は、滑走路の両側又はその外方三メートル以下の位置の滑走路中心線に平行な二直線上に百メートル以下のほぼ等間隔に、かつ、滑走路中心線に対しできるだけ対称となるように設置すること。
b灯光は、航空白又は航空可変白の不動光で、光源の中心を含む水平面からその上方最小限十五度までのすべての角度及びすべての方向から見えるものであること。
c進入しつつある航空機の方向に対する光度は、五十カンデラ以上であること。
d航空機が接触したときこれに障害を与えず、かつ、他の灯火の機能を損なうおそれのないものであること。
e(二)e、g及びjに掲げる基準に適合するものであること。
リ滑走路末端灯
(一)計器着陸用滑走路に係るものにあつては高光度式滑走路末端灯、その他のものにあつては低光度式滑走路末端灯によること。
(二)高光度式滑走路末端灯
a灯器は、滑走路進入端から進入区域側及び滑走路終端から滑走路中心線の延長線側へ三メートル以下の位置で滑走路中心線の延長線と直交する直線上滑走路灯列線又はその延長線と交わる二地点間に次のいずれかにより設置すること。ただし、カテゴリー二精密進入用滑走路及びカテゴリー三精密進入用滑走路に係るものにあつては、(一)のただし書の規定により設置すること。
(一)滑走路中心線の延長線に対し対称、かつ、等間隔に六個以上(そのうちの二個は滑走路灯列線又はその延長線上に)設置すること。ただし、精密進入を行う計器着陸用滑走路に係るものにあつては、滑走路中心線の延長線に対し対称、かつ、三メートル以下の等間隔に十二個以上(そのうちの二個は滑走路灯列線又はその延長線上に)設置すること。
(二)滑走路中心線の延長線を中心に十八メートルから二十二・五メートルまでの間隔をとり、その外側へ滑走路中心線の延長線に対し対称、かつ、等間隔に六個以上(そのうちの二個は滑走路灯列線又はその延長線上に)設置すること。ただし、精密進入を行う計器着陸用滑走路に係るものにあつては、滑走路中心線の延長線を中心に十八メートルから二十二・五メートルまでの間隔をとり、その外側へ滑走路中心線の延長線に対し対称、かつ、等間隔に(一)のただし書の規定により設置する場合に必要とする数以上の灯器を(そのうちの二個は滑走路灯列線又はその延長線上に)設置すること。
b灯光は、着陸しようとする航空機から見て、滑走路進入端を示すものにあつては航空緑の、滑走路終端を示すものにあつては航空赤の不動光であること。
c灯器は、着陸しようとする航空機から見て、滑走路進入端を示すものにあつてはすべてのものが、滑走路終端を示すものにあつては六個以上のものが視認できるものであること。
d精密進入用のものの光柱は、着陸しようとする航空機から次の表の上欄に掲げる滑走路末端の種別に応じ、それぞれ最小限同表下欄に掲げる範囲で見えるものであり、かつ、滑走路中心線の延長線に直交する鉛直面における光柱の断面は、楕円形であること。
滑走路末端の種別光柱の範囲
滑走路進入端方位角において、光源の中心を含み、かつ、滑走路中心線に平行な鉛直面から滑走路中心線側へ九度まで及びその反対側へ二度までの範囲(光源が滑走路中心線の延長線上にある場合は、滑走路中心線を含む鉛直面から左右それぞれ二度までの範囲)並びに光源の中心を含む水平面の上方一度から十度までの範囲
滑走路終端方位角において、光源の中心を含み、かつ、滑走路中心線に平行な鉛直面から左右それぞれ六度までの範囲及び光源の中心を含む水平面の上方〇・二五度から四・七五度までの範囲
e光柱光度は、滑走路進入端を示すもののうち、精密進入用のものにあつては一万カンデラ以上、その他のものにあつては千カンデラ以上であり、滑走路終端を示すもののうち、精密進入用のものにあつては二千五百カンデラ以上、その他のものにあつては二百五十カンデラ以上であること。
f配光は、航空機にまぶしさを与えないものであること。
g灯器は、埋込み式のものにあつてはその上を航空機の車輪が通過してもそれに耐える構造のものであり、かつ、航空機の離着陸に支障のないものであり、その他のものにあつては航空機が接触したときこれに障害を与えず、かつ、他の灯火の機能を損なうおそれのないものであること。
h制御装置を設備すること。
i監視装置を設備すること。
j予備電源設備を有すること。
(三)低光度式滑走路末端灯
a灯器は、滑走路進入端から進入区域側及び滑走路終端から滑走路中心線の延長線側へ三メートル以下の位置で滑走路中心線の延長線と直交する直線上滑走路灯列線又はその延長線と交わる二地点間に次のいずれかにより設置すること。
(一)滑走路中心線の延長線に対し対称、かつ、等間隔に六個以上(そのうちの二個は滑走路灯列線又はその延長線上に)設置すること。
(二)滑走路中心線の延長線を中心に十八メートルから二十二・五メートルまでの間隔をとり、その外側へ滑走路中心線の延長線に対し対称、かつ、等間隔に六個以上(そのうちの二個は滑走路灯列線又はその延長線上に)設置すること。
b進入しつつある航空機の方向に対する光度は、五十カンデラ以上であること。
c(二)b、c、f、g及びjに掲げる基準に適合するものであること。
ヌ滑走路末端補助灯
(一)灯器は、滑走路末端灯列(滑走路進入端を示すものに限る。ル(一)において同じ。)の延長線上滑走路灯列線又はその延長線との交点の両外側十メートル以上にわたり滑走路中心線の延長線に対し対称、かつ、等間隔に十個以上設置すること。
(二)灯光は、航空緑の不動光であること。
(三)精密進入用のものの光柱は、着陸しようとする航空機から最小限、方位角において、光源の中心を含み、かつ、滑走路中心線に平行な鉛直面から滑走路中心線側へ九度まで及びその反対側へ五度までの範囲並びに光源の中心を含む水平面の上方〇・五度から十・五度までの範囲で見えるものであり、かつ、滑走路中心線の延長線に直交する鉛直面における光柱の断面は、楕円形であること。
(四)光柱光度は、精密進入用のものにあつては一万カンデラ以上であること。
(五)リ(二)f、g、h、i及びjに掲げる基準に適合するものであること。
ル滑走路末端識別灯
(一)灯器は、滑走路末端灯列の延長線上滑走路灯列線又はその延長線との交点から両外側十メートルから二十メートルまでの間にそれぞれ一個を滑走路中心線の延長線に対し対称に設置すること。
(二)灯光は、航空白の閃せん光であること。
(三)一分間の閃せん光回数は、六十から百二十までであること。
(四)実効光度は、五千カンデラ以上であること。
(五)配光は、航空機にまぶしさを与えないものであること。
(六)灯器は、航空機が接触したときこれに障害を与えず、かつ、他の灯火の機能を損なうおそれのないものであること。
(七)予備電源設備を有すること。
ヲ滑走路中心線灯
(一)灯器は、滑走路中心線に沿つて、約十五メートル又は約三十メートル(カテゴリー二精密進入用滑走路及びカテゴリー三精密進入用滑走路に係るものにあつては、約十五メートルに限る。)のほぼ等間隔を置いた地点に設置すること。
(二)灯光は、着陸しようとする航空機から見て、滑走路終端から三百メートルまでの範囲内にあるものにあつては航空赤の、同終端から三百メートルを超え九百メートル(長さが千八百メートル未満の滑走路にあつては、その長さの二分の一)までの範囲内にあるものにあつては交互に航空赤及び航空可変白の、その他のものにあつては航空可変白の不動光であること。
(三)精密進入用のものの光柱は、着陸しようとする航空機から次の表の上欄に掲げる灯器の間隔に応じ、それぞれ最小限同表下欄に掲げる範囲で見えるものであり、かつ、滑走路中心線の延長線に直交する鉛直面における光柱の断面は、楕円形であること。
灯器の間隔光柱の範囲
約三十メートル方位角において、光源の中心を含み、かつ、滑走路中心線に平行な鉛直面から左右それぞれ五度までの範囲及び光源の中心を含む水平面から上方七度までの範囲
約十五メートル方位角において、光源の中心を含み、かつ、滑走路中心線に平行な鉛直面から左右それぞれ五度までの範囲及び光源の中心を含む水平面から上方九度までの範囲
(四)精密進入用のものの光柱光度は、灯器の間隔が約十五メートルの場合にあつては二千五百カンデラ以上(カテゴリー三精密進入用のものにあつては、五千カンデラ以上)、約三十メートルの場合にあつては五千カンデラ以上であること。ただし、航空赤の灯光にあつては、その十五パーセント以上であること。
(五)配光は、航空機にまぶしさを与えないものであること。
(六)灯器は、その上を航空機の車輪が通過してもそれに耐える構造のものであり、かつ、航空機の離着陸に支障のないよう設置すること。
(七)制御装置を設備すること。
(八)監視装置を設備すること。
(九)予備電源設備を有すること。
ワ接地帯灯
(一)灯器は、滑走路上の滑走路進入端から九百メートルまでの間に、約六十メートル(カテゴリー二精密進入用滑走路及びカテゴリー三精密進入用滑走路に係るものにあつては、約三十メートル)の等間隔に、かつ、滑走路中心線に対し対称に次図に示す位置に設置すること。ただし、滑走路の長さが千八百メートル以下の場合には、滑走路の長さの二分の一を超えない範囲内に設置すること。
(二)灯光は、航空可変白の不動光であること。
(三)光柱は、着陸しようとする航空機から最小限、方位角において、光源の中心を含み、かつ、滑走路中心線に平行な鉛直面から滑走路中心線側へ九度まで及びその反対側へ一度までの範囲並びに光源の中心を含む水平面の上方二度から九度までの範囲で見えるものであり、かつ、滑走路中心線の延長線に直交する鉛直面における光柱の断面は、楕円形であること。
(四)光柱光度は、五千カンデラ以上であること。
(五)配光は、航空機にまぶしさを与えないものであること。
(六)灯器は、その上を航空機の車輪が通過してもそれに耐える構造のものであり、かつ、航空機の離着陸に支障のないように設置すること。
(七)制御装置を設備すること。
(八)監視装置を設備すること。
(九)予備電源設備を有すること。
カ滑走路距離灯
(一)灯器は、滑走路灯列の外側の滑走路中心線に平行な直線上滑走路終端を結ぶ線の延長線から約三百メートルの間隔を置く地点ごとに設置すること。
(二)灯器は、滑走路終端の延長線からの距離が約三百メートルの地点に設置するものが「1」、約六百メートルの地点に設置するものが「2」、以下約三百メートルの間隔を置いて設置するものごとに、数の順にアラビア数字で示す灯光又は標識により昼夜とも明らかに表示するものであること。
(三)灯光は、航空黄、航空白又は航空可変白の不動光であること。
(四)標識は、数字の部分は白、その他の部分は黒の彩色のものであること。
(五)配光は、航空機にまぶしさを与えないものであること。
(六)灯器は、他の灯火の機能を損なうおそれのないものであること。
ヨ過走帯灯
(一)灯器は、過走帯の両側に六十メートル以下のほぼ等間隔を置いて、及び過走帯の末端に滑走路中心線の延長線に対しほぼ対称に三個以上設置すること。
(二)灯器の高さは、地表面から六十センチメートルを超えないものであること。
(三)灯光は、航空赤の不動光であること。
(四)滑走路中心線及びその延長線に対する光度は、三十カンデラ以上であること。
(五)配光は、航空機にまぶしさを与えないものであること。
(六)灯器は、航空機が接触したときこれに障害を与えず、かつ、他の灯火の機能を損なうおそれのないものであること。
タ離陸待機警告灯
(一)灯器は、滑走路中心線灯列線の両側約一・八メートルの位置の滑走路中心線に平行な二直線上に、滑走路への出入経路と滑走路中心線との接続点上の離陸しようとする航空機から最も見やすい位置から滑走路終端の側に四百五十メートルまでの間に、約三十メートルの等間隔に、かつ、滑走路中心線に対しほぼ対称に設置すること。
(二)灯光は、航空赤の不動光であること。
(三)光柱は、滑走路を走行中の航空機から最小限、方位角において、光源の中心を含み、かつ、滑走路中心線に平行な鉛直面から左右それぞれ五度までの範囲及び光源の中心を含む水平面から上方九度までの範囲で見えるものであり、かつ、滑走路中心線の延長線に直交する鉛直面における光柱の断面は、楕円形であること。
(四)光柱光度は、千五百カンデラ以上であること。
(五)配光は、航空機にまぶしさを与えないものであること。
(六)灯器は、その上を航空機の車輪が通過してもそれに耐える構造のものであり、かつ、航空機の離着陸に支障のないように設置すること。
(七)制御装置を設備すること。
(八)監視装置を設備すること。
(九)予備電源設備を有すること。
レ離陸目標灯
(一)灯器は、滑走路中心線の延長線上に一個以上又は着陸帯の外方に二個以上をその延長線に対し対称に設置すること。
(二)灯光は、航空赤、航空黄、航空白又は航空可変白の不動光であること。
(三)配光は、航空機にまぶしさを与えないものであること。
(四)灯器は、他の灯火の機能を損なうおそれのないものであること。
ソ非常用滑走路灯
(一)灯器は、滑走路の両外側に沿つた滑走路中心線に平行な二直線上に百八十メートル以下のほぼ等間隔に、かつ、滑走路中心線に対しできるだけ対称となるように設置すること。
(二)灯光は、航空可変白の不動光であること。
(三)進入しつつある航空機の方向に対する光度は、十カンデラ以上であること。
(四)灯器は、航空機が接触したときこれに障害を与えないものであること。
ツ着水路灯
(一)単列着水路灯又は複列着水路灯のいずれかによること。
(二)単列着水路灯
a灯器は、進入区域側から見て着陸帯の左側に沿つた直線上三百メートル以下のほぼ等間隔に、八個以上設置すること。
b灯光は、航空緑の不動光で、光源の中心を含む水平面から上方最小限三十度までのすべての角度から見えるものであること。
c光度は、十カンデラ以上であること。
d灯器は、航空機が接触したときこれに障害を与えず、かつ、他の灯火の機能を損なうおそれのないものであること。
(三)複列着水路灯
a灯器は、着陸帯の両側においてその中心線に平行な間隔三百メートル以下の二直線上に、百五十メートル以下の等間隔に、かつ、着陸帯中心線に対しできるだけ対称に設置すること。
b灯光は、航空緑の不動光で、光源の中心を含む水平面から上方最小限三十度までのすべての角度から見えるものであること。
c光度は、十カンデラ以上であること。
d灯器は、航空機が接触したときこれに障害を与えず、かつ、他の灯火の機能を損なうおそれのないものであること。
ネ着水路末端灯
(一)単列着水路灯を設置する着水路にあつては単列着水路末端灯、複列着水路灯を設置する着水路にあつては複列着水路末端灯を設置すること。
(二)単列着水路末端灯
a灯器は、着水路灯列の両末端からその灯列の延長線上ツ(二)aに規定する距離の位置に一個設置すること。着陸帯の幅を示す必要がある場合はその位置から進入区域の方から見て右の方に百五十メートルから三百メートル離れた位置に一個、着陸帯末端を示す必要がある場合は更に当該灯器の間に百メートル以下の間隔で設置することができる。
b灯光は、航空黄の不動光で、光源の中心を含む水平面から上方最小限三十度までのすべての角度から見えるものであること。
c光度は、十カンデラ以上であること。
d灯器は、航空機が接触したときこれに障害を与えず、かつ、他の灯火の機能を損なうおそれのないものであること。
(三)複列着水路末端灯
a灯器は、着陸帯の両末端において着陸帯中心線に直交する直線上に、着陸帯の幅が百五十メートル未満の場合にあつては着水路灯列の両末端に二個ずつ、着陸帯の幅が百五十メートル以上の場合にあつては当該灯器の間に六十メートルから百メートルまでの等間隔に設置すること。
b灯光は、航空黄の不動光で、光源の中心を含む水平面から上方最小限三十度までのすべての角度から見えるものであること。
c光度は、十カンデラ以上であること。
d灯器は、航空機が接触したときこれに障害を与えず、かつ、他の灯火の機能を損なうおそれのないものであること。
ナ誘導路灯
(一)灯器は、誘導路の両側及びエプロンの縁又はその外側に沿う線で誘導路又はエプロンから三メートル以内の位置にあるものの上に、直線部分にあつては六十メートル以下のほぼ等間隔に、曲線部分にあつてはその曲線部分を明らかに標示できる間隔に設置すること。
(二)誘導路が滑走路又はエプロンに接続する個所には、その出入口を示すために当該出入口の両側に次のいずれかにより灯器を設置すること。
a灯器それぞれ二個を一・五メートル間隔に設置すること。
b発光部の長さ〇・五メートル以上の灯器それぞれ一個を設置すること。
(三)灯光は、航空青の不動光で、光源の中心を含む水平面から上方最小限七十五度までのすべての角度から見えるものであること。
(四)光度は、光源の中心を含む水平面から上方六度までの範囲では二カンデラ以上、六度を超え七十五度までの範囲では〇・二カンデラ以上であること。
(五)配光は、航空機にまぶしさを与えないものであること。
(六)灯器は、航空機が接触したときこれに障害を与えず、かつ、他の灯火の機能を損なうおそれのないものであること。
ラ誘導路中心線灯
(一)灯器は、誘導路中心線及び滑走路又はエプロンへの出入経路上に、曲線部分及びその附近にあつてはその曲線部分が明らかに標示できる間隔に、その他の部分にあつては三十メートル(高速離脱用誘導路及び滑走路視距離が三百メートル未満の場合に使用し得る誘導路(以下「低視程誘導路」という。)にあつては十五メートル)以下のほぼ等間隔に設置すること。
(二)灯光は、航空緑の不動光であること。ただし、滑走路への出入経路に設置するものにあつては、交互に航空緑及び航空黄の不動光であること。
(三)低視程誘導路に設置するものの光柱は、地上走行中の航空機から次の表の上欄に掲げる区分に応じ、それぞれ最小限同表下欄の範囲で見えるものであること。
区分光柱の範囲
直線区間(一)方位角において、光源の中心を含み、かつ、誘導路中心線又は誘導路中心線の接線を含む鉛直面から左右それぞれ十度までの範囲及び光源の中心を含む水平面の上方一度から八度までの範囲
直線区間(二)方位角において、光源の中心を含み、かつ、誘導路中心線を含む鉛直面から左右それぞれ三・五度までの範囲及び光源の中心を含む水平面の上方一度から八度までの範囲
曲線区間方位角において、光源の中心を含み、かつ、誘導路中心線の接線を含む鉛直面から当該誘導路中心線側へ三十五度まで及びその反対側へ三・五度までの範囲並びに光源の中心を含む水平面の上方一度から十度までの範囲
備考
一直線区間(一)とは、誘導路の直線部分のうち曲線部分の付近及び誘導路の曲線部分のうち曲率半径が四百メートルを超える部分をいう。以下このナにおいて同じ。
二直線区間(二)とは、誘導路の直線部分のうち直線区間(一)以外の部分をいう。以下このナにおいて同じ。
三曲線区間とは、誘導路の曲線部分のうち直線区間(一)以外の部分をいう。以下このナにおいて同じ。
(四)光柱光度は、低視程誘導路のうち直線区間(一)及び直線区間(二)に設置するものにあつては二百カンデラ以上、曲線区間に設置するものにあつては百カンデラ以上であり、その他の誘導路に設置するものにあつては二十カンデラ以上であること。
(五)配光は、航空機にまぶしさを与えないものであること。
(六)灯器は、その上を航空機の車輪が通過してもそれに耐える構造のものであり、かつ、航空機の地上走行に支障のないように設置すること。
(七)低視程誘導路に設置するものにあつては制御装置を設備すること。
(八)低視程誘導路に設置するものにあつては監視装置を設備すること。
(九)低視程誘導路に設置するものにあつては予備電源設備を有すること。
ム高速離脱用誘導路指示灯
(一)灯器は、滑走路を離脱しようとする航空機から見て、高速離脱用誘導路への出入経路と滑走路中心線との接続点から滑走路進入端の側に約百メートルの等間隔に、次図に示す位置に設置すること。
(二)灯光は、航空黄の不動光であること。
(三)光柱は、滑走路を離脱しようとする航空機から最小限、方位角において、光源の中心を含み、かつ、滑走路中心線に平行な鉛直面から左右それぞれ五度までの範囲及び光源の中心を含む水平面から上方九度までの範囲で見えるものであり、かつ、滑走路中心線の延長線に直交する鉛直面における光柱の断面は、楕円形であること。
(四)光柱光度は、二千カンデラ以上であること。
(五)配光は、航空機にまぶしさを与えないものであること。
(六)灯器は、その上を航空機の車輪が通過してもそれに耐える構造のものであり、かつ、航空機の離着陸に支障のないように設置すること。
(七)制御装置を設備すること。
(八)監視装置を設備すること。
(九)予備電源設備を有すること。
ウ航空機接近警告灯
(一)灯器は、次により設置すること。
a滑走路に入る前に一時停止すべき位置から当該滑走路の境界線までの間において、誘導路中心線上に、曲線部分及びその付近にあつてはその曲線部分が明らかに標示できる間隔に、その他の部分にあつては十五メートル以下のほぼ等間隔に設置すること。
b滑走路中心線上当該滑走路に入ろうとする地上走行中の航空機から最も見やすい位置に一個設置すること。
(二)灯光は、航空赤の不動光であること。
(三)光柱は、次に掲げるものであること。
a誘導路に設置するものの光柱は、地上走行中の航空機から次の表の上欄に掲げる区分に応じ、それぞれ最小限同表下欄の範囲で見えるものであること。
区分光柱の範囲
直線区間方位角において、光源の中心を含み、かつ、誘導路中心線又は誘導路中心線の接線を含む鉛直面から左右それぞれ十九・二五度までの範囲及び光源の中心を含む水平面の上方一度から十度までの範囲
曲線区間方位角において、光源の中心を含み、かつ、誘導路中心線の接線を含む鉛直面から当該誘導路中心線側へ三十五度まで及びその反対側へ三・五度までの範囲並びに光源の中心を含む水平面の上方一度から十度までの範囲
備考
一直線区間とは、誘導路の直線部分及び誘導路の曲線部分のうち曲率半径が四百メートルを超える部分をいう。以下このムにおいて同じ。
二曲線区間とは、誘導路の曲線部分のうち直線区間以外の部分をいう。以下このムにおいて同じ。
b滑走路に設置するものの光柱は、当該滑走路に入ろうとする地上走行中の航空機から必要かつ十分な範囲で見えるものであること。
(四)光柱光度は、二百カンデラ以上であること。
(五)配光は、航空機にまぶしさを与えないものであること。
(六)灯器は、その上を航空機の車輪が通過してもそれに耐える構造のものであり、かつ、航空機の地上走行に支障のないように設置すること。
(七)制御装置を設備すること。
(八)監視装置を設備すること。
(九)予備電源設備を有すること。
ヰ停止線灯
(一)灯器は、誘導路の一時停止すべき位置に、誘導路中心線に直交する直線上に、誘導路内に三メートル以下のほぼ等間隔に必要な数を、必要に応じ誘導路の両外側三メートル以上にそれぞれ三メートル以下の間隔に各二個を誘導路中心線に対しほぼ対称に設置すること。
(二)灯光は、航空赤の不動光であること。
(三)灯器は、埋込み式のものにあつては、その上を航空機の車輪が通過してもそれに耐える構造のものであり、かつ、航空機の地上走行に支障のないものであり、その他のものにあつては航空機が接触したときこれに障害を与えず、かつ、他の灯火の機能を損なうおそれのないものであること。
(四)予備電源設備を有すること。
(五)ラ(三)から(五)まで、(七)及び(八)に掲げる基準に適合するものであること。
ノ滑走路警戒灯
(一)灯器は、滑走路に入る前に一時停止すべき位置に、誘導路中心線に直交する直線上に、誘導路の両外側にそれぞれ二個又は誘導路内に約三メートルのほぼ等間隔に必要な数を誘導路中心線に対しほぼ対称に設置すること。
(二)灯光は、航空黄の明滅であること。
(三)一分間の明滅回数は、三十から六十までであること。
(四)光柱は、誘導路の両外側に設置する灯器にあつては、最小限、光源の中心を頂点とし頂角が十六度の円錐内で見えるものであり、誘導路内に設置する灯器にあつては、最小限、方位角において、光源の中心を含み、かつ、誘導路中心線又は誘導路中心線の接線を含む鉛直面から左右それぞれ十度までの範囲及び光源の中心を含む水平面の上方一度から八度までの範囲で見えるものであること。
(五)実効光度は、誘導路の両外側に設置する灯器にあつては三百カンデラ以上、誘導路内に設置する灯器にあつては二百カンデラ以上であること。
(六)配光は、航空機にまぶしさを与えないものであること。
(七)灯器は、埋込み式のものにあつてはその上を航空機の車輪が通過してもそれに耐える構造のものであり、かつ、航空機の地上走行に支障のないものであり、その他のものにあつては航空機が接触したときこれに障害を与えず、かつ、他の灯火の機能を損なうおそれのないものであること。
(八)制御装置を設備すること。
(九)監視装置を設備すること。
(十)予備電源設備を有すること。
オ中間待機位置灯
(一)灯器は、誘導路の一時停止すべき位置に、誘導路中心線に直交する直線上に、誘導路内に約一・五メートルのほぼ等間隔に三個以上を誘導路中心線に対しほぼ対称に設置すること。
(二)灯光は、航空黄の不動光であること。
(三)ラ(三)から(九)までに掲げる基準に適合するものであること。
ク誘導案内灯
(一)灯器は、誘導路の分岐点付近、誘導路と滑走路若しくはエプロンとの接続点付近又は駐機場付近の地上走行中の航空機に対し障害とならない場所に地上走行中の航空機から見やすいように設置すること。
(二)灯器は、記号、アラビア数字又はローマ字の大文字で示す標識を灯光又は照明により昼夜とも明らかに表示するものであること。
(三)灯光は、航空赤、航空黄、航空白又は航空可変白の不動光であること。
(四)標識は、次に掲げる彩色のものであること。
a地上走行中の航空機に一時停止すべき位置又は空港等の使用禁止区域を示すものにあつては、記号等の部分は白、その他の部分は赤
b地上走行中の航空機に一時停止すべき位置以外の位置を示すものにあつては、記号等の部分は黄、その他の部分は黒、当該標識を単独で設置する場合には黄の縁取り
cその他のものにあつては、記号等の部分は黒、その他の部分は黄
(五)標識表面の平均輝度は、赤が十カンデラ毎平方メートル以上、黄が五十カンデラ毎平方メートル以上、白が百カンデラ毎平方メートル以上であること。ただし、滑走路視距離が八百メートル未満である場合に使用するものにあつては、赤が三十カンデラ毎平方メートル以上、黄が百五十カンデラ毎平方メートル以上、白が三百カンデラ毎平方メートル以上でなければならない。
(六)配光は、航空機にまぶしさを与えないものであること。
(七)灯器は、他の灯火の機能を損なうおそれのないものであること。
(八)滑走路視距離が八百メートル未満である場合に使用するものにあつては、制御装置を設備すること。
ヤ転回灯
(一)灯器は、転回区域の縁であつて転回経路を示すことができる位置に設置し、並びに転回開始位置(航空機が転回経路において転回を開始する位置をいう。以下同じ。)を通り滑走路中心線に平行な直線上で転回開始位置から進入区域側へ約三十五メートルの位置から進入区域側へ五メートルの等間隔に三個及び転回開始位置を通り滑走路中心線と直交する直線上で当該直線と転回しようとする航空機から見て左側のショルダーの外縁との交点からショルダーの外側へ約一メートルの位置からショルダーの外側へ五メートルの等間隔に三個設置すること。
(二)灯光は、航空青の不動光であること。
(三)配光は、航空機にまぶしさを与えないものであること。
(四)灯器は、航空機が接触したときにこれに障害を与えず、かつ、他の灯火の機能を損なうおそれのないものであること。
マ駐機位置指示灯
(一)灯器は、駐機場付近の地上走行中の航空機に対し障害とならない場所に地上走行中の航空機から見やすいように設置すること。
(二)灯器は、記号、アラビア数字又はローマ字の大文字で示す航空機の駐機位置への走行経路からの偏差及び駐機位置までの距離を灯光により昼夜とも明らかに表示するものであること。
(三)灯光は、航空赤、航空黄、航空緑、航空白又は航空可変白の不動光であること。
(四)配光は、航空機にまぶしさを与えないものであること。
ケ誘導水路灯
(一)灯器は、誘導水路に沿つた線上に設置すること。
(二)灯光は、航空青の不動光で、光源の中心を含む水平面から上方最少限三十度までのすべての角度から見えるものであること。
(三)灯器は、航空機が接触したときこれに障害を与えず、かつ、他の灯火の機能を損なうおそれのないものであること。
フ着陸方向指示灯
(一)灯器は、空港等内においてその上空からの視認が容易な位置に設置すること。
(二)T型又は四面体等の形象物を航空赤、航空緑等の灯光により、次図に示すように標示すること。
(三)灯光は、これを含む水平面から上方のすべての方向から見ることができ、かつ、光度は、上空三百メートルから明らかに視認できるものであること。
(四)T型又は四面体の形象物は、次図に示す寸法及び彩色のものであること。
(五)指示方向を制御できるものであること。
コ風向灯
夜間において少なくとも三百メートルの上空から風向指示器の指示する方向が明瞭りように視認できるような照明を有するものであること。
エ指向信号灯
(一)灯光は、航空赤、航空緑及び航空白のいずれにも転換することができ、かつ、任意の目的物に指向できる信号光であること。
(二)光柱角は、一度から三度までであること。
(三)光柱光度は、六千カンデラ以上で、光柱軸から三度以上の方向の光度は無視できるほど小さいこと。
(四)一分間に四語以上の速度でモールス符号を発信できること。
テ禁止区域灯
(一)灯器は、滑走路又は誘導路が航空機の使用を禁止する区域である場合にあつてはその両端に三メートル以下のほぼ等間隔に、当該禁止区域が滑走路又は誘導路以外の空港等内の場所である場合にあつては当該禁止区域の境界線上又は中央に配置すること。
(二)灯光は、航空赤の不動光で光源の中心を含む水平面から上方のすべての角度から見えるものであること。
(三)光度は、十カンデラ以上であること。
ア着陸区域照明灯
(一)灯器は、着陸区域の周辺であつて航空機の航行に障害とならない場所に設置すること。
(二)灯光は、航空可変白の不動光であること。
(三)配光は、着陸区域の全面を照明し、かつ、航空機にまぶしさを与えないものであること。
(四)照明された接地帯の中心における法線照度が十ルクス以上であること。
サ境界灯
(一)灯器は、着陸区域の境界線上に、陸上ヘリポート又は水上ヘリポートにあつては十五メートル以下のほぼ等間隔に八個以上、その他の空港等にあつては百メートル以下のほぼ等間隔に設置すること。ただし、着陸区域の境界の一部分がエプロンに対する照明等により適当に標示される建築物区域である場合には、その部分の灯器を省略してもよい。
(二)灯光は、航空白又は航空黄の不動光で、光源の中心を含む水平面から上方最小限三十度までのすべての角度から見えるものであること。
(三)光度は、十カンデラ以上であること。
キ水上境界灯
(一)灯器は、着水区域の境界線上にほぼ百五十メートルの等間隔に設置すること。
(二)灯光は、航空緑の不動光で、光源の中心を含む水平面から上方最小限三十度までのすべての角度から見えるものであること。
(三)光度は、十カンデラ以上であること。
ユ境界誘導灯
(一)灯器は、離陸又は着陸の経路と着陸区域の境界線とが交叉さする附近において、その経路に直交する直線上に離陸又は着陸の経路に対し対称に設置すること。ただし、離陸又は着陸の経路が二以上あるときは、経路ごとに異なつた数の灯器を設置すること。
(二)灯光は、航空緑の不動光で、光源の中心を含む水平面から上方最小限三十度までのすべての角度から見えるものであること。
(三)光度は、境界灯の光度の五十パーセント以上であること。
メ水上境界誘導灯
(一)灯器は、離水又は着水の経路と着水区域の境界線とが交叉さする附近において、その経路に直交する直線上に離水又は着水の経路に対し対称に設置すること。
(二)灯光は、航空黄の不動光で、光源の中心を含む水平面から上方最小限三十度までのすべての角度から見えるものであること。
(三)光度は、十カンデラ以上であること。
2第九十九条第二項の規定は、飛行場灯火の設置について準用する。この場合において、同項中「前項」とあるのは「第百十七条第一項」と、「航空保安無線施設」とあるのは「飛行場灯火」と読み替えるものとする。

(工事完成検査の申請)

第百十八条法第四十二条第一項の規定により、航空灯火の工事の完成検査を受けようとする者は、次に掲げる事項を記載した航空灯火工事完成検査申請書を国土交通大臣に提出するものとする。
一氏名及び住所
二航空灯火の名称及び所在地
三工事完成の年月日
2前項の規定は、法第四十三条第二項において準用する法第四十二条第一項の規定により、航空灯火の変更の工事の完成検査の申請について準用する。

(供用開始期日の届出)

第百十九条法第四十二条第三項の規定により、航空灯火の供用開始の期日の届出をしようとする者は、次に掲げる事項を記載した航空灯火供用開始届書を国土交通大臣に提出するものとする。
一氏名及び住所
二航空灯火の名称及び所在地
三供用開始の期日
2前項の規定は、法第四十三条第二項及び法第四十五条第二項において準用する法第四十四条第五項において準用する法第四十二条第三項の規定により、変更又は休止をした航空灯火の供用再開の期日の届出について準用する。

(重要な変更)

第百二十条法第四十三条第一項の規定による許可を受けなければならない重要な変更は、次のとおりとする。
一灯質、光度又は光柱の範囲の変更
二飛行場灯火にあつては灯火の配置及び組合せの変更
三制御装置の構造若しくは回路又は定電流回路の変更(灯質、光度その他灯火の光学的特性に影響を与える場合に限る。)
四制御装置の新設若しくは増設又は電源設備の増設

(変更の許可申請)

第百二十一条法第四十三条第二項において準用する法第三十八条第二項の規定により、航空灯火の変更の許可を申請しようとする者は、左に掲げる事項を記載した航空灯火変更許可申請書三通を国土交通大臣に提出するものとする。
一氏名及び住所
二航空灯火の名称及び所在地
三変更しようとする事項(新旧対照を示す書類及び図面を添附すること。)
四変更に要する費用
五工事の着手及び完成の予定期日
六管理の計画に変更があるときは、変更後の管理の計画
七変更を必要とする理由
2前項の申請書には、左に掲げる書類を添附するものとする。
一変更に要する費用、土地及び物件の調達方法を記載した書類
二工事設計図書、工事予算書及び仕様書
三申請者が法人又は組合であるときは、変更に関する意思の決定を証する書類

(供用の休止及び廃止の届出)

第百二十二条法第四十五条第一項の規定により、航空灯火の供用の休止又は廃止の届出をしようとする者は、次に掲げる事項を記載した航空灯火休止(廃止)届出書を国土交通大臣に提出するものとする。
一氏名及び住所
二航空灯火の名称及び所在地
三廃止の届出の場合は、廃止の予定期日
四休止の届出の場合は、予定する休止の開始期日及び期間
五休止又は廃止を必要とする理由
2届出者が法人又は組合であるときは、前項の届出書に供用の休止又は廃止に関する意思の決定を証する書類を添附するものとする。

(供用の再開検査申請)

第百二十三条法第四十五条第二項において準用する法第四十四条第四項の規定により、航空灯火の供用の再開の検査を受けようとする者は、次に掲げる事項を記載した航空灯火供用再開検査申請書を国土交通大臣に提出するものとする。
一氏名及び住所
二航空灯火の名称及び所在地
三供用再開の予定期日
2申請者が法人又は組合であるときは、前項の申請書に供用の再開に関する意思の決定を証する書類を添付するものとする。

(供用開始の告示)

第百二十四条法第四十六条の規定により、航空灯火の供用開始期日の届出があつた場合において告示しなければならない事項は、次のとおりとする。
一氏名及び住所
二航空灯火の種類及び名称
三航空灯火の位置及び所在地
四灯質、光度、配置その他航空灯火の性能に関する重要事項
五運用時間
六供用開始期日
七航空灯火の利用上の特記事項
2前項の規定は、国土交通大臣が航空灯火を設置する場合に準用する。

(変更、休止等の告示)

第百二十五条法第四十六条(法第五十五条の二第三項において準用する場合を含む。)の規定により、航空灯火について告示した事項に変更があつた場合又は航空灯火の供用の禁止、再開もしくは廃止があつた場合において告示しなければならない事項は、前条第一項第一号から第三号までに掲げるもののほか、次のとおりとする。
一告示した事項に変更があつた場合は、変更した事項
二休止の場合は、予定する休止の開始期日及び期間
三再開又は廃止の場合はその予定期日

(告示を要しない航空保安施設)

第百二十五条の二法第四十六条の国土交通省令で定める航空保安施設は、非公共用飛行場の飛行場灯火とする。

(航空灯火の機能の確保に関する基準)

第百二十六条法第四十七条第一項(法第五十五条の二第三項において準用する場合を含む。)の国土交通省令で定める航空灯火の機能の確保に関する基準は、次のとおりとする。
一所定の運用時間中当該施設の運用を確実に維持すること。
二航空灯火の改修、清掃等を行うことにより、これを完全な状態において保持すること。
三法第五十三条に規定する禁止行為を公衆の見やすいように掲示すること。
四建築物、植物その他の物件により航空灯火の機能を損なうこととなるときは、直ちに当該物件の除去等必要な措置を講ずること。
五やむを得ない事由により、航空灯火の運用を停止し、又は航空灯火の機能を損なうこととなつた場合及び当該航空灯火の運用又は機能が復旧した場合に必要となる国土交通大臣との連絡体制を整備すること。
六自然災害その他の事象により、航空灯火の運用に支障を生じたときは、直ちにその復旧に努めるとともに、その運用をできるだけ継続する等航空の危害予防のため適当な措置を講ずること。
七航空灯火につき改修その他の工事を行うときは、航空機の航行を阻害しないように適当な措置を講ずること。
八航空灯火の管理者は、当該灯火に業務日誌を備え付け、次に掲げる事項を記録し、これを一年間保存すること。
イ監視装置を備えた航空灯火にあつては、監視装置により監視した結果(記録回数は、少なくとも一日一回)及びその日時
ロ点検した結果及びその日時
ハ当該灯火について運用の停止その他の事故があつたときは、その日時、原因及びこれに対する措置
ニ国土交通大臣に対する通報事項及びその日時
ホその他参考となる事項
九航空灯火には、灯器及び灯火を構成する機器の部品のうち交換単位部品について、必要数量の予備品を確保しておくこと。
十航空灯台及び飛行場灯台は、所定の運用時間中点灯を維持すること。
十一飛行場灯火(飛行場灯台、離陸待機警告灯、航空機接近警告灯及び駐機位置指示灯を除く。)は、航空機が離陸し、若しくは着陸するとき又は上空を通過する航空機の援助のために必要と認められるときは、次に掲げる方法により点灯すること(進入角指示灯、滑走路末端識別灯及び滑走路距離灯以外の飛行場灯火にあつては、夜間又は空港等が計器気象状態下にある場合その他視界が制限される場合に限る。)。
イ着陸を予定する航空機があるときは、その着陸予定時刻の一時間前に点灯の準備をし、当該着陸予定時間の少なくとも十分前に点灯すること。ただし、緊急に点灯する必要がある場合は、この限りでない。
ロ航空機が離陸したときは、離陸してから少なくとも五分間は点灯を継続すること。

(航空障害灯の種類及び設置基準)

第百二十七条法第五十一条第一項、第二項(法第五十五条の二第三項において準用する場合を含む。)又は第三項の規定により設置する航空障害灯は、高光度航空障害灯、中光度白色航空障害灯、中光度赤色航空障害灯及び低光度航空障害灯とし、その設置の基準は、次のとおりとする。
一航空障害灯の性能は、高光度航空障害灯、中光度白色航空障害灯、中光度赤色航空障害灯及び低光度航空障害灯の別に次のとおりとする。
イ高光度航空障害灯
(一)灯光は、航空白の閃せん光で、光源の中心を含む水平面下五度より上方のすべての方向から視認できるものであること。
(二)一分間の閃せん光回数は、四十から六十までであること。
(三)実効光度は、次に掲げる基準に適合するものであること。
a実効光度の最大値は、二十五万カンデラ以下であること。
b光源の中心を含む水平面における実効光度は、十五万カンデラ以上二十五万カンデラ以下であること。
c光源の中心を含む水平面下一度における実効光度は、七万五千カンデラ以上十一万二千五百カンデラ以下であること。
d光源の中心を含む水平面下十度における実効光度は、七千五百カンデラ以下であること。
e第百二十八条第七号の規定により実効光度を切り換えることができるものであること。
(四)同一の物件に二個以上の航空障害灯を設置する場合は、これらが同時に閃せん光を発することができるものであること。
ロ中光度白色航空障害灯
(一)灯光は、航空白の閃せん光で、光源の中心を含む水平面下五度より上方のすべての方向から視認できるものであること。
(二)一分間の閃せん光回数は、二十から六十までであること。
(三)実効光度は、次に掲げる基準に適合するものであること。
a実効光度の最大値は、二万五千カンデラ以下であること。
b光源の中心を含む水平面における実効光度は、一万五千カンデラ以上二万五千カンデラ以下であること。
c光源の中心を含む水平面下一度における実効光度は、七千五百カンデラ以上一万千二百五十カンデラ以下であること。
d光源の中心を含む水平面下十度における実効光度は、七百五十カンデラ以下であること。
e第百二十八条第八号の規定により実効光度を切り換えることができるものであること。
(四)同一の物件に二個以上の航空障害灯を設置する場合は、これらが同時に閃せん光を発することができるものであること。
ハ中光度赤色航空障害灯
(一)灯光は、航空赤の明滅で、光源の中心を含む水平面下十五度より上方のすべての方向から視認できるものであること。
(二)一分間の明滅回数は、二十から六十までであること。
(三)実効光度は、次に掲げる基準に適合するものであること。ただし、aからcまでに規定する光度の灯火を設置することが技術的に困難であると国土交通大臣が認めた場合は、国土交通大臣が定める光度であること。
a実効光度の最大値は、二千五百カンデラ以下であること。
b光源の中心を含む水平面における実効光度は、千五百カンデラ以上二千五百カンデラ以下であること。
c光源の中心を含む水平面下一度における実効光度は、七百五十カンデラ以上千百二十五カンデラ以下であること。
ニ低光度航空障害灯
(一)灯光は、航空赤の不動光で、光源の中心を含む水平面下十五度より上方のすべての方向から視認できるものであること。
(二)光度は、次に掲げる基準に適合するものであること。
a第十三号イに規定する位置に使用されるもの及び第十四号の物件において第十三号イに規定する位置から下方に順に一つ置きの同号ハに規定する位置(最も低い位置を除く。)に使用されるものにあつては、光源の中心を含む水平面上十度における光度は、百カンデラ以上であり、かつ、光源の中心を含む水平面下三度における光度は、百カンデラ以上百五十カンデラ以下であること。
b中光度白色航空障害灯、中光度赤色航空障害灯又は第十四号の物件においてaに規定するものと組み合せて使用されるもの(aに規定するものを除く。)にあつては、光源の中心を含む水平面上六度及び十度における光度は、三十二カンデラ以上であること。
ca及びbに規定するもの以外のものにあつては、光源の中心を含む水平面上六度及び十度における光度は、十カンデラ以上であること。
二第百三十二条の二第一項第一号、第三号及び第六号に掲げる物件(支線を除く。)で百五十メートル以上の高さのもの(地形若しくは既存物件との関係又は当該物件の設置状況から高光度航空障害灯を設置することが不適当であると国土交通大臣が認めたものを除く。)には、次に掲げる位置(第百三十二条の二第一項第四号に掲げる物件を支持する物件(避雷針を除く。以下「支持物件」という。)にあつては、イを除く。)に、すべての方向の航空機から当該物件を認識できるように高光度航空障害灯を一個以上設置すること。
イ物件(避雷針を除く。以下この号、第四号イからハまで、第五号イからハまで及び第十三号イからニまでにおいて同じ。)の頂上。ただし、煙突その他の物件でその頂上に高光度航空障害灯を設置した場合には当該灯火の機能を損なうおそれのあるものにあつては頂上から下方一・五メートルから三メートルまでの間、アンテナその他の物件でその頂上に高光度航空障害灯を設置することが技術的に困難であると国土交通大臣が認めた物件にあつてはできるだけ高い位置とする。
ロイに規定する位置の高さが百五メートルを超える物件(第百三十二条の二第一項第一号、第三号及び第六号に該当する部分の垂直距離が百五メートルを超えるものに限る。)にあつては、当該位置から当該物件の底部までの間に、垂直距離で百五メートル以下のほぼ等間隔の位置
ハ橋梁りようその他の物件でその高さに比しその幅が著しく広いものにあつては、イ又はロに規定する位置のほか、国土交通大臣が適当であると認めた位置
三前号イただし書の規定により頂上に高光度航空障害灯を設置することが技術的に困難であると国土交通大臣が認めた物件において、高光度航空障害灯を設置することが可能な最も高い位置(以下「設置可能位置」という。)と頂上との垂直距離が十二メートルを超える場合は、設置可能位置と頂上との間のできるだけ高い位置に中光度白色航空障害灯を一個以上設置すること。ただし、中光度白色航空障害灯を設置することが技術的に困難であると国土交通大臣が認めた物件については、この限りでない。
四第百三十二条の二第一項第一号、第三号及び第六号に掲げる物件(支線を除く。)で百五十メートル未満の高さのもの(地形若しくは既存物件との関係又は当該物件の設置状況から中光度白色航空障害灯を設置することが不適当であると国土交通大臣が認めたもの及び昼間障害標識を設置するものを除く。)には、次に掲げる位置(支持物件にあつては、イを除く。)に、すべての方向の航空機から当該物件を認識できるように中光度白色航空障害灯を一個以上設置すること。
イ物件の頂上。ただし、煙突その他の物件でその頂上に中光度白色航空障害灯を設置した場合には当該灯火の機能を損なうおそれのあるものにあつては頂上から下方一・五メートルから三メートルまでの間、進入表面又は転移表面の下方にある物件にあつてはこれらの表面に最も近い位置、アンテナその他の物件でその頂上に中光度白色航空障害灯を設置することが技術的に困難であると国土交通大臣が認めた物件にあつてはできるだけ高い位置とする。
ロイに規定する位置の高さが百五メートルを超える物件(第百三十二条の二第一項第一号、第三号及び第六号に該当する部分の垂直距離が百五メートルを超えるものに限る。)にあつては、当該位置から当該物件の底部までの間に、ほぼ等間隔の位置
ハ橋梁りようその他の物件でその高さに比しその幅が著しく広いものにあつては、イ又はロに規定する位置のほか、国土交通大臣が適当であると認めた位置
五第二号及び前号の物件以外の物件(第百三十二条の二第一項各号(第二号及び第四号を除く。)に掲げるものに限る。)には、次に掲げる位置(支持物件にあつては、イを除く。)に、すべての方向の航空機から当該物件を認識できるように中光度赤色航空障害灯又は低光度航空障害灯を一個以上設置すること。
イ物件の頂上。ただし、煙突その他の物件でその頂上に中光度赤色航空障害灯又は低光度航空障害灯を設置した場合には当該灯火の機能を損なうおそれのあるものにあつては頂上から下方一・五メートルから三メートルまでの間、進入表面又は転移表面の下方にある物件にあつてはこれらの表面に最も近い位置とする。
ロ四十五メートルを超える高さの物件にあつては、当該物件の頂上から地上までの間に、垂直距離で五十二・五メートル以下のほぼ等間隔の位置
ハ四十五メートル以上の高さにおいて四十五メートルを超える幅を有する物件又は進入表面、転移表面若しくは水平表面に著しく近接した部分の幅が四十五メートルを超える物件にあつては、その概形を示す位置であつて、かつ、隣り合つた位置が水平距離で四十五メートルを超えない位置
六次に掲げる物件(前号に規定するものに該当するものに限る。)のうち航空機の航行に特に危険があると国土交通大臣が認めたものの同号イに規定する位置(当該物件が支持物件である場合を除く。)及び当該位置から下方に順に一つ置きの同号ロに規定する位置(最も低い位置を除く。)には、中光度赤色航空障害灯を設置すること。
イ九十メートル以上の高さの物件
ロガスタンク、貯油槽そうその他航空機が衝突した場合特に著しい災害を生ずるおそれのある物件
ハ航空機が頻ひん繁に低空飛行を行う通路にある物件
七第百三十二条の二第一項第二号に掲げる物件(地形若しくは既存物件との関係又は当該物件の設置状況から中光度白色航空障害灯を設置することが不適当であると国土交通大臣が認めたもの及び昼間障害標識を設置するものを除く。)には、ナセルの頂上に、すべての方向の航空機から当該物件を認識できるように中光度白色航空障害灯を一個以上設置すること。
八前号に掲げる物件以外の物件(第百三十二条の二第一項第二号に掲げるものに限る。)には、ナセルの頂上に、すべての方向の航空機から当該物件を認識できるように中光度赤色航空障害灯を一個以上設置すること。
九前二号に掲げる物件で百五十メートル以上の高さのものにあつては、前二号の規定により設置する中光度白色航空障害灯又は中光度赤色航空障害灯のほか、ナセルの頂上から当該物件の底部までの間に、ほぼ等間隔の位置に、すべての方向の航空機から当該物件を認識できるように低光度航空障害灯を一個以上設置すること。
十第百三十二条の二第一項第四号に掲げる物件には、当該物件に代えて、支持物件(地形若しくは既存物件との関係又は当該物件の設置状況から高光度航空障害灯を設置することが不適当であると国土交通大臣が認めたものを除く。)の頂上に、すべての方向の航空機から当該物件を認識できるように高光度航空障害灯を一個以上設置すること。ただし、当該物件(百五十メートル未満の高さのものに限る。)の間隔が千二百メートル以下であつて国土交通大臣が適当と認めたものについては、当該物件の頂上に、すべての方向の航空機から当該物件を認識できるように中光度白色航空障害灯を一個以上設置すること。
十一前号の支持物件以外の支持物件には、当該物件の頂上に、すべての方向の航空機から当該物件を認識できるように中光度赤色航空障害灯を一個以上設置すること。
十二第二号、第四号及び第七号の物件並びに第十号の支持物件のうち、夜間において高光度航空障害灯又は中光度白色航空障害灯を運用することが不適当であると国土交通大臣が認めたものについては、第二号から第四号まで、第七号及び第十号の規定にかかわらず、夜間においては、高光度航空障害灯又は中光度白色航空障害灯に代えて、第二号及び第四号の物件にあつては第五号及び第六号に定めるところにより、中光度赤色航空障害灯又は低光度航空障害灯を設置し、第七号の物件にあつては第八号に定めるところにより、第十号の支持物件にあつては前号に定めるところにより、中光度赤色航空障害灯を設置すること。
十三第二号、第四号、第五号、第七号、第八号及び第十号の物件以外の物件には、次に掲げる位置(支持物件にあつては、イ及びロを除く。)に、すべての方向の航空機から当該物件を認識できるように中光度赤色航空障害灯又は低光度航空障害灯を一個以上設置すること。
イ物件(塔屋その他これに類する物件の屋上に設けるものを除く。ただし、ニに規定する物件以外の物件についてロに規定する位置に中光度赤色航空障害灯又は低光度航空障害灯(百五十メートル以上の高さの物件にあつては、中光度赤色航空障害灯に限る。)を設置する場合は、この限りでない。)の頂上。ただし、進入表面又は転移表面の下方にある物件にあつてはこれらの表面に最も近い位置、頂上に中光度赤色航空障害灯又は低光度航空障害灯を設置することが技術的に困難であると国土交通大臣が認めた物件にあつてはできるだけ高い位置とする。
ロイの塔屋その他これに類する物件の屋上に設けるものにあつては、その頂上。ただし、国土交通大臣が認めたものにあつては、この限りでない。
ハ百五十メートル以上の高さの物件にあつては、イに規定する位置から下方に順に垂直距離で五十二・五メートル以下のほぼ等間隔の位置(百五十メートル未満の位置にあつては、最も高い位置に限る。)
ニ四十五メートル以上の高さにおいて四十五メートルを超える幅を有する物件又は進入表面、転移表面若しくは水平表面に著しく近接した部分の幅が四十五メートルを超える物件にあつては、その概形を示す位置(イに規定する位置に設置する低光度航空障害灯にあつては、隣り合つた位置が水平距離で九十メートルを超えない位置)
十四支持物件以外の次に掲げる物件(前号に規定するものに該当するものに限る。)のうち航空機の航行に特に危険があると国土交通大臣が認めたものの同号イに規定する位置には、すべての方向の航空機から当該物件を認識できるように中光度赤色航空障害灯を一個以上設置すること。
イ百五十メートル以上の高さの物件
ロ航空機が衝突した場合特に著しい災害を生ずるおそれのある物件
ハ航空機が頻ひん繁に低空飛行を行う通路にある物件
十五次に掲げる物件にあつては、第五号から前号まで(第七号から第十一号までを除く。)の規定にかかわらず、中光度赤色航空障害灯を国土交通大臣が適当であると認めた位置に設置すること。
イ山、丘及び森林
ロ広範囲にわたる物件で低光度航空障害灯による標示が不適当であると国土交通大臣が認めたもの
2地形若しくは既存物件との関係又は物件の構造により前項の規定による航空障害灯の設置が不適当であると国土交通大臣が認めた場合には、同項の規定にかかわらず、当該航空障害灯を国土交通大臣が適当であると認めた位置に若しくは光度に変更して設置し、又は省略することができる。

(航空障害灯設置物件)

第百二十七条の二法第五十一条第二項(法第五十五条の二第三項において準用する場合を含む。)の規定により航空障害灯を設置しなければならない物件は、次のとおりとする。
一進入表面、転移表面又は水平表面に著しく近接した物件
二前号に規定する物件以外の物件で航空機の航行の安全を著しく害するおそれのあるもの

(航空障害灯の管理の方法)

第百二十八条法第五十一条第五項(法第五十五条の二第三項において準用する場合を含む。)の規定により、航空障害灯を次の方法により管理するものとする。
一航空障害灯の改修、清掃等を行うことにより、これを完全な状態において保持すること。
二建築物、植物その他の物件により航空障害灯の機能を損なうこととなるときは、直ちに当該物件の除去等必要な措置を講ずること。
三やむを得ない事由により、航空障害灯の運用を停止し、又は航空障害灯の機能を損なうこととなつた場合及び当該航空障害灯の運用又は機能が復旧した場合に必要となる国土交通大臣との連絡体制を整備すること。
四自然災害その他の事象により、航空障害灯の運用に支障を生じたときは、直ちにその復旧に努めるとともに、その運用をできるだけ継続する等航空の危害予防のため適当な措置を講ずること。
五航空障害灯には予備品として電球、ヒユーズを備え付けて置くこと。
六高光度航空障害灯及び中光度白色航空障害灯にあつては常時(第百二十七条第一項第十号に規定する支持物件に係る高光度航空障害灯及び中光度白色航空障害灯であつて、夜間において、その点灯を継続する必要がないと国土交通大臣が認めたもの並びに同項第十二号に規定する物件に係る高光度航空障害灯及び中光度白色航空障害灯にあつては、昼間に限る。)、中光度赤色航空障害灯及び低光度航空障害灯にあつては夜間において、その点灯を継続すること。ただし、国土交通大臣がその機能を代替することができると認めた電飾、屋外投光器その他の照明設備を点灯している間は、この限りでない。
七高光度航空障害灯にあつては、その点灯を継続している間、次の表の上欄に掲げる背景輝度の区分に応じ、それぞれ同表下欄に掲げる値の実効光度の灯光を発すること。
背景輝度実効光度
実効光度の最大値光源の中心を含む水平面における実効光度光源の中心を含む水平面下一度における実効光度光源の中心を含む水平面下十度における実効光度
五十カンデラ毎平方メートル未満二千五百カンデラ以下千五百カンデラ以上二千五百カンデラ以下七百五十カンデラ以上千百二十五カンデラ以下七十五カンデラ以下
五十カンデラ毎平方メートル以上五百カンデラ毎平方メートル未満二万五千カンデラ以下一万五千カンデラ以上二万五千カンデラ以下七千五百カンデラ以上一万千二百五十カンデラ以下七百五十カンデラ以下
五百カンデラ毎平方メートル以上二十五万カンデラ以下十五万カンデラ以上二十五万カンデラ以下七万五千カンデラ以上十一万二千五百カンデラ以下七千五百カンデラ以下
八中光度白色航空障害灯にあつては、その点灯を継続している間、次の表の上欄に掲げる背景輝度の区分に応じ、それぞれ同表下欄に掲げる値の実効光度の灯光を発すること。
背景輝度実効光度
実効光度の最大値光源の中心を含む水平面における実効光度光源の中心を含む水平面下一度における実効光度光源の中心を含む水平面下十度における実効光度
五十カンデラ毎平方メートル未満二千五百カンデラ以下千五百カンデラ以上二千五百カンデラ以下七百五十カンデラ以上千百二十五カンデラ以下七十五カンデラ以下
五十カンデラ毎平方メートル以上二万五千カンデラ以下一万五千カンデラ以上二万五千カンデラ以下七千五百カンデラ以上一万千二百五十カンデラ以下七百五十カンデラ以下

(使用料金の届出)

第百二十九条法第五十四条第一項の規定により、公共の用に供する航空灯火の使用料金の設定又は変更の届出をしようとする者は、次に掲げる事項を記載した航空灯火使用料金設定(変更)届出書を国土交通大臣に提出しなければならない。
一氏名及び住所
二航空灯火の名称及び所在地
三設定し、又は変更しようとする使用料金の種類及び額(変更の届出の場合は、新旧の対照を明示すること。)
四実施予定日
五変更の届出の場合は、変更を必要とする理由
2前項の届出書には、使用料金の算出の基礎を記載した書類を添付しなければならない。

(航空灯火設置者の地位の承継の許可申請)

第百三十条法第五十五条第一項の規定による航空灯火の設置者の地位の承継の許可を受けようとする者は、次に掲げる事項を記載した航空灯火設置者地位承継許可申請書を国土交通大臣に提出するものとする。
一承継人の氏名及び住所
二被承継人の氏名及び住所
三航空灯火の名称及び所在地
四承継の条件
五承継をしようとする時期
六承継を必要とする理由
2前項の申請書には、左に掲げる書類を添附するものとする。
一承継の条件を証する書類
二法人又は組合にあつては、承継に関する意思の決定を証する書類
三承継人が当該航空灯火を管理するに足る能力を有する者であることを証する書類

(相続による航空灯火の設置者の地位の承継の届出)

第百三十一条法第五十五条第四項の規定による航空灯火の設置者の地位の承継の届出をしようとする相続人は、次に掲げる事項を記載した航空灯火設置者相続届出書を国土交通大臣に提出するものとする。
一届出者の氏名及び住所並びに被相続人との続柄
二被相続人の氏名及び住所
三航空灯火の名称及び所在地
四相続開始の期日
2前項の届出書には、次に掲げる書類を添付するものとする。
一届出者と被相続人との続柄を証する書類
二届出者以外に相続人があるときは、その者の氏名及び住所を記載した書類並びに当該届出に対するその者の同意書
第百三十二条削除

第四節 昼間障害標識

(昼間障害標識設置物件)

第百三十二条の二法第五十一条の二第一項の規定により昼間障害標識を設置しなければならない物件は、次に掲げるもの(国土交通大臣が昼間障害標識を設置する必要がないと認めたもの及び高光度航空障害灯又は中光度白色航空障害灯を設置するものを除く。)とする。
一煙突、鉄塔、柱その他の物件でその高さに比しその幅が著しく狭いもの(その支線を含み、次号に掲げるものを除く。)
二風力発電設備(三百十五メートル以下の高さのものに限る。)
三骨組構造の物件
四国土交通大臣が告示で定める架空線
五係留気球(その支線を含む。)
六ガスタンク、貯油槽そうその他これに類する物件で、背景とまぎらわしい色彩を有するため航空機からの視認が困難であるもの(進入表面、水平表面、転移表面、延長進入表面、円錐すい表面又は外側水平表面の投影面と一致する区域内にあるものに限る。)
2法第五十一条の二第二項の規定により昼間障害標識を設置する物件は、前項に掲げるもののほか、着陸帯の中にある物件又は進入表面、水平表面、転移表面、延長進入表面、円錐すい表面若しくは外側水平表面の投影面と一致する区域内にある物件であつて航空機の航行の安全を著しく害するおそれがあるものとする。

(昼間障害標識の種類及び設置基準)

第百三十二条の三法第五十一条の二第一項又は第二項の規定により設置する昼間障害標識は、塗色、旗及び標示物とし、その設置の基準は、物件の種類ごとに次の表に掲げるところによる。
物件の種類昼間障害標識の種類設置の方法
一 二から四までに掲げる物件以外の物件イ いかなる垂直面に対してもその投影が高さ及び幅のいずれも一・五メートル以下のもの塗色赤又は黄赤の一色に塗色すること。
ロ いかなる垂直面に対してもその投影が高さ及び幅のいずれも四・五メートル以上であり、かつ、切目のない表面をもつもの(その高さに比しその幅が著しく狭いものを除く。)一 赤と白又は黄赤と白で一辺が一・五メートル以上十メートル以下の方形の格子縞じまに塗色すること。この場合において、隅は白以外の色で塗色すること。二 周囲の物件で遮しやへいされている部分は、塗色しなくてもよい。三 球形その他これに準ずる形状の部分は、その形状に適合した格子縞じまに塗色することができる。
ハ イ及びロ以外のもの一 最上部から黄赤と白の順に交互に帯状に塗色すること。この場合において、帯の幅は、二百十メートル以下の高さの物件にあつては、その七分の一、それ以外の物件にあつては、物件の高さを奇数等分した値であつて、三十メートルを超えず、かつ、三十メートルに最も近いものとする。二 周囲の物件で遮しやへいされている部分は、塗色しなくてもよい。
二 支線旗短辺が〇・六メートル以上の長方形又は正方形で赤若しくは黄赤の一色又は対角線によつて二分された各部分が赤と白、若しくは黄赤と白である旗を支線の中央に設置すること。
三 架空線標示物直径〇・五メートル以上の球形で、赤又は黄赤の一色である標示物と白の一色である標示物を交互に四十五メートルの等間隔に設置すること。
四 係留気球(支線を除く。)及び前条第一項第六号に掲げる物件塗色背景との対比において明らかに識別できるように塗色すること。
2第百二十七条第二項の規定は、昼間障害標識の設置について準用する。この場合において、同項中「前項」とあるのは「第百三十二条の三第一項」と、「航空障害灯」とあるのは「昼間障害標識」と、「光度に」とあるのは「種類に」と読み替えるものとする。

(昼間障害標識の管理の方法)

第百三十二条の四昼間障害標識は、次の方法により管理するものとする。
一昼間障害標識を前条の基準に適合するように維持すること。
二昼間障害標識(旗を除く。)にその機能を損なう支障(その機能の回復に七日以上を要するときに限る。)を生じたとき及びその機能が回復した場合に必要となる国土交通大臣との連絡体制を整備すること。

第六章 航空機の運航

(国籍記号及び登録記号)

第百三十三条航空機の国籍は、装飾体でないローマ字の大文字JA(以下「国籍記号」という。)で表示しなければならない。
第百三十四条法第五条の規定による登録記号(第十章を除き、以下「登録記号」という。)は、装飾体でない四個のアラビア数字又はローマ字の大文字で表示しなければならない。

(国籍記号及び登録記号の表示の方法及び場所)

第百三十五条国籍記号及び登録記号は、耐久性のある方法で、鮮明に表示しなければならない。
第百三十六条登録記号は、国籍記号の後に連記しなければならない。
第百三十七条国籍記号及び登録記号の表示の方法及び場所は、左の通りとする。
一飛行機及び滑空機の場合には、主翼面と尾翼面又は主翼面と胴体面とに表示するものとする。
イ主翼面にあつては、右最上面及び左最下面に表示し、主翼の前縁及び後縁より等距離に配置し、国籍記号及び登録記号の頂は、主翼の前縁に向けるものとする。但し、各記号は、補助翼及びフラツプにわたつてはならない。
ロ尾翼面にあつては、垂直尾翼の両最外側面に、尾翼の各縁から五センチメートル以上離して、水平又は垂直に配置するものとする。
ハ胴体面にあつては、主翼と尾翼の間にある胴体の両最外側面に表示し、水平安定板の前縁の直前方に、水平又は垂直に配置するものとする。
二回転翼航空機の場合には、胴体底面及び胴体側面に表示する。
イ胴体底面にあつては、胴体の最大横断面附近に配置し、各記号の頂は、胴体左側に向けるものとする。
ロ胴体側面にあつては、主回転翼の軸と補助回転翼の軸との間の胴体両側面又は動力装置のある附近の両側面に、水平又は垂直に配置するものとする。
三飛行船の場合には、船体面又は水平安定板面及び垂直安定板面に表示するものとする。
イ船体面にあつては、対称軸と直角に交わる最大横断面附近の上面及び両側面に配置するものとする。
ロ水平安定板面にあつては、右上面及び左下面に配置し、国籍記号及び登録記号の頂は、水平安定板の前縁に向けるものとする。
ハ垂直安定板面にあつては、下方の垂直安定板の両側面に水平に配置するものとする。
第百三十八条国籍記号及び登録記号に使用する文字及び数字(以下「各記号」という。)の高さは次のとおりとする。
一飛行機及び滑空機
イ主翼面に表示する場合は、五十センチメートル以上
ロ垂直尾翼に表示する場合は、十五センチメートル
ハ胴体面に表示する場合は、十五センチメートル以上
二回転翼航空機
イ胴体底面に表示する場合は、五十センチメートル以上
ロ胴体側面に表示する場合は、十五センチメートル以上
三飛行船
イ船体面に表示する場合は、五十センチメートル以上
ロ水平安定板及び垂直安定板に表示する場合は、十五センチメートル
第百三十九条各記号の幅、線の太さ、間隔及び色は左の通りとする。
一幅は、各記号の高さの三分の二とする。但し、アラビヤ数字の1はこの限りでない。
二線の太さは、各記号の高さの六分の一であつて、中実線とする。
三間隔は、各記号の幅の四分の一以上であつて、二分の一をこえないものとする。
四色は、各記号を表示する場所の地色と鮮明に判別できるものとする。
第百四十条第百三十七条から前条までの規定にかかわらず、国土交通大臣が支障がないと認めた場合は、この限りでない。

(識別板)

第百四十一条航空機の所有者の氏名又は名称及び住所並びにその航空機の国籍記号及び登録記号を打刻した長さ七センチメートル、幅五センチメートルの耐火性材料で作つた識別板を当該航空機の出入口の見やすい場所に取り付けなければならない。

(航空日誌)

第百四十二条法第五十八条第一項の規定により航空機の使用者が備えなければならない航空日誌は、法第百三十一条各号に掲げる航空機以外の航空機については搭載用航空日誌又は滑空機用航空日誌とし、法第百三十一条各号に掲げる航空機については搭載用航空日誌とする。
2法第五十八条第二項の規定により航空日誌に記載すべき事項は、次のとおりとする。
一搭載用航空日誌
イ航空機の国籍、登録記号、登録番号及び登録年月日
ロ航空機の種類、型式及び型式証明書番号
ハ耐空類別及び耐空証明書番号
ニ航空機の製造者、製造番号及び製造年月日
ホ発動機及びプロペラの型式
ヘ航行に関する次の記録
(一)航行年月日
(二)乗組員の氏名及び業務
(三)航行目的又は便名
(四)出発地及び出発時刻
(五)到着地及び到着時刻
(六)航行時間
(七)航空機の航行の安全に影響のある事項
(八)機長の署名
ト製造後の総航行時間及び最近のオーバーホール後の総航行時間
チ発動機及びプロペラの装備換えに関する次の記録
(一)装備換えの年月日及び場所
(二)発動機及びプロペラの製造者及び製造番号
(三)装備換えを行つた箇所及び理由
リ修理、改造又は整備の実施に関する次の記録
(一)実施の年月日及び場所
(二)実施の理由、箇所及び交換部品名
(三)確認年月日及び確認を行つた者の署名又は記名押印
二滑空機用航空日誌
イ滑空機の国籍、登録記号、登録番号及び登録年月日
ロ滑空機の型式及び型式証明書番号
ハ耐空類別及び耐空証明書番号
ニ滑空機の製造者、製造番号及び製造年月日
ホ飛行に関する次の記録
(一)飛行年月日
(二)乗組員氏名
(三)飛行目的
(四)飛行の区間又は場所
(五)飛行の時間又は回数
(六)滑空機の飛行の安全に影響のある事項
(七)機長の署名
ヘ修理、改造又は整備の実施に関する次の記録
(一)実施の年月日及び場所
(二)実施の理由、箇所及び交換部品名
(三)確認年月日及び確認を行つた者の署名又は記名押印
3前項の規定にかかわらず、法第百三十一条各号に掲げる航空機の搭載用航空日誌には、同項第一号イ及びヘに掲げる事項を記載すればよい。

(航空機登録証明書等の備付けを免除される航空機)

第百四十三条法第五十九条の国土交通省令で定める航空機は、次のとおりとする。
一滑空機
二製造後最初の航行(本邦外から出発して本邦内に到達するものであつて、回送の場合に限る。)を行う航空機であつて、次に掲げる書類を備え付けたもの
イ航空機登録証明書の写し
ロ耐空証明書の写し
ハ搭載用航空日誌
ニ運用限界等指定書の写し
ホ飛行規程(運航規程に飛行規程に相当する事項が記載されている場合を除く。)
ヘ飛行の区間、飛行の方式その他飛行の特性に応じて適切な航空図
ト運航規程(航空運送事業の用に供する場合に限る。)

(航空機に備え付ける書類)

第百四十四条法第五十九条第三号の航空日誌は、搭載用航空日誌とする。
第百四十四条の二法第五十九条第四号の国土交通省令で定める航空の安全のために必要な書類は、次に掲げる書類とする。
一運用限界等指定書
二飛行規程
三飛行の区間、飛行の方式その他飛行の特性に応じて適切な航空図
四運航規程(航空運送事業の用に供する場合に限る。)
2前項の規定にかかわらず、運航規程に飛行規程に相当する事項が記載されている場合には、飛行規程は法第五十九条第四号の航空の安全のために必要な書類に含まれないものとする。

(航空機の航行の安全を確保するための装置)

第百四十五条法第六十条の規定により、計器飛行等を行う航空機に装備しなければならない装置は、次の表の飛行の区分に応じ、それぞれ、同表の装置の欄に掲げる装置であつて、同表の数量の欄に掲げる数量以上のものとする。ただし、航空機のあらゆる姿勢を指示することができるジャイロ式姿勢指示器を装備している航空機にあつてはジャイロ式旋回計、自衛隊の使用する航空機のうち国土交通大臣が指定する型式のものにあつては外気温度計、航空運送事業の用に供する最大離陸重量が五千七百キログラムを超える飛行機(同表の規定によりVOR受信装置を装備しなければならないこととされるものに限る。)以外の航空機にあつては機上DME装置は、装備しなくてもよいものとする。
飛行の区分装置数量
計器飛行一 ジャイロ式姿勢指示器一(航空運送事業の用に供する最大離陸重量が五千七百キログラムを超える飛行機にあつては、二)
二 ジャイロ式方向指示器一
三 ジャイロ式旋回計一
四 すべり計一
五 精密高度計一(航空運送事業の用に供する最大離陸重量が五千七百キログラムを超える飛行機にあつては、二)
六 昇降計一
七 ピトー管凍結防止装置付速度計一(航空運送事業の用に供する最大離陸重量が五千七百キログラムを超える飛行機にあつては、二)
八 外気温度計一
九 秒刻み時計一
十 機上DME装置一
十一 次に掲げる装置のうち、その飛行中常時、NDB、VOR、タカン又は測位衛星からの電波を受信することが可能となるものイ 方向探知機ロ VOR受信装置ハ 機上タカン装置ニ 衛星航法装置(NDBからの電波の受信により飛行する場合にイに掲げる装置に代わる装置として装備するものに限る。)一(航空運送事業の用に供する最大離陸重量が五千七百キログラムを超える飛行機(この号に掲げる装置で現に装備するもの以外の装置であつて、その飛行中常時、針路の測定を行うことを可能とするものを装備するものを除く。)にあつては、二)
法第三十四条第一項第二号に掲げる飛行計器飛行の項第八号から第十一号までに掲げる装置計器飛行の項第八号から第十一号までに掲げる装置に応じ、当該各号に掲げる数量
計器飛行方式による飛行一 計器飛行の項第一号から第十号までに掲げる装置計器飛行の項第一号から第十号までに掲げる装置に応じ、当該各号に掲げる数量
二 次に掲げる装置のうち、その飛行に係る飛行の経路に応じ、当該飛行の経路を構成するNDB、VOR、タカン又は測位衛星からの電波を受信するためのものイ 方向探知機ロ VOR受信装置ハ 機上タカン装置ニ 衛星航法装置(NDBからの電波の受信により飛行する場合にイに掲げる装置に代わる装置として装備するものに限る。)一(航空運送事業の用に供する最大離陸重量が五千七百キログラムを超える飛行機(この号に掲げる装置で現に装備するもの以外の装置であつて、着陸に適した空港等までの飛行を行うことを可能とするものを装備するものを除く。)にあつては、二)
2前項の規定にかかわらず、第百九十一条の二第一項第四号に掲げる飛行中にあつては、方向探知機、VOR受信装置及び機上タカン装置は、装備しなくてもよいものとする。
第百四十六条法第六十条の規定により、管制区、管制圏、情報圏又は民間訓練試験空域を航行する航空機に装備しなければならない装置は、次の各号に掲げる場合に応じ、それぞれ、当該各号に掲げる装置であつて、当該各号に掲げる数量以上のものとする。
一管制区又は管制圏を航行する場合いかなるときにおいても航空交通管制機関と連絡することができる無線電話一(航空運送事業の用に供する最大離陸重量が五千七百キログラムを超える飛行機にあつては、二)
二管制区又は管制圏のうち、計器飛行方式又は有視界飛行方式の別に国土交通大臣が告示で指定する空域を当該空域の指定に係る飛行の方式により飛行する場合四千九十六以上の応答符号を有し、かつ、モードAの質問電波又はモード三の質問電波に対して航空機の識別記号を応答する機能及びモードCの質問電波に対して航空機の高度を応答する機能を有する航空交通管制用自動応答装置一
三情報圏又は民間訓練試験空域を航行する場合(第二百二条の五第一項第一号又は第二項第一号に該当する場合を除く。)いかなるときにおいても航空交通管制機関又は当該空域における他の航空機の航行に関する情報(以下「航空交通情報」という。)を提供する機関と連絡することができる無線電話一
第百四十七条法第六十条の規定により、航空運送事業の用に供する航空機に装備しなければならない装置は、次の各号に掲げる装置であつて、当該各号に掲げる数量以上のものとする。
一航行中いかなるときにおいても航空交通管制機関と連絡することができる無線電話一(最大離陸重量が五千七百キログラムを超える飛行機にあつては、二)
二ILS受信装置(ILSが設置されている空港等に着陸する最大離陸重量が五千七百キログラムを超える飛行機に限る。)一
三気象レーダー(雲の状況を探知するためのレーダーをいう。)(最大離陸重量が五千七百キログラムを超える飛行機に限る。)一
四次に掲げる機能を有する対地接近警報装置(客席数が五を超え九以下及び最大離陸重量が五千七百キログラム以下であり、かつ、タービン発動機を装備した飛行機であつて、最初の法第十条第一項の規定による耐空証明又は国際民間航空条約の締約国たる外国による耐空性についての証明その他の行為(以下「耐空証明等」という。)が令和八年一月一日以後になされたもの並びに客席数が九又は最大離陸重量が五千七百キログラムを超え、かつ、ピストン発動機を装備した飛行機に限る。)一
イ過大な降下率に対して警報を発する機能
ロ離陸後又は着陸復行後の過大な高度の喪失に対して警報を発する機能
ハ前方の地表との接近に対して警報を発する機能
ニ地表との距離が十分でない場合に警報を発する機能
四の二次に掲げる機能を有する対地接近警報装置(客席数が九又は最大離陸重量が五千七百キログラムを超え、かつ、タービン発動機を装備した飛行機に限る。)一
イ前号イからハまでに掲げる機能
ロ過大な対地接近率に対して警報を発する機能
ハ脚が下がつておらず、かつ、フラップが着陸位置にない場合であつて地表との距離が十分でないときに警報を発する機能
ニグライドパスからの過大な下方偏移に対して警報を発する機能
五国際民間航空条約の附属書六第一部第四十七改訂版に規定する滑走路逸脱警報装置(最大離陸重量が五千七百キログラムを超え、かつ、タービン発動機を装備した飛行機であつて、最初の耐空証明等が令和八年一月一日以後になされたものに限る。)一
六国際民間航空条約の附属書十第四巻第九十一改訂版に定める基準に適合する航空機衝突防止装置(客席数が十九又は最大離陸重量が五千七百キログラムを超え、かつ、タービン発動機を装備した飛行機に限る。)一
七けん銃の弾丸及び手りゆう弾の破片の貫通並びに乗組員室への入室が認められていない者の入室を防止し、かつ、操縦者の定位置からの施錠及び解錠が可能な乗組員室ドア(客席数が六十又は最大離陸重量が四万五千五百キログラムを超え、かつ、旅客を運送する飛行機に限る。)客室から乗組員室に通じる出入口の数
第百四十七条の二法第六十条の規定により、航空運送事業の用に供する飛行機以外の飛行機(自衛隊が使用するものを除く。)に装備しなければならない装置は、次に掲げる装置とする。
一前条第四号イからニまでに掲げる機能を有する対地接近警報装置(客席数が九又は最大離陸重量が五千七百キログラムを超え、かつ、タービン発動機を装備した飛行機に限る。)
二飛行中他の航空機との衝突のおそれがある場合に警報を発し、かつ、垂直方向の回避情報を提供する機能を有する航空機衝突防止装置(客席数が三十又は最大離陸重量が一万五千キログラムを超え、かつ、タービン発動機を装備した飛行機であって、最初の耐空証明等が平成十九年一月一日以後になされたものに限る。)
第百四十七条の三法第六十条の規定により、第百九十一条の二第一項各号に掲げる航行を行う航空機に装備しなければならない装置は、当該各号に掲げる航行の区分ごとに航空機の航行の安全を確保するために必要なものとして国土交通大臣が告示で定める装置であつて、告示で定める数量以上のものとする。

(法第六十条ただし書の許可の申請)

第百四十八条法第六十条ただし書の許可を受けようとする者は、次に掲げる事項を記載した申請書を国土交通大臣に提出しなければならない。
一氏名及び住所
二航空機の型式並びに航空機の国籍及び登録記号
三飛行計画の概要(飛行の目的、日時及び経路(第百四十六条に規定する装置の装備に関する許可を受けようとする場合にあつては、飛行の目的、日時及び経路並びに計器飛行方式又は有視界飛行方式の別)を明記すること。)
四法第三十四条第一項各号に掲げる飛行の別(第百四十五条第一項に規定する装置の装備に関する許可を受けようとする場合に限る。)
五装備することができない装置及びその数量
六装備することができない理由
七操縦者の氏名及び資格
八その他参考となる事項

(航空機の運航の状況を記録するための装置)

第百四十九条法第六十一条第一項の規定により、次の表の航空機の種別の欄に掲げる航空機(自衛隊が使用するものを除く。)に装備し、及び作動させなければならない航空機の運航の状況を記録するための装置は、それぞれ同表の装置の欄に掲げる装置とする。
航空機の種別装置
飛行機一 航空運送事業の用に供する最大離陸重量が五千七百キログラムを超えるものであつて、最初の耐空証明等が平成三年十月十一日前になされたもの一 次に掲げる事項を記録することができる飛行記録装置(記録媒体に金属箔、写真フィルム又は磁気テープを用いておらず、かつ、変調方式が主搬送波をアナログ信号により変調する周波数変調でないものに限る。以下この表において同じ。)イ 時刻又は経過時間ロ 気圧高度ハ 対気速度ニ 機首方位ホ 縦揺れ角ヘ 横揺れ角ト 垂直加速度チ 横加速度リ 方向舵だペダルの操作量又は方向舵だの変位量、操縦桿かんの操作量又は昇降舵だの変位量及び操縦輪の操作量又は補助翼の変位量(非機械式操縦装置を装備している航空機にあつては、方向舵だペダルの操作量及び方向舵だの変位量、操縦桿かんの操作量及び昇降舵だの変位量並びに操縦輪の操作量及び補助翼の変位量)ヌ 縦のトリム装置の変位量ル フラップ操作装置の操作量又はフラップの変位量ヲ 各発動機の出力又は推力ワ 逆推力装置の位置カ 航空交通管制機関と連絡した時刻二 連続した最新の二時間以上の音声を記録することができる操縦室用音声記録装置(記録媒体に磁気テープ又は磁気ワイヤーを用いていないものに限る。以下この表において同じ。)三 データリンク通信を行うために平成三十年六月一日以後に改造(国土交通大臣が定める改造を除く。以下この表において同じ。)をするものにあつては、操縦室用音声記録装置が音声を記録することができる時間と同じ時間のデータリンク通信の内容を記録することができる装置
 二 航空運送事業の用に供する最大離陸重量が五千七百キログラムを超え二万七千キログラム以下のものであつて、最初の耐空証明等が平成三年十月十一日以後平成十七年一月一日前になされたもの一 次に掲げる事項を記録することができる飛行記録装置(以下この表において「タイプⅡに準じた飛行記録装置」という。)イ 時刻又は経過時間ロ 気圧高度ハ 外気温度ニ 対気速度ホ 機首方位ヘ 縦揺れ角ト 横揺れ角チ 垂直加速度リ 横加速度ヌ 方向舵だペダルの操作量又は方向舵だの変位量、操縦桿かんの操作量又は昇降舵だの変位量及び操縦輪の操作量又は補助翼の変位量(非機械式操縦装置を装備している航空機にあつては、方向舵だペダルの操作量及び方向舵だの変位量、操縦桿かんの操作量及び昇降舵だの変位量並びに操縦輪の操作量及び補助翼の変位量)ル 縦のトリム装置の変位量ヲ 前縁フラップ操作装置の操作量又は前縁フラップの変位量ワ 後縁フラップ操作装置の操作量又は後縁フラップの変位量カ グラウンドスポイラー操作装置の操作量又はグラウンドスポイラーの変位量及びスピードブレーキ操作装置の操作量又はスピードブレーキの変位量ヨ 各発動機の出力又は推力タ 逆推力装置の位置レ 自動操縦装置、発動機の出力又は推力の自動調整装置及び自動飛行制御装置の作動状況及び作動モードソ 航空交通管制機関と連絡した時刻二 連続した最新の二時間以上の音声を記録することができる操縦室用音声記録装置三 データリンク通信を行うために平成三十年六月一日以後に改造をするものにあつては、操縦室用音声記録装置が音声を記録することができる時間と同じ時間のデータリンク通信の内容を記録することができる装置
 三 最大離陸重量が二万七千キログラムを超えるものであつて、最初の耐空証明等が平成三年十月十一日以後平成十七年一月一日前になされたもの一 航空運送事業の用に供するものにあつては国際民間航空条約の附属書六第一部第二十七改訂版、航空運送事業の用に供するもの以外のものにあつては同附属書第二部第二十二改訂版に規定するタイプⅠの飛行記録装置二 連続した最新の二時間以上の音声を記録することができる操縦室用音声記録装置三 データリンク通信を行うために平成三十年六月一日以後に改造をするものにあつては、操縦室用音声記録装置が音声を記録することができる時間と同じ時間のデータリンク通信の内容を記録することができる装置
 四 最大離陸重量が五千七百キログラムを超えるものであつて、最初の耐空証明等が平成十七年一月一日以後になされ、かつ、その型式の設計について最初の法第十二条第一項の規定による型式証明又は国際民間航空条約の締約国たる外国による型式証明その他の行為(以下「型式証明等」という。)の申請の受理その他の行為(以下「申請の受理等」という。)が平成二十八年一月一日前になされたもの(第八号に掲げるものを除く。)一 航空運送事業の用に供するものにあつては国際民間航空条約の附属書六第一部第二十七改訂版、航空運送事業の用に供するもの以外のものにあつては同附属書第二部第二十二改訂版に規定するタイプⅠAの飛行記録装置(以下この表において単に「旧タイプⅠAの飛行記録装置」という。)二 連続した最新の二時間以上の音声を記録することができる操縦室用音声記録装置三 次に掲げるものにあつては、操縦室用音声記録装置が音声を記録することができる時間と同じ時間のデータリンク通信の内容を記録することができる装置イ 最初の耐空証明等が平成三十年六月一日前になされ、かつ、データリンク通信を行うために平成三十年六月一日以後に改造をするものロ 最初の耐空証明等が平成三十年六月一日以後になされ、かつ、データリンク通信を行うもの
五 航空運送事業の用に供するタービン発動機を装備した最大離陸重量が二千二百五十キログラム以下のものであつて、最初の耐空証明等が平成十七年一月一日以後になされ、かつ、その型式の設計について最初の型式証明等の申請の受理等が平成二十八年一月一日以後になされたもの国際民間航空条約の附属書六第一部第四十改訂版に規定するタイプⅡの飛行記録装置(方向舵だペダルの操作量又は方向舵だの変位量(方向舵だの変位量が方向舵だペダルに反映されない航空機にあつては、方向舵だペダルの操作量及び方向舵だの変位量)、操縦桿かんの操作量又は昇降舵だの変位量(昇降舵だの変位量が操縦桿かんに反映されない航空機にあつては、操縦桿かんの操作量及び昇降舵だの変位量)及び操縦輪の操作量又は補助翼の変位量(補助翼の変位量が操縦輪に反映されない航空機にあつては、操縦輪の操作量及び補助翼の変位量)を〇・一二五秒以下の間隔で記録し、かつ、垂直加速度、横加速度及び縦加速度を〇・〇六二五秒以下の間隔で記録することができるものに限る。)、クラスCの航空機映像記録装置又は航空機情報記録システム(以下この表において「タイプⅡの飛行記録装置等」という。)
六 航空運送事業の用に供するタービン発動機を装備した最大離陸重量が二千二百五十キログラムを超え五千七百キログラム以下のものであつて、最初の耐空証明等が平成十七年一月一日以後になされ、かつ、その型式の設計について最初の型式証明等の申請の受理等が平成二十八年一月一日以後になされたもの一 タイプⅡの飛行記録装置等二 操縦のために二人を要するものにあつては、連続した最新の二時間以上の音声を記録することができる操縦室用音声記録装置又は操縦室用音響記録システム(記録媒体に磁気テープ又は磁気ワイヤーを用いていないものに限る。)三 次に掲げるものにあつては、操縦室用音声記録装置が音声を記録することができる時間と同じ時間のデータリンク通信の内容を記録することができる装置イ 最初の耐空証明等が平成三十年六月一日前になされ、かつ、データリンク通信を行うために平成三十年六月一日以後に改造をするものロ 最初の耐空証明等が平成三十年六月一日以後になされ、かつ、データリンク通信を行うもの
七 最大離陸重量が五千七百キログラムを超えるものであつて、最初の耐空証明等が平成十七年一月一日以後になされ、かつ、その型式の設計について最初の型式証明等の申請の受理等が平成二十八年一月一日以後令和五年一月一日前になされたもの(第九号に掲げるものを除く。)一 航空運送事業の用に供するものにあつては国際民間航空条約の附属書六第一部第四十改訂版、航空運送事業の用に供するもの以外のものにあつては同附属書第二部第三十四改訂版に規定するタイプⅠAの飛行記録装置(方向舵だペダルの操作量又は方向舵だの変位量(方向舵だの変位量が方向舵だペダルに反映されない航空機にあつては、方向舵だペダルの操作量及び方向舵だの変位量)、操縦桿かんの操作量又は昇降舵だの変位量(昇降舵だの変位量が操縦桿かんに反映されない航空機にあつては、操縦桿かんの操作量及び昇降舵だの変位量)及び操縦輪の操作量又は補助翼の変位量(補助翼の変位量が操縦輪に反映されない航空機にあつては、操縦輪の操作量及び補助翼の変位量)を〇・一二五秒以下の間隔で記録し、かつ、航空運送事業の用に供する航空機にあつては、垂直加速度、横加速度及び縦加速度を〇・〇六二五秒以下の間隔で記録することができるものに限る。以下この表において単に「タイプⅠAの飛行記録装置」という。)二 連続した最新の二時間以上の音声を記録することができる操縦室用音声記録装置三 次に掲げるものにあつては、操縦室用音声記録装置が音声を記録することができる時間と同じ時間のデータリンク通信の内容を記録することができる装置イ 最初の耐空証明等が平成三十年六月一日前になされ、かつ、データリンク通信を行うために平成三十年六月一日以後に改造をするものロ 最初の耐空証明等が平成三十年六月一日以後になされ、かつ、データリンク通信を行うもの
八 最大離陸重量が二万七千キログラムを超えるものであつて、最初の耐空証明等が令和四年一月一日以後になされ、かつ、その型式の設計について最初の型式証明等の申請の受理等が平成二十八年一月一日前になされたもの一 旧タイプⅠAの飛行記録装置二 航空運送事業の用に供するものにあつては連続した最新の二十五時間以上、航空運送事業の用に供するもの以外のものにあつては連続した最新の二時間以上の音声を記録することができる操縦室用音声記録装置三 データリンク通信を行うものにあつては、操縦室用音声記録装置が音声を記録することができる時間と同じ時間のデータリンク通信の内容を記録することができる装置
九 最大離陸重量が二万七千キログラムを超えるものであつて、最初の耐空証明等が令和四年一月一日以後になされ、かつ、その型式の設計について最初の型式証明等の申請の受理等が平成二十八年一月一日以後令和五年一月一日前になされたもの一 タイプⅠAの飛行記録装置二 航空運送事業の用に供するものにあつては連続した最新の二十五時間以上、航空運送事業の用に供するもの以外のものにあつては連続した最新の二時間以上の音声を記録することができる操縦室用音声記録装置三 データリンク通信を行うものにあつては、操縦室用音声記録装置が音声を記録することができる時間と同じ時間のデータリンク通信の内容を記録することができる装置
十 最大離陸重量が五千七百キログラムを超え二万七千キログラム以下のものであつて、最初の耐空証明等が令和四年一月一日以後になされ、かつ、その型式の設計について最初の型式証明等の申請の受理等が令和五年一月一日以後になされたもの一 国際民間航空条約の附属書六第一部第四十三改訂版の表A八―一に記載された事項を記録することができる飛行記録装置二 連続した最新の二時間以上の音声を記録することができる操縦室用音声記録装置三 データリンク通信を行うものにあつては、操縦室用音声記録装置が音声を記録することができる時間と同じ時間のデータリンク通信の内容を記録することができる装置
十一 最大離陸重量が二万七千キログラムを超えるものであつて、最初の耐空証明等が令和四年一月一日以後になされ、かつ、その型式の設計について最初の型式証明等の申請の受理等が令和五年一月一日以後になされたもの一 国際民間航空条約の附属書六第一部第四十三改訂版の表A八―一に記載された事項を記録することができる飛行記録装置二 航空運送事業の用に供するものにあつては連続した最新の二十五時間以上、航空運送事業の用に供するもの以外のものにあつては連続した最新の二時間以上の音声を記録することができる操縦室用音声記録装置三 データリンク通信を行うものにあつては、操縦室用音声記録装置が音声を記録することができる時間と同じ時間のデータリンク通信の内容を記録することができる装置
回転翼航空機一 航空運送事業の用に供する最大離陸重量が三千百七十五キログラムを超え七千キログラム以下のものであつて、最初の耐空証明等が平成三年十月十一日以後平成二十八年一月一日前になされたもの一 連続した最新の二時間以上の音声及び主回転翼回転速度(飛行記録装置において主回転翼回転速度を記録している場合を除く。)を記録することができる操縦室用音声記録装置二 データリンク通信を行うために平成三十年六月一日以後に改造をするものにあつては、操縦室用音声記録装置が音声を記録することができる時間と同じ時間のデータリンク通信の内容を記録することができる装置
二 最大離陸重量が七千キログラムを超えるものであつて、最初の耐空証明等が平成三年十月十一日以後平成二十八年一月一日前になされたもの一 次に掲げる事項を記録することができる飛行記録装置イ 時刻又は経過時間ロ 気圧高度ハ 外気温度ニ 対気速度ホ 機首方位ヘ 縦揺れ角ト 横揺れ角チ 垂直加速度リ 横加速度ヌ 機軸方向の加速度ル 偏かた揺れ角加速度又は角速度ヲ ペダルの操作量又はテールロータピッチの変位量、サイクリックレバーの操作量又はサイクリックピッチの変位量及びコレクティブレバーの操作量又はコレクティブピッチの変位量(非機械式操縦装置を装備している航空機にあつては、ペダルの操作量及びテールロータピッチの変位量、サイクリックレバーの操作量及びサイクリックピッチの変位量並びにコレクティブレバーの操作量及びコレクティブピッチの変位量)ワ 各発動機の出力カ 主ギアボックスの油圧ヨ 主ギアボックスの油温タ 主回転翼回転速度レ 脚操作装置の選択位置又は脚の位置ソ 自動操縦装置、発動機の出力の自動調整装置及び自動飛行制御装置の作動状況及び作動モードツ 安定増大システムの作動状況ネ 航法装置の選択周波数(デジタル信号により入力できる場合に限る。)ナ 機上DME装置の指示量(デジタル信号により入力できる場合に限る。)ラ グライドパスからの偏移量ム コースラインからの偏移量ウ マーカービーコンの通過ヰ 電波高度ノ 主警報装置の作動状況オ 各油圧システムの低圧警報装置の作動状況ク 航法データ(緯度及び経度並びに対地速度)(当該事項を入力できる場合に限る。)ヤ 機外つり下げ荷重マ 航空交通管制機関と連絡した時刻二 連続した最新の二時間以上の音声を記録することができる操縦室用音声記録装置三 データリンク通信を行うために平成三十年六月一日以後に改造をするものにあつては、操縦室用音声記録装置が音声を記録することができる時間と同じ時間のデータリンク通信の内容を記録することができる装置
三 最大離陸重量が三千百七十五キログラムを超え七千キログラム以下のものであつて、最初の耐空証明等が平成二十八年一月一日以後になされ、かつ、その型式証明等の申請の受理等が令和五年一月一日前になされたもの一 国際民間航空条約の附属書六第三部第二十改訂版に規定するタイプⅣAの飛行記録装置(以下この表において単に「タイプⅣAの飛行記録装置」という。)二 航空運送事業の用に供するものにあつては連続した最新の二時間以上の音声を記録することができる操縦室用音声記録装置三 航空運送事業の用に供するものであつて次に掲げるものにあつては、操縦室用音声記録装置が音声を記録することができる時間と同じ時間のデータリンク通信の内容を記録することができる装置イ 最初の耐空証明等が平成三十年六月一日前になされ、かつ、データリンク通信を行うために平成三十年六月一日以後に改造をするものロ 最初の耐空証明等が平成三十年六月一日以後になされ、かつ、データリンク通信を行うもの
四 最大離陸重量が七千キログラムを超えるものであつて、最初の耐空証明等が平成二十八年一月一日以後になされ、かつ、その型式証明等の申請の受理等が令和五年一月一日前になされたもの一 タイプⅣAの飛行記録装置二 連続した最新の二時間以上の音声を記録することができる操縦室用音声記録装置三 次に掲げるものにあつては、操縦室用音声記録装置が音声を記録することができる時間と同じ時間のデータリンク通信の内容を記録することができる装置イ 最初の耐空証明等が平成三十年六月一日前になされ、かつ、データリンク通信を行うために平成三十年六月一日以後に改造をするものロ 最初の耐空証明等が平成三十年六月一日以後になされ、かつ、データリンク通信を行うもの
五 航空運送事業の用に供するタービン発動機を装備した最大離陸重量が二千二百五十キログラムを超え三千百七十五キログラム以下のものであつて、最初の耐空証明等が平成二十八年一月一日以後になされ、かつ、その型式の設計について最初の型式証明等の申請の受理等が平成三十年一月一日以後になされたものタイプⅣAの飛行記録装置、クラスCの航空機映像記録装置又は航空機情報記録システム
六 最大離陸重量が三千百七十五キログラムを超え七千キログラム以下のものであつて、最初の耐空証明等が平成二十八年一月一日以後になされ、かつ、その型式証明等の申請の受理等が令和五年一月一日以後になされたもの一 航空運送事業の用に供するものにあつては国際民間航空条約の附属書六第三部第二十二改訂版の表A四―一に記載された事項を記録する飛行記録装置、航空運送事業の用に供するもの以外のものにあつてはタイプⅣAの飛行記録装置二 航空運送事業の用に供するものにあつては連続した最新の二時間以上の音声を記録することができる操縦室用音声記録装置三 航空運送事業の用に供するものであつて次に掲げるものにあつては、操縦室用音声記録装置が音声を記録することができる時間と同じ時間のデータリンク通信の内容を記録することができる装置イ 最初の耐空証明等が平成三十年六月一日前になされ、かつ、データリンク通信を行うために平成三十年六月一日以後に改造をするものロ 最初の耐空証明等が平成三十年六月一日以後になされ、かつ、データリンク通信を行うもの
七 最大離陸重量が七千キログラムを超えるものであつて、最初の耐空証明等が平成二十八年一月一日以後になされ、かつ、その型式証明等の申請の受理等が令和五年一月一日以後になされたもの一 航空運送事業の用に供するものにあつては国際民間航空条約の附属書六第三部第二十二改訂版の表A四―一に記載された事項を記録する飛行記録装置、航空運送事業の用に供するもの以外のものにあつてはタイプⅣAの飛行記録装置二 連続した最新の二時間以上の音声を記録することができる操縦室用音声記録装置三 次に掲げるものにあつては、操縦室用音声記録装置が音声を記録することができる時間と同じ時間のデータリンク通信の内容を記録することができる装置イ 最初の耐空証明等が平成三十年六月一日前になされ、かつ、データリンク通信を行うために平成三十年六月一日以後に改造をするものロ 最初の耐空証明等が平成三十年六月一日以後になされ、かつ、データリンク通信を行うもの
2飛行記録装置、航空機映像記録装置及び航空機情報記録システムは、離陸に係る滑走を始めるときから着陸に係る滑走を終えるまでの間、常時作動させなければならない。
3操縦室用音声記録装置、操縦室用音響記録システム及びデータリンク通信の内容を記録することができる装置は、飛行の目的で発動機を始動させたときから飛行の終了後発動機を停止させるまでの間、常時作動させなければならない。
4航空運送事業の用に供する飛行機の運航の状況を記録するための装置の格納容器には、水中で自動的に作動し、かつ、九十日以上作動する三十七・五キロヘルツの周波数を使用する位置情報発信機を取り付けなければならない。

(法第六十一条第一項ただし書の許可の申請)

第百四十九条の二法第六十一条第一項ただし書の許可を受けようとする者は、次に掲げる事項を記載した申請書を国土交通大臣に提出しなければならない。
一氏名及び住所
二航空機の型式並びに航空機の国籍及び登録記号
三飛行計画の概要(飛行の目的、日時及び経路を明記すること。)
四装備することができない装置又は作動させることができない装置
五装備することができない理由又は作動させることができない理由
六操縦者の氏名及び資格
七その他参考となる事項

(法第六十一条第二項の航空機の使用者が保存すべき記録)

第百四十九条の三法第六十一条第二項の規定により、同項に規定する航空機の使用者が保存しなければならない記録は、飛行記録装置による記録であつて、次に掲げる運航(発動機を停止している間を除く。)に係るもの(記録された後六十日を経過したものを除く。)とする。
一当該航空機が飛行機である場合にあつては、その航空機の最新の二十五時間の運航
二当該航空機が回転翼航空機である場合にあつては、その航空機の最新の十時間の運航

(救急用具)

第百五十条航空機(搭乗者がいないものを除く。)は、次の表の第一欄に掲げる区分に応じ、それぞれ同表の第二欄に掲げる品目の救急用具を、同表の第三欄に掲げる数量、同表の第四欄に掲げる条件に従つて装備しなければこれを航空の用に供してはならない。
区分品目数量条件
一イ 多発の飛行機(航空運送事業の用に供するものに限る。)であつて次のいずれかに該当するものが、緊急着陸に適した陸岸から巡航速度で二時間に相当する飛行距離又は七百四十キロメートルのいずれか短い距離以上離れた水上を飛行する場合(一) 臨界発動機が不作動の場合にも運航規程に定める最低安全飛行高度を維持して飛行し目的の空港等又は代替空港等に着陸できるもの(二) 二発動機が不作動の場合にも緊急着陸に適した空港等に着陸できるものロ 多発の飛行機(航空運送事業の用に供するものを除く。)であつて一発動機が不作動の場合にも緊急着陸に適した空港等に着陸できるものが、緊急着陸に適した陸岸から三百七十キロメートル以上離れた水上を飛行する場合ハ 多発の回転翼航空機が緊急着陸に適した陸岸から巡航速度で十分に相当する飛行距離以上離れた水上を飛行する場合ニ 単発の回転翼航空機がオートロテイションにより陸岸に緊急着陸することが可能な地点を越えて水上を飛行する場合ホ イからニまでに掲げる航空機以外の航空機が緊急着陸に適した陸岸から巡航速度で三十分に相当する飛行距離又は百八十五キロメートルのいずれか短い距離以上離れた水上を飛行する場合非常信号灯(ハ又はニに掲げる飛行をする回転翼航空機のうち、旅客を運送する航空運送事業の用に供するもの以外のものであつて、緊急着陸に適した陸岸から巡航速度で三十分に相当する飛行距離又は百八十五キロメートルのいずれか短い距離以上離れた水上を飛行しないものを除く。)一一 救命胴衣又はこれに相当する救急用具は、各座席から取りやすい場所に置き、その所在及び使用方法を旅客に明らかにしておかなければならない。二 救命ボートは、搭乗者全員を収容できるものでなければならない。三 救急箱には、医療品一式を入れておかなければならない。四 緊急用フロートは、安全に着水できるものでなければならない。
防水携帯灯一
救命胴衣又はこれに相当する救急用具搭乗者全員の数
救命ボート(ハ又はニに掲げる飛行をする回転翼航空機のうち、旅客を運送する航空運送事業の用に供するもの以外のものであつて、緊急着陸に適した陸岸から巡航速度で三十分に相当する飛行距離又は百八十五キロメートルのいずれか短い距離以上離れた水上を飛行しないものを除く。) 
救急箱一(旅客を運送する航空運送事業の用に供する飛行機、最大離陸重量が五千七百キログラムを超える飛行機又はターボジェット発動機を装備する飛行機であつて、百を超える客席数を有するものにあつては、その超える数が百までを増すごとに一を加えた数(その数が六を超える場合には、六)。)
非常食糧搭乗者全員の三食分
緊急用フロート(ハ又はニに掲げる飛行をする回転翼航空機のうち、旅客を運送する航空運送事業の用に供するもの及び緊急着陸に適した陸岸から巡航速度で三十分に相当する飛行距離又は百八十五キロメートルのいずれか短い距離以上離れた水上を飛行するもの(いずれも緊急用フロートを用いることなく安全に着水できる機能を有するものを除く。)に限る。) 
二イ 多発の飛行機(航空運送事業の用に供するものに限る。)であつて次のいずれかに該当するものが、緊急着陸に適した陸岸から九十三キロメートル以上離れた水上を飛行する場合(一) 臨界発動機が不作動の場合にも運航規程に定める最低安全飛行高度を維持して飛行し目的の空港等又は代替空港等に着陸できるもの(二) 二発動機が不作動の場合にも緊急着陸に適した空港等に着陸できるものロ 多発の航空機(回転翼航空機及び航空運送事業の用に供する飛行機を除く。)が、緊急着陸に適した陸岸から九十三キロメートル以上離れた水上を飛行する場合ハ イに掲げる飛行機以外の多発の飛行機(航空運送事業の用に供するものに限る。)及び単発の航空機(回転翼航空機を除く。)が、滑空により陸岸に緊急着陸することが可能な地点を越えて水上を飛行する場合ニ 電気を動力源とする垂直離着陸飛行機(滑走をせずに離陸し、又は着陸することができる飛行機をいう。以下同じ。)又はマルチローターが、水上を三分以上飛行する場合ホ 離陸又は着陸の経路が水上に及ぶ場合非常信号灯(第五項の規定により航空機用救命無線機を装備する航空機を除く。)一 
防水携帯灯一
救命胴衣又はこれに相当する救急用具搭乗者全員の数
救急箱一(旅客を運送する航空運送事業の用に供する飛行機、最大離陸重量が五千七百キログラムを超える飛行機又はターボジェット発動機を装備する飛行機であつて、百を超える客席数を有するものにあつては、その超える数が百までを増すごとに一を加えた数(その数が六を超える場合には、六)。)
三一及び二に掲げる飛行以外の飛行をする場合(搭乗者の安全を確保するために必要なものとして国土交通大臣が定める基準に従つて飛行する場合を除く。)非常信号灯(第五項の規定により航空機用救命無線機を装備する航空機を除く。)一
携帯灯一
救命胴衣又はこれに相当する救急用具(水上機に限る。)搭乗者全員の数
救急箱一(旅客を運送する航空運送事業の用に供する飛行機、最大離陸重量が五千七百キログラムを超える飛行機又はターボジェット発動機を装備する飛行機であつて、百を超える客席数を有するものにあつては、その超える数が百までを増すごとに一を加えた数(その数が六を超える場合には、六)。)
2旅客を運送する航空運送事業の用に供する航空機(法第四条第一項各号に掲げる者が経営する航空運送事業の用に供するものを除く。)であつて客席数が六十を超えるものには、救急の用に供する医薬品及び医療用具を装備しなければならない。
3次に掲げる航空機には、搭乗者全員が使用することのできる数の落下傘を装備しなければならない。
一法第十一条第一項ただし書(同条第三項、法第十七条第三項及び法第十九条第三項において準用する場合を含む。)の許可を受けて飛行する航空機であつて国土交通大臣が指定したもの
二第百九十七条の三に規定する曲技飛行を行う航空機
4航空運送事業の用に供する最大離陸重量が二万七千キログラムを超える飛行機(搭乗者がいないものを除く。)であつて、最初の耐空証明等が令和六年一月一日以後になされたものは、国際民間航空条約の附属書六第一部第四十八改訂版に規定する飛行機が遭難するおそれがある場合に自機の位置情報を毎分一回以上自動的に送信する機能を有する装置(次項において「遭難追跡装置」という。)又はこれと同等以上の機能を有し、かつ、衝撃により自動的に作動する航空機用救命無線機を装備しなければならない。
5航空機(搭乗者がいないもの又は目視により当該航空機の位置を特定できるものとして国土交通大臣が定める基準に従つて飛行するものを除く。)は、次の表の上欄に掲げる区分に応じ、それぞれ同表の中欄に掲げる数量の航空機用救命無線機を同表の下欄に掲げる条件に従つて装備しなければならない。
区分数量条件
一イ 航空運送事業の用に供する飛行機客席数が十九を超えるもの最初の耐空証明等が平成二十年六月三十日以前になされたもの(衝撃により自動的に作動する航空機用救命無線機を装備するものに限る。)及び最初の耐空証明等が平成二十年七月一日以後になされたもの(遭難追跡装置を装備するものに限る。)一一 航空機用救命無線機は、百二十一・五メガヘルツの周波数の電波及び四百六メガヘルツの周波数の電波を同時に送ることができるものでなければならない。二 飛行機(最初の耐空証明等が平成二十年七月一日以後になされたものに限る。)及び回転翼航空機に装備する航空機用救命無線機の一は、衝撃により自動的に作動するものでなければならない。三 二の項イ又はロに掲げる飛行をする回転翼航空機に装備する航空機用救命無線機(前号に掲げるものを除く。)の一は、手動によりこれを作動させることができるものであり、かつ、救命胴衣若しくはこれに相当する救急用具又は救命ボートに装備しなければならない。
   最初の耐空証明等が平成二十年六月三十日以前になされたもの(衝撃により自動的に作動する航空機用救命無線機を装備するものを除く。)及び最初の耐空証明等が平成二十年七月一日以後になされたもの(遭難追跡装置を装備するものを除く。)二
  客席数が十九を超えないもの一
 ロ イに掲げる飛行機以外の飛行機一
二イ 多発の回転翼航空機が緊急着陸に適した陸岸から巡航速度で十分に相当する飛行距離以上離れた水上を飛行する場合二
 ロ 単発の回転翼航空機がオートロテイションにより陸岸に緊急着陸することが可能な地点を越えて水上を飛行する場合二
 ハ 回転翼航空機がイ又はロに掲げる飛行以外の飛行をする場合一
三一及び二に掲げる航空機以外の航空機が緊急着陸に適した陸岸から巡航速度で三十分に相当する飛行距離又は百八十五キロメートルのいずれか短い距離以上離れた水上を飛行する場合一
6航空運送事業の用に供する航空機(客室乗務員を乗り組ませて事業を行うものに限る。)には、感染症の予防に必要な用具を装備しなければならない。
第百五十一条前条各項の規定により航空機に装備しなければならない救急用具は、点検の内容、方法その他の事項に関し国土交通大臣が定める技術的基準により点検しなければならない。
第百五十二条削除
第百五十三条法第六十三条の規定により、航空機の携行しなければならない燃料の量は、次の表の上欄に掲げる区分に応じ、それぞれ同表の下欄に掲げる燃料の量とする。
区分燃料の量
一 航空運送事業の用に供するタービン発動機を装備した飛行機計器飛行方式により飛行しようとするものであつて、代替空港等を飛行計画に表示するもの次に掲げる燃料の量のうちいずれか多い量一 着陸地までの飛行を終わるまでに要する燃料の量に、当該着陸地から代替空港等(代替空港等が二以上ある場合にあつては、当該着陸地からの距離が最も長いもの。以下この表において同じ。)までの飛行を終わるまでに要する燃料の量、当該代替空港等の上空四百五十メートルの高度で三十分間待機することができる燃料の量及び不測の事態を考慮して国土交通大臣が告示で定める燃料の量を加えた量二 着陸地までの航路上の地点を経由して当該地点において発動機が不作動の場合又は飛行機の与圧を維持する機能が損なわれた場合に着陸に適した空港等までの飛行を終わるまでに要する燃料の量のうち最も多い量に、当該空港等の上空四百五十メートルの高度で十五分間待機することができる燃料の量を加えた量
計器飛行方式により飛行しようとするものであつて、代替空港等を飛行計画に表示しないもの次に掲げる燃料の量のうちいずれか多い量一 着陸地までの飛行を終わるまでに要する燃料の量に、当該着陸地の上空四百五十メートルの高度で四十五分間待機することができる燃料の量及び不測の事態を考慮して国土交通大臣が告示で定める燃料の量を加えた量(代替空港等に適した空港等がない場合にあつては、当該着陸地までの飛行を終わるまでに要する燃料の量に、巡航高度で二時間飛行することができる燃料の量及び不測の事態を考慮して国土交通大臣が告示で定める燃料の量を加えた量)二 着陸地までの航路上の地点を経由して当該地点において発動機が不作動の場合又は飛行機の与圧を維持する機能が損なわれた場合に着陸に適した空港等までの飛行を終わるまでに要する燃料の量のうち最も多い量に、当該空港等の上空四百五十メートルの高度で十五分間待機することができる燃料の量を加えた量
有視界飛行方式により飛行しようとするもの着陸地までの飛行を終わるまでに要する燃料の量に、次に掲げる燃料の量を加えた量一 夜間において飛行しようとする場合にあつては、巡航高度で四十五分間飛行することができる燃料の量二 昼間において飛行しようとする場合にあつては、巡航高度で三十分間飛行することができる燃料の量
二 航空運送事業の用に供するピストン発動機を装備した飛行機計器飛行方式により飛行しようとするものであつて、代替空港等を飛行計画に表示するもの次に掲げる燃料の量のうちいずれか多い量一 着陸地までの飛行を終わるまでに要する燃料の量に、当該着陸地から代替空港等までの飛行を終わるまでに要する燃料の量、巡航高度で四十五分間飛行することができる燃料の量及び不測の事態を考慮して国土交通大臣が告示で定める燃料の量を加えた量二 着陸地までの航路上の地点を経由して当該地点において発動機が不作動の場合又は飛行機の与圧を維持する機能が損なわれた場合に着陸に適した空港等までの飛行を終わるまでに要する燃料の量のうち最も多い量に、当該空港等の上空四百五十メートルの高度で十五分間待機することができる燃料の量を加えた量
計器飛行方式により飛行しようとするものであつて、代替空港等を飛行計画に表示しないもの次に掲げる燃料の量のうちいずれか多い量一 着陸地までの飛行を終わるまでに要する燃料の量に、当該着陸地の上空四百五十メートルの高度で十五分間待機することができる燃料の量、巡航高度で四十五分間飛行することができる燃料の量及び不測の事態を考慮して国土交通大臣が告示で定める燃料の量を加えた量(代替空港等に適した空港等がない場合にあつては、当該着陸地までの飛行を終わるまでに要する燃料の量に、巡航高度で四十五分間飛行することができる燃料の量及び当該着陸地までの飛行における巡航高度を飛行する時間の十五パーセントに相当する時間を飛行することができる燃料の量又は巡航高度で二時間飛行することができる燃料の量のうちいずれか少ない燃料の量並びに不測の事態を考慮して国土交通大臣が告示で定める燃料の量を加えた量)二 着陸地までの航路上の地点を経由して当該地点において発動機が不作動の場合又は飛行機の与圧を維持する機能が損なわれた場合に着陸に適した空港等までの飛行を終わるまでに要する燃料の量のうち最も多い量に、当該空港等の上空四百五十メートルの高度で十五分間待機することができる燃料の量を加えた量
有視界飛行方式により飛行しようとするもの着陸地までの飛行を終わるまでに要する燃料の量に、次に掲げる燃料の量を加えた量一 夜間において飛行しようとする場合にあつては、巡航高度で四十五分間飛行することができる燃料の量二 昼間において飛行しようとする場合にあつては、巡航高度で三十分間飛行することができる燃料の量
三 航空運送事業の用に供する電気を動力源とする飛行機有視界飛行方式により飛行しようとするものであつて、代替空港等を飛行計画に表示するもの次に掲げる燃料の量のうちいずれか多い量一 着陸地までの飛行を終わるまでに要する燃料の量に、当該着陸地から代替空港等までの飛行を終わるまでに要する燃料の量、着陸復行から再度着陸を行うまでに要する燃料の量及び不測の事態を考慮して国土交通大臣が告示で定める燃料の量を加えた量二 着陸地までの航路上の地点を経由して当該地点において発動機が不作動の場合又は飛行機の与圧を維持する機能が損なわれた場合に着陸に適した空港等までの飛行を終わるまでに要する燃料の量のうち最も多い量に、着陸復行から再度着陸を行うまでに要する燃料の量を加えた量
有視界飛行方式により飛行しようとするものであつて、代替空港等を飛行計画に表示しないもの着陸地までの飛行を終わるまでに要する燃料の量に、次に掲げる燃料の量を加えた量一 夜間において飛行しようとする場合にあつては、巡航高度で四十五分間飛行することができる燃料の量二 昼間において飛行しようとする場合にあつては、巡航高度で三十分間飛行することができる燃料の量
四 航空運送事業の用に供するピストン発動機又はタービン発動機を装備した回転翼航空機計器飛行方式により飛行しようとするものであつて、代替空港等を飛行計画に表示するもの着陸地までの飛行を終わるまでに要する燃料の量に、当該着陸地から代替空港等までの飛行を終わるまでに要する燃料の量、当該代替空港等の上空四百五十メートルの高度で三十分間待機することができる燃料の量及び不測の事態を考慮して国土交通大臣が告示で定める燃料の量を加えた量
計器飛行方式により飛行しようとするものであつて、代替空港等を飛行計画に表示しないもの着陸地までの飛行を終わるまでに要する燃料の量に、当該着陸地の上空四百五十メートルの高度で三十分間待機することができる燃料の量及び不測の事態を考慮して国土交通大臣が告示で定める燃料の量を加えた量(代替空港等に適した空港等がない場合にあつては、当該着陸地までの飛行を終わるまでに要する燃料の量に、当該着陸地の上空において二時間待機することができる燃料の量を加えた量)
有視界飛行方式により飛行しようとするもの着陸地までの飛行を終わるまでに要する燃料の量に、最も長い距離を飛行することができる速度で二十分間飛行することができる燃料の量、当該着陸地までの飛行を終わるまでに要する時間の十パーセントに相当する時間を飛行することができる燃料の量及び不測の事態を考慮して国土交通大臣が告示で定める燃料の量を加えた量
五 航空運送事業の用に供する電気を動力源とする回転翼航空機有視界飛行方式により飛行しようとするものであつて、代替空港等を飛行計画に表示するもの次に掲げる燃料の量のうちいずれか多い量一 着陸地までの飛行を終わるまでに要する燃料の量に、当該着陸地から代替空港等までの飛行を終わるまでに要する燃料の量、着陸復行から再度着陸を行うまでに要する燃料の量及び不測の事態を考慮して国土交通大臣が告示で定める燃料の量を加えた量二 着陸地までの航路上の地点を経由して当該地点において発動機が不作動の場合に着陸に適した空港等までの飛行を終わるまでに要する燃料の量のうち最も多い量に、着陸復行から再度着陸を行うまでに要する燃料の量を加えた量
有視界飛行方式により飛行しようとするものであつて、代替空港等を飛行計画に表示しないもの着陸地までの飛行を終わるまでに要する燃料の量に、最も長い距離を飛行することができる速度で二十分間飛行することができる燃料の量、当該着陸地までの飛行を終わるまでに要する時間の十パーセントに相当する時間を飛行することができる燃料の量及び不測の事態を考慮して国土交通大臣が告示で定める燃料の量を加えた量
六 計器飛行方式により飛行しようとする飛行機(航空運送事業の用に供するものを除く。)代替空港等を飛行計画に表示するもの着陸地までの飛行を終わるまでに要する燃料の量に、当該着陸地から代替空港等までの飛行を終わるまでに要する燃料の量及び巡航高度で四十五分間飛行することができる燃料の量を加えた量
代替空港等を飛行計画に表示しないもの着陸地までの飛行を終わるまでに要する燃料の量に、巡航高度で四十五分間飛行することができる燃料の量を加えた量
七 計器飛行方式により飛行しようとする回転翼航空機(航空運送事業の用に供するものを除く。)代替空港等を飛行計画に表示するもの着陸地までの飛行を終わるまでに要する燃料の量に、当該着陸地から代替空港等までの飛行を終わるまでに要する燃料の量、当該代替空港等の上空四百五十メートルの高度で三十分間待機することができる燃料の量及び不測の事態を考慮して国土交通大臣が告示で定める燃料の量を加えた量
代替空港等を飛行計画に表示しないもの着陸地までの飛行を終わるまでに要する燃料の量に、当該着陸地の上空四百五十メートルの高度で三十分間待機することができる燃料の量及び不測の事態を考慮して国土交通大臣が告示で定める燃料の量を加えた量(代替空港等に適した空港等がない場合にあつては、当該着陸地までの飛行を終わるまでに要する燃料の量に、当該着陸地の上空において二時間待機することができる燃料の量を加えた量)

(航空機の灯火)

第百五十四条法第六十四条の規定により、航空機が、夜間において空中及び地上を航行する場合には、衝突防止灯、右舷灯、左舷灯及び尾灯で当該航空機を表示しなければならない。ただし、航空機が牽けん引されて地上を航行する場合において牽けん引車に備え付けられた灯火で当該航空機を表示するとき又は自機若しくは他の航空機の航行に悪影響を及ぼすおそれがある場合において右舷灯、左舷灯及び尾灯で当該航空機を表示するときは、この限りでない。
第百五十五条及び第百五十六条削除
第百五十七条法第六十四条の規定により、航空機が、夜間において使用される空港等に停留する場合には、次に掲げる区分に従つて、当該航空機を表示しなければならない。
一空港等に航空機を照明する施設のあるときは、当該施設
二前号の施設のないときは、当該航空機の右舷灯、左舷灯及び尾灯

(航空機の位置及び針路の測定並びに航法上の資料の算出のための装置)

第百五十七条の二法第六十六条第一項の表の国土交通省令で定める航空機の位置及び針路の測定並びに航法上の資料の算出のための装置は、慣性航法装置、精密ドプラーレーダー装置又は衛星航法装置とする。

(乗務割の基準)

第百五十七条の三法第六十八条の国土交通省令で定める基準は、次のとおりとする。
一航空機乗組員の乗務時間(航空機に乗り組んでその運航に従事する時間をいう。以下同じ。)が、次の事項を考慮して、少なくとも二十四時間、一暦月、三暦月及び一暦年ごとに制限されていること。
イ当該航空機の型式
ロ操縦者については、同時に運航に従事する他の操縦者の数及び操縦者以外の航空機乗組員の有無
ハ当該航空機が就航する路線の状況及び当該路線の使用空港等相互間の距離
ニ飛行の方法
ホ当該航空機に適切な仮眠設備が設けられているかどうかの別
二航空機乗組員の疲労により当該航空機の航行の安全を害さないように乗務時間及び乗務時間以外の労働時間が配分されていること。

(最近の飛行の経験)

第百五十八条航空運送事業の用に供する航空機の運航に従事する航空機乗組員のうち、操縦者は、操縦する日からさかのぼつて九十日までの間に、当該航空運送事業の用に供する航空機と同じ型式又は当該型式と類似の型式の航空機(第三項において「型式航空機等」という。)に乗り組んで離陸及び着陸をそれぞれ三回以上行つた経験を有しなければならない。
2夜間における離陸又は着陸を含む前項の運航に従事しようとする場合は、同項の飛行経験のうち、少なくとも一回は夜間において行われたものでなければならない。ただし、同項の運航が次の各号のいずれにも該当するときは、この限りでない。
一前項の当該航空運送事業の用に供する航空機について定期運送用操縦士若しくは准定期運送用操縦士の資格に係る技能証明(当該技能証明について限定をされた航空機の種類が飛行機であるものに限る。)又は法第三十四条第一項の計器飛行証明を有する者が行うものであること。
二法第六十条の規定により計器飛行又は計器飛行方式による飛行を行う場合に装備しなければならないこととされる装置(同条ただし書の許可により装備しなくても計器飛行等を行つてもよいとされたものを除く。)を装備している航空機により行うものであること。
三離陸及びこれに引き続く上昇飛行又は着陸及びそのための降下飛行のうち夜間に行うものを、国土交通大臣が定める経路若しくは法第九十六条第一項の規定により国土交通大臣が与える指示による経路、国際民間航空条約の附属書六及び附属書十一として採択された標準及び方式を採用する締約国たる外国が定める経路若しくは当該外国が与える指示による経路又は国土交通大臣が適当と認める経路により行うものであること。
3型式航空機等の模擬飛行装置を国土交通大臣の指定する方式により操作した経験は、第一項又は前項の経験とみなす。
第百五十九条法第六十九条の規定により、航空運送事業の用に供する航空機の運航に従事する航空機乗組員のうち、航空機関士は、運航に従事する日からさかのぼつて一年までの間に、当該航空運送事業の用に供する航空機又は当該航空運送事業の用に供する航空機と同じ型式の航空機に乗り組んで、五十時間以上の飛行経験を有しなければならない。
2前項の型式の航空機の模擬飛行装置又は飛行訓練装置を国土交通大臣の指定する方式により操作した経験は、前項の規定の適用については、二十五時間以内に限り飛行経験とみなす。
第百六十条法第六十九条の規定により、前二条に規定する航空機乗組員以外の航空機乗組員は、次に掲げる飛行経験を有しなければならない。
一無線設備の操作を行うことのできる航空機乗組員にあつては、航空機の運航に従事する日からさかのぼつて一年までの間に、二十五時間以上航空機の運航に従事した飛行経験
二航空機の位置及び針路の測定並びに航法上の資料の算出を行うことのできる航空機乗組員にあつては、航空機の運航に従事する日からさかのぼつて一年までの間に、五十時間以上航空機の運航に従事した飛行経験。ただし、国内航空運送事業の用に供する航空機の運航に従事する場合には、二十五時間以上の飛行経験
2模擬飛行装置又は飛行訓練装置を国土交通大臣の指定する方式により操作した経験は、前項の規定の適用については、航空機の運航に従事した飛行経験とみなす。
第百六十一条法第六十九条の規定により計器飛行を行う航空機乗組員は、操縦する日からさかのぼつて百八十日までの間に、六時間以上の計器飛行(模擬計器飛行を含む。)を行つた経験を有しなければならない。
2模擬飛行装置又は飛行訓練装置を国土交通大臣の指定する方式により操作した経験は、前項の規定の適用については、計器飛行を行つた経験とみなす。
第百六十二条法第六十九条の規定により、法第三十四条第二項の操縦教育を行う操縦者は、操縦の教育を行う日からさかのぼつて一年までの間に、十時間以上の操縦の教育を行つた飛行経験(滑空機にあつては、二時間以上及び十回以上の操縦の教育を行つた滑空の飛行経験)を有しなければ、操縦の教育を行つてはならない。
第百六十二条の二第百五十九条第一項、第百六十条第一項、第百六十一条第一項及び前条の規定にかかわらず、次の表の上欄に掲げる者は、国土交通大臣が同表中欄に掲げる経験と同等以上の経験を有すると認めた場合には、同表下欄に掲げる行為を行うことができる。
操縦者第百六十一条第一項の飛行経験計器飛行を行うこと。
前条の飛行経験法第三十四条第二項の操縦教育を行うこと。
航空機関士第百五十九条第一項の飛行経験航空機の運航に従事すること。
第百六十条第一項各号に掲げる航空機乗組員第百六十条第一項各号に掲げる飛行経験航空機の運航に従事すること。
2第百五十八条第一項及び第二項、第百五十九条第一項、第百六十条第一項、第百六十一条第一項並びに前条の規定にかかわらず、次の表の上欄に掲げる者は、天災その他やむを得ない事由により同表中欄に掲げる経験を有することが困難であると認められる場合には、国土交通大臣が定める航空機の航行の安全のための措置が講じられている場合に限り、同表下欄に掲げる行為を行うことができる。
操縦者第百五十八条第一項及び第二項の飛行経験航空機の運航に従事すること。
第百六十一条第一項の飛行経験計器飛行を行うこと。
前条の飛行経験法第三十四条第二項の操縦教育を行うこと。
航空機関士第百五十九条第一項の飛行経験航空機の運航に従事すること。
第百六十条第一項各号に掲げる航空機乗組員第百六十条第一項各号に掲げる飛行経験航空機の運航に従事すること。

(法第七十一条の三第一項の国土交通省令で定める期間)

第百六十二条の三法第七十一条の三第一項の国土交通省令で定める期間は、二年とする。
2法第七十一条の三第一項の審査に合格し、又は同条第二項の確認を受けたことにより、同条第一項各号に掲げる行為(次条において「操縦等」という。)を行うことができる期間(以下この項及び第百六十二条の十五第一項第三号において「操縦等可能期間」という。)が満了する日の四十五日前から当該操縦等可能期間が満了する日までの間に、新たに法第七十一条の三第一項の審査に合格し、又は同条第二項の確認を受けた場合は、前項の期間は、同項の規定にかかわらず、二年に、当該審査に合格し、又は当該確認を受けた日から当該操縦等可能期間が満了する日の前日までの日数を加えた期間とする。

(法第七十一条の三第二項の国土交通省令で定める方法)

第百六十二条の四法第七十一条の三第二項の国土交通省令で定める方法は、次の各号に掲げる航空機の区分に応じ、当該各号に定める方法とする。
一次号に掲げる航空機以外の航空機次のいずれかに該当する方法
イ操縦等を行おうとする航空機と同じ種類の航空機について、操縦技能証明又はその限定の変更を受けること。
ロ操縦等を行おうとする航空機と同じ種類の航空機について、本邦航空運送事業者が運航規程に基づき行う第二百十四条の表第一号ホの技能審査を受け、これに合格すること。
二垂直離着陸飛行機及びマルチローター次のいずれかに該当する方法
イ操縦等を行おうとする垂直離着陸飛行機又はマルチローターと同じ型式の垂直離着陸飛行機又はマルチローターについて、操縦技能証明又はその限定の変更を受けること。
ロ操縦等を行おうとする垂直離着陸飛行機又はマルチローターと同じ型式の垂直離着陸飛行機又はマルチローターについて、本邦航空運送事業者が運航規程に基づき行う第二百十四条の表第一号ホの技能審査を受け、これに合格すること。

(法第七十一条の三第二項の許可の申請)

第百六十二条の五法第七十一条の三第二項の許可を受けようとする者は、次に掲げる事項を記載した申請書を国土交通大臣に提出しなければならない。
一氏名及び住所
二航空機の種類、等級及び型式並びに航空機の国籍及び登録記号
三飛行計画の概要(飛行の目的、日時及び経路を明記すること。)
四操縦者の氏名及び資格
五同乗者の氏名及び同乗の目的
六その他参考となる事項

(操縦技能審査員)

第百六十二条の六法第七十一条の三第一項の認定を申請しようとする者は、操縦技能審査員認定申請書(第二十八号の三様式)に、次に掲げる書類を添えて、国土交通大臣に提出しなければならない。
一写真二葉
二戸籍抄本若しくは戸籍記載事項証明書又は本籍の記載のある住民票の写し(技能証明を有しない場合に限る。)
三次条に規定する認定の基準に適合していることを証する書類
第百六十二条の七法第七十一条の三第一項の認定は、当該認定を受けようとする者が行おうとする同項の審査に係る航空機の種類ごとに次に掲げる基準に適合する者について行う。
一法第七十一条の三第四項の規定により、同条第一項の規定による認定の取消しを受け、その取消しの日から二年を経過しない者でないこと。
二過去二年以内に法第二十九条第一項(法第二十九条の二第二項、法第三十三条第三項又は法第三十四条第三項において準用する場合を含む。)の試験又は法第七十一条の三第一項の審査に関し不正な行為を行つた者でないこと。
三法に違反し、罰金以上の刑に処せられ、その執行を終わり、又は執行を受けることがなくなつた日から二年を経過していない者でないこと。
四法第七十一条の三第一項の審査に係る航空機と同じ種類の航空機を機長として操縦することができる技能証明を有していること又は当該技能証明を有している者と同等以上と認められる技能を有していること。
五前号に掲げるもののほか、法第七十一条の三第一項の審査を行うのに必要な経験及び能力を有していること。
六法第七十一条の三第一項の審査を行うのに必要な知識に関して国土交通大臣が行う講習を修了したこと又は同項の審査について当該講習を修了した者と同等以上と認められる知識を有していること。
第百六十二条の八国土交通大臣は、法第七十一条の三第一項の認定をしたときは、操縦技能審査員に、その身分を示す証票(第二十八号の四様式。以下「操縦技能審査員の証」という。)を交付する。
2操縦技能審査員が、業務に従事するときは、前項の操縦技能審査員の証を携帯しなければならない。
第百六十二条の九操縦技能審査員が、操縦技能審査員の証を失い、破り、汚し、又は氏名若しくは住所を変更したため再交付を申請しようとするときは、再交付申請書(第二十八号の五様式)に写真二葉及び操縦技能審査員の証(失つた場合を除く。)を添えて、国土交通大臣に提出しなければならない。
第百六十二条の十操縦技能審査員は、法第七十一条の三第一項の認定を受けた日の属する年度の翌年度の初日から起算して二年を経過するごとに、その二年の期間ごとに一回、定期的に、同項の審査を行うのに必要な知識の維持を図るため国土交通大臣が行う講習を受けなければならない。ただし、国土交通大臣が同項の審査の適正な実施上当該講習を受ける必要がないと認める場合は、この限りでない。
第百六十二条の十一法第七十一条の三第一項の認定は、操縦技能審査員が前条の期間ごとに同条の講習を受けなかつたとき(同条ただし書の場合を除く。)は、当該期間の末日に効力を失う。
第百六十二条の十二操縦技能審査員が法第七十一条の三第四項の規定によりその認定の取消しを受けたとき、前条の規定によりその認定が失効したとき又は再交付を受けた後失つた操縦技能審査員の証が発見されたときは、その証を所有し、又は保管する者は、遅滞なく、その事由を記載した書類を添えて、これを国土交通大臣に返納しなければならない。

(特定操縦技能の審査)

第百六十二条の十三法第七十一条の三第一項の審査を受けようとする者は、特定操縦技能審査申請書(第二十八号の六様式)に次に掲げる書類を添えて、操縦技能審査員に提出しなければならない。
一技能証明書の写し
二航空身体検査証明書の写し(次条第三項の規定により、実技審査の全部を模擬飛行装置又は飛行訓練装置を使用して行う場合を除く。)
三総飛行時間を証する書類
第百六十二条の十四法第七十一条の三第一項の審査は、航空機の種類(垂直離着陸飛行機及びマルチローターに係る同項の審査にあつては、垂直離着陸飛行機又はマルチローターの型式)ごとに、通常の離陸及び着陸並びに着陸復行及び離陸中止、異常時及び緊急時の操作その他の同項の審査を行うのに必要な事項について行うものとする。
2前項の審査は、口述審査及び実技審査により行うものとする。
3前項の実技審査は、その全部又は一部を模擬飛行装置又は飛行訓練装置を使用して行うことができる。
第百六十二条の十五操縦技能審査員は、法第七十一条の三第一項の審査を行つたときは、当該審査を受けた者の技能証明書(特定操縦技能審査等関係に限る。)に次に掲げる事項を記入しなければならない。
一審査を行つた日
二合格又は不合格の別
三操縦等可能期間の満了する日(合格とした場合に限る。)
四操縦技能審査員の氏名
五操縦技能審査員の認定番号
2操縦技能審査員は、前項の記入を行つたときは、速やかに、当該審査を受けた者の特定操縦技能審査申請書の写し及び技能証明書の写しに参考となるべき書類を添えて、これらを国土交通大臣に提出しなければならない。
第百六十二条の十六法第七十一条の三第一項の審査を受け、これに合格しなかつた者は、速やかに、その技能証明書を国土交通大臣に提出しなければならない。ただし、当該者が当該審査に引き続いて法第七十一条の四第一項の操縦の練習を予定している場合にあつては、この限りでない。
2前項の規定により技能証明書の提出を受けた国土交通大臣は、その提出者であつて、法第七十一条の四第一項の操縦の練習を予定しているものから返還の請求があつたときは、直ちに当該技能証明書を返還しなければならない。
3第一項ただし書の規定により技能証明書を提出しなかつた者又は前項の規定による技能証明書の返還を受けた者は、法第七十一条の四第一項の操縦の練習の予定がなくなり、又は当該予定を終えたとき(当該予定に係る期間内に、法第七十一条の三第一項の審査に合格した場合を除く。)は、速やかに、その技能証明書を国土交通大臣に提出しなければならない。

(特定操縦技能練習)

第百六十二条の十七第六十九条の規定は、法第七十一条の四第一項の指定について準用する。この場合において、第六十九条中「操縦練習監督者指定書(第二十七号の二様式)」とあるのは「特定操縦技能練習監督者指定書(第二十八号の七様式)」と読み替えるものとする。
第百六十二条の十八第六十九条の二第一項及び第二項の規定は、法第七十一条の四第一項の操縦の練習の監督を行う者(以下「特定操縦技能練習の監督者」という。)について準用する。この場合において、第六十九条の二第一項中「法第三十五条第一項各号の操縦の練習」とあるのは「法第七十一条の四第一項の操縦の練習」と、第六十九条の二第一項及び第二項中「操縦練習」とあるのは「特定操縦技能練習」と読み替えるものとする。

(法第七十一条の五第一項の国土交通省令で定める要件)

第百六十二条の十九法第七十一条の五第一項の国土交通省令で定める要件は、航空機の航行中に管理技能を確実に活用し、及び発揮することができるようにするための訓練であつて、本邦航空運送事業者が運航規程に基づき行うものその他国土交通大臣が定める要件に該当するものであることとする。

(法第七十一条の五第一項の国土交通省令で定める期間)

第百六十二条の二十法第七十一条の五第一項の国土交通省令で定める期間は、二年とする。
2技能発揮訓練を修了したことにより、法第七十一条の五第一項各号に掲げる行為を行うことができる期間(以下この項において「管制圏操縦等可能期間」という。)が満了する日の四十五日前から当該管制圏操縦等可能期間が満了する日までの間に、新たに技能発揮訓練を修了した場合は、前項の期間は、同項の規定にかかわらず、二年に、当該技能発揮訓練を修了した日から当該管制圏操縦等可能期間が満了する日の前日までの日数を加えた期間とする。

(法第七十一条の五第二項の国土交通省令で定める危険な事態)

第百六十二条の二十一法第七十一条の五第二項の国土交通省令で定める危険な事態は、次に掲げる事態とする。
一滑走路への誤進入
二次に掲げる場所からの離陸
イ閉鎖中の滑走路
ロ他の航空機等が使用中の滑走路
ハ法第九十六条第一項の規定により国土交通大臣から指示された滑走路とは異なる滑走路
ニ誘導路
三前号イからニまでに掲げる場所又は道路その他の航空機が通常着陸することが想定されない場所への着陸
四航空機の脚が下がつていない状態での着陸
五飛行中における地表面又は水面への衝突又は接触
六航行中における他の航空機その他の物件への衝突又は接触
七前各号に掲げる事態に準ずる事態

(法第七十一条の六の国土交通省令で定める場合)

第百六十二条の二十二法第七十一条の六の国土交通省令で定める場合は、第百六十二条の十九に規定する訓練を修了した者が航空運送事業の用に供する航空機に乗り組むことその他国土交通大臣が定める方法により法第七十一条の五第一項各号に掲げる行為を行う場合とする。

(航空運送事業の用に供する航空機に乗り組む機長の要件)

第百六十三条法第七十二条第一項の国土交通省令で定める航空機は、最大離陸重量が五千七百キログラムを超える飛行機及び最大離陸重量が九千八十キログラムを超える回転翼航空機(次に掲げる航空機を除く。)とする。
一法第四条第一項各号に掲げる者が経営する航空運送事業の用に供する航空機
二法第百十三条の二第一項の許可を受けた受託者が法第四条第一項各号に掲げる者である場合において当該受託者が運航する航空機
三法第百十三条の二第一項の許可を受けた受託者が指定本邦航空運送事業者である場合において当該受託者が法第七十二条第五項の認定を受けた者を機長として乗り組ませて運航する航空機
2法第七十二条第一項の国土交通省令で定める知識及び能力は、次に掲げる事項に関するものとする。
一航空機の運航に関する次の事項
イ出発前の確認
ロ航空機の出発及び飛行計画の変更に係る運航管理者の承認
ハ航空機乗組員及び客室乗務員に対する指揮監督
ニ安全阻害行為等の抑止の措置、危難の場合の措置その他の航空機の運航における安全管理
二通常状態及び異常状態における航空機の操作及び措置
第百六十三条の二法第七十二条第一項の認定は、航空機の型式を限定して行うものとする。
第百六十四条法第七十二条第一項の認定を受けようとする者は、次に掲げる事項を記載した申請書を国土交通大臣に提出しなければならない。
一氏名及び住所
二所属する本邦航空運送事業者の名称及び住所
三技能証明の資格、限定及び番号並びに航空身体検査証明の番号
四認定に係る航空機の型式
五総飛行時間及び機長飛行時間
六その他参考となる事項
2法第七十二条第一項の認定は、口述審査及び実地審査により行うものとする。ただし、国土交通大臣が特に必要がないと認める場合には、口述審査の一部又は実地審査の全部若しくは一部を行わないことができる。
3前項の実地審査は、国土交通大臣の指名する職員を当該認定を受けようとする者と認定に係る航空機と同じ型式の航空機に同乗させることにより、又は認定に係る航空機と同じ型式の航空機の模擬飛行装置若しくは飛行訓練装置を使用することにより行う。
第百六十四条の二法第七十二条第二項の審査は、毎年一回行うものとする。ただし、第百六十三条第二項第二号に掲げる事項に関する知識及び能力についての審査は、国土交通大臣が指定する訓練をその年において受けている者について行う場合を除き、毎年二回とする。
2前条の規定は、前項の審査について準用する。
第百六十四条の三第百六十四条第二項及び第三項の規定は、法第七十二条第三項の審査について準用する。

(指定本邦航空運送事業者の指定の申請)

第百六十四条の四法第七十二条第五項の指定本邦航空運送事業者の指定を受けようとする者は、次に掲げる事項を記載した申請書を国土交通大臣に提出しなければならない。
一名称及び住所
二所属する操縦者及び法第七十二条第一項の認定を受けている者の数
三その他参考となる事項
2前項の申請書には、訓練及び審査規程を添附しなければならない。
3前項の訓練及び審査規程は、次に掲げる事項を記載したものとする。
一指定本邦航空運送事業者が法第七十二条第五項の認定を行おうとする者(以下「機長候補者」という。)及び指定本邦航空運送事業者が同条第九項の指名を受けようとする者(以下「査察操縦士候補者」という。)に関する次に掲げる事項
イ選定方法
ロ訓練体制
ハ訓練方法
二法第七十二条第五項の認定及び同条第六項の審査に関する次に掲げる事項
イ組織体制
ロ実施方法
三前二号に掲げる事項に係る記録に関する事項

(指定本邦航空運送事業者の指定基準)

第百六十四条の五法第七十二条第五項の指定本邦航空運送事業者の指定は、次に掲げる基準に適合するものについて行う。
一機長候補者及び査察操縦士候補者の選定のための組織を有し、かつ、これらの者に係る選定基準が適切なものであること。
二機長候補者及び査察操縦士候補者の訓練のための組織及び必要な数以上の教官を有し、かつ、これらの者の訓練のための施設が十分に整備されていること。
三機長候補者及び査察操縦士候補者の訓練の課目、時間その他の訓練方法が適切なものであること。
四法第七十二条第五項の認定及び同条第六項の審査を行うために必要な数以上の第百六十四条の九に規定する要件を備える者を有すること。
五法第七十二条第九項の指名を受けた者(以下「査察操縦士」という。)について、同条第五項の認定及び同条第六項の審査の実施に当たつての権限の独立性が保障されることが確実であること。
六法第七十二条第五項の認定及び同条第六項の審査の内容及び評価基準が国土交通大臣が行う法第七十二条第一項の認定並びに同条第二項及び第三項の審査の内容及び評価基準と同一のものであることその他の機長又は査察操縦士として必要な知識及び能力を有するかどうかを適切に確認できるものであること。
七前条第三項第三号の事項が適切に定められていること。
第百六十四条の六第百六十三条の二の規定は、指定本邦航空運送事業者が行う法第七十二条第五項の認定について準用する。
2第百六十四条第二項及び第三項の規定は、指定本邦航空運送事業者が行う法第七十二条第五項の認定及び同条第六項の審査について準用する。この場合において、第百六十四条第三項中「国土交通大臣の指名する職員」とあるのは「査察操縦士」と読み替えるものとする。
3指定本邦航空運送事業者が法第七十二条第六項の規定により同条第二項の規定に準じて行う審査は、十八月に一回以上の適切な頻度で行うものとする。

(指定本邦航空運送事業者の業務の運営)

第百六十四条の七指定本邦航空運送事業者は、公正に、かつ、第百六十四条の五各号に掲げる基準に適合するように、並びに第百六十四条の四第二項に規定する訓練及び審査規程に従つて、業務を運営しなければならない。

(査察操縦士の指名)

第百六十四条の八査察操縦士の指名は、航空機の型式を限定して行うものとする。
2前項の指名は、第百六十四条の六第二項の規定により準用する第百六十四条第二項の口述審査及び実地審査であつて第百六十三条第二項第二号に掲げる事項に関する知識及び能力を有することについて行うものに限定して行うことができる。この場合において、査察操縦士を法第七十二条第五項の認定又は同条第六項の審査を受けようとする者と当該認定又は審査に係る航空機と同じ型式の航空機に同乗させることにより当該実地審査を行うときは、当該査察操縦士を補助座席において同乗させることにより行うものとする。

(査察操縦士の指名の要件)

第百六十四条の九法第七十二条第九項の国土交通省令で定める要件は、次の各号に掲げる者の区分に応じ当該各号に定める要件とする。
一査察操縦士(次号に規定する限定査察操縦士を除く。以下この号及び次条第一項第一号において同じ。)次に掲げる要件
イ次の表の上欄に掲げる指名に係る航空機の区分に応じ、それぞれ同表の下欄に掲げる要件を備え、かつ、査察操縦士になるために必要な訓練を受けていること。
指名に係る航空機の区分要件
飛行機一 客席数が六十又は最大離陸重量が二万七千キログラムを超えるもの航空運送事業の用に供する最大離陸重量が五千七百キログラムを超える飛行機の機長としての飛行時間が二千時間以上であること。
 二 一に掲げるもの以外のものであつて、ターボジェット発動機又はターボファン発動機を装備するもの航空運送事業の用に供する最大離陸重量が五千七百キログラムを超える飛行機の機長としての飛行時間が千時間以上であり、かつ、飛行機の機長としての飛行時間が二千時間以上であること。
 三 一及び二に掲げるもの以外のもの航空運送事業の用に供する最大離陸重量が五千七百キログラムを超える飛行機の機長としての飛行時間が三百時間以上であり、かつ、飛行機の機長としての飛行時間が二千時間以上であること。
回転翼航空機航空運送事業の用に供する最大離陸重量が九千八十キログラムを超える回転翼航空機の機長としての飛行時間が五百時間以上であり、かつ、回転翼航空機の機長としての飛行時間が千時間以上であること。
ロ指名に係る航空機の型式について法第七十二条第一項又は第五項の認定を受けていること。
ハ法第七十二条第五項の認定及び同条第六項の審査を実施するために必要な知識及び能力を有すること。
ニ法に違反し、罰金以上の刑に処せられ、その執行を終わり、又は執行を受けることがなくなつた日から二年を経過していない者でないこと。
二限定査察操縦士(前条第二項の規定により口述審査及び実地審査の範囲を限定して指名を受けた査察操縦士をいう。以下同じ。)前号イ、ハ及びニに掲げる要件。この場合において、同号イ中「査察操縦士」とあるのは、「限定査察操縦士」とする。

(査察操縦士の指名の申請等)

第百六十四条の十法第七十二条第九項の申請を行おうとする指定本邦航空運送事業者は、名称及び住所並びに次の各号に掲げる場合の区分に応じ当該各号に定める事項を記載した申請書を国土交通大臣に提出しなければならない。
一査察操縦士の指名を受けようとする場合査察操縦士候補者(次号に規定する限定査察操縦士候補者を除く。次項において同じ。)に係る次に掲げる事項
イ氏名及び住所
ロ技能証明の資格、限定及び番号並びに航空身体検査証明の番号
ハ指名に係る航空機の型式
ニその他参考となる事項
二限定査察操縦士の指名を受けようとする場合限定査察操縦士候補者(第百六十四条の八第二項の規定により口述審査及び実地審査の範囲を限定して査察操縦士の指名を受けようとする者をいう。以下同じ。)に係る前号イからニまでに掲げる事項(航空身体検査証明の番号を除く。)
2前項の申請書には、同項第一号の場合にあつては査察操縦士候補者が前条第一号イ及びロに掲げる要件を備える旨を、同項第二号の場合にあつては限定査察操縦士候補者が同条第二号に掲げる要件(同条第一号イに掲げる要件に係るものに限る。)を備える旨を説明する書面を添付しなければならない。
3国土交通大臣は、査察操縦士候補者が前条に規定する要件を備えるかどうかについて、書面審査、口述審査及び実地審査を行うものとする。ただし、国土交通大臣が特に必要がないと認める場合には、口述審査又は実地審査の全部又は一部を行わないことができる。
4前項の実地審査は、国土交通大臣の指名する職員を当該査察操縦士候補者と指名に係る航空機と同じ型式の航空機に同乗させることにより、又は指名に係る航空機と同じ型式の航空機の模擬飛行装置若しくは飛行訓練装置を使用することにより行う。
第百六十四条の十一国土交通大臣は、査察操縦士が第百六十四条の九に規定する要件を備えているかどうかについて、十八月に一回以上の適切な頻度で審査するものとする。
2前条の規定は、前項の審査について準用する。
第百六十四条の十二国土交通大臣は、必要があると認めるときは、査察操縦士が第百六十四条の九に規定する要件を備えているかどうかを臨時に審査するものとする。
2第百六十四条の十第三項及び第四項の規定は、前項の審査について準用する。この場合において、同条第四項中「査察操縦士候補者」とあるのは「査察操縦士」と読み替えるものとする。

(査察操縦士の指名の失効及び取消し)

第百六十四条の十三法第七十二条第九項の指名は、査察操縦士が次の各号のいずれかに該当するときは、効力を失う。
一第百六十四条の十一第一項の審査を受けなかつたとき、又は前条第一項の審査を拒否したとき。
二第百六十四条の十一第一項又は前条第一項の審査に合格しなかつたとき。
三指名に係る指定本邦航空運送事業者に所属しなくなつたとき。
四指名に係る指定本邦航空運送事業者が指定本邦航空運送事業者でなくなつたとき。
2国土交通大臣は、査察操縦士が次の各号の一に該当するときは、当該査察操縦士に係る法第七十二条第九項の指名を取り消すことができる。
一法又は法に基づく命令の規定に違反したとき。
二法第七十二条第九項の指名を受けるに当たり、不正があつたとき。
三法第七十二条第五項の認定又は同条第六項の審査の実施に関し、不正があつたとき。

(指定本邦航空運送事業者の訓練及び審査規程の変更)

第百六十四条の十四指定本邦航空運送事業者が第百六十四条の四第三項第一号ハ又は第二号ロに掲げる事項を変更しようとするときは、訓練及び審査規程(変更に係る部分に限る。)を国土交通大臣に提出し、その承認を受けなければならない。ただし、軽微な変更については、この限りでない。
2前項の承認は、変更に係る事項が第百六十四条の五の基準に適合するかどうかを審査して行うものとする。

(出発前の確認)

第百六十四条の十五法第七十三条の二の規定により機長が確認しなければならない事項は、次に掲げるものとする。
一当該航空機及びこれに装備すべきものの整備状況
二離陸重量、着陸重量、重心位置及び重量分布
三法第九十九条第一項の規定により国土交通大臣が提供する情報(以下「航空情報」という。)
四当該航行に必要な気象情報
五燃料及び滑油の搭載量並びにそれらの品質(燃料の品質にあつては、当該航空機がピストン発動機又はタービン発動機を装備している場合に限る。)
六積載物の安全性
2機長は、前項第一号に掲げる事項を確認する場合において、航空日誌その他の整備に関する記録の点検、航空機の外部点検及び発動機の地上試運転その他航空機の作動点検を行わなければならない。

(安全阻害行為等の禁止)

第百六十四条の十六法第七十三条の四第五項の国土交通省令で定める安全阻害行為等は、次に掲げるものとする。
一乗降口又は非常口の扉の開閉装置を正当な理由なく操作する行為
二便所において喫煙する行為
三航空機に乗り組んでその職務を行う者の職務の執行を妨げる行為であつて、当該航空機の安全の保持、当該航空機内にあるその者以外の者若しくは財産の保護又は当該航空機内の秩序若しくは規律の維持に支障を及ぼすおそれのあるもの
四航空機の運航の安全に支障を及ぼすおそれがある携帯電話その他の電子機器であつて国土交通大臣が告示で定めるものを正当な理由なく作動させる行為
五離着陸時その他機長が安全バンドの装着を指示した場合において、安全バンドを正当な理由なく装着しない行為
六離着陸時において、座席の背当、テーブル、又はフットレストを正当な理由なく所定の位置に戻さない行為
七手荷物を通路その他非常時における脱出の妨げとなるおそれがある場所に正当な理由なく置く行為
八非常用の装置又は器具であつて国土交通大臣が告示で定めるものを正当な理由なく操作し、若しくは移動させ、又はその機能を損なう行為
第百六十四条の十七機長は、法第七十三条の四第五項の規定により命令をするときは、同項に規定する安全阻害行為等をした者に対し、次の事項を記載した命令書を交付しなければならない。
一当該行為者が行つた安全阻害行為等の内容
二当該行為を反復し、又は継続してはならない旨

(事故に関する報告)

第百六十五条法第七十六条第一項の規定により、機長又は使用者は、左に掲げる事項を国土交通大臣に報告しなければならない。
一機長又は当該航空機の使用者の氏名若しくは名称
二事故の発生した日時及び場所
三航空機の国籍、登録記号、型式及び航空機の無線局の呼出符号
四航空機の事故の概要
五人の死傷又は物件の損壊概要
六死亡者又は行方不明者のある場合には、その者の氏名その他参考となる事項
第百六十五条の二法第七十六条第一項第三号の国土交通省令で定める航空機内にある者の死亡は、次のとおりとする。
一自然死
二自己又は他人の加害行為に起因する死亡
三航空機乗組員、客室乗務員又は旅客が通常立ち入らない区域に隠れていた者の死亡
第百六十五条の三法第七十六条第一項第五号の国土交通省令で定める航空機に関する事故は、航行中の航空機が損傷(発動機、発動機覆い、発動機補機、プロペラ、翼端、アンテナ、タイヤ、ブレーキ又はフェアリングのみの損傷を除く。)を受けた事態(当該航空機の修理が第五条の六の表に掲げる作業の区分のうちの大修理に該当しない場合を除く。)とする。
第百六十六条法第七十六条第二項の規定により、機長は、左に掲げる事項を国土交通大臣に報告しなければならない。
一機長の氏名
二事故の発生したことを知つた日時及び事故の発生した場所
三事故の概要及びその他参考となる事項

(異常事態の報告)

第百六十六条の二法第七十六条第三項の規定により機長が報告しなければならない事態は、次のとおりとする。
一空港等及び航空保安施設の機能の障害
二気流の擾じよう乱その他の異常な気象状態
三火山の爆発その他の地象又は水象の激しい変化
四前各号に掲げるもののほか航空機の航行の安全に障害となる事態
第百六十六条の三法第七十六条第三項の規定により、機長は、次に掲げる事項を国土交通大臣に報告しなければならない。
一機長の氏名及び住所
二事態の発生したことを知つた日時及び事態の発生した場所
三事態の概要その他参考となる事項

(事故が発生するおそれがあると認められる事態の報告)

第百六十六条の四法第七十六条の二の国土交通省令で定める事態は、次に掲げる事態とする。
一次に掲げる場所からの離陸又はその中止
イ閉鎖中の滑走路
ロ他の航空機等が使用中の滑走路
ハ法第九十六条第一項の規定により国土交通大臣から指示された滑走路とは異なる滑走路
ニ誘導路
二前号に掲げる場所又は道路その他の航空機が通常着陸することが想定されない場所への着陸又はその試み
三着陸時において発動機覆い、翼端その他の航空機の脚以外の部分が地表面に接触した事態
四オーバーラン、アンダーシュート及び滑走路からの逸脱(航空機が自ら地上走行できなくなつた場合に限る。)
五非常脱出スライドを使用して非常脱出を行つた事態
六飛行中において地表面又は水面への衝突又は接触を回避するため航空機乗組員が緊急の操作を行つた事態
七発動機の破損(破片が当該発動機のケースを貫通した場合に限る。)
八飛行中における発動機(多発機の場合は、次のイ又はロに掲げる航空機の区分に応じ、当該イ又はロに定める数以上の発動機)の継続的な停止又は出力若しくは推力の損失(動力滑空機の発動機を意図して停止した場合を除く。)
イロに掲げる航空機以外の航空機二
ロ垂直離着陸飛行機及びマルチローター垂直離着陸飛行機又はマルチローターの型式ごとに、継続的な停止又は出力若しくは推力の損失により、当該垂直離着陸飛行機又はマルチローターの航行が継続できなくなるおそれがある発動機の数として国土交通大臣が定める数
九航空機のプロペラ、回転翼、脚、方向舵だ、昇降舵だ、補助翼又はフラップが損傷し、当該航空機の航行が継続できなくなつた事態
十航空機に装備された一又は二以上のシステムにおける航空機の航行の安全に障害となる複数の故障
十一航空機内における火炎又は煙の発生及び発動機防火区域内における火炎の発生
十二航空機内の気圧の異常な低下
十三緊急の措置を講ずる必要が生じた燃料の欠乏
十四気流の擾じよう乱その他の異常な気象状態との遭遇、航空機に装備された装置の故障又は対気速度限界、制限荷重倍数限界若しくは運用高度限界を超えた飛行により航空機の操縦に障害が発生した事態
十五航空機乗組員が負傷又は疾病により運航中に正常に業務を行うことができなかつた事態
十六物件を機体の外に装着し、つり下げ、又は曳航している航空機から、当該物件が意図せず落下し、又は緊急の操作として投下された事態
十七航空機から脱落した部品が人と衝突した事態
十八前各号に掲げる事態に準ずる事態
第百六十六条の五法第七十六条の二の規定により、機長は、次に掲げる事項を国土交通大臣に報告しなければならない。
一機長の氏名及び住所
二航空機の国籍、登録記号及び型式
三報告に係る事態が発生した日時及び場所
四報告に係る事態の概要その他参考となる事項

(運航管理者の承認が必要な航空機)

第百六十六条の六法第七十七条の国土交通省令で定める航空機は、最大離陸重量が五千七百キログラムを超える飛行機及び最大離陸重量が九千八十キログラムを超える回転翼航空機(次に掲げる航空機を除く。)とする。
一法第四条第一項各号に掲げる者が経営する航空運送事業の用に供する航空機
二法第百十三条の二第一項の許可を受けた受託者が法第四条第一項各号に掲げる者である場合において当該受託者が運航する航空機
三客席数が三十以下並びに運送することができる最大の旅客及び貨物の重量が三千四百キログラム以下であり、かつ、タービン発動機を装備した飛行機であつて、次のいずれにも該当するもの
イ航空運送事業者又はその代理人と旅客若しくは荷主又はそれらの代理人との交渉に基づき当該航行の出発地及び到着地並びに日時を決定する方法により運航するものであること。ただし、不特定多数の旅客又は貨物を同時に運送する目的で、旅客又は貨物の募集が行われるものを除く。
ロイに掲げる方法により行われる運航であつて、当該航行と同一の地点間において当該航空運送事業者が行う航行が三十日間に十五往復以下である運航又は三十日を超えて継続していない運航を行うものであること。

(運航管理者の受験資格)

第百六十七条法第七十八条第三項の規定により、運航管理者技能検定(以下「技能検定」という。)を受けることができる者は、当該技能検定の施行の日までに、二十一歳に達する者であつて、航空運送事業の用に供する最大離陸重量が五千七百キログラムを超える飛行機又は最大離陸重量が九千八十キログラムを超える回転翼航空機の運航に関して、第一号から第五号までに掲げる経験のうち一の経験を二年以上有する者及びこれらの経験のうち二の経験をそれぞれ一年以上有する者並びに第六号に掲げる経験を一年以上有する者とする。
一操縦を行つた経験
二空中航法を行つた経験
三気象業務を行つた経験
四航空機に乗り組んで無線設備の操作を行つた経験
五航空交通管制の業務を行つた経験
六運航管理者の業務の補助の業務を行つた経験
2前項の規定にかかわらず、国土交通大臣が同項の経験と同等以上の経験を有すると認める者は、技能検定を受けることができる。
第百六十七条の二第四十四条(第一号及び第二号を除く。)の規定は、前条第一項の経験の証明について準用する。

(技能検定の申請)

第百六十八条技能検定を受けようとする者は、運航管理者技能検定申請書(第十九号様式(学科試験全科目免除申請者にあつては、第十九号の二様式))に、次の各号に掲げる書類を添付し、国土交通大臣に提出しなければならない。
一履歴書
二学科試験全科目免除申請者にあつては、写真一葉及び戸籍抄本若しくは戸籍記載事項証明書又は本籍の記載のある住民票の写し
三第百六十七条第一項に規定する経験を有する者にあつては、その旨を証明する書類
四第百七十条の三又は第百七十条の四の規定により学科試験の全部又は一部の免除を受けようとする者にあつては、第百七十条の二の文書の写し
五第百七十条の五第一項又は第二項の規定により試験の免除を受けようとする者にあつては、当該外国の政府が授与した運航管理者の技能検定に合格したことを証する文書の写し
六第百七十条の六の規定により実地試験の一部の免除を受けようとする者(学科試験全科目免除申請者に限る。)にあつては、法第七十八条第四項において準用する法第二十九条第四項の規定により国土交通大臣が指定した運航管理者の養成施設(以下「指定運航管理者養成施設」という。)の管理者の発行する修了証明書(第十九号の三様式)
2技能検定を受けようとする者(学科試験全科目免除申請者を除く。)であつて、学科試験に合格したものは、実地試験を受けようとするとき(全部又は一部の科目に係る実地試験の免除を受けようとするときを含む。)は、実地試験申請書(第十九号の二様式)に、写真一葉及び次の各号に掲げる書類を添付し、国土交通大臣に提出しなければならない。
一戸籍抄本若しくは戸籍記載事項証明書又は本籍の記載のある住民票の写し
二第百七十条の二の文書の写し
三第百七十条の五第一項又は第二項の規定により実地試験の免除を受けようとする者にあつては、当該外国の政府が授与した運航管理者の技能検定に合格したことを証する文書の写し
四第百七十条の六の規定により実地試験の一部の免除を受けようとする者にあつては、指定運航管理者養成施設の管理者の発行する修了証明書(第十九号の三様式)

(試験の期日等の公示及び通知)

第百六十九条国土交通大臣は、法第七十八条第四項において準用する法第二十九条第一項の規定により試験を行う場合は、試験の期日及び場所、前条第一項の技能検定申請書の提出時期その他必要な事項を、インターネットの利用その他の適切な方法により公示するものとする。
2国土交通大臣は、前条第一項の技能検定申請書を受理したときは、申請者に、試験に関する実施細目その他必要な事項を通知するものとする。

(学科試験)

第百七十条学科試験は、次に掲げる試験科目について行う。
一航空機航空運送事業の用に供する航空機の構造、性能及び燃料消費関係
二航空機の運航重量配分の基本原則及び重量配分の航空機の運航に及ぼす影響
三航空保安施設航空保安施設の諸元、機能及び使用方法並びに運航上の運用方法
四無線通信無線通信施設の概要、通信組織及び施設の運用方法並びに手続
五航空気象風系、気流の擾じよう乱、雲、着氷、空電、霧等航空機の運航に影響を及ぼす気象現象に関する知識及び気象観測の方法
六気象通報気象通報の組織及び通報式
七天気図の解説天気記号技術用語及び解析の一般原則
八空中航法無線航法及び推測航法に関する一般知識並びに航法用計器の原理及び取扱法
九法規国内航空法規及び国際航空法規

(学科試験の合格の通知)

第百七十条の二国土交通大臣は、前条の学科試験の全部又は一部に合格した者に対し、その旨を文書で通知する。

(試験の免除)

第百七十条の三第百七十条の学科試験に合格した者が技能検定を申請する場合は、申請により、当該合格に係る前条の通知があつた日から二年以内に行われる学科試験を免除する。
第百七十条の四第百七十条の学科試験の全部の科目について試験を受けその一部の科目について合格点を得た者が、技能検定を申請する場合には、当該合格に係る第百七十条の二の通知があつた日から一年以内に行われる学科試験に限り、申請により、当該合格点を得た科目及び当該合格点を得た学科試験の後当該申請に係る学科試験までの間の学科試験において合格点を得た科目に係る学科試験を免除する。
第百七十条の五国土交通大臣は、国際民間航空条約の締約国たる外国の政府が行う運航管理者の技能検定に合格した者に対しては、申請により、第百七十条の試験(同条第九号の国内航空法規に係るものを除く。)及び第百七十一条の試験の全部又は一部を免除することができる。
2国土交通大臣は、国際民間航空条約の締約国たる外国の政府であつて、運航管理者の技能として第百七十条及び第百七十一条の試験と同等又はそれ以上の試験を行うと国土交通大臣が認めるものが行う運航管理者の技能検定に合格した者に対しては、申請により、試験の全部を免除することができる。
3前二項の場合においては、運航管理者として必要な日本語又は英語の能力を有するかどうかについて国土交通大臣が必要があると認めて行う試験に合格しなければならない。
第百七十条の六指定運航管理者養成施設の課程を修了した者に対する次条の実地試験については、申請により、これを行わない。ただし、当該指定運航管理者養成施設の課程を修了した日から起算して一年を経過した場合は、この限りでない。

(実地試験)

第百七十一条実地試験は、左に掲げる科目について行う。
一天気図の解説地表面天気図、上層天気図等の気象図から航空機の航行に関する気象状態の予想
二航空機の航行の援助仮定の悪天候状態における航行の援助

(運航管理者技能検定合格証明書)

第百七十一条の二技能検定に合格した者に対しては、運航管理者技能検定合格証明書(第二十九号様式)を交付するものとする。

(運航管理者の養成施設)

第百七十一条の三第五十条の三、第五十条の四、第五十条の五、第五十条の六第一項、第五十条の七、第五十条の八第二項、第五十条の十一及び第五十条の十二の規定は、法第七十八条第四項において準用する法第二十九条第四項の規定による運航管理者の養成施設について準用する。この場合において、第五十条の三第一項中「航空従事者養成施設指定申請書(第十九号の四様式)」とあるのは「運航管理者養成施設指定申請書(第二十九号の二様式)」と、同条第三項第二号中「法第二十五条第一項、第二項及び第三項の限定、法第二十九条の二第一項の変更に係る限定、法第三十三条第一項の航空英語能力証明、法第三十四条第一項の計器飛行証明、同条第二項の操縦教育証明又は別表第三の一等航空整備士、二等航空整備士、一等航空運航整備士、二等航空運航整備士及び航空工場整備士の資格についての技能証明に係る整備の基本技術の科目の別ごとに定める課程」とあるのは「法第七十八条第一項の運航管理者技能検定に係る課程」と、第五十条の四第一号イ中「、法第二十九条第一項(法第二十九条の二第二項、法第三十三条第三項又は法第三十四条第三項において準用する場合を含む。)の試験若しくは法第七十一条の三第一項の審査」とあるのは「若しくは法第七十八条第四項において準用する法第二十九条第一項の試験」と、第五十条の六第一項中「法第二十九条第四項」とあるのは「法第七十八条第四項において準用する法第二十九条第四項」と、第五十条の七中「航空従事者養成施設指定書(第十九号の五様式)」とあるのは「運航管理者養成施設指定書(第二十九号の三様式)」と、第五十条の八第二項中「前項」とあるのは「技能審査員」と、第五十条の十一中「第五十条の二第五項」とあるのは「第百六十八条第一項第六号」と、「第五十条の二第三項及び第四項」とあるのは「第百七十条の六」と読み替えるものとする。

(空港等以外の場所において離着陸ができる航空機)

第百七十二条法第七十九条の規定により、国土交通省令で定める航空機は、滑空機をいう。
第百七十二条の二法第七十九条ただし書の許可を受けようとする者は、次に掲げる事項を記載した申請書を国土交通大臣に提出しなければならない。
一氏名及び住所
二航空機の型式並びに航空機の国籍及び登録記号
三離陸し、又は着陸する日時及び場所(当該場所の略図を添付すること。)
四離陸し、又は着陸する理由
五事故を防止するための措置
六飛行計画の概要(飛行の目的、日時及び径路を明記すること。)
七操縦者の氏名及び資格
八その他参考となる事項

(飛行の禁止区域)

第百七十三条法第八十条の規定により航空機の飛行を禁止する区域は、飛行禁止区域(その上空における航空機の飛行を全面的に禁止する区域)及び飛行制限区域(その上空における航空機の飛行を一定の条件の下に禁止する区域)の別に告示で定める。ただし、緊急に航空機の飛行を禁止する区域を定める必要があるため、告示により当該区域を定めるいとまがないときは、国土交通大臣は、その必要な限度において、告示をしないで、飛行禁止区域又は飛行制限区域を定めることができる。

(飛行禁止区域又は飛行制限区域の飛行の許可)

第百七十三条の二法第八十条ただし書の許可を受けようとする者は、次に掲げる事項を記載した申請書を国土交通大臣に提出しなければならない。
一氏名及び住所
二航空機の型式並びに航空機の国籍及び登録記号
三飛行計画の概要(飛行の目的、日時、経路及び高度を明記すること。)
四飛行禁止区域又は飛行制限区域を飛行する理由
五操縦者の氏名及び資格
六同乗者の氏名及び同乗の目的
七その他参考となる事項

(最低安全高度)

第百七十四条法第八十一条の規定による航空機の最低安全高度は、次のとおりとする。
一有視界飛行方式により飛行する航空機にあつては、飛行中動力装置のみが停止した場合に地上又は水上の人又は物件に危険を及ぼすことなく着陸できる高度及び次の高度のうちいずれか高いもの
イ人又は家屋の密集している地域の上空にあつては、当該航空機を中心として水平距離六百メートルの範囲内の最も高い障害物の上端から三百メートルの高度
ロ人又は家屋のない地域及び広い水面の上空にあつては、地上又は水上の人又は物件から百五十メートル以上の距離を保つて飛行することのできる高度
ハイ及びロに規定する地域以外の地域の上空にあつては、地表面又は水面から百五十メートル以上の高度
二計器飛行方式により飛行する航空機にあつては、告示で定める高度

(最低安全高度の飛行の許可)

第百七十五条法第八十一条但書の許可を受けようとする者は、左に掲げる事項を記載した申請書を国土交通大臣に提出しなければならない。
一氏名及び住所
二航空機の型式並びに航空機の国籍及び登録記号
三飛行計画の概要(飛行の目的、日時、径路及び高度を明記すること。)
四最低安全高度以下の高度で飛行する理由
五操縦者の氏名及び資格
六同乗者の氏名及び同乗の目的
七その他参考となる事項

(捜索又は救助のための特例)

第百七十六条法第八十一条の二の国土交通省令で定める航空機は、次のとおりとする。
一国土交通省、防衛省、警察庁、都道府県警察又は地方公共団体の消防機関の使用する航空機であつて捜索又は救助を任務とするもの
二前号に掲げる機関の依頼又は通報により捜索又は救助を行なう航空機
三救急医療用ヘリコプターを用いた救急医療の確保に関する特別措置法(平成十九年法律第百三号)第五条第一項に規定する病院の使用する救急医療用ヘリコプター(同法第二条に規定する救急医療用ヘリコプターをいう。)であつて救助を業務とするもの

(巡航高度)

第百七十七条法第八十二条第一項の規定による航空機の巡航高度は、次の表の上欄に掲げる飛行方向において同表の中欄に掲げる航空機が飛行する場合は、同表の下欄に掲げる高度(法第九十六条第一項の規定により高度について指示された場合は、当該指示に係る高度)によるものとする。
飛行方向航空機高度
磁方位〇度以上一八〇度未満有視界飛行方式により飛行する航空機二九、〇〇〇フート未満の高度であつて、一、〇〇〇フートの奇数倍に五〇〇フートを加えた高度
 計器飛行方式により飛行する航空機第百九十一条の二第一項第一号に掲げる航行を行うことについて法第八十三条の二の許可を受けた航空機及び第百九十一条の二第一項第一号に掲げる航行を行うことについて同条第二項の規定により認められた同項各号に掲げる航空機四一、〇〇〇フート以下の高度にあつては、一、〇〇〇フートの奇数倍の高度四一、〇〇〇フートを超える高度にあつては、四五、〇〇〇フートに四、〇〇〇フートの倍数を加えた高度
  その他の航空機二九、〇〇〇フート未満の高度にあつては、一、〇〇〇フートの奇数倍の高度四一、〇〇〇フートを超える高度にあつては、四五、〇〇〇フートに四、〇〇〇フートの倍数を加えた高度
磁方位一八〇度以上三六〇度未満有視界飛行方式により飛行する航空機二九、〇〇〇フート未満の高度であつて、一、〇〇〇フートの偶数倍に五〇〇フートを加えた高度
 計器飛行方式により飛行する航空機第百九十一条の二第一項第一号に掲げる航行を行うことについて法第八十三条の二の許可を受けた航空機及び第百九十一条の二第一項第一号に掲げる航行を行うことについて同条第二項の規定により認められた同項各号に掲げる航空機四一、〇〇〇フート以下の高度にあつては、一、〇〇〇フートの偶数倍の高度四一、〇〇〇フートを超える高度にあつては、四三、〇〇〇フートに四、〇〇〇フートの倍数を加えた高度
  その他の航空機二九、〇〇〇フート未満の高度にあつては、一、〇〇〇フートの偶数倍の高度四一、〇〇〇フートを超える高度にあつては、四三、〇〇〇フートに四、〇〇〇フートの倍数を加えた高度

(気圧高度計の規正)

第百七十八条機長は、次に掲げる方法により気圧高度計を規正しなければならない。
一平均海面から一万四千フート未満の高度で飛行する場合は、飛行経路上の地点のQNHの値(出発時において出発地のQNHの値を入手できない場合は、出発点の標高)によつて規正すること。
二前号以外の場合は、標準気圧値(一、〇一三・二ヘクトパスカル)によつて規正すること。

(航空交通管制圏等における速度の制限)

第百七十九条法第八十二条の二の国土交通省令で定める速度は、指示対気速度二百五十ノットとする。
2前項の規定にかかわらず、自衛隊の使用する航空機であつて同項に規定する速度を超えて飛行することがやむを得ないと認めて国土交通大臣が指定した型式の航空機に係る法第八十二条の二の国土交通省令で定める速度は、国土交通大臣が定める速度とする。ただし、他の航空機の安全に支障を及ぼすおそれがあるときは、この限りでない。
3前二項の規定にかかわらず、次の各号に掲げる航空機に係る法第八十二条の二の国土交通省令で定める速度は、当該各号に掲げる速度とする。
一法第九十六条第一項の規定により国土交通大臣から前二項に規定する速度を超える速度で飛行することを指示された航空機当該指示に係る速度
二航行の安全上やむを得ないと認められる事由により前二項に規定する速度を超える速度で飛行する必要のある航空機当該航空機が安全に飛行するために必要と認められる適切な速度

(制限速度を超える飛行の許可の申請)

第百七十九条の二法第八十二条の二ただし書の許可を受けようとする者は、次に掲げる事項を記載した申請書を国土交通大臣に提出しなければならない。
一氏名及び住所
二航空機の型式並びに航空機の国籍及び登録記号
三前条に規定する速度(以下「制限速度」という。)を超えて飛行する場合の速度
四制限速度を超えて飛行する日時及び場所
五制限速度を超えて飛行する理由
六飛行計画の概要(飛行の目的、日時及び経路を明記すること。)
七操縦者の氏名及び資格
八その他参考となる事項

(進路権)

第百八十条飛行の進路が交差し、又は接近する場合における航空機相互間の進路権の順位は、次に掲げる順序とする。
一滑空機
二物件を曳えい航している航空機
三飛行船
四飛行機、回転翼航空機及び動力で推進している滑空機
第百八十一条飛行中の同順位の航空機相互間にあつては、他の航空機を右側に見る航空機が進路を譲らなければならない。
第百八十二条正面又はこれに近い角度で接近する飛行中の同順位の航空機相互間にあつては、互に進路を右に変えなければならない。
第百八十三条着陸のため最終進入の経路にある航空機及び着陸操作を行つている航空機は、飛行中の航空機、地上又は水上において運航中の航空機に対して進路権を有する。
第百八十四条着陸のため空港等に進入している航空機相互間にあつては、低い高度にある航空機が進路権を有する。ただし、最終進入の経路にある航空機の前方に割り込み、又はこれを追い越してはならない。
第百八十五条前方に飛行中の航空機を他の航空機が追い越そうとする場合(上昇又は降下による追越を含む。)には、後者は、前者の右側を通過しなければならない。
第百八十六条進路権を有する航空機は、その進路及び速度を維持しなければならない。

(間隔の維持)

第百八十七条航空機は、他の航空機と近接して飛行する場合は、衝突のおそれのないように、間隔を維持しなければならない。

(地上移動)

第百八十八条航空機は、空港等内において地上を移動する場合には、次の各号に掲げる基準に従つて移動しなければならない。
一前方を十分に監視すること。
二動力装置を制御すること又は制動装置を軽度に使用することにより、速かに且つ安全に停止することができる速度であること。
三航空機その他の物件と衝突のおそれのある場合は、地上誘導員を配置すること。

(空港等付近の航行方法)

第百八十九条航空機は、空港等及びその周辺において、次に掲げる基準に従つて航行しなければならない。ただし、自衛隊の使用する航空機が自衛隊の設置する飛行場で国土交通大臣が定めるもの及びその周辺において航行する場合でその任務の遂行上これらの基準により難い特別の事情があり、かつ、自衛隊以外に危険を及ぼすおそれのないときは、この限りでない。
一計器飛行方式による進入の方式その他当該空港等について定められた飛行の方式に従うこと。
二計器飛行方式により離陸しようとする場合(操縦者が乗り組まないで飛行することができる装置を有する航空機が離陸しようとする場合であつて、当該航空機の離陸の安全が確保され、かつ、他の航空機の航行の安全に影響を及ぼすおそれがないと国土交通大臣が認めるときを除く。)であつて空港等における気象状態が離陸することができる最低の気象条件未満であるときは、離陸しないこと。
三計器飛行方式により着陸しようとする場合(操縦者が乗り組まないで飛行することができる装置を有する航空機が着陸しようとする場合であつて、当該航空機の着陸の安全が確保され、かつ、他の航空機の航行の安全に影響を及ぼすおそれがないと国土交通大臣が認めるときを除く。)であつて次に掲げるときは、着陸のための進入を継続しないこと。
イ進入限界高度よりも高い高度の特定の地点を通過する時点において空港等における気象状態が当該空港等への着陸のための進入を継続することができる最低の気象条件未満であるとき。
ロ進入限界高度以下の高度において目視物標を引き続き視認かつ識別することによる当該航空機の位置の確認ができなくなつたとき。
四他の航空機に続いて離陸しようとする場合には、その航空機が離陸して着陸帯の末端を通過する前に、離陸のための滑走を始めないこと。
五他の航空機に続いて着陸しようとする場合には、その航空機が着陸して着陸帯の外に出る前に、着陸のために当該空港等の区域内に進入しないこと。
六離陸する他の航空機に続いて着陸しようとする場合には、その航空機が離陸して着陸帯の末端を通過する前に、着陸のために当該空港等の区域内に進入しないこと。
七着陸する他の航空機に続いて離陸しようとする場合には、その航空機が着陸して着陸帯の外に出る前に、離陸のための滑走を始めないこと。
2航空機は、法第九十六条第一項の規定による国土交通大臣の指示であつて前項第一号及び第四号から第七号までに掲げるいずれかの基準と異なる指示があつた場合は、当該指示に従つて航行しなければならない。
3国土交通大臣は、空港等ごとに、第一項第一号の飛行の方式、同項第二号及び第三号の規定による気象条件並びに同号の規定による進入限界高度、進入限界高度よりも高い高度の特定の地点及び目視物標を定めるものとする。
第百九十条削除

(緊急の場合の特例)

第百九十一条航空機は、他の航空機が発動機の故障、燃料の欠乏その他緊急の状態にあることを知つたときは、第百八十条から第百八十九条までの規定にかかわらず、当該他の航空機がとる緊急措置を妨げないように航行しなければならない。

(特別な方式による航行)

第百九十一条の二法第八十三条の二の国土交通省令で定める特別な方式による航行は、次に掲げるものとする。
一他の航空機との垂直方向の間隔を縮小する方式による飛行
二カテゴリー二航行(決心高(精密進入を行う場合において、進入及び着陸に必要な目視物標を視認できないときに、進入復行を行わなければならない滑走路進入端からの高さをいう。以下この項において同じ。)が三十メートル以上六十メートル未満であつて、滑走路視距離が三百メートル以上の場合に、計器着陸装置を利用して進入及び着陸を行う航行をいう。)
三カテゴリー三航行(決心高がない、又は決心高が三十メートル未満であつて、滑走路視距離が五十メートル以上三百メートル未満の場合に、主に自動操縦により計器着陸装置を利用して進入及び着陸を行う航行をいう。)
四許容される航法精度が指定された経路又は空域における広域航法による飛行(DME、衛星航法補助施設その他の無線施設からの電波の受信又は慣性航法装置の利用により任意の経路を飛行する方式による飛行をいう。)
2前項の規定にかかわらず、次に掲げる航空機が行う前項各号に掲げる航行は、法第八十三条の二の国土交通省令で定める特別な方式による航行に含まれないものとする。
一国際民間航空条約の附属書として採択された標準、方式及び手続を採用する締約国たる外国の国籍を有する航空機であつて当該外国(当該外国と当該航空機の使用者が住所を有する締約国たる外国との間に国際民間航空条約第八十三条の二の協定がある場合にあつては、当該協定により当該航空機に係る証明、免許その他の行為を行うこととされた外国)が前項各号に掲げる航行を行うことについて認めたもの及び国土交通大臣が適当と認めたもの
二前項各号に掲げる航行を行うことについて第百九十一条の四各号に掲げる基準に適合すると防衛大臣が認めた自衛隊が使用する航空機

(特別な方式による航行の許可の申請)

第百九十一条の三法第八十三条の二の許可を受けようとする者は、次に掲げる事項を記載した申請書を国土交通大臣に提出しなければならない。
一氏名又は名称及び住所
二航空機の型式並びに国籍及び登録記号
三行おうとする特別な方式による航行
四当該特別な方式による航行に必要な装置
五当該特別な方式による航行の開始予定日
六その他参考となる事項
2前項の申請書には、次に掲げる事項を記載した実施要領を添付しなければならない。
一航空機乗組員が行う当該特別な方式による航行に必要な航空機の操作、点検の方法及び装置が故障した場合における必要な措置に関する事項
二当該特別な方式による航行に必要な装置の整備の間隔、要目及び作業の実施方法に関する事項
三航空機乗組員、航空機の整備に従事する者及び運航管理者に対して、当該特別な方式による航行に必要な知識を付与する方法並びに訓練の課目、時間その他訓練方法並びに技能審査に関する事項
四その他当該特別な方式による航行の安全を確保するために必要な事項

(特別な方式による航行の許可の基準)

第百九十一条の四法第八十三条の二の許可は、次に掲げる基準に適合するものについて行う。
一航空機が特別な方式による航行に必要な性能及び装置を有していること。
二航空機乗組員、航空機の整備に従事する者及び運航管理者が特別な方式による航行に必要な知識及び能力を有していること。
三実施要領が特別な方式による航行の区分及び航空機の区分に応じて、適切に定められていること。
四その他航空機の航行の安全を確保するために必要な措置が講じられていること。

(編隊飛行の許可の申請)

第百九十二条法第八十四条第一項の許可を受けようとする者は、左に掲げる事項を記載した申請書を国土交通大臣に提出しなければならない。
一氏名及び住所
二航空機の型式並びに航空機の国籍及び登録記号
三飛行計画の概要(飛行の目的、日時及び径路を明記すること。)
四編隊飛行を行う日時及び場所
五操縦者の氏名及び資格
六同乗者の氏名及び同乗の目的
七その他参考となる事項

(編隊飛行の打合せ)

第百九十三条法第八十四条第二項の規定により、機長が打ち合わせなければならない事項は、左の通りとする。
一編隊飛行の実施概要
二編隊の型
三旋回その他行動の要領
四合図及びその意味
五その他必要な事項

(輸送禁止の物件)

第百九十四条法第八十六条第一項の国土交通省令で定める物件は、次に掲げるものとする。
一火薬類火薬、爆薬、火工品その他の爆発性を有する物件
二高圧ガス摂氏五十度で絶対圧力三百キロパスカルを超える蒸気圧を持つ物質又は摂氏二十度で絶対圧力百一・三キロパスカルにおいて完全に気体となる物質であつて、次に掲げるものをいう。
イ引火性ガス摂氏二十度で絶対圧力百一・三キロパスカルにおいて、空気と混合した場合の爆発限界の下限が十三パーセント以下のもの又は爆発限界の上限と下限の差が十二パーセント以上のもの
ロ毒性ガス人が吸入した場合に強い毒作用を受けるもの
ハその他のガスイ又はロ以外のガスであつて、液化ガス又は摂氏二十度でゲージ圧力二百キロパスカル以上となるもの
三引火性液体引火点(密閉式引火点測定法による引火点をいう。以下同じ。)が摂氏六十度以下の液体(引火点が摂氏三十五度を超える液体であつて、燃焼継続性がないと認められるものが当該引火点未満の温度で輸送される場合を除く。)又は引火点が摂氏六十度を超える液状の物質(当該引火点未満の温度で輸送される場合を除く。)
四可燃性物質類次に掲げるものをいう。
イ可燃性物質火気等により容易に点火され、かつ、火災の際これを助長するような易燃性の物質
ロ自然発火性物質通常の輸送状態で、摩擦、湿気の吸収、化学変化等により自然発熱又は自然発火しやすい物質
ハ水反応可燃性物質水と作用して引火性ガスを発生する物質
五酸化性物質類次に掲げるものをいう。
イ酸化性物質他の物質を酸化させる性質を有する物質であつて、有機過酸化物以外のもの
ロ有機過酸化物容易に活性酸素を放出し他の物質を酸化させる性質を有する有機物質
六毒物類次に掲げるものをいう。
イ毒物人がその物質を吸入し、皮膚に接触し、又は体内に摂取した場合に強い毒作用又は刺激を受ける物質
ロ病毒を移しやすい物質病原体及び病原体を含有し、又は病原体が付着していると認められる物質
七放射性物質等放射性物質(電離作用を有する放射線を自然に放射する物質をいう。)及びこれによつて汚染された物件(告示で定める物質及び物件を除く。)
八腐食性物質化学作用により皮膚に不可逆的な危害を与える物質又は漏えいの場合に航空機の機体、積荷等に物質的損害を与える物質
九その他の有害物件前各号に掲げる物件以外の物件であつて人に危害を与え、又は他の物件を損傷するおそれのあるもの(告示で定めるものに限る。)
十凶器鉄砲、刀剣その他人を殺傷するに足るべき物件
2前項の規定にかかわらず、次の各号に掲げる物件は、法第八十六条第一項の国土交通省令で定める物件に含まれないものとする。
一告示で定める物件(放射性物質等を除く。)であつて次に掲げるところに従つて輸送するもの
イ告示で定める技術上の基準に従うこと。
ロ告示で定める物件にあつては、その容器又は包装が告示で定める安全性に関する基準に適合していることについて国土交通大臣の行う検査に合格したものであること。ただし、当該容器又は包装が国土交通大臣が適当と認める外国の法令に定める基準に適合している場合にあつては、この限りでない。
二告示で定める放射性物質等であつて次に掲げるところに従つて輸送するもの
イ告示で定める放射性物質等にあつては、次の(1)、(2)、(3)及び(4)に掲げる放射性物質等の区分に応じ、それぞれ次の(1)、(2)、(3)若しくは(4)に掲げる種類の放射性輸送物(放射性物質等が容器に収納され、又は包装されているものをいう。以下同じ。)とし、又は告示で定めるところにより国土交通大臣の承認を受けて次の(1)、(2)、(3)及び(4)に掲げる放射性輸送物以外の放射性輸送物とすること。この場合において、(1)、(2)又は(3)に掲げる放射性物質等のうち、(4)に掲げる放射性物質等に該当するものについては、(1)、(2)又は(3)に掲げる放射性輸送物に代えて(4)に掲げる放射性輸送物とすることができる。
(1)危険性が極めて少ない放射性物質等として告示で定めるものL型輸送物
(2)告示で定める量を超えない量の放射能を有する放射性物質等((1)に掲げるものを除く。)A型輸送物
(3)(2)の告示で定める量を超え、かつ、告示で定める量を超えない量の放射能を有する放射性物質等((1)に掲げるものを除く。)BM型輸送物又はBU型輸送物
(4)低比放射性物質(放射能濃度が低い放射性物質等であつて、危険性が少ないものとして告示で定めるものをいう。)又は表面汚染物(放射性物質以外の固体であつて、表面が放射性物質によつて汚染されたもののうち、告示で定めるものをいう。)IP―1型輸送物、IP―2型輸送物又はIP―3型輸送物
ロ告示で定める放射性輸送物に関する技術上の基準その他の基準に従うこと。
ハイ(3)に掲げるBM型輸送物又はBU型輸送物にあつては、ロの告示で定める放射性輸送物に関する技術上の基準に適合していることについて、積載前に、告示で定めるところにより国土交通大臣の確認を受けていること。ただし、本邦外から本邦内へ又は本邦外の間を輸送されるBU型輸送物のうち、告示で定める外国の法令による確認を受けたものについては、この限りでない。
ニ告示で定める六フッ化ウランが収納され、又は包装されている放射性輸送物にあつては、告示で定める技術上の基準に適合していることについて、積載前に、告示で定めるところにより国土交通大臣の確認を受けていること。
ホBM型輸送物若しくはBU型輸送物又はニに掲げる放射性輸送物にあつては、ロの告示で定める基準(放射性輸送物に関する技術上の基準に関するものを除く。)に適合していることについて、告示で定めるところにより国土交通大臣の確認を受けていること。
ヘ防護のための措置が特に必要な放射性物質等として告示で定めるものが収納され、又は包装されている放射性輸送物にあつては、ロの告示で定める基準に適合していることについて、告示で定めるところにより国土交通大臣の確認を受けていること。この場合において、ロの告示で定める放射性輸送物に関する技術上の基準に適合していることについての国土交通大臣の確認は、積載前に、受けるものとする。
三航空機の運航、航空機内における人命の安全の保持その他告示で定める目的のため当該航空機で輸送する物件(告示で定めるものを除く。)
四搭乗者が身につけ、携帯し、又は携行する物件であつて告示で定めるもの
五航空機以外の輸送手段を用いることが不可能又は不適当である場合において、国土交通大臣の承認を受けて輸送する物件
六国土交通大臣が適当と認める外国の法令による承認を受けて、本邦外から本邦内へ又は本邦外の間を輸送する物件
3危険物船舶運送及び貯蔵規則(昭和三十二年運輸省令第三十号)第百十三条第一項の規定による地方運輸局長又は同項に規定する登録検査機関の検査に合格した場合は、前項第一号ロの検査に合格したものとみなす。
4核原料物質、核燃料物質及び原子炉の規制に関する法律(昭和三十二年法律第百六十六号)第五十九条第二項の規定による原子力規制委員会の確認又は危険物船舶運送及び貯蔵規則第八十七条第一項の規定による国土交通大臣若しくは地方運輸局長の確認を受けた場合は、告示で定めるところにより第二項第二号ハ、ニ又はヘ(放射性輸送物に関する技術上の基準に係るものに限る。)の確認を受けたものとみなす。
5放射性同位元素等の規制に関する法律(昭和三十二年法律第百六十七号)第十八条第二項の運搬物確認を受けた場合は、告示で定めるところにより第二項第二号ハの確認を受けたものとみなす。

(物件の曳航)

第百九十五条法第八十八条の規定により、航空機が滑空機を曳航する場合の安全上の基準は、左の通りとする。
一二人以上の者が乗ることのできる航空機には、連絡員を乗り組ませること(航空機と滑空機の間において無線通信による連絡が可能である場合を除く。)。
二曳航を行う前に、左に掲げる事項について打合せをすること。
イ合図及びその意味
ロ出発及び曳航の方法
ハ曳航索の離脱の時期、場所及び方法
ニその他必要な事項
三曳航索の長さは、四十メートル以上八十メートル以下を基準とすること。
四離陸を行う場合には、航空機と滑空機が十分な連絡を行うことを援助するため、地上連絡員を配置すること。
五航空機が曳航索を離脱する場合には、地上連絡員は、離脱したかどうかを航空機に連絡すること。
六曳航索は、通常当該曳航索の長さの八十パーセントに相当する高度以上の高度で離脱すること。
七雲中及び夜間の曳航飛行は、行わないこと(国土交通大臣の許可を受けた場合を除く。)。
第百九十六条法第八十八条の規定により、航空機が滑空機以外の物件を曳航する場合の安全上の基準は、左の通りとする。
一曳航索には、二十メートル間隔に赤及び白の標識布を交互に付けること。
二離陸を行う場合には、地上連絡員を配置すること。
三航空機が滑空機以外の物件を離脱する場合には、地上連絡員は、離脱したかどうかを航空機に連絡すること。

(物件の投下の届出)

第百九十六条の二法第八十九条ただし書の届出をしようとする者は、次に掲げる事項を記載した物件投下届出書を空港事務所長に提出しなければならない。
一氏名及び住所
二航空機の型式並びに航空機の国籍及び登録記号
三飛行の目的、日時、径路及び高度
四物件を投下する目的
五投下しようとする物件の概要及び投下しようとする場所
六操縦者の氏名及び資格
七その他参考となる事項

(落下傘降下の許可申請)

第百九十六条の三法第九十条の許可を申請しようとする者は、次に掲げる事項を記載した落下傘降下許可申請書を国土交通大臣に提出しなければならない。
一氏名及び住所
二航空機の型式並びに航空機の国籍及び登録記号
三飛行計画の概要(飛行の目的、日時、径路及び高度を明記すること。)
四落下傘で降下する目的、日時及び場所
五操縦者の資格及び氏名
六落下傘の型式その他当該落下傘について必要な事項
七その他参考となる事項

(曲技飛行等を行うことができる高度)

第百九十七条法第九十一条第一項本文の規定により、航空機が曲技飛行等を行うことができる高度は、次の各号に掲げる高度とする。
一第百九十七条の三に規定する曲技飛行又は航空機の試験をする飛行(次号の飛行に該当するものを除く。)にあつては、次に掲げる航空機の区分に応じ、それぞれに掲げる高度
イ滑空機以外の航空機当該航空機を中心として半径五百メートルの範囲内の最も高い障害物の上端から五百メートル以上の高度
ロ滑空機当該航空機を中心として半径三百メートルの範囲内の最も高い障害物の上端から三百メートル以上の高度
二第百九十七条の四に規定する著しい高速の飛行にあつては、当該航空機による衝撃波が地上又は水上の人又は物件に危害を与え、又は損傷を及ぼすおそれのない高度

(曲技飛行等を行うことができる飛行視程)

第百九十七条の二法第九十一条第一項の国土交通省令で定める距離は、次の各号に掲げる距離とする。
一次条に規定する曲技飛行又は航空機の試験をする飛行(次号の飛行に該当するものを除く。)を行う場合にあつては、次に掲げる空域の区分に応じ、それぞれに掲げる距離
イ三千メートル以上の高さの空域八千メートル
ロ三千メートル未満の高さの空域五千メートル
二第百九十七条の四に規定する著しい高速の飛行を行う場合にあつては、一万メートル

(曲技飛行)

第百九十七条の三法第九十一条第一項の国土交通省令で定める曲技飛行は、宙返り、横転、反転、背面、きりもみ、ヒップストールその他航空機の姿勢の急激な変化、航空機の異常な姿勢又は航空機の速度の異常な変化を伴う一連の飛行とする。

(著しい高速の飛行)

第百九十七条の四法第九十一条第一項の国土交通省令で定める著しい高速の飛行は、音速を超える速度で行う飛行とする。

(曲技飛行等の許可の申請)

第百九十八条法第九十一条第一項ただし書の許可を受けようとする者は、次に掲げる事項を記載した申請書を国土交通大臣に提出しなければならない。
一氏名及び住所
二航空機の型式並びに航空機の国籍及び登録記号
三飛行計画の概要(飛行の目的、日時及び径路を明記すること。)
四曲技飛行等の内容並びに当該飛行を行う日時及び場所
五曲技飛行等を行う理由
六操縦者の氏名及び資格
七同乗者の氏名及び同乗の目的
八その他参考となる事項

(航空交通の安全を阻害するおそれのある飛行)

第百九十八条の二法第九十二条第一項第三号の国土交通省令で定める航空交通の安全を阻害するおそれのある飛行は、次の各号に掲げる飛行(航行の安全上やむを得ないと認められる事由により行われるものを除く。)とする。
一航空機の姿勢をひんぱんに変更する飛行
二失速を伴う飛行
三航空機の高度を急激に変更する飛行

(操縦練習飛行等の許可の申請)

第百九十八条の三法第九十二条第一項ただし書の許可を受けようとする者は、次に掲げる事項を記載した申請書を国土交通大臣に提出しなければならない。
一氏名及び住所
二航空機の型式並びに航空機の国籍及び登録記号
三飛行計画の概要(飛行の目的、日時、径路及び高度を明記すること。)
四操縦練習飛行等(法第九十二条第一項各号に掲げる飛行をいう。以下同じ。)の内容並びに当該飛行を行う日時及び場所
五操縦練習飛行等を行う理由
六法第九十二条第一項第一号又は第二号に掲げる飛行にあつては、操縦の練習を行う者の氏名及び資格並びに操縦の練習の監督を行う者の氏名及び資格
七法第九十二条第一項第三号に掲げる飛行にあつては、操縦者の氏名及び資格
八同乗者の氏名及び同乗の目的
九その他参考となる事項

(法第九十四条ただし書の規定による許可を受けて管制区等を飛行する場合の飛行の方法)

第百九十八条の四航空機は、法第九十四条ただし書の規定による許可を受けて管制区(特別管制空域及び第百九十八条の六に規定する高さ以上の空域を除く。第四号において同じ。)、管制圏(特別管制空域を除く。第五号において同じ。)又は情報圏を飛行するときは、次の各号に掲げる基準に従つて飛行しなければならない。ただし、当該許可に際しこれらの基準と異なる条件が付されたときは、この限りでない。
一雲から離れて飛行すること。
二飛行視程を千五百メートル以上に維持して飛行すること。
三地表又は水面を引き続き視認できる状態で飛行すること。
四管制区を飛行する場合にあつては、当該管制区の管制業務を行う機関と常時連絡を保つこと。
五情報圏を飛行する場合又は法第九十六条第六項の告示で指定する時間において管制圏を飛行する場合にあつては、当該情報圏又は当該管制圏における航空交通情報の提供に関する業務を行う機関を経由して、当該情報圏又は当該管制圏における飛行について法第九十四条ただし書の規定による許可を行う機関と常時連絡を保つこと。

(特別管制空域の指定の基準等)

第百九十八条の五国土交通大臣は、法第九十四条の二第一項の規定により特別管制空域を告示で指定するに当たつては、次の各号のいずれかに掲げる空域に区分するものとする。
一特別管制空域A管制区又は管制圏のうち、航空交通の安全の確保のため有視界飛行方式による飛行を禁止することが最も必要と認められる空域
二特別管制空域B管制区又は管制圏のうち、前号の空域と認められる空域以外の航空交通がふくそうすると認められる空域であつて、管制業務(法第九十六条第一項及び第二項の規定による指示並びに同条第三項の規定による連絡に関する業務であつて国土交通大臣が行うものをいう。以下同じ。)を行う機関が当該空域内を飛行するすべての航空機との間に安全な間隔を確保するための指示を行う必要があると認められるもの
三特別管制空域C管制区又は管制圏のうち、前二号の空域と認められる空域以外の計器飛行方式により飛行する航空機による航空交通がふくそうすると認められる空域であつて、管制業務を行う機関が当該空域内を計器飛行方式により飛行する航空機との間に安全な間隔を確保するための指示を行う必要があると認められるもの
2国土交通大臣は、次の各号に掲げる空域においては、それぞれ当該各号に定める場合に限り、法第九十四条の二第一項ただし書の規定による許可をするものとする。
一前項第一号に掲げる空域予測することができない急激な天候の悪化その他のやむを得ない事由がある場合
二前項第二号に掲げる空域予測することができない急激な天候の悪化その他のやむを得ない事由がある場合又は当該空域内の計器飛行方式により飛行する航空機の円滑な航行を阻害するおそれがなく、かつ、当該空域内のすべての航空機との間に安全な間隔を確保することが可能であると国土交通大臣が認める場合
三前項第三号に掲げる空域予測することができない急激な天候の悪化その他のやむを得ない事由がある場合又は当該空域内の計器飛行方式により飛行する航空機の円滑な航行を阻害するおそれがなく、かつ、当該空域内の計器飛行方式により飛行する航空機との間に安全な間隔を確保することが可能であると国土交通大臣が認める場合

(法第九十四条の二第一項の国土交通省令で定める高さ)

第百九十八条の六法第九十四条の二第一項の国土交通省令で定める高さは、二万九千フートとする。

(法第九十四条の二第一項の国土交通省令で定める高さ以上の空域における同項ただし書の規定による許可の基準)

第百九十八条の七国土交通大臣は、前条に規定する高さ以上の空域においては、予測することができない急激な天候の悪化その他のやむを得ない事由がある場合又は当該空域内の計器飛行方式により飛行する航空機の円滑な航行を阻害するおそれがなく、かつ、当該空域内のすべての航空機との間に安全な間隔を確保することが可能であると国土交通大臣が認める場合に限り、法第九十四条の二第一項ただし書の規定による許可をするものとする。

(法第九十四条の二第一項ただし書の規定による許可を受けた場合の飛行の方法)

第百九十八条の八航空機は、法第九十四条の二第一項ただし書の規定による許可を受けたときは、有視界気象状態を維持して飛行しなければならない。ただし、附近にある他のすべての航空機の位置を把握することができる装置を用いることその他の方法により当該航空機との間に安全な間隔を確保することが可能であると国土交通大臣が認める場合は、この限りでない。

(法第九十五条の二第一項の国土交通省令で定める航空運送事業)

第百九十八条の九法第九十五条の二第一項の国土交通省令で定める航空運送事業は、国内定期航空運送事業及び国際航空運送事業とする。

(航空機の航行の安全に影響を及ぼすおそれがある情報)

第百九十八条の十法第九十五条の二第三項の国土交通省令で定める情報は、他の航空機の飛行計画及び航空機の位置、高度又は経路に関する情報とする。

(法第九十五条の三の国土交通省令で定める航空機)

第百九十八条の十一法第九十五条の三の国土交通省令で定める航空機は、自衛隊の使用する航空機以外のものとする。

(訓練試験等計画の承認を受けなければならない飛行)

第百九十八条の十二法第九十五条の三の国土交通省令で定める飛行は、曲技飛行等、操縦練習飛行等その他航空機の操縦の練習のために行う飛行とする。

(訓練試験等計画)

第百九十八条の十三法第九十五条の三の規定による訓練試験等計画には、次に掲げる事項を明らかにしなければならない。
一航空機の無線呼出符号
二航空機の型式
三操縦者の氏名
四飛行の内容及び当該飛行を行う日時(民間訓練試験空域における飛行高度並びに民間訓練試験空域への入域の予定時刻及び当該空域からの出域の予定時刻を明らかにすること。)
五飛行を行おうとする民間訓練試験空域の名称
六その他参考となる事項
2法第九十五条の三の承認を受けた訓練試験等計画を変更する場合には、前項各号に掲げる事項のうち、航空機の無線呼出符号、飛行を行う日時、及び変更しようとする事項を通報すれば足りる。

(航空交通管制)

第百九十九条管制業務の種類は、次に掲げるとおりとする。
一航空路管制業務計器飛行方式により飛行する航空機及び特別管制空域又は第百九十八条の六に規定する高さ以上の空域を飛行する航空機に対する管制業務であつて次号から第五号までに掲げるもの以外のもの
二飛行場管制業務法第二条第十三項の国土交通大臣が指定する空港等において離陸し若しくは着陸する航空機、当該空港等の周辺を飛行する航空機又は当該空港等の業務に従事する者に対する管制業務であつて次号から第五号までに掲げるもの以外のもの
三進入管制業務計器飛行方式により飛行する航空機及び特別管制空域を飛行する航空機で、離陸後の上昇飛行を行うもの若しくは着陸のための降下飛行を行うもの又はこれらの航空機と交錯し若しくは接近して計器飛行方式により飛行する航空機に対する管制業務であつて次号及び第五号に掲げるもの以外のもの
四ターミナル・レーダー管制業務計器飛行方式により飛行する航空機及び特別管制空域を飛行する航空機で離陸後の上昇飛行を行うもの若しくは着陸のための降下飛行を行うもの又はこれらの航空機と交錯し若しくは接近して計器飛行方式により飛行する航空機に対してレーダーを使用して行う管制業務であつて、次号に掲げるもの以外のもの
五着陸誘導管制業務計器飛行方式により飛行する航空機に対してレーダーにより着陸の誘導を行う管制業務
2前項各号に掲げる管制業務を行う機関(航空交通管制部を除く。)については、管制業務を行う空港等又は特別管制空域の名称その他管制業務の内容を告示する。
第二百条法第九十六条第三項第一号から第三号までに掲げる航行を行おうとする航空機(第六項の航空機を除く。)は、次項又は第三項の規定により進入管制業務を行う機関又はターミナル・レーダー管制業務を行う機関に連絡すべき場合を除き、当該管制圏に係る飛行場管制業務を行う機関に連絡しなければならない。
2法第九十六条第三項第一号の上昇飛行、同項第二号の降下飛行若しくは同項第三号に掲げる航行を計器飛行方式により行おうとする航空機又は同項第四号に掲げる飛行を行おうとする航空機は、次項の規定によりターミナル・レーダー管制業務を行う機関に連絡すべき場合を除き、当該管制圏又は進入管制区に係る進入管制業務を行う機関に連絡しなければならない。
3ターミナル・レーダー管制業務が行われている管制圏又は進入管制区において、法第九十六条第三項第一号の上昇飛行、同項第二号の降下飛行若しくは同項第三号に掲げる航行を計器飛行方式により行おうとする航空機又は同項第四号に掲げる飛行を行おうとする航空機は、当該ターミナル・レーダー管制業務を行う機関に連絡しなければならない。
4計器飛行方式により飛行する航空機は、着陸誘導管制業務が行われている管制圏又は進入管制区において、レーダーの誘導により法第九十六条第三項第二号の降下飛行又は同項第四号の降下飛行を行おうとするときは、前三項の規定にかかわらず、当該管制圏又は進入管制区に係る進入管制業務を行う機関(当該進入管制業務が航空路管制業務を行う機関により行われている場合にあつては、飛行場管制業務を行う機関)又はターミナル・レーダー管制業務を行う機関を経由して、当該着陸誘導管制業務を行う機関に連絡しなければならない。
5法第九十六条第三項第五号又は第六号に掲げる飛行を行おうとする航空機は、次項の規定により当該特別管制空域に係る管制業務を行う機関に連絡すべき場合を除き、航空路管制業務を行う機関に連絡しなければならない。
6法第九十六条第三項第六号に掲げる飛行を行おうとする航空機又は管制圏内の特別管制空域において法第九十六条第三項第一号から第三号までに掲げる航行を計器飛行方式によらないで行おうとする航空機は、当該特別管制空域に係る管制業務を行う機関に連絡しなければならない。
7航空機は、現に指示を受けている管制業務を行う機関から前六項の規定により連絡すべき管制業務を行う機関と異なる管制業務を行う機関に連絡すべき旨の指示を受けたときは、これらの規定にかかわらず、当該指示された管制業務を行う機関に連絡しなければならない。
第二百一条航空機は、気象状態の変化その他のやむを得ない事由により、法第九十六条第一項の規定による指示に違反して航行したときは、速やかにその旨を当該指示をした管制業務を行う機関に通報しなければならない。
第二百一条の二国土交通大臣は、航空機が計器飛行方式により法第九十六条第三項第一号から第五号までに掲げる航行を行う場合又は有視界飛行方式により同項第一号から第三号まで若しくは同項第六号に掲げる航行(第二百二条の三に規定する飛行を除く。)を行う場合に法第九十六条第一項の指示を与えるものとする。
第二百二条航空機と管制業務を行う機関との間における略号、信号その他の連絡方法は、告示で定める。

(空港等の工事)

第二百二条の二法第九十六条第二項の国土交通省令で定める空港等の工事は、着陸帯、誘導路、エプロンその他空港等内の施設の建設、修理又は保守に関する工事とする。

(法第九十六条第三項第六号の国土交通省令で定める飛行)

第二百二条の三法第九十六条第三項第六号の国土交通省令で定める飛行は、附近にある他のすべての航空機の位置を把握することができる装置を用いることその他の方法により当該航空機との間に安全な間隔を確保することが可能であると国土交通大臣が認める飛行とする。

(航空交通情報の入手のための連絡)

第二百二条の四航空機は、法第九十六条の二第一項(法第九十六条第六項の規定により準用する場合を含む。)の規定により、管制圏、情報圏又は民間訓練試験空域において航行を行う場合は、それぞれの空域ごとに国土交通大臣が告示で定める航空交通情報の提供に関する業務を行う機関に連絡しなければならない。

(連絡又は情報の聴取が困難な場合)

第二百二条の五法第九十六条の二第一項の連絡することが困難な場合として国土交通省令で定める場合は、次に掲げるものとする。
一国土交通大臣が無線電話を装備することが構造上困難であると認める航空機が民間訓練試験空域を飛行する場合
二航空機が地形上等の理由により前条に規定する機関に連絡することが困難な民間訓練試験空域を飛行する場合
三前二号に掲げるもののほか、他の航空機と常時連絡を保つ必要があることその他の特別の事情により前条に規定する機関に連絡することが困難であると国土交通大臣が認める航行を行う場合
2法第九十六条の二第二項の聴取することが困難な場合として国土交通省令で定める場合は、次に掲げるものとする。
一国土交通大臣が無線電話を装備することが構造上困難であると認める航空機が民間訓練試験空域を飛行する場合
二航空機が地形上等の理由により前条に規定する機関に連絡して航空交通情報を聴取することが困難な民間訓練試験空域を飛行する場合
三前二号に掲げるもののほか、他の航空機と常時連絡を保つ必要があることその他の特別の事情により前条に規定する機関に連絡して航空交通情報を聴取することが困難であると国土交通大臣が認める航行を行う場合

(飛行計画等)

第二百三条法第九十七条第一項及び同条第二項の規定による飛行計画には、次に掲げる事項(計器飛行方式による飛行に係るものであつて代替空港等を定めないもの又は有視界飛行方式による飛行に係るもの(電気を動力源とする垂直離着陸飛行機又はマルチローターの飛行に係るものであつて代替空港等を定めるものを除く。)にあつては、第十号に掲げる事項を除く。)を明らかにしなければならない。
一航空機の国籍記号、登録記号及び無線呼出符号
二航空機の型式及び機数
三機長(ただし、編隊飛行の場合は編隊指揮者)の氏名
四計器飛行方式又は有視界飛行方式の別
五出発地及び移動開始時刻
六巡航高度及び航路
七最初の着陸地及び離陸した後当該着陸地の上空に到着するまでの所要時間
八巡航高度における真対気速度
九使用する無線設備
十代替空港等
十一持久時間で表された燃料搭載量
十二搭乗する総人数
十三その他航空交通管制並びに捜索及び救助のため参考となる事項
2通報は、口頭(無線電話によるものを含む。)又は文書をもつてするものとする。
3法第九十七条第一項の承認を受け、又は同条第二項の規定により通報した飛行計画を変更する場合には、第一項各号に掲げる事項のうち、無線呼出符号(無線設備を装備していない場合は、国籍記号及び登録記号)及び変更しようとする事項を通報すれば足りる。
4前三項の規定にかかわらず、国土交通大臣が定める特別な任務に自衛隊の使用する航空機が従事する場合においては、当該飛行計画において明らかにしなければならない事項及び当該飛行計画の通報の方法は、国土交通大臣が定める。
5法第九十七条第二項ただし書の規定により飛行を開始した後に飛行計画を通報する場合は、出発地を中心として半径九キロメートル以内の区域の上空において速やかに通報しなければならない。
6空港事務所又は空港出張所(空港・航空路監視レーダー事務所を含む。)において法第九十七条第一項及び第二項の規定による飛行計画の通報並びに法第九十八条の規定による通知に関する事務を行う時間は、告示で定める。
第二百四条法第九十七条第一項又は第二項の飛行計画を定める場合において、前条第一項第十号の代替空港等は、当該航空機の到着するときにその気象状態が国土交通大臣が定める気象条件以上であると予想されるものでなければならない。
第二百五条法第九十七条第二項本文の国土交通省令で定める場合は、航空機が出発地を中心として半径九キロメートル以内の区域の上空を飛行し、かつ、当該区域内の場所に着陸する場合とする。
2法第九十七条第二項ただし書の国土交通省令で定める場合は、次に掲げる場合とする。
一第百七十六条に規定する航空機が、飛行を開始する前に飛行計画を通報するいとまのない場合
二法第七十九条ただし書の許可に係る場所を離陸する同条に規定する航空機が、当該場所において飛行計画を通報する手段のない場合

(通信機の故障の場合の航行)

第二百六条航空機は、通信機の故障があつた場合において管制区、管制圏又は情報圏を航行しようとするときは、次に掲げる方法に従わなければならない。
一有視界気象状態にある場合(次号から第四号までに規定する場合を除く。)は、有視界気象状態を維持して飛行を継続し、安全に着陸できると思われる最寄りの空港等に着陸し、かつ、その旨直ちに管制業務を行う機関に通報すること。
二有視界気象状態にあり、かつ、有視界気象状態を維持して最寄りの空港等に着陸することが困難な場合(計器飛行方式により飛行する場合に限る。)又は計器気象状態にある場合は、次に掲げる方法により航行すること。
イ法第九十七条第一項の承認を受けた飛行計画による航路(以下「承認を受けた航路」という。)に従つて、当該飛行計画による最初の着陸地(以下「目的地」という。)の上空(目的地へ進入する地点として特定の航空保安無線施設又は地点が指示されている場合は、その上空。以下この条において同じ。)まで飛行すること。ただし、通信機が故障する以前に管制業務を行う機関より受けた指示(以下「故障前の指示」という。)により、承認を受けた航路から一時的に逸脱している場合は、最寄りの位置通報点(故障前の指示により、承認を受けた航路に戻る地点が明らかにされている場合は、当該地点)において、承認を受けた航路に戻り、その後、当該承認を受けた航路に沿つて飛行すること。
ロ故障前の指示による高度又は国土交通大臣が定める経路ごとに国土交通大臣が地表、水面若しくは障害物との間隔等を考慮して定める最低の高度のいずれか高い高度及び当該故障前の指示による速度(以下「故障前の指示による高度等」という。)を維持して国土交通大臣が定める時間まで飛行し、その後、通報した飛行計画による高度及び速度を維持して飛行すること。ただし、故障前の指示により、着陸のための降下を指示されている場合は、故障前の指示による高度等を維持して飛行すること。
三前号の規定により目的地の上空に到着したときは、故障前の指示により着陸のための進入の許可(以下「進入許可」という。)が与えられている場合は速やかに、その他の場合にあつては次に掲げる時刻まで当該地点の上空で待機した後、降下を開始すること(当該時刻に降下を開始することができなかつた場合は、できるだけ速やかに降下を開始すること。)。
イ故障前の指示により進入許可の指示が与えられる予定時刻(以下「進入予定時刻」という。)が明らかにされている場合は、当該進入予定時刻
ロ故障前の指示により進入予定時刻が明らかにされていない場合であつて、当該航空機が通信機の故障以前に管制業務を行う機関に対し目的地の上空への到着予定時刻を通報しているときは、当該到着予定時刻
ハイ及びロ以外の場合は、離陸時刻から第二百三条第一項第七号の所要時間が経過した時刻
四有視界気象状態にあり、かつ、有視界気象状態を維持して最寄りの空港等に着陸することが困難な場合(計器飛行方式により飛行する場合に限る。)又は計器気象状態にある場合であつて、通信機が故障する以前に目的地の上空に到着し、かつ、故障前の指示により当該地点で待機することが指示されているときは、次に掲げる時刻まで当該地点の上空で待機した後、降下を開始すること(当該時刻に降下を開始することができなかつた場合は、できるだけ速やかに降下を開始すること。)。
イ故障前の指示により進入予定時刻が明らかにされている場合は、当該進入予定時刻
ロ故障前の指示により進入予定時刻が明らかにされていない場合であつて、次の指示が与えられる時刻が明らかにされているときは当該時刻
ハイ及びロ以外の場合は、離陸時刻から第二百三条第一項第七号の所要時間が経過した時刻

(法第九十七条第一項の承認を受けた航空機の飛行方法)

第二百七条計器飛行方式により飛行する航空機は、管制区又は管制圏内の航空路を飛行しようとするときは、やむを得ない場合を除き、当該航空路の中心線上を飛行しなければならない。
第二百八条削除

(位置通報)

第二百九条法第九十七条第四項の規定により国土交通大臣に位置等を通報すべき航空機は、計器飛行方式により飛行する航空機にあつては位置通報点として国土交通大臣が告示した地点において、その他の航空機にあつては管制業務又は航空交通情報の提供に関する業務を行う機関が指示した地点において、次に掲げる事項を管制業務又は航空交通情報の提供に関する業務を行う機関に通報しなければならない。
一当該航空機の登録記号又は無線呼出符号
二当該地点における時刻及び高度
三次の位置通報点の予定到着時刻(法第九十七条第一項の承認を受けた航空機に限る。)
四予報されない特殊な気象状態
五その他航空機の航行の安全に影響のある事項

(航空情報)

第二百九条の二航空情報の内容は、次に掲げる事項とする。
一空港等及び航空保安施設の供用の開始、休止、再開及び廃止、これらの施設の重要な変更その他これらの施設の運用に関する事項
二空港等における航空機の運航についての障害に関する事項
三第百七十三条の飛行禁止区域及び飛行制限区域に関する事項
四第百八十九条第一項第一号の飛行の方式、同項第二号及び第三号の規定による気象条件並びに同号の規定による進入限界高度、進入限界高度よりも高い高度の特定の地点及び目視物標並びに第二百四条の規定による気象条件に関する事項
五航空交通管制に関する事項
六ロケツト、花火等の打上げ、航空機の集団飛行その他航空機の飛行に影響を及ぼすおそれのある事項
七気象に関する情報その他航空機の運航に必要な事項
2航空情報の提供は、書面、口頭(無線電話によるものを含む。)又は電磁的方法(電子的方法、磁気的方法その他の人の知覚によつて認識することができない方法をいう。以下同じ。)により行うものとし、航空情報を提供する場所その他航空情報の提供に関し必要な事項は、告示で定める。

第七章 航空運送事業等

第一節 航空運送事業

(事業の許可)

第二百十条法第百条第二項第二号の事業計画に記載する事項は、次に掲げる事項とする。
一事業活動を行う主たる地域
二使用航空機の国籍、型式及び登録記号
三航空機の運航管理の施設及び航空機の整備の施設の概要
四前号に掲げる運航管理の施設及び整備の施設ごとの運航管理又は整備を行う使用航空機の型式
五国際航空運送事業を経営するかどうかの別
六国内定期航空運送事業を経営するかどうかの別
七危害行為防止措置の内容
八路線を定めて一定の日時により航行する航空機により旅客の運送を行おうとする場合には、移動支援措置(高齢者、障害者等(高齢者、障害者等の移動等の円滑化の促進に関する法律(平成十八年法律第九十一号)第二条第一号に規定する高齢者、障害者等をいう。)が航空旅客ターミナル施設と航空機の乗降口との間を円滑に移動するために必要となる支援に関する措置をいう。以下同じ。)の内容
九部品等脱落防止措置(最大離陸重量が五千七百キログラムを超える飛行機の運航に伴う部品等の脱落の防止に関する措置をいう。以下同じ。)の内容
十航空機の運航に伴う部品等の脱落により、人の生命、身体又は財産に生じた損害の被害者の保護を図るため国土交通大臣が必要と認める事項
2法第百条第三項の国土交通省令で定める国際航空運送事業に関する事項は、次に掲げる事項とする。
一路線を定めて一定の日時により航行する航空機により国際航空運送事業を経営しようとする場合には、当該路線ごとの使用空港等、運航回数、発着日時及び使用航空機の型式
二共同運送(本邦航空運送事業者が他の航空運送事業者と共同して行う運送であつて、当該他の航空運送事業者の提供する輸送サービスを使用して行うものをいう。以下この号及び第二百十九条第一項第三号において同じ。)を行おうとする場合には、次に掲げる事項
イ共同運送を行う区間並びに相手方の氏名又は名称及び住所(外国の航空運送事業者については、その住所及び国内における主たる営業所又は代理店の所在地)
ロ旅客又は荷主に対する共同運送の内容に関する情報の提供の方法
三最大離陸重量が五千七百キログラムを超える飛行機の二国間における運航(国土交通大臣が告示で定めるものを除く。)を行おうとする場合には、次に掲げる事項
イ二酸化炭素排出量(当該運航に伴う二酸化炭素の年間の排出量をいう。以下この号及び第二百二十条の二第三項において同じ。)の把握に関する事項
ロ国際民間航空条約の附属書十六第四巻に定める方法による二酸化炭素排出量に係る措置に関する事項(当該二酸化炭素排出量が一万トンを超える場合に限る。ハにおいて同じ。)
ハ国土交通大臣に対する二酸化炭素排出量及びロに掲げる措置の内容の報告に関する事項
3法第百条第四項の国土交通省令で定める事項を記載した書類は、次に掲げる書類とする。
一次に掲げる事項を記載した書類
イ当該申請が法第百一条第一項各号に掲げる基準に適合する旨の説明
ロ事業を経営するために必要な資金の総額、内訳及び調達方法を記載した資金計画
ハ国内定期航空運送事業を経営する場合にあつては、運航開始予定日、運航予定路線及び運航予定回数
ニ旅客及び貨物の取扱予定数量
二法人にあつては、その定款及び登記事項証明書並びに最近の損益計算書、貸借対照表及び事業報告書
第二百十条の二法第百一条第一項第五号ホの国土交通省令で定める会社は、次に掲げる会社とする。
一私的独占の禁止及び公正取引の確保に関する法律(昭和二十二年法律第五十四号)第九条第四項第一号に規定する持株会社
二子会社(私的独占の禁止及び公正取引の確保に関する法律第九条第五項に規定する子会社をいい、同項において子会社とみなされるものを含む。以下この号において同じ。)の株式の取得価額(最終の貸借対照表において別に付した価額があるときは、その価額)の合計額に専ら子会社の航空運送事業の用に供する有形固定資産及び無形固定資産の価額の合計額を加えたものの当該会社の総資産の額から子会社に対する貸付額の合計額を差し引いたものに対する割合が百分の五十を超える会社
第二百十条の三国土交通大臣は、法第百条第一項の許可をしたときは、本邦航空運送事業者に対し、次に掲げる事項を記載した許可証(以下「事業許可証」という。)を交付するものとする。
一氏名又は名称及び住所
二許可の年月日
三第二百十条第一項第一号、第二号、第五号及び第六号に掲げる事項(同項第二号に掲げる事項にあつては、使用航空機の型式に限る。)
2本邦航空運送事業者は、事業許可証の記載事項に変更が生じたため書換え交付を申請しようとするときは、次に掲げる事項を記載した事業許可証書換え交付申請書に事業許可証を添えて国土交通大臣に提出しなければならない。
一氏名又は名称及び住所
二許可の年月日
三変更を生じた事項(新旧の対照を明示すること。)
四変更が生じた日
3本邦航空運送事業者は、事業許可証を失い、破り、又は汚したため再交付を申請しようとするときは、次に掲げる事項を記載した事業許可証再交付申請書に、事業許可証(失つた場合を除く。)を添えて、国土交通大臣に提出しなければならない。
一氏名又は名称及び住所
二許可の年月日
4本邦航空運送事業者は、法第百十九条の規定による事業の許可の取消しの処分を受けたとき、その事業を廃止したとき又は再交付を受けた後失つた事業許可証が発見されたときは、遅滞なく、その事業許可証を、国土交通大臣に返納しなければならない。

(運航管理施設等の検査)

第二百十一条法第百二条第一項の規定により、運航管理施設等の検査を受けようとする者は、次に掲げる事項を記載した施設検査申請書を国土交通大臣に提出しなければならない。
一氏名又は名称及び住所
二検査を希望する日
三検査を受ける施設のある場所
四当該施設の供用開始予定日
第二百十二条法第百二条第一項の国土交通省令で定める航空機の運航の安全の確保のために必要な施設は、次に掲げる施設とする。
一航空機の運航管理の施設
二航空機の整備の施設
三航空機の運航又は整備に関する業務に従事する者の訓練の施設
四前三号に掲げるもののほか、本邦航空運送事業者が当該事業を安全かつ適確に遂行するために特に必要であると国土交通大臣が認めて指定する施設
2法第百二条第一項の国土交通省令で定める重要な変更は、次に掲げる変更とする。
一前項第二号に掲げる施設のうち作業場の新設又は拡張
二使用航空機の型式の追加に伴う前項第一号から第三号までに掲げる施設の変更
三前二号に掲げるもののほか、本邦航空運送事業者が当該事業を安全かつ適確に遂行するために特に必要であると国土交通大臣が認めて指定する施設の変更
第二百十二条の二削除

(安全管理規程の届出)

第二百十二条の三法第百三条の二第一項前段の規定により安全管理規程の設定の届出をしようとする者は、運航開始の日までに、次に掲げる事項を記載した安全管理規程設定届出書及び設定した安全管理規程を提出しなければならない。
一氏名又は名称及び住所
二運航開始予定期日
2法第百三条の二第一項後段の規定により安全管理規程の変更の届出をしようとする者は、変更後の安全管理規程の実施の日までに、次に掲げる事項を記載した安全管理規程変更届出書及び変更後の安全管理規程を提出しなければならない。
一氏名又は名称及び住所
二変更後の安全管理規程の実施予定日
三変更した事項(新旧の対照を明示すること。)
四変更を必要とする理由

(安全管理規程の内容)

第二百十二条の四法第百三条の二第二項の国土交通省令で定める安全管理規程の内容については、次の表の上欄に掲げる事項については同表下欄に掲げるものとする。
輸送の安全を確保するための事業の運営の方針に関する事項一 基本的な方針に関する事項二 関係法令及び安全管理規程その他の輸送の安全の確保のための定めの遵守に関する事項三 取組に関する事項
輸送の安全を確保するための事業の実施及びその管理の体制に関する事項一 組織体制に関する事項二 経営の責任者による輸送の安全の確保に係る責務に関する事項三 安全統括管理者の権限及び責務に関する事項
輸送の安全を確保するための事業の実施及びその管理の方法に関する事項一 情報の伝達及び共有に関する事項二 事故、災害等の防止対策の検討及び実施に関する事項三 事故、災害等が発生した場合の対応に関する事項四 内部監査その他の事業の実施及びその管理の状況の確認に関する事項五 教育及び訓練に関する事項六 輸送の安全に係る文書の整備及び管理に関する事項七 事業の実施及びその管理の改善に関する事項
安全統括管理者の選任に関する事項安全統括管理者の選任の方法に関する事項

(安全統括管理者の要件)

第二百十二条の五法第百三条の二第二項第四号の国土交通省令で定める要件は、次の各号のいずれにも該当するものであることとする。
一通算して三年以上航空運送事業の実施若しくは管理の総括に関する業務の経験を有する者又は国土交通大臣がこれと同等以上の能力を有すると認めた者であること。
二法第百三条の二第七項の規定による命令により解任され、解任の日から二年を経過していない者でないこと。

(安全統括管理者の選任及び解任の届出)

第二百十二条の六法第百三条の二第五項の規定により、安全統括管理者の選任又は解任の届出をしようとする者は、次に掲げる事項を記載した安全統括管理者選任(解任)届出書を国土交通大臣に提出しなければならない。
一氏名又は名称及び住所
二選任し、又は解任した安全統括管理者の氏名及び生年月日
三選任し、又は解任した年月日
四解任の場合にあつては、その理由
2前項の安全統括管理者選任届出書には、選任された安全統括管理者が事業運営上の重要な決定に参画する管理的地位にあること及び前条に規定する要件を備えることを証する書類を添付しなければならない。

(運航規程及び整備規程の認可申請等)

第二百十三条法第百四条第一項の規定により、運航規程又は整備規程の設定又は変更の認可を申請しようとする者は、次に掲げる事項を記載した運航規程設定(変更)認可申請書又は整備規程設定(変更)認可申請書を国土交通大臣に提出しなければならない。
一氏名又は名称及び住所
二設定し、又は変更しようとする運航規程又は整備規程(変更の場合においては、新旧の対照を明示すること。)
三変更の認可の申請の場合は、変更を必要とする理由
2法第百四条第一項第一号の国土交通省令で定める変更は、次のとおりとする。
一機体及び装備品等の製造者等の作成する運航又は整備に関する技術的資料に準拠した変更
二前号に掲げるもののほか、航空機の運航の安全に影響を及ぼすおそれの少ないものとして国土交通大臣が認める事項の変更(第四項各号に掲げるものを除く。)
3法第百四条第三項の規定により運航規程又は整備規程の変更の届出をしようとする者は、次に掲げる事項を記載した運航規程変更事前届出書又は整備規程変更事前届出書を国土交通大臣に提出しなければならない。
一氏名又は名称及び住所
二変更しようとする事項(新旧の対照を明示すること。)
三実施予定日
4法第百四条第一項第二号の国土交通省令で定める軽微な変更は、次のとおりとする。
一運航又は整備に関する職務を実施する組織の名称の変更であつて、その職務の範囲及び内容の変更を伴わないもの
二前号に掲げるもののほか、誤記の訂正、法令の制定又は改廃に伴い当然必要とされる形式的な変更その他の運航規程又は整備規程に記載されている内容の実質的な変更を伴わない変更
5法第百四条第四項の規定により運航規程又は整備規程の軽微な変更の届出をしようとする者は、次に掲げる事項を記載した運航規程変更事後届出書又は整備規程変更事後届出書を国土交通大臣に提出しなければならない。
一氏名又は名称及び住所
二変更した事項(新旧の対照を明示すること。)
三実施日

(運航規程及び整備規程)

第二百十四条法第百四条第一項の国土交通省令で定める航空機の運航及び整備に関する事項は次の表の上欄に掲げるとおりとし、同条第二項の国土交通省令で定める技術上の基準は同表の上欄に掲げる事項についてそれぞれ同表の下欄に掲げるとおりとする。
一 運航規程 
イ 運航管理の実施方法航空機の出発の可否の決定、経路及び代替空港等の選定、携行しなければならない燃料の量の決定、離陸重量及び着陸重量の決定その他運航管理者の行う職務の範囲及び内容が当該航空機の型式、空港等の特性、飛行の方法及び区間並びに気象条件に適応して定められていること。
ロ 航空機乗組員及び客室乗務員の職務(客室乗務員の職務については、客室乗務員を航空機に乗り組ませて事業を行う場合に限る。)飛行前、飛行中及び飛行後の各段階における航空機乗組員及び客室乗務員の職務の範囲及び内容が明確に定められていること。
ハ 航空機乗組員及び客室乗務員の編成(客室乗務員の編成については、客室乗務員を航空機に乗り組ませて事業を行う場合に限る。)航空機乗組員にあつては当該航空機の型式並びに飛行の方法及び区間に、客室乗務員にあつては当該航空機の型式及び座席数又は旅客数にそれぞれ適応して定められていること。
ニ 航空機乗組員及び客室乗務員の乗務割並びに運航管理者の業務に従事する時間の制限(客室乗務員の乗務割については、客室乗務員を航空機に乗り組ませて事業を行う場合に限る。)航空機乗組員の乗務割は第百五十七条の二の基準に従うものであり、客室乗務員の乗務割は客室乗務員の職務に支障を生じないように定められているものであり、運航管理者の業務に従事する時間は運航の頻度を考慮して運航管理者の職務に支障を生じないように制限されているものであること。
ホ 航空機乗組員、客室乗務員及び運航管理者の技能審査及び訓練の方法(客室乗務員の技能審査及び訓練の方法については、客室乗務員を航空機に乗り組ませて事業を行う場合に限る。)課目、実施方法、時間(訓練の場合に限る。)及び技能審査又は訓練を行う者の資格が適切に定められていること。
ヘ 航空機乗組員に対する運航に必要な経験及び知識の付与の方法飛行の区間に応じて、当該区間の運航を行う航空機乗組員に対して、当該区間の運航に必要な経験を付与する方法及び空港等の特性、飛行の方法、気象状態その他の当該区間の運航に必要な知識を付与する方法が適切に定められていること。
ト 離陸し、又は着陸することができる最低の気象状態使用が予想される全ての空港等について、航空機の型式、当該空港等の特性、航空保安施設の状況並びに操縦者の知識及び経験に適応して定められていること。
チ 最低安全飛行高度航法上の誤差及び気流の擾じよう乱を考慮し、管制業務を行う機関との交信が常時可能なように定められ、かつ、多発機にあつては、一の発動機が不作動の場合着陸に適した空港等に着陸し得るように定められていること。
リ 緊急の場合においてとるべき措置等発動機の不作動、無線通信機器の故障、外国からの要撃、緊急着陸等の緊急事態が発生した際に各事態に応じて航空機及び乗客の安全を確保するために航空機乗組員、運航管理者、客室乗務員その他の職員がとるべき措置並びに救急用具の搭載場所及び取扱方法が明確に定められていること。
ヌ 航空機の運用の方法及び限界操縦者の当該航空機に対する慣熟度、空港等の特性及び気象状態に適応したものであること。
ル 航空機の操作及び点検の方法当該航空機の型式に応じて適切な操作及び点検が行われるように定められていること。
ヲ 装備品等が正常でない場合における航空機の運用許容基準当該装備品等に代替して機能する装備品等がある場合、当該航行に当該装備品等が不要である場合等当該航空機の航行の安全を害さない範囲内で定められていること。
ワ 空港等、航空保安施設及び無線通信施設の状況並びに位置通報等の方法飛行の区間に応じて航空路誌の記載内容と相違しないように記載されたものであり、かつ、航空機乗組員及び運航管理者が容易に使用できるものであること。
カ 貨物及び手荷物の受取及び保管、航空機に係る積載及び重量配分の管理、積載物の積込み及び取卸し、旅客の安全な乗降の確保、航空機の燃料の補給、航空機の雪氷の防除、航空機の地上走行の支援その他空港等内において航空機が到着してから出発するまでの間に地上で実施する作業であつてその適切な実施が確保されない場合において航空機の運航の安全に支障を及ぼすおそれのあるものに係る業務(以下「地上取扱業務」という。)の実施方法並びに地上取扱業務に従事する者の訓練の方法地上取扱業務の内容に応じて、地上取扱業務の実施方法並びに地上取扱業務に従事する者の訓練の課目、実施方法及び時間並びに当該訓練を行う者の資格が適切に定められていること。
ヨ 航空機の運航に係る業務の委託の方法(航空機の運航に係る業務を委託する場合に限る。)委託を行う業務の範囲及び内容、受託者による当該業務の遂行を管理する方法その他の委託の方法が適切に定められていること。
二 整備規程 
イ 航空機の整備に従事する者の職務一等航空整備士、二等航空整備士、一等航空運航整備士、二等航空運航整備士及び航空工場整備士の資格を有する者並びにその他の航空機の整備に従事する者の配置の状況、職務の範囲及び内容並びに業務の引継ぎの方法その他の勤務の交替の要領が明確に定められていること。
ロ 整備基地の配置並びに整備基地の設備及び器具整備基地の選定及び当該基地で実施する整備の区分並びに当該基地における整備作業に必要な設備及び器具が航空機の整備作業の質及び量に適応したものであること。
ハ 機体及び装備品等の整備の方式日常整備、定時整備及びオーバーホールの区分ごとに整備の間隔及び要目が明確に定められていること。
ニ 機体及び装備品等の整備の実施方法機体及び装備品等の製造者等の作成する整備に関する技術的資料に準拠して適切な整備を実施できるように定められていること。
ホ 装備品等の限界使用時間設定及び変更の方法が装備品等の製造者等が定めた限界使用時間に準拠し、かつ、装備品等の使用実績に応じて定められていること。
ヘ 整備の記録の作成及び保管の方法整備の区分及び要目に応じて整備作業の結果が適確に記録できるように定められ、かつ、記録の作成及び保管の責任の所在が明確に定められていること。
ト 装備品等が正常でない場合における航空機の運用許容基準当該装備品等に代替して機能する装備品等がある場合、当該航行に当該装備品等が不要である場合等当該航空機の航行の安全を害さない範囲内で定められていること。
チ 整備に従事する者の訓練の方法課目、実施方法、時間及び訓練を行う者の資格が適切に定められていること。
リ 航空機の整備に係る業務の委託の方法(航空機の整備に係る業務を委託する場合に限る。)委託を行う業務の範囲及び内容、受託者による当該業務の遂行を管理する方法その他の委託の方法が適切に定められていること。

(運賃及び料金の届出)

第二百十五条法第百五条第一項の規定により、運賃及び料金の設定又は変更の届出をしようとする者は、次に掲げる事項を記載した運賃及び料金設定(変更)届出書を国土交通大臣に提出しなければならない。
一氏名又は名称及び住所
二設定し、又は変更しようとする運賃及び料金の種別及び額並びに期間、区間その他の条件(変更の届出の場合は、新旧の対照を明示すること。)

(国際航空運送事業に係る運賃及び料金の認可申請)

第二百十六条法第百五条第三項の規定により、国際航空運送事業に係る運賃及び料金の設定又は変更の認可を申請しようとする者は、次に掲げる事項を記載した運賃及び料金設定(変更)認可申請書を国土交通大臣に提出しなければならない。
一氏名又は名称及び住所
二設定し、又は変更しようとする運賃及び料金の種別及び額並びに期間、区間その他の条件(変更の認可の申請の場合は、新旧の対照を明示すること。)
三当該申請に係る運賃及び料金が法第百五条第四項の基準に適合する旨の説明
四運賃及び料金の変更の認可の申請の場合は、変更を必要とする理由

(運送約款の認可申請)

第二百十七条法第百六条第一項の規定により、運送約款の設定又は変更の認可を申請しようとする者は、次に掲げる事項を記載した運送約款設定(変更)認可申請書を国土交通大臣に提出しなければならない。
一氏名又は名称及び住所
二設定し、又は変更しようとする運送約款(変更の認可の申請の場合は、新旧の対照を明示すること。)
三変更の認可の申請の場合は、変更を必要とする理由

(運送約款の記載事項)

第二百十八条法第百六条第一項の規定による運送約款に定める事項は、次のとおりとする。
一運賃及び料金の収受及び払戻しに関する事項
二搭乗切符に関する事項
三貨物の種類及び範囲
四貨物の受取、引渡し及び保管に関する事項
五損害賠償その他責任に関する事項
六その他運送約款の内容として必要な事項

(公衆の閲覧の方法)

第二百十八条の二法第百七条の規定による公衆の閲覧は、本邦航空運送事業者のウェブサイトへの掲載により行うものとする。

(運航計画等)

第二百十九条法第百七条の二第一項の運航計画に記載する事項は、次に掲げる事項とする。
一路線ごとの使用空港等、運航回数、発着日時及び使用航空機の型式
二運航が特定の時季に限られている場合は、その運航の時季
三共同運送を行おうとする場合には、次に掲げる事項
イ共同運送を行う区間並びに相手方の氏名又は名称及び住所
ロ旅客又は荷主に対する共同運送の内容に関する情報の提供の方法
2法第百七条の二第一項の規定により、運航計画の届出をしようとする者は、次に掲げる事項を記載した運航計画設定届出書を国土交通大臣に提出しなければならない。
一氏名又は名称及び住所
二運航計画
三実施予定日
3法第百七条の二第二項の規定により、運航計画の変更の届出をしようとする者は、次に掲げる事項を記載した運航計画変更届出書を国土交通大臣に提出しなければならない。
一氏名又は名称及び住所
二変更しようとする事項(新旧の対照を明示すること。)
三実施予定日
4法第百七条の二第三項の利用者の利便を阻害しないと認められる国土交通省令で定める場合は、次に掲げる場合とする。
一廃止に係る路線において他の本邦航空運送事業者が国内定期航空運送事業を経営するものと見込まれる場合
二航空以外の交通機関により利用者の利便の確保が可能であると国土交通大臣が認める場合
5法第百七条の二第三項の規定により、路線の廃止に係る運航計画の変更の届出をしようとする者は、次に掲げる事項を記載した路線廃止運航計画変更届出書を国土交通大臣に提出しなければならない。
一氏名又は名称及び住所
二廃止しようとする路線
三実施予定日
四当該廃止が利用者の利便を阻害しない旨の説明(当該廃止の実施予定日の六月前までに届出をしない場合に限る。)
6法第百七条の二第四項の利用者の利便を阻害しないと認められる国土交通省令で定める場合は、第四項各号に掲げる場合とする。
7法第百七条の二第四項の規定により、国内定期航空運送事業を廃止しようとする者は、次に掲げる事項を記載した国内定期航空運送事業廃止届出書を国土交通大臣に提出しなければならない。
一氏名又は名称及び住所
二実施予定日
三当該廃止が利用者の利便を阻害しない旨の説明(当該廃止の実施予定日の六月前までに届出をしない場合に限る。)

(混雑空港に係る特例)

第二百十九条の二法第百七条の三第一項の国土交通省令で指定する空港は次の表の上欄に掲げるとおりとし、同条第五項の国土交通省令で定める年数は同表の上欄に掲げる空港ごとにそれぞれ同表の下欄に掲げるとおりとする。
成田国際空港五年
東京国際空港五年
関西国際空港五年
大阪国際空港五年
福岡空港五年
2法第百七条の三第二項の規定により、同条第一項の許可を受けようとする者は、次に掲げる事項を記載した混雑空港運航許可申請書を国土交通大臣に提出しなければならない。
一氏名又は名称及び住所
二当該混雑空港を使用空港とする路線に係る運航計画
三実施予定日
3法第百七条の三第六項の規定により、同条第二項の運航計画の変更の認可を申請しようとする者は、次に掲げる事項を記載した混雑空港運航計画変更認可申請書を国土交通大臣に提出しなければならない。
一氏名又は名称及び住所
二変更しようとする事項(新旧の対照を明示すること。)
三実施予定日
4法第百七条の三第八項の利用者の利便を阻害しないと認められる国土交通省令で定める場合は、前条第四項各号に掲げる場合とする。
5法第百七条の三第八項の規定により、混雑空港を使用して行う国内定期航空運送事業を廃止しようとする者は、次に掲げる事項を記載した混雑空港国内定期航空運送事業廃止届出書を国土交通大臣に提出しなければならない。
一氏名又は名称及び住所
二実施予定日
三当該廃止が利用者の利便を阻害しない旨の説明(当該廃止の実施予定日の六月前までに届出をしない場合に限る。)
6法第百七条の三第十項の場合には、同項の本邦航空運送事業者が届出をしている法第百七条の二第一項の運航計画(以下この項において「旧運航計画」という。)のうち当該混雑空港を使用空港とする路線に係る部分は、法第百七条の三第二項の運航計画とみなし、当該本邦航空運送事業者は、法第百七条の二第二項の規定により旧運航計画を当該混雑空港を使用空港とする路線を除く運航計画に変更する旨の届出をしたものとみなす。
7法第百七条の三第十一項の場合には、同項の本邦航空運送事業者は、法第百七条の二第一項の運航計画の届出をしている場合にあつては、同条第二項の規定により当該運航計画を当該空港を使用空港とする路線を含む運航計画に変更する旨の届出をしたものと、同条第一項の運航計画の届出をしていない場合にあつては、同項の規定により当該空港を使用空港とする路線に係る運航計画の届出をしたものとみなす。

(事業計画の変更)

第二百二十条法第百九条第一項の規定により、事業計画の変更の認可を申請しようとする者は、次に掲げる事項を記載した事業計画変更認可申請書を国土交通大臣に提出しなければならない。
一氏名又は名称及び住所
二変更しようとする事項(新旧の対照を明示すること。)
三実施予定日
四変更を必要とする理由
第二百二十条の二法第百九条第三項の国土交通省令で定める事業計画の変更は、第二百十条第一項第一号、第三号(特定の空港等の使用を廃止する場合に限る。)、第四号及び第六号に掲げる事項の変更とする。
2前項の事業計画の変更の届出をしようとする者は、次に掲げる事項を記載した事業計画変更事前届出書を国土交通大臣に提出しなければならない。
一氏名又は名称及び住所
二変更しようとする事項(新旧の対照を明示すること。)
三実施予定日
3法第百九条第四項の国土交通省令で定める事業計画の変更は、次のとおりとする。
一第二百十条第一項第二号に掲げる事項の変更(使用航空機の型式の追加を除く。)
二第二百十条第一項第七号に掲げる事項のうち危害行為防止措置の効果に影響を及ぼすおそれがないと国土交通大臣が認める事項の変更
三第二百十条第一項第八号に掲げる事項のうち移動支援措置の効果に影響を及ぼすおそれがないと国土交通大臣が認める事項の変更
四第二百十条第一項第九号に掲げる事項のうち部品等脱落防止措置の効果に影響を及ぼすおそれがないと国土交通大臣が認める事項の変更
五第二百十条第二項第三号イに掲げる事項のうち二酸化炭素排出量の把握に影響を及ぼすおそれがないと国土交通大臣が認める事項の変更
六第二百十条第二項第三号ロに掲げる事項のうち二酸化炭素排出量に係る措置の効果に影響を及ぼすおそれがないと国土交通大臣が認める事項の変更
4前項各号の事業計画の変更の届出をしようとする者は、次に掲げる事項を記載した事業計画変更事後届出書を国土交通大臣に提出しなければならない。
一氏名又は名称及び住所
二変更した事項(新旧の対照を明示すること。)
三実施日

(運輸に関する協定)

第二百二十一条法第百十一条第一項の規定により、他の航空運送事業者と協定の締結又は変更の認可を申請しようとする者は、次に掲げる事項(変更の認可の申請の場合は、第二号及び第三号に係るものを除く。)を記載した協定締結(変更)認可申請書を国土交通大臣に提出しなければならない。
一氏名又は名称及び住所
二協定の相手方の氏名又は名称及び住所(外国の運送事業者については、その住所及び国内における主たる営業所又は代理店の所在地)
三協定に関する事務を統括する事務所がある場合は、その名称及び所在地
四当事者が現に経営している事業の概要
五締結しようとする協定(変更しようとする場合は、変更事項。以下同じ。)の案
六締結しようとする協定の効力発生の日及びその存続の期間
七協定の締結又は変更を必要とする理由
2前項の申請書には、次の各号に掲げる場合の区分に応じ、当該各号に定める書類を添えなければならない。
一締結しようとする協定が法第百十条第一号の協定である場合次に掲げる書類
イ共同経営を予定する路線に係る輸送需要の減少を示す書類
ロ共同経営を予定する路線に係る事業収支計算書
ハ当該協定の内容が法第百十一条第二項各号に掲げる基準に適合する旨の説明を記載した書類
二締結しようとする協定が法第百十条第二号の協定である場合次に掲げる書類
イ当該協定の締結が公衆の利便を増進する旨の説明を記載した書類
ロ当該協定の内容が法第百十一条第二項各号に掲げる基準に適合する旨の説明を記載した書類
3第一項の申請書には、締結しようとする協定が、日本語以外の国語で書かれている場合においては、その日本語による翻訳文書を添えなければならない。

(安全上の支障を及ぼす事態の報告)

第二百二十一条の二法第百十一条の四の国土交通省令で定める事態は、次に掲げる事態とする。
一法第七十六条第一項各号に掲げる事故
二法第七十六条の二に規定する事態
三航空機の航行中に発生した次に掲げる事態
イ航空機の構造が損傷を受けた事態(当該航空機の修理が第五条の六の表に掲げる作業の区分のうちの大修理又は小修理に該当しない場合を除く。)
ロ航空機に装備された安全上重要なシステムが正常に機能しない状態となつた事態
ハ非常用の装置又は救急用具が正常に機能しない状態となつた事態
ニ運用限界の超過又は予定された経路若しくは高度からの著しい逸脱が発生した事態
ホイからニまでに掲げるもののほか、緊急の操作その他の航行の安全上緊急の措置を要した事態
四前三号に掲げるもののほか、航空機の構造の損傷、非常用の装置の故障、装備品等の誤つた取付けその他の航空機の正常な運航に安全上の支障を及ぼす事態
第二百二十一条の三法第百十一条の四の規定により、本邦航空運送事業者は、前条に掲げる事態が発生した場合には、遅滞なく、次に掲げる事項を国土交通大臣に報告しなければならない。
一氏名又は名称
二航空機の国籍、登録記号及び型式
三報告に係る事態が発生した日時及び場所
四報告に係る事態の概要及びこれに対する措置
五その他参考となる事項

(国土交通大臣による輸送の安全にかかわる情報の公表)

第二百二十一条の四法第百十一条の五の国土交通省令で定める輸送の安全にかかわる情報は、次に掲げるものとする。
一法第百十一条の四の規定により報告された事態に関する事項
二法第百十二条、法第百十三条の二第三項又は法第百十九条の規定による処分(輸送の安全に関してされたものに限る。)その他の国土交通大臣が航空運送事業者に対して輸送の安全を確保するために講じた措置に関する事項
三輸送の安全を確保するための航空運送事業に係る国の施策に関する事項
四前三号に掲げるもののほか、輸送の安全に重大な関係を有する事項がある場合には、その事項
2法第百十一条の五の規定による公表は、インターネットの利用その他の適切な方法により行うものとする。

(本邦航空運送事業者による安全報告書の公表)

第二百二十一条の五法第百十一条の六の規定による安全報告書の公表は、毎事業年度の終了後六月以内に行わなければならない。
2法第百十一条の六の規定による公表は、インターネットの利用その他の適切な方法により行わなければならない。
第二百二十一条の六法第百十一条の六の国土交通省令で定める輸送の安全に関わる情報は、次に掲げるものとする。
一輸送の安全を確保するための事業の運営の基本的な方針に関する事項
二輸送の安全を確保するための事業の実施及びその管理の体制に関する事項
三法第百十一条の四の規定による報告に関する事項
四輸送の安全を確保するために講じた措置及び講じようとする措置に関する事項

(航空運送事業基盤強化計画の届出)

第二百二十一条の七法第百十一条の八第一項前段の規定により航空運送事業基盤強化計画の届出をしようとする定期航空旅客運送事業者は、航空運送事業基盤強化方針が定められた日から起算して二月以内に、当該航空運送事業基盤強化計画を国土交通大臣に届け出なければならない。
2定期航空旅客運送事業者は、法第百十一条の八第一項後段の規定により航空運送事業基盤強化計画の変更をしたときは、遅滞なく、変更後の航空運送事業基盤強化計画を国土交通大臣に届け出なければならない。

(航空運送事業基盤強化計画の実施状況の報告)

第二百二十一条の八法第百十一条の九第一項の規定による定期的な報告は、航空運送事業基盤強化方針が定められてから廃止されるまでの間、毎年度二回行うものとする。

(業務の管理の受委託)

第二百二十二条法第百十三条の二第一項の規定により、航空機の運航又は整備に関する業務の管理の委託及び受託の許可を受けようとする者は、次に掲げる事項を記載した管理受委託許可申請書を国土交通大臣に提出しなければならない。
一委託者及び受託者の氏名又は名称及び住所(法第四条第一項第一号から第三号までに掲げる者については、その住所及び国内における主たる営業所又は代理店の所在地)
二管理の委託及び受託をしようとする業務の内容及びその実施方法
三当該申請が法第百十三条の二第二項各号に掲げる基準に適合する旨の説明
2前項の申請書には、次に掲げる書類を添付しなければならない。
一管理の委託及び受託契約書の写し
二受託者が法人である場合は、その定款及び登記事項証明書並びに最近の損益計算書、貸借対照表及び事業報告書(外国の法人については、その定款又はこれに準ずる書類並びに最近の損益計算書、貸借対照表及び事業報告書又はこれに準ずる書類)
三受託者が法第四条第一項第一号から第三号までに掲げる者であり、かつ、航空運送事業を経営している場合は、当該受託者が国籍を有する外国から当該航空運送事業の許可を受けている旨を証する書面

(事業の譲渡及び譲受認可申請)

第二百二十三条法第百十四条第一項の規定により、航空運送事業の譲渡及び譲受の認可を申請しようとする者は、次に掲げる事項を記載した航空運送事業譲渡譲受認可申請書を国土交通大臣に提出しなければならない。
一譲渡人及び譲受人の氏名又は名称及び住所
二譲渡及び譲受の価格
三譲渡及び譲受の日
四譲渡を必要とする理由
五譲受人が法第百一条第一項第三号及び第五号に掲げる基準に適合する旨の説明
2前項の申請書には、次に掲げる書類を添付しなければならない。
一譲渡及び譲受契約書の写し
二譲受人が法人である場合は、その定款及び登記事項証明書並びに最近の損益計算書、貸借対照表及び事業報告書
三譲渡人又は譲受人が法人である場合は、譲渡又は譲受に関する株主総会若しくは社員総会の決議録又は無限責任社員若しくは総社員の同意書

(法人の合併及び分割の認可申請)

第二百二十四条法第百十五条第一項の規定により、本邦航空運送事業者たる法人の合併又は分割の認可を申請しようとする者は、次に掲げる事項を記載した航空運送事業合併認可申請書又は航空運送事業分割認可申請書を国土交通大臣に提出しなければならない。
一当事者の名称及び住所並びにその代表者及び役員の氏名
二合併又は分割の方法及び条件
三合併又は分割の日
四合併又は分割を必要とする理由
五合併後存続する法人若しくは合併により設立される法人又は分割により航空運送事業を承継する法人が、法第百一条第一項第三号及び第五号に掲げる基準に適合する旨の説明
2前項の申請書には、次に掲げる書類を添付しなければならない。
一合併契約書の写し及び合併比率説明書又は分割契約書(新設分割の場合にあつては、分割計画書)の写し及び分割比率説明書
二合併又は分割により法人を設立する場合には、当該法人に関し、定款並びに事業を経営するために必要な資金の総額、内訳及び調達方法を記載した資金計画書
三合併後存続する法人又は吸収分割により航空運送事業を承継する法人が現に航空運送事業を経営していないときは、定款及び当該法人の登記事項証明書並びに最近の貸借対照表、損益計算書及び事業報告書
四合併又は分割に関する株主総会若しくは社員総会の決議録又は無限責任社員若しくは総社員の同意書

(相続人による事業承継認可申請)

第二百二十五条法第百十六条第二項の規定により、航空運送事業の承継の認可を申請しようとする相続人は、次に掲げる事項を記載した航空運送事業相続承継認可申請書を国土交通大臣に提出しなければならない。
一氏名及び住所
二被相続人との続柄
三申請者以外に相続人がある場合は、その者の氏名及び住所
四被相続人の死亡の日
五申請者が、法第百一条第一項第三号及び第五号に掲げる基準に適合する旨の説明
2前項の申請書には、次に掲げる書類を添付しなければならない。
一戸籍謄本
二申請者が航空運送事業を承継することに対する申請者以外の相続人の同意書

(事業廃止の届出)

第二百二十六条法第百十八条の規定により、航空運送事業の廃止の届出をしようとする者は、次に掲げる事項を記載した航空運送事業廃止届出書を国土交通大臣に提出しなければならない。
一氏名又は名称及び住所
二廃止した日

(上場されている株式に準ずる株式)

第二百二十六条の二法第百二十条の二第一項の国土交通省令で定める株式は、認可金融商品取引業協会(金融商品取引法(昭和二十三年法律第二十五号)第二条第十三項に規定する認可金融商品取引業協会をいう。)の規則の定めるところにより、店頭売買につき、売買値段を発表するものとして登録された株式とする。

(株主名簿に記載し、又は記録する方法)

第二百二十六条の三法第百二十条の二第二項の国土交通省令で定める株主名簿に記載し、又は記録する方法は、次の各号に掲げる方法とする。
一法第百二十条の二第一項の外国人等のうち、通知を受けた時点の株主名簿に記載され、又は記録されている者が有する株式については、当該名簿に記載され、又は記録されている株式の数と通知に係る株式の数のうち、いずれか少ない数(以下この号において「記載・記録優先株式の数」という。)を当該外国人等に係る株式の数として一株単位(単元株式数を定款で定めている場合にあっては、一単元の株式の単位。以下同じ。)で記載し、又は記録する。この場合において、法第四条第一項第四号に該当することとなるときは、外国人等が有する株式について、同号に該当することとならない範囲内で、記載・記録優先株式の数に応じて一株単位で按分して計算することにより記載し、又は記録する株式を特定し、なお残余があるときは、一株単位の抽選により記載し、又は記録する株式を特定して記載し、又は記録する。
二前号前段の規定により記載し、又は記録した場合において法第四条第一項第四号に該当することとならないときは、外国人等が有する株式のうち前号前段の規定による記載又は記録がされなかったものについて、法第四条第一項第四号に該当することとならない範囲内で、その数に応じて一株単位で按分して計算することにより記載し、又は記録する株式を特定し、なお残余があるときは、一株単位の抽選により記載し、又は記録する株式を特定して記載し、又は記録する。

(通知)

第二百二十六条の四本邦航空運送事業者及びその持株会社等は、法第百二十条の二第二項の規定により、株主名簿に記載し、又は記録しない外国人等が有する株式がある場合には、その株式を有する者に対し、速やかに、その旨及び次に掲げる事項を通知するものとする。
一株式を有する者の氏名又は名称及び住所
二記載又は記録が拒まれた株式の数
三記載又は記録が拒まれた日

(公告)

第二百二十六条の五法第百二十条の二第三項の公告は、会社の定款で定める公告の方法により、定時株主総会ごとに行うものとする。
2法第百二十条の二第三項ただし書の国土交通省令で定める割合は、四分の一とする。

第二節 航空機使用事業

(事業の許可)

第二百二十七条法第百二十三条第二項において準用する法第百条第二項第二号の事業計画に記載する事項は、次に掲げる事項とする。
一事業活動を行う主たる地域
二使用航空機の国籍、型式及び登録記号
三航空機の運航管理の施設及び航空機の整備の施設の概要
四前号に掲げる運航管理の施設及び整備の施設ごとの運航管理又は整備を行う使用航空機の型式
五危害行為防止措置の内容
六部品等脱落防止措置の内容
七航空機の運航に伴う部品等の脱落により、人の生命、身体又は財産に生じた損害の被害者の保護を図るため国土交通大臣が必要と認める事項
2法第百二十三条第二項において準用する法第百条第四項の国土交通省令で定める事項を記載した書類は、次に掲げる書類とする。
一次に掲げる事項を記載した書類
イ当該申請が法第百二十三条第二項において準用する法第百一条第一項各号(第四号を除く。)に掲げる基準に適合する旨の説明
ロ事業を経営するために必要な資金の総額、内訳及び調達方法を記載した資金計画
ハ請負行為別の取扱予定数量
二法人にあつては、その定款及び登記事項証明書並びに最近の損益計算書、貸借対照表及び事業報告書

(事業計画の変更)

第二百二十八条法第百二十四条において準用する法第百九条第三項の国土交通省令で定める事業計画の変更は、前条第一項第一号及び第四号に掲げる事項の変更とする。
2法第百二十四条において準用する法第百九条第四項の国土交通省令で定める事業計画の変更は、次のとおりとする。
一前条第一項第二号に掲げる事項の変更(使用航空機の型式の追加を除く。)
二前条第一項第五号に掲げる事項のうち危害行為防止措置の効果に影響を及ぼすおそれがないと国土交通大臣が認める事項の変更
三前条第一項第六号に掲げる事項のうち部品等脱落防止措置の効果に影響を及ぼすおそれがないと国土交通大臣が認める事項の変更

(航空運送事業に関する規定の準用)

第二百二十九条第二百十一条、第二百十二条、第二百二十条、第二百二十条の二第二項及び第四項、第二百二十一条の二、第二百二十一条の三並びに第二百二十三条から第二百二十六条までの規定は、航空機使用事業に準用する。この場合において、第二百二十条の二第二項中「前項」とあるのは「第二百二十八条第一項」と、同条第四項中「前項」とあるのは「第二百二十八条第三項」と読み替えるものとする。

第八章 外国航空機

(外国航空機の出入国等の許可申請)

第二百三十条法第百二十六条第一項又は第二項の許可を受けようとする者は、その航行の予定期日の十日前までに次に掲げる事項を記載した申請書を国土交通大臣に提出しなければならない。
一氏名及び住所並びに国籍
二航空機の国籍、型式、登録記号及び航空機の無線局の呼出符号
三航行の経路(寄航地を明記すること。)及び航行の日時
四航行の目的
五機長の氏名並びに航空機乗務員の氏名及び資格
六旅客の氏名及び国籍並びに旅行の目的
七積荷の明細
第二百三十条の二法第百二十六条第五項ただし書の許可を受けようとする者は、その着陸又は離陸の予定期日の十日前(商用目的で本邦に入国する個人若しくは商用目的で本邦に入国する法人の役員(これらの者に随行する者を含む。)のみの運送をする場合又は商用目的で本邦から出国する個人若しくは商用目的で本邦から出国する法人の役員(これらの者に随行する者を含む。)のみの運送をする場合にあつては、三日前)までに、次に掲げる事項を記載した申請書を国土交通大臣に提出しなければならない。
一氏名及び住所並びに国籍
二航空機の国籍、型式、登録記号及び航空機の無線局の呼出符号
三着陸し、又は離陸しようとする空港等の名称及びその日時
四当該空港等における着陸又は離陸を必要とする理由
五航行の経路
六機長の氏名並びに航空機乗組員の氏名及び資格
七その他国土交通大臣が必要と認める事項

(外国航空機の国内使用の許可申請)

第二百三十一条法第百二十七条ただし書の許可を受けようとする者は、その使用開始予定期日の三日前までに、次に掲げる事項を記載した申請書を国土交通大臣に提出しなければならない。
一氏名及び住所並びに国籍
二航空機の国籍、型式、登録記号及び航空機の無線局の呼出符号
三機長の氏名並びに航空機乗組員の氏名及び資格
四使用の目的
五使用の計画の明細
六運航地域(離陸し、又は着陸しようとする空港等並びに路線を定めて運航する場合は、その路線を明示すること。)
七使用開始予定期日及び使用期間

(軍需品)

第二百三十一条の二法第百二十八条の国土交通省令で定める軍需品は、兵器及び弾薬であつて軍の用に供するものとする。
第二百三十一条の三法第百二十八条の許可を受けようとする者は、その輸送の予定期日の十日前までに、次に掲げる事項を記載した申請書を国土交通大臣に提出しなければならない。
一氏名及び住所並びに国籍
二航空機の国籍、型式、登録番号及び航空機の無線局の呼出符号
三輸送しようとする軍需品の品名及び数量の明細
四当該輸送を必要とする理由
五当該軍需品を輸送しようとする区間及び航行の日時

(外国人国際航空運送事業の許可申請)

第二百三十二条法第百二十九条第一項の許可を受けようとする者は、その運航開始予定期日の三月前までに、次に掲げる事項を記載した申請書を国土交通大臣に提出しなければならない。
一氏名及び住所並びに国籍
二法人である場合は代表者及び役員の氏名及び国籍
三国内における主たる事務所及びその他の事業所の名称及び所在地
四資本金並びに出資者の国籍別及び国、公共団体又は私人の別による出資額の比率
五当該国際航空運送事業を経営しようとする趣旨及び運行開始予定期日
六申請者が現に経営している航空運送事業があるときは、その概要
七事業計画
イ路線の起点、寄航地及び終点並びに当該路線の使用空港等及びそれら相互間の距離(航空略図をもつて明示すること。)
ロ使用航空機の総数並びに各航空機の国籍、型式、貨客別積載能力、登録記号及び航空機の無線局の呼出符号
ハ運航回数及び発着日時(ダイヤグラムをもつて明示すること。)
ニ整備の施設及び運航管理の施設の概要
ホ危害行為防止措置の内容
ヘ旅客の運送を行おうとする場合には、移動支援措置の内容
ト部品等脱落防止措置の内容
チ航空機の運航に伴う部品等の脱落により、人の生命、身体又は財産に生じた損害の被害者の保護を図るため国土交通大臣が必要と認める事項
2前項の申請書には、次に掲げる書類を添付しなければならない。
一申請者が国籍を有する外国から当該路線に係る航空運送事業の許可を受けている旨を証する書面
二申請者が法人である場合は、その定款又はこれに準ずる書類
三最近の損益計算書及び貸借対照表
四運送約款

(運賃及び料金の認可申請)

第二百三十三条法第百二十九条の二の運賃及び料金の設定又は変更の認可を受けようとする者は、実施予定期日の三十日前までに、次に掲げる事項を記載した運賃及び料金設定(変更)認可申請書を国土交通大臣に提出しなければならない。
一氏名及び住所並びに国籍
二設定し、又は変更しようとする運賃又は料金の額及びその算出基礎(変更の場合にあつては、新旧の対照を明示すること。)
三実施期日
四運賃及び料金の変更の場合にあつては、その理由

(事業計画変更の認可申請)

第二百三十三条の二法第百二十九条の三第二項の事業計画の変更の認可を受けようとする者は、運航回数の変更の場合及び使用航空機を積載量の著しく異なる型式のものに変更しようとする場合にあつては実施予定期日の四十五日前までに、使用空港等の変更及び発着日時の変更(臨時的な変更を除く。)の場合にあつては実施予定期日の三十日前までに、その他の場合にあつては実施予定期日の十日前までに、次に掲げる事項を記載した事業計画変更認可申請書を国土交通大臣に提出しなければならない。
一氏名及び住所並びに国籍
二変更しようとする事項(新旧の対照を明示すること。)
三実施予定期日
四変更を必要とする理由

(事業計画変更の届出)

第二百三十三条の三法第百二十九条の三第二項ただし書の軽微な事項に係る変更は、次のとおりとする。
一路線の起点、寄航地及び終点並びに使用空港等の臨時的な変更(十日以上にわたる場合を除く。)であつて新たな地点及び使用空港等の追加並びに本邦内の地点における発着日時の変更を伴わないもの
二第二百三十二条第一項第七号ロに掲げる事項のうち、使用航空機の総数並びに各航空機の登録記号及び航空機の無線局の呼出符号のみの変更
三第二百三十二条第一項第七号ホに掲げる事項のうち危害行為防止措置の効果に影響を及ぼすおそれがないと国土交通大臣が認める事項の変更
四第二百三十二条第一項第七号ヘに掲げる事項のうち移動支援措置の効果に影響を及ぼすおそれがないと国土交通大臣が認める事項の変更
五第二百三十二条第一項第七号トに掲げる事項のうち部品等脱落防止措置の効果に影響を及ぼすおそれがないと国土交通大臣が認める事項の変更
2第二百二十条の二第二項の規定は、法第百二十九条の三第三項の規定による事業計画変更の届出について準用する。この場合において、第二百二十条の二第二項第一号中「氏名及び住所」とあるのは、「氏名及び住所並びに国籍」と読み替えるものとする。

(外国人国内航空運送の許可申請)

第二百三十四条法第百三十条ただし書の許可を受けようとする者は、当該運送を行おうとする日の十日前までに、次に掲げる事項を記載した申請書を国土交通大臣に提出しなければならない。
一氏名及び住所並びに国籍
二航空機の国籍、型式、登録記号及び航空機の無線局の呼出符号
三有償で運送しようとする旅客の氏名及び国籍
四有償で運送しようとする貨物の品名及び数量
五有償で旅客又は貨物を運送することを必要とする理由
六有償で旅客又は貨物を運送しようとする区間及び航行の日時

(本邦内で発着する旅客等の運送の許可申請)

第二百三十四条の二法第百三十条の二の許可を受けようとする者は、本邦内に事務所又は代理人を置いている場合にはその航行の予定期日の十日前(商用目的で本邦に入国する個人若しくは商用目的で本邦に入国する法人の役員(これらの者に随行する者を含む。)のみの運送をする場合又は商用目的で本邦から出国する個人若しくは商用目的で本邦から出国する法人の役員(これらの者に随行する者を含む。)のみの運送をする場合にあつては、三日前)までに、その他の場合にはその航行の予定期日の三十日前までに、次に掲げる事項を記載した申請書を国土交通大臣に提出しなければならない。
一氏名及び住所並びに国籍
二航空機の国籍、型式、登録記号及び航空機の無線局の呼出符号
三機長の氏名並びに航空機乗組員の氏名及び資格(許可を受けようとする者が外国人国際航空運送事業者であり、かつ、自らの従業者の航空機乗組員により航空機を運航しようとする場合を除く。)
四当該運送を必要とする理由
五旅客又は貨物の運賃又は料金の種別及び額
六航行の経路(寄航地を明記すること。)、有償で旅客又は貨物を運送しようとする区間及び航行の日時
七本邦内に事務所又は代理人を置いている場合はその氏名及び住所
八その他国土交通大臣が必要と認める事項

(証明書等の承認)

第二百三十五条法第百三十一条の規定により、法第六条の航空機登録証明書、法第二十二条の規定による技能証明、法第二十三条の技能証明書、法第三十一条第一項の規定による航空身体検査証明、同条第二項の航空身体検査証明書、法第三十三条第一項の規定による航空英語能力証明又は法第三十四条第一項の規定による計器飛行証明とみなされる外国が行つた証明、免許その他の行為及びこれらに係る資格証書その他の文書は、国際民間航空条約の附属書として採択された標準、方式及び手続を採用する締約国たる外国(当該航空機が国籍を有する外国と当該航空機の使用者が住所を有する外国との間に国際民間航空条約第八十三条の二の協定がある場合にあつては、当該協定により当該航空機に係る証明、免許その他の行為を行うこととされた外国に限る。)の行つたもの及び国土交通大臣が適当と認めるものとする。
2法第百三十一条の規定により、法第十条第一項の規定による耐空証明又は同条第七項の耐空証明書とみなされる航空機の耐空性、騒音及び発動機の排出物について外国が行つた証明その他の行為及びこれに係る証書その他の文書(以下この項において「証明等」という。)は、国際民間航空条約の附属書として採択された標準、方式及び手続を採用する締約国たる外国(当該航空機が国籍を有する外国と当該航空機の使用者が住所を有する外国との間に国際民間航空条約第八十三条の二の協定がある場合にあつては、当該協定により当該航空機に係る証明、免許その他の行為を行うこととされた外国に限る。)の行つた証明等(ターボジェット発動機又はターボファン発動機を装備する最大離陸重量が三万四千キログラムを超える航空機の騒音についての証明等にあつては、国際民間航空条約の附属書十六第一巻第三章、第四章及び第十四章の基準に適合することについての証明等に限る。)及び国土交通大臣が適当と認めるものとする。
第二百三十五条の二及び第二百三十五条の三削除

(申請期間の特例)

第二百三十五条の四第二百三十条、第二百三十条の二、第二百三十一条、第二百三十一条の三、第二百三十三条の二及び第二百三十四条の二の規定による申請は、緊急の場合その他の場合であつて国土交通大臣がその事情を考慮してやむを得ないと認めるときは、これらの規定に定める期間経過後に申請されたものについても有効なものとみなす。

第九章 危害行為の防止

第一節 危害行為防止基本方針等

(航空機若しくは空港等の保安又は旅客の安全を確保するための業務を行う者)

第二百三十五条の四の二法第百三十一条の二の二第二項第六号の国土交通省令で定める者は、次に掲げる者とする。
一空港事務所長
二空港出張所長
三空港・航空路監視レーダー事務所長
四航空交通管制部長
五国管理空港運営権者(民間の能力を活用した国管理空港等の運営等に関する法律(平成二十五年法律第六十七号。以下「民活空港法」という。)第四条第二項に規定する国管理空港運営権者をいう。次条において同じ。)
六空港運営権者(関西国際空港及び大阪国際空港の一体的かつ効率的な設置及び管理に関する法律(平成二十三年法律第五十四号)第二十九条第二項に規定する空港運営権者をいう。次条において同じ。)
七地方管理空港運営権者(民活空港法第十一条第二項に規定する地方管理空港運営権者をいう。次条において同じ。)
八共用空港運営権者(民活空港法附則第五条に規定する共用空港運営権者をいう。次条において同じ。)
九特定地方管理空港運営者(民活空港法附則第十六条第二項第三号に規定する特定地方管理空港運営者をいう。次条において同じ。)
十航空保安無線施設の設置者
十一航空機使用事業者
十二法第百三十条の二の許可を受けた者
十三前各号に掲げるもののほか、国土交通大臣が必要と認める者

(空港等の設置者等の職員の指定)

第二百三十五条の四の三法第百三十一条の二の三第二項の国土交通省令で定める者は、次の表の上欄に掲げる空港等については、それぞれ当該各号の区分に応じ、同表の下欄に掲げる者とする。
空港等の区分職員を指定する者
一 国管理空港(空港法(昭和三十一年法律第八十号)第十五条第一項に規定する国管理空港であつて特定地方管理空港(空港整備法及び航空法の一部を改正する法律(平成二十年法律第七十五号)附則第三条第一項に規定する特定地方管理空港をいう。第六号において同じ。)以外のものをいう。次号において同じ。)(次号に掲げるものを除く。)又は共用空港(空港法附則第二条第一項に規定する共用空港をいう。第五号において同じ。)(第五号に掲げるものを除く。)空港事務所長
二 国管理空港(国管理空港運営権者が民活空港法第二条第五項に規定する国管理空港特定運営事業を実施するものに限る。)国管理空港運営権者
三 関西国際空港及び大阪国際空港空港運営権者
四 地方管理空港等(民活空港法第二条第三項に規定する地方管理空港等であつて、地方管理空港運営権者が同条第六項に規定する地方管理空港特定運営事業を実施するものに限る。)地方管理空港運営権者
五 共用空港(共用空港運営権者が民活空港法附則第三条に規定する共用空港特定運営事業を実施するものに限る。)共用空港運営権者
六 特定地方管理空港(特定地方管理空港運営者が民活空港法附則第十六条第一項に規定する特定地方管理空港の運営等を実施するものに限る。)特定地方管理空港運営者
第二百三十五条の四の四法第百三十一条の二の三第二項の規定により指定する職員は、次に掲げる要件のいずれにも該当する者でなければならない。
一法第百三十一条の二の三第二項の規定による指示の適切な実施に関し必要な知識及び能力を習得させるための教育訓練を受けている者であること。
二次のいずれにも該当しない者であること。
イ十八歳未満の者
ロ拘禁刑以上の刑に処せられ、又は法の規定に違反して罰金の刑に処せられ、その執行を終わり、又は執行を受けることがなくなつた日から起算して五年を経過しない者
ハ集団的に、又は常習的に暴力的不法行為その他の罪に当たる違法な行為(警備業の要件に関する規則(昭和五十八年国家公安委員会規則第一号)第二条に規定するものをいう。)を行うおそれがあると認めるに足りる相当な理由がある者
ニ暴力団員による不当な行為の防止等に関する法律(平成三年法律第七十七号)第十二条若しくは第十二条の六の規定による命令又は同法第十二条の四第二項の規定による指示を受けた者であつて、当該命令又は指示を受けた日から起算して三年を経過しないもの
ホアルコール、麻薬、大麻、あへん又は覚醒剤の中毒者
ヘ精神機能の障害により法第百三十一条の二の三第二項の規定による指示を適正に行うに当たつて必要な認知、判断及び意思疎通を適切に行うことができない者

(法第百三十一条の二の三第三項の国土交通省令で定める措置)

第二百三十五条の四の五法第百三十一条の二の三第三項の国土交通省令で定める措置は、同項に規定する職員の身分を示す証明書を提示することとする。ただし、事態が急迫している場合その他この措置によることができない場合には、口頭その他の方法により同項に規定する職員の身分を明らかにすることができることとし、当該証明書を提示することができるようになつたときは、速やかに、これを提示することとする。

(法第百三十一条の二の三第三項に規定する身分を示す証明書の様式)

第二百三十五条の四の六法第百三十一条の二の三第三項に規定する身分を示す証明書の様式は、第二十九号の四様式によるものとする。

第二節 保安検査等

(危険物等所持制限区域の指定の協議の申出)

第二百三十五条の四の七法第百三十一条の二の五第二項(同条第三項において準用する場合を含む。)(これらの規定を法第五十五条の二第三項において準用する場合を含む。)の協議の申出は、次の各号に掲げる事項を記載した協議書を提出して行うものとする。
一危険物等所持制限区域の管理者の名称
二指定又は変更の予定期日
三指定又は変更の理由
四その他国土交通大臣が必要と認める事項
2前項の協議書には、次の各号に掲げる書類を添付しなければならない。
一危険物等所持制限区域の位置を示す図面
二関係者の意見の要旨を記載した書面

(危険物等所持制限区域内及び航空機内への持込みを制限することが必要な物件)

第二百三十五条の四の八法第百三十一条の二の五第四項本文(法第五十五条の二第三項において準用する場合を含む。)の国土交通省令で定める物件は、次に掲げるもの(保安検査を行う者が国土交通大臣が定める方法により、保安上支障がないと確認したものを除く。)とする。
一第百九十四条第一項第一号及び第十号に掲げる物件
二前号に掲げる物件以外の物件であつて、次のいずれかに該当するもの
イ他の旅客を拘束するために使用されるおそれのある物件
ロ組み立てることにより凶器となるおそれのある物件
ハ前号並びにイ及びロに掲げる物件の模造品
ニ人が吸入し、皮膚に接触し、又は体内に摂取した場合に、その身体又は精神の機能を一時的又は持続的に著しく害する性質を有する物質及びこれを噴出するための器具
ホ引火又は発火しやすい物質及びその物質が流出し、又は飛散した場合にこれを燃焼させるための発火装置又は点火装置
三次に掲げる方法以外の方法により持ち込まれる液体(国際航空運送事業の用に供する危険物等所持制限区域内に持ち込まれるもの又は本邦内から出発して本邦外に到達する航行を行う航空機内に持ち込まれるものに限る。)
イ液体を容量百ミリリットル以下の容器に封入すること。
ロイの容器を再封入が可能な容量一リットル以下の透明なプラスチック製の袋に封入すること。
ハロの透明なプラスチック製の袋の数は、旅客一人につき一つとすること。

(法第百三十一条の二の五第四項の検査を行う者)

第二百三十五条の四の九法第百三十一条の二の五第四項本文(法第五十五条の二第三項において準用する場合を含む。)の国土交通省令で定める者は、同項の検査を受ける者が旅客である場合にあつては当該検査を受けた後に搭乗しようとする航空機を運航する者と、当該検査を受ける者が旅客以外の者である場合にあつては当該者が立ち入ろうとする危険物等所持制限区域が存する航空旅客取扱施設の管理者とする。
2前項の規定にかかわらず、旅客以外の者が法第百三十一条の二の五第四項の検査を受ける場合であつて、国土交通大臣が保安上支障がないと認めるときは、同項の検査を航空運送事業を経営する者が行うことができる。

(法第百三十一条の二の五第四項の検査を免除される者)

第二百三十五条の四の十法第百三十一条の二の五第四項ただし書(法第五十五条の二第三項において準用する場合を含む。)の国土交通省令で定める者は、次に掲げる者とする。
一本邦内において保安検査を受けた者又は本邦外から出発して本邦内の空港等に到着した者であつて、航空旅客取扱施設の管理者及び航空運送事業を経営する者又は法第百三十条の二の許可を受けた者が国土交通大臣の定める方法により管理する経路を移動すること等により法第百三十一条の二の五第四項の物件を所持しているおそれがない者
二危険物等所持制限区域内における業務のために当該区域内に立ち入る必要があると国土交通大臣が認める者
三災害その他非常の場合において避難のために危険物等所持制限区域内に立ち入る者
四前各号に掲げるもののほか、航空機強取行為等を行うおそれがないものとして国土交通大臣が認める者

(法第百三十一条の二の五第六項の検査を行う者)

第二百三十五条の四の十一法第百三十一条の二の五第六項本文(法第五十五条の二第三項において準用する場合を含む。)の国土交通省令で定める者は、同項の検査を受ける者が当該検査を受けた後に搭乗する航空機を運航する者とする。
2前項の規定にかかわらず、航空機強取行為等を防止するため特に措置を講ずる必要があると国土交通大臣が認める場合においては、当該検査を国土交通大臣が指定する者が行うものとする。

(法第百三十一条の二の五第六項の検査を免除される者)

第二百三十五条の四の十二法第百三十一条の二の五第六項ただし書(法第五十五条の二第三項において準用する場合を含む。)の国土交通省令で定める者は、次に掲げる者とする。
一本邦内において保安検査を受けた者又は本邦外から出発して本邦内に到着した者であつて、航空運送事業を経営する者又は法第百三十条の二の許可を受けた者が国土交通大臣が定める方法により管理する経路を移動すること等により法第百三十一条の二の五第四項の物件を所持しているおそれがない者
二航空運送事業を経営する者及び航空機使用事業者以外の者が運航する航空機に搭乗する者であつて、航空機強取行為等を行うおそれがないものとして当該航空機の機長が確認した者(航空機強取行為等を防止するため特に措置を講ずる必要があると国土交通大臣が認める場合を除く。)
三次に掲げる航空機に搭乗する者
イ国土交通省、警察庁、都道府県警察又は地方公共団体の消防機関の使用する航空機
ロイに掲げる機関の依頼又は通報により捜索又は救助を行う航空機
ハ救急医療用ヘリコプターを用いた救急医療の確保に関する特別措置法第五条第一項に規定する病院の使用する救急医療用ヘリコプター(同法第二条に規定する救急医療用ヘリコプターをいう。)
四前各号に掲げるもののほか、航空機強取行為等を行うおそれがないものとして国土交通大臣が認める者

(保安検査に関する業務の委託の基準)

第二百三十五条の四の十三法第百三十一条の二の五第七項(法第五十五条の二第三項において準用する場合を含む。)の国土交通省令で定める基準は、次のとおりとする。
一保安検査業務受託者に対し、次に掲げる事項を提示すること。
イ連絡体制その他保安検査に関する業務の適正な遂行及び管理のために必要な体制
ロ当該業務の適正な遂行に必要となる検査員の配置に係る情報
ハ当該業務の適正な遂行に必要となる教育訓練の内容
ニ当該業務の手順等であつて、当該業務に関する法令等の遵守に関する事項その他当該業務の適正な遂行を確保するための事項
二当該業務の実施状況を定期的に又は必要に応じて確認することにより、前号イからニまでに掲げる事項に従い保安検査業務受託者が当該業務を遂行しているかを検証し、必要に応じ是正させる等、保安検査業務受託者に対する必要かつ適切な監督を行うこと。

(保安検査に関する業務の受託の基準)

第二百三十五条の四の十四法第百三十一条の二の五第八項(法第五十五条の二第三項において準用する場合を含む。)の国土交通省令で定める基準は、次のとおりとする。
一前条第一号の規定により提示された事項に従い、次に掲げる事項を実施すること。
イ前条第一号イに掲げる事項に基づく体制の構築
ロ前条第一号ロに掲げる事項に基づく検査員の適切な配置
ハ前条第一号ハに掲げる事項に基づく教育訓練の実施
ニ前条第一号ニに掲げる事項の遵守
二前条第二号の規定により保安検査業務委託者の確認を受け、不具合等が発見された場合にあつては是正のために必要な措置を講じること。

(預入手荷物として航空機内に積載することを制限する物件)

第二百三十五条の四の十五法第百三十一条の二の六第一項の国土交通省令で定める物件は、第百九十四条第一項第一号に掲げるもの(同条第二項第四号に掲げる物件のうち、搭乗者が携行する物件を除く。)とする。

(預入手荷物検査を行う者)

第二百三十五条の四の十六法第百三十一条の二の六第一項本文の国土交通省令で定める者は、預入手荷物を預け入れようとする旅客が搭乗する航空機を運航する者とする。
2前項の規定にかかわらず、航空機強取行為等を防止するため特に措置を講ずる必要があると国土交通大臣が認める場合においては、当該検査を国土交通大臣が指定する者が行うものとする。

(預入手荷物検査を免除される者)

第二百三十五条の四の十七法第百三十一条の二の六第一項ただし書の国土交通省令で定める者は、次に掲げる者とする。
一本邦内において預入手荷物検査がなされた預入手荷物を預け入れた者又は本邦外から出発して本邦内に到着した者であつて、航空運送事業を経営する者又は法第百三十条の二の許可を受けた者により国土交通大臣が定める方法で管理されている預入手荷物を継続して預け入れる者
二法第百三十条の二の許可を受けた者が運航する航空機に搭乗する者であつて、航空機強取行為等を行うおそれがないものとして当該航空機の機長が確認した者(航空機強取行為等を防止するため特に措置を講ずる必要があると国土交通大臣が認める場合を除く。)
三前各号に掲げるもののほか、航空機強取行為等を行うおそれがないものとして国土交通大臣が認める者

(預入手荷物検査に関する業務の委託の基準)

第二百三十五条の四の十八第二百三十五条の四の十三の規定は、法第百三十一条の二の六第二項の国土交通省令で定める基準について準用する。この場合において、第二百三十五条の四の十三中「保安検査業務受託者」とあるのは「預入手荷物検査業務受託者」と、「保安検査に関する業務」とあるのは「預入手荷物検査に関する業務」と読み替えるものとする。

(預入手荷物検査に関する業務の受託の基準)

第二百三十五条の四の十九第二百三十五条の四の十四の規定は、法第百三十一条の二の六第三項の国土交通省令で定める基準について準用する。この場合において、第二百三十五条の四の十四中「前条」とあるのは「第二百三十五条の四の十八において読み替えて準用する第二百三十五条の四の十三」と、「保安検査業務委託者」とあるのは「預入手荷物検査業務委託者」と読み替えるものとする。

第十章 航空の脱炭素化の推進

(航空運送事業脱炭素化推進計画の認定の申請)

第二百三十五条の四の二十法第百三十一条の二の八第一項の規定により航空運送事業脱炭素化推進計画の認定を申請しようとする者は、航空運送事業脱炭素化推進計画認定申請書(第二十九号の五様式)を国土交通大臣に提出しなければならない。
2前項の場合において、法第百三十一条の二の九の規定のうち、法第百九条第一項の認可に係る部分の適用を受けようとするときは第二百二十条に規定する書類を、法第百九条第三項又は第四項の規定による届出に係る部分の適用を受けようとするときは第二百二十条の二第二項又は第四項に規定する書類を、それぞれ前項の申請書に添付しなければならない。

(航空運送事業脱炭素化推進計画の記載事項)

第二百三十五条の四の二十一法第百三十一条の二の八第二項第三号の国土交通省令で定める事項は、次に掲げる事項とする。
一法第百三十一条の二の八第二項第二号の措置の実施時期
二法第百三十一条の二の八第二項第二号の措置の実施体制
三法第百三十一条の二の八第二項第二号の措置の実施に必要な資金の確保に関する事項
四当該航空運送事業脱炭素化推進計画に係る本邦航空運送事業者の事業活動に伴う温室効果ガスの排出の量に関する事項
五法第百三十一条の二の八第二項第二号の措置の実施に関し講ずる航空の安全の確保のための措置に関する事項
六二以上の本邦航空運送業者が共同で航空運送事業脱炭素化推進計画を作成する場合には、それぞれの本邦航空運送事業者が実施する措置に関する事項

(航空運送事業脱炭素化推進計画の変更)

第二百三十五条の四の二十二法第百三十一条の二の八第四項の規定により航空運送事業脱炭素化推進計画の変更の認定を申請しようとする者は、航空運送事業脱炭素化推進計画変更認定申請書(第二十九号の六様式)を国土交通大臣に提出しなければならない。
2第二百三十五条の四の二十第二項の規定は、前項の場合について準用する。

第十一章 無人航空機

第一節 無人航空機の登録

(法第百三十二条の二ただし書の国土交通省令で定める場合)

第二百三十六条法第百三十二条の二ただし書の国土交通省令で定める場合は、次に掲げる場合とする。
一次に掲げる要件のいずれにも該当する試験飛行を行うことにつきあらかじめ国土交通大臣に届け出ている場合
イ無人航空機の研究開発のために行うもの又は無人航空機の製造過程において行うものであること。
ロ試験飛行を行う区域周辺の人又は物件の安全を確保するために必要な補助者の配置その他の国土交通大臣が定める措置が講じられているものであること。
二日本国の自衛隊と我が国以外の締約国の軍隊との間における相互のアクセス及び協力の円滑化に関する日本国と我が国以外の締約国との間の協定の実施に関する法律(令和七年法律第二十六号)第二条第二号に規定する締約国軍隊が、その任務の遂行に必要な業務のために無人航空機を飛行させることにつき、あらかじめ国土交通大臣に届け出ている場合
三無人航空機の離陸場所又は着陸場所(以下この条において「離着陸場所」という。)を管理する団体(無人航空機の飛行の安全を確保できるものとして国土交通大臣が定める要件に該当するものに限る。以下この条において「離着陸場所管理団体」という。)が、次に掲げる要件のいずれにも該当する飛行を行うことにつき、あらかじめ国土交通大臣に届け出ている場合
イ娯楽を目的として行うものであること。
ロ管理する離着陸場所周辺の区域において行うものであること。
ハ離着陸場所管理団体に所属する者が行うものであること。
ニ飛行以外の機能を有しない機体であつて、当該機体及びその周囲の状況を目視により常時監視して飛行させるものであることその他の国土交通大臣が定める要件に該当するものによつて行うものであること。
2前項第一号又は第二号の規定による届出をしようとする者は、次に掲げる事項を記載した届出書を国土交通大臣に提出しなければならない。
一氏名又は名称、住所及び電話番号、電子メールアドレスその他の連絡先
二飛行の目的、日時、区域及び高度
三飛行に用いる無人航空機の種類その他の無人航空機の概要に関する事項
四その他参考となる事項
3第一項第三号の規定による届出をしようとする者は、次に掲げる事項を記載した届出書を国土交通大臣に提出しなければならない。これを変更しようとするときも、同様とする。
一離着陸場所管理団体の代表者の氏名及び当該離着陸場所管理団体の名称
二当該離着陸場所管理団体の住所及び電話番号、電子メールアドレスその他の連絡先
三離着陸場所、飛行の区域及び高度
四無人航空機を飛行させる者の氏名、住所及び電話番号、電子メールアドレスその他の連絡先
五無人航空機を飛行させる者を特定するための番号
六その他参考となる事項
4国土交通大臣は、第二項の規定による届出を受理したときは、当該届出をした者に対し、届出番号を通知するものとする。
5第一項第一号又は第二号の規定による届出をして無人航空機を飛行させる者は、当該無人航空機に前項の届出番号の表示その他の当該無人航空機が当該飛行を行うものであることを確認することができる措置を講じなければならない。
6第一項第三号の規定による届出をして無人航空機を飛行させる者は、当該無人航空機に第三項第五号に規定する番号の表示その他の当該無人航空機が当該飛行を行うものであることを確認することができる措置を講じなければならない。
7第一項第三号の届出により飛行することができる期間は、当該届出を受理した日から起算して三年以内とする。

(登録の要件)

第二百三十六条の二法第百三十二条の三の国土交通省令で定める要件は、次の各号のいずれかに該当する無人航空機であることとする。
一その飛行による事故の発生その他の事情を勘案し、航空機の航行の安全又は地上若しくは水上の人若しくは物件の安全が著しく損なわれるおそれがあると認められるものとして、国土交通大臣が指定した無人航空機又は国土交通大臣が指定した装備品を装備した無人航空機
二表面の突起物(飛行に必要なものを除く。)その他の航行中の航空機又は地上若しくは水上の人若しくは物件に接触した場合においてその安全を著しく損なうおそれがある構造を有する無人航空機
三遠隔操作又は自動操縦が著しく困難な無人航空機
2国土交通大臣は、前項第一号の規定による指定をしたときは、インターネットの利用その他の適切な方法により、その旨及び当該指定に係る無人航空機又は装備品を公示しなければならない。
3前項の規定は、第一項第一号の規定による指定の変更又は解除について準用する。

(登録の申請)

第二百三十六条の三法第百三十二条の四第一項の規定による登録を受けようとする者は、次に掲げる事項を記載した申請書を国土交通大臣に提出しなければならない。
一無人航空機の種類
二無人航空機の型式
三無人航空機の製造者
四無人航空機の製造番号
五所有者の氏名又は名称及び住所
六代理人により申請をするときは、その氏名又は名称及び住所
七使用者の氏名又は名称及び住所
八申請の年月日
九次に掲げる無人航空機の重量の区分の別
イ二十五キログラム未満
ロ二十五キログラム以上
十無人航空機の改造(無人航空機の性能に及ぼす影響が軽微なものとして国土交通大臣が定める改造を除く。)の有無
十一所有者の電話番号、電子メールアドレスその他の連絡先
十二使用者の電話番号、電子メールアドレスその他の連絡先
十三法第百三十二条の四第一項の規定による登録記号(以下「登録記号」という。)を識別するための信号を電波を利用して送信することにより、当該電波を受信可能な通信端末機器を使用する者による登録無人航空機の識別を当該登録無人航空機の飛行中常時可能とする機能(国土交通大臣が定める技術的基準を満たすものに限る。)(以下「リモートID機能」という。)の有無(当該登録無人航空機にリモートID機能を有する機器を装備する場合にあつては、当該機器の型式、製造者及び製造番号を含む。)
十四その他国土交通大臣が必要と認める事項
2前項の申請書には、次の各号に掲げる場合の区分に応じ、当該各号に規定する書類を添付しなければならない。ただし、第一号イ及び第二号に掲げる書類にあつては国土交通大臣が提出を受ける日前六月以内に作成されたものに、その他の書類にあつては国土交通大臣が提出を受ける日において有効なものに限る。
一所有者が自然人(次号に掲げる者を除く。)である場合次に掲げる書類のいずれか
イ印鑑登録証明書、戸籍の附票の写し、住民票の写し又は住民票記載事項証明書(住民基本台帳法(昭和四十二年法律第八十一号)第十二条第一項に規定する住民票の写し又は住民票記載事項証明書をいう。)であつて、当該自然人の氏名、生年月日及び住所の記載されたもの
ロ運転免許証等(道路交通法(昭和三十五年法律第百五号)第九十二条第一項に規定する運転免許証及び同法第百四条の四第五項(同法第百五条第二項において準用する場合を含む。)に規定する運転経歴証明書をいう。)、在留カード(出入国管理及び難民認定法(昭和二十六年政令第三百十九号)第十九条の三に規定する在留カードをいう。)、特別永住者証明書(日本国との平和条約に基づき日本の国籍を離脱した者等の出入国管理に関する特例法(平成三年法律第七十一号)第七条第一項に規定する特別永住者証明書をいう。)、個人番号カード(行政手続における特定の個人を識別するための番号の利用等に関する法律(平成二十五年法律第二十七号)第二条第七項に規定する個人番号カードをいう。以下同じ。)、健康保険法(大正十一年法律第七十号)第五十一条の三第一項、船員保険法(昭和十四年法律第七十三号)第二十八条の二第一項、国民健康保険法(昭和三十三年法律第百九十二号)第九条第二項(同法第二十二条において読み替えて準用する場合を含む。)、高齢者の医療の確保に関する法律(昭和五十七年法律第八十号)第五十四条第三項、国家公務員共済組合法(昭和三十三年法律第百二十八号)第五十三条の二第一項(私立学校教職員共済法(昭和二十八年法律第二百四十五号)第二十五条において読み替えて準用する場合を含む。)若しくは地方公務員等共済組合法(昭和三十七年法律第百五十二号)第五十五条の二第一項に規定する書面、介護保険の被保険者証、健康保険日雇特例被保険者手帳、児童扶養手当証書又は母子健康手帳であつて、当該自然人の氏名、生年月日及び住所の記載があるものその他官公庁から発行され、又は発給された書類その他これに類するもので当該自然人の氏名、生年月日及び住所の記載があるもの(国土交通大臣が指定するものを除く。)のうちいずれか二の写し
二所有者が本邦内に住居を有しない外国人(日本の国籍を有しない自然人をいう。)の場合旅券等(出入国管理及び難民認定法第二条第五号に掲げる旅券又は同条第六号に掲げる乗員手帳をいい、当該自然人の氏名及び生年月日の記載があるものに限る。)の写し及び日本国政府の承認した外国政府又は権限ある国際機関の発行した書類その他これに類するもので、前号イ又はロに定めるものに準ずるものの写し
三所有者が法人である場合当該法人の設立の登記に係る登記事項証明書(当該法人が設立の登記をしていないときは、当該法人を所轄する行政機関の長の当該法人の名称及び本店又は主たる事務所の所在地を証する書類)又は印鑑登録証明書であつて、当該法人の名称、本店又は主たる事務所の所在地及び法人番号の記載があるもの(外国に本店又は主たる事務所を有する法人にあつては、日本国政府の承認した外国政府又は権限ある国際機関の発行した書類その他これに類するもので、当該法人の名称及び本店又は主たる事務所の所在地の記載があるもの)
3前項の規定は、次の各号のいずれかに該当する場合においては、適用しない。
一法第百三十二条の四第一項の登録の申請を行う者が国土交通大臣に対し、個人番号カードに記録された利用者証明用電子証明書(電子署名等に係る地方公共団体情報システム機構の認証業務に関する法律(平成十四年法律第百五十三号)第二十二条第一項に規定する利用者証明用電子証明書をいう。以下同じ。)を送信する方法により本人であることの確認を受ける場合
二法第百三十二条の四第一項の登録の申請を行う者(法人に限る。)が国土交通大臣に対し、識別番号及び暗証番号を当該者の使用に係る電子計算機から入力し、並びに当該電子計算機において設定した生体認証符号等(個人の身体の一部の特徴を電子計算機の用に供するために変換した符号その他の申請を行う者を認証するための符号をいう。)を使用する方法により当該申請を行う場合
三その他国土交通大臣が定めるところにより、法第百三十二条の四第一項の登録の申請を行う者が電磁的方法により本人であることの確認を受ける場合
4第一項の場合において、代理人により申請書を提出するときは、その権限を証する書類を申請書に添付しなければならない。

(無人航空機登録原簿の記載事項)

第二百三十六条の四法第百三十二条の四第一項第八号の国土交通省令で定める事項は、前条第一項第九号から第十三号までに掲げる事項とする。

(通知の方法)

第二百三十六条の五法第百三十二条の四第三項(法第百三十二条の六第二項において準用する場合を含む。)の国土交通省令で定める方法は、書面又は電磁的方法とする。

(登録記号の表示等の方法)

第二百三十六条の六登録無人航空機の所有者は、次に掲げるところにより当該登録無人航空機の登録記号を識別するための措置を講じなければならない。
一次に定めるところにより登録記号を表示すること。
イ登録記号は、装飾体でないアラビア数字又はローマ字の大文字により、耐久性のある方法で、鮮明に表示すること。
ロ登録記号は、無人航空機の胴体のうち、容易に取り外すことができない部分の表面であつて外部から容易に確認できる場所に表示すること。
ハ登録記号に使用する文字及び数字の高さは次のとおりとすること。
(1)第二百三十六条の三第一項第九号イに該当する無人航空機にあつては、三ミリメートル以上
(2)第二百三十六条の三第一項第九号ロに該当する無人航空機にあつては、二十五ミリメートル以上
ニ登録記号の色は、表示する場所の地色と鮮明に判別できるものとすること。
二次のいずれかの方法により、当該登録無人航空機にリモートID機能を備えること。
イ国土交通大臣の定めるところにより、リモートID機能を有する登録無人航空機に登録記号その他の必要な情報を入力する方法
ロリモートID機能を有する機器を登録無人航空機に装備し、国土交通大臣の定めるところにより、当該機器に当該登録無人航空機の登録記号その他の必要な情報を入力する方法
2前項第二号の規定は、当該登録無人航空機が次のいずれかに掲げる飛行に用いるものである場合については、適用しない。
一あらかじめ国土交通大臣に届け出たところに従つて当該届出に係る区域の上空において行われる登録無人航空機の飛行であつて、国土交通大臣が定めるところにより、次に掲げる措置が講じられているもの
イ当該届出に係る区域の上空における無人航空機の飛行を監視するために必要な補助者の配置その他の措置
ロ当該届出に係る区域の範囲を明示するために必要な標識の設置その他の措置
二十分な強度を有する紐等(長さが三十メートル以下のものに限る。)で係留することにより登録無人航空機の飛行の範囲を制限した上で行う飛行
三警察庁、都道府県警察又は海上保安庁その他国土交通大臣が指定する機関の業務であつて警備その他の特に秘匿を必要とするもののために行う登録無人航空機の飛行
3前項第一号の規定により届出をしようとする者は、次に掲げる事項を記載した届出書を国土交通大臣に提出しなければならない。
一氏名又は名称、住所及び電話番号、電子メールアドレスその他の連絡先
二登録記号
三飛行の日時、区域及び高度
四その他参考となる事項

(登録の更新の申請)

第二百三十六条の七法第百三十二条の六第一項の規定による登録の更新を受けようとする者は、次に掲げる事項を記載した申請書を国土交通大臣に提出しなければならない。
一登録記号
二所有者の氏名又は名称及び住所
三代理人により申請をするときは、その氏名又は名称及び住所
四使用者の氏名又は名称及び住所
五申請の年月日
六その他国土交通大臣が必要と認める事項
2第二百三十六条の三第二項から第四項までの規定は、前項の登録の更新について準用する。この場合において、同条第三項中「法第百三十二条の四第一項の登録の申請」とあるのは、「法第百三十二条の六第一項の登録の更新の申請」と読み替えるものとする。

(登録の有効期間)

第二百三十六条の八法第百三十二条の六第一項の国土交通省令で定める期間は、三年とする。
2国土交通大臣は、登録無人航空機の所有者が、天災その他やむを得ない事由により、法第百三十二条の六第一項の登録の更新を受けることができないと認めるときは、当該登録無人航空機の登録の有効期間を、期間を定めて伸長することができる。

(無人航空機の登録の有効期間の起算日)

第二百三十六条の九無人航空機の登録の有効期間の起算日は、国土交通大臣が当該登録に係る法第百三十二条の四第三項(法第百三十二条の六第二項において準用する場合を含む。以下この条において同じ。)の通知をした日とする。ただし、無人航空機の登録の有効期間が満了する日の一月前から当該期間が満了する日までの間に新たに法第百三十二条の四第三項の通知をする場合は、当該期間が満了する日の翌日とする。

(登録事項の変更の届出)

第二百三十六条の十法第百三十二条の八第一項の規定により登録事項の変更の届出をしようとする者は、次に掲げる事項を記載した届出書を国土交通大臣に提出しなければならない。
一登録記号
二所有者の氏名又は名称及び住所
三代理人により届出をするときは、その氏名又は名称及び住所
四届出の年月日
五変更した事項(新旧の対照を明示すること。)
六変更の事由及びその事由が発生した年月日
七その他国土交通大臣が必要と認める事項
2前項の規定による変更の届出が所有者の氏名、名称又は住所に係るものであるときは、第二百三十六条の三第二項及び第三項の規定を準用する。この場合において、同条第二項中「申請書」とあるのは「届出書」と、同条第三項中「法第百三十二条の四第一項の登録の申請を行う者」とあるのは「法第百三十二条の八第一項の登録事項の変更の届出を行う者」と、「当該申請」とあるのは「当該届出」と読み替えるものとする。
3第二百三十六条の三第四項の規定は、第一項の登録事項の変更の届出について準用する。この場合において、同条第四項中「申請書」とあるのは、「届出書」と読み替えるものとする。

(登録の抹消の申請)

第二百三十六条の十一法第百三十二条の十一第一項の規定により登録の抹消の申請をしようとする者は、次に掲げる事項を記載した申請書を国土交通大臣に提出しなければならない。
一登録記号
二所有者の氏名又は名称及び住所
三代理人により申請をするときは、その氏名又は名称及び住所
四申請の年月日
五抹消の事由及びその事由が発生した年月日
六その他国土交通大臣が必要と認める事項
2第二百三十六条の三第四項の規定は、前項の登録の抹消について準用する。この場合において、同条第四項中「第一項」とあるのは、「前項」と読み替えるものとする。

第二節 無人航空機の安全性

(機体認証)

第二百三十六条の十二法第百三十二条の十三第一項の機体認証を申請しようとする者は、機体認証申請書を国土交通大臣に提出しなければならない。
2前項の申請書に添付すべき書類及び提出の時期は、次の表に掲げる区分による。ただし、申請の際現に航空の用に供した無人航空機に係る当該書類の提出時期は、次の表の下欄に掲げる時期にかかわらず、申請時とする。
区分添付書類提出の時期
一法第百三十二条の十六第一項の型式認証を受けていない型式の無人航空機一 設計計画書設計の初期
二 設計書三 設計図面四 部品表五 製造計画書製造着手前
六 無人航空機飛行規程七 無人航空機整備手順書八 航空の用に供した無人航空機については、整備又は改造に関する技術的記録及び総飛行時間を記載した書類九 無人航空機の重量及び重心位置の算出に必要な事項を記載した書類十 前各号に掲げるもののほか、参考事項を記載した書類現状についての検査実施前
二法第百三十二条の十三第一項の機体認証を受けたことのある無人航空機及び法第百三十二条の十六第一項の型式認証を受けた型式の無人航空機(三に掲げる無人航空機を除く。)一 無人航空機飛行規程二 航空の用に供した無人航空機については、整備又は改造に関する技術的記録及び総飛行時間を記載した書類三 無人航空機の重量及び重心位置の算出に必要な事項を記載した書類四 無人航空機の製造者等において整備を行つた場合は、その確認をした旨を証する書類五 前四号に掲げるもののほか、参考事項を記載した書類機体認証申請時
三法第百三十二条の十六第一項の型式認証を受けた型式の無人航空機(航空の用に供した無人航空機を除く。)一 法第百三十二条の十九第一項の規定による表示を写した写真二 前号に掲げるもののほか、参考事項を記載した書類機体認証申請時
3無人航空機飛行規程は、次に掲げる事項を記載した書類とする。
一無人航空機の概要
二無人航空機の限界事項
三非常の場合にとらなければならない各種装置の操作その他の措置
四通常の場合における各種機能の操作方法
五無人航空機の性能
六その他必要な事項
4無人航空機整備手順書は、次に掲げる事項を記載した書類とする。
一無人航空機の構造並びに装備品、部品及び落下傘等(以下この節において「装備品等」という。)並びに系統に関する説明
二無人航空機の整備の方法、無人航空機に発生した不具合の是正の方法その他の無人航空機の整備に関する事項
三その他必要な事項
第二百三十六条の十三法第百三十二条の十三第三項の指定は、同条第二項の認証の区分及び無人航空機の種類を明らかにしてするものとする。
2法第百三十二条の十三第三項に規定する無人航空機の使用の条件は、前条第三項第二号の無人航空機の限界事項とする。
第二百三十六条の十四法第百三十二条の十三第三項の指定は、前条に規定する事項を記載した書類(以下「使用条件等指定書」という。)を申請者に交付することによつて行う。
2前項に規定する使用条件等指定書の様式は、第二十九号の七様式のとおりとする。
第二百三十六条の十五法第百三十二条の十三第四項の安全基準は、次のとおりとする。
一無人航空機の性能及び飛行性は、飛行試験その他の試験又はこれらの試験に基づく計算によつて証明されたものであること。ただし、計算による結果は、直接の試験による結果と同程度に正確なものであるか又はそれよりも安全側にあることが確実なものでなければならない。
二無人航空機の飛行が航空機の航行の安全並びに地上及び水上の人及び物件の安全に及ぼす影響の程度に応じ、それらの安全が損なわれないように考慮された設計であること。
三操縦に特別な技術又は過度の注意力を要することなく、安全に離陸、飛行及び着陸できるものであること。
四無人航空機の構造は、十分な強度を有し、地上及び水上の人及び物件に与える損害を最小限度にとどめる形状であること。
五予想される運用を安全に行うために必要な装備品等を装備し、また、当該装備品等は有効かつ確実にその機能を発揮することができるものであること。
六予想される運用を安全に行うために必要な機器がある場合には、当該機器は有効かつ確実にその機能を発揮することができるものであること。
七前各号に掲げるもののほか、無人航空機の安全性を確保するために必要なものとして国土交通大臣が定める基準に適合すること。
第二百三十六条の十六法第百三十二条の十三第七項の機体認証書の様式は、第二十九号の八様式のとおりとする。

(表示)

第二百三十六条の十七法第百三十二条の十三第八項本文の国土交通省令で定める表示は、無人航空機の機体認証書番号とする。ただし、同条第二項第一号の第一種機体認証に係る機体認証書番号を表示する場合には、同項第二号の第二種機体認証に係る機体認証書番号を表示しないことができる。
2前項の表示は、機体認証を受けた無人航空機に、耐久性のある方法で、鮮明に表示しなければならない。
3法第百三十二条の十三第八項ただし書の無人航空機が機体認証を受けたことを識別するための措置は、当該無人航空機にリモートID機能を備えることその他の措置とする。

(機体認証の有効期間)

第二百三十六条の十八法第百三十二条の十三第十項の機体認証の有効期間は、次の各号に掲げる認証の区分に応じ、当該各号に定める期間とする。
一第一種機体認証一年
二第二種機体認証三年

(機体認証の有効期間の起算日)

第二百三十六条の十九機体認証の有効期間の起算日は、当該機体認証に係る機体認証書を交付する日とする。ただし、機体認証の有効期間が満了する日の一月前から当該期間が満了する日までの間に新たに機体認証書を交付する場合は、当該期間が満了する日の翌日とする。

(使用者の整備の義務)

第二百三十六条の二十法第百三十二条の十四第二項の規定により無人航空機を安全基準に適合するように維持しなければならない者は、次に掲げる措置を講ずることとする。
一機体及び装備品等の製造者等の作成する整備に関する技術的資料に準拠して適切な整備を実施すること。
二無人航空機に発生した不具合を適切に是正すること。
三整備作業の結果を適確に記録し、保存すること。
四その他無人航空機を安全基準に適合するように維持するため必要な整備をすること。

(機体認証の効力の停止等の通知)

第二百三十六条の二十一国土交通大臣は、法第百三十二条の十五第二項の規定により無人航空機の機体認証の効力を停止し、その有効期間を短縮し、又は法第百三十二条の十三第三項の規定により指定した使用の条件を変更したときは、その旨を当該無人航空機の使用者に通知するものとする。

(型式認証)

第二百三十六条の二十二法第百三十二条の十六第一項の型式認証を申請しようとする者は、型式認証申請書を国土交通大臣に提出しなければならない。
2前項の申請書に添付すべき書類及び提出の時期は、次の表による。ただし、申請の際現に製造されている無人航空機に係る当該書類の提出の時期は、次の表の下欄に掲げる時期にかかわらず、申請時とする。
添付書類提出の時期
一 設計計画書設計の初期
二 設計書三 図面目録四 設計図面五 部品表六 製造計画書七 型式の均一性が確保されることを証する書類製造着手前
八 仕様書九 無人航空機飛行規程十 無人航空機整備手順書十一 無人航空機の重量及び重心位置の算出に必要な事項を記載した書類十二 前各号に掲げるもののほか、参考事項を記載した書類現状についての検査実施前
第二百三十六条の二十三型式認証を行うための検査は、当該無人航空機の型式の設計及び製造過程並びにその設計及び製造過程に係る無人航空機のうち一機の現状について行う。
第二百三十六条の二十四法第百三十二条の十六第三項の均一性基準は、申請者が次に掲げる要件に適合することとする。
一次に掲げる施設を有すること。
イ申請に係る型式の無人航空機の製造及び検査(法第百三十二条の十八第二項の規定による検査を含む。以下この条において「製造等業務」という。)に必要な設備
ロ製造等業務に必要な面積及び照明設備その他の設備を有する作業場
ハ製造等業務に必要な材料、部品、装備品等を適切に保管するための施設
二製造等業務を分担する場合において、業務を実施する組織が製造等業務を適切に分担できるものであり、かつ、それぞれの権限及び責任が明確にされたものであること。
三前号の各組織ごとに製造等業務を適確に実施することができる能力を有する人員が適切に配置されていること。
四作業の実施方法(次号の品質管理制度に係るものを除く。)が製造等業務の適確な実施のために適切なものであること。
五次の制度を含む品質管理制度が製造等業務の適確な実施のために適切なものであること。
イ第一号の施設の維持管理に関する制度
ロ第三号の人員の教育及び訓練に関する制度
ハ前号の作業の実施方法の改訂に関する制度
ニ技術資料の入手、管理及び運用に関する制度
ホ材料、部品、装備品等の管理に関する制度
ヘ材料、部品、装備品等の領収検査並びに無人航空機又は装備品等の受領検査、中間検査及び完成検査に関する制度
ト工程管理に関する制度
チ業務を委託する場合における受託者による当該業務の遂行の管理に関する制度
リ業務の記録の管理に関する制度
ヌ業務の実施組織から独立した組織が行う監査に関する制度
第二百三十六条の二十五法第百三十二条の十六第二項第一号の第一種型式認証を受けた無人航空機は、同項第二号の第二種型式認証を受けたものとみなす。
第二百三十六条の二十六法第百三十二条の十六第四項の型式認証書の様式は、第二十九号の九様式のとおりとする。

(型式認証の有効期間)

第二百三十六条の二十七法第百三十二条の十六第六項の型式認証の有効期間は、三年とする。

(型式認証の有効期間の起算日)

第二百三十六条の二十八型式認証の有効期間の起算日は、当該型式認証に係る型式認証書を交付する日とする。ただし、当該型式について型式認証の有効期間が満了する日の一月前から当該期間が満了する日までの間に新たに型式認証書を交付する場合は、当該期間が満了する日の翌日とする。

(型式認証の変更)

第二百三十六条の二十九法第百三十二条の十七第一項の承認を受けようとする者は、型式設計・製造過程変更申請書に当該変更に係る事項を記載した添付書類を添えて国土交通大臣に提出しなければならない。
2第二百三十六条の二十二第二項の規定は、前項の添付書類の提出の時期について準用する。
第二百三十六条の三十第二百三十六条の二十三の規定は、前条の場合に準用する。
第二百三十六条の三十一法第百三十二条の十七第一項の承認は、新たに型式認証書を交付することによつて行う。

(型式認証書の記載事項の変更)

第二百三十六条の三十二型式認証又は型式認証の変更の承認を受けた者(以下「型式認証等保有者」という。)は、型式認証書の記載事項に変更(国土交通大臣が軽微と認めるものに限る。)を生じたため再交付を申請しようとするときは、型式認証書再交付申請書に、書換えの理由を証する書類を添えて、国土交通大臣に提出しなければならない。
2国土交通大臣は、当該申請が正当であると認めるときは、型式認証書を再交付する。

(検査方法等)

第二百三十六条の三十三法第百三十二条の十八第二項の規定による検査並びにその検査記録の作成及び保存は、次に掲げるところにより行うものとする。
一型式認証等を受けた型式の無人航空機の製造に係る個別の無人航空機(以下この項において「型式認証等無人航空機」という。)が安全基準に適合することを確認するための検査を行うこと。
二製造される型式認証等無人航空機が安全基準に適合することを確認できる検査手順書を作成し、それを確実に履行すること。
三検査手順書に定める全ての事項を終了し、製造される型式認証等無人航空機がその型式認証等に係る型式に適合することを確認するまで型式認証等無人航空機を出荷しないこと。
四型式認証等無人航空機ごとに次に掲げる事項を記載した検査記録書を作成すること。
イ検査を行つた無人航空機の型式認証書番号、型式及び製造番号
ロ検査を行つた年月日及び場所
ハ検査を実施した者の氏名
ニ検査の方法
ホ検査の結果
五前号の検査記録書(次項の規定による記録が行われた同項のファイル又は磁気ディスクを含む。)は、次に掲げる認証の区分に応じ、それぞれ次に定める期間保存すること。
イ第一種型式認証当該型式認証の有効期間中及び当該有効期間の満了後一年間
ロ第二種型式認証当該型式認証の有効期間中及び当該有効期間の満了後三年間
2前項第四号の検査記録書が、電子計算機に備えられたファイル又は磁気ディスクに記録され、必要に応じ電子計算機その他の機器を用いて明確に紙面に表示されるときは、当該ファイル又は磁気ディスクをもつて同号の検査記録書に代えることができる。

(表示)

第二百三十六条の三十四法第百三十二条の十九第一項の国土交通省令で定める表示は、次に掲げる事項が記されたものとする。
一無人航空機の型式認証書番号
二無人航空機の型式
三無人航空機の製造番号
2前項の表示は、法第百三十二条の十八第二項の規定による義務を履行した無人航空機に、耐久性のある方法で、鮮明に表示しなければならない。

(無人航空機の整備に関する情報)

第二百三十六条の三十五法第百三十二条の二十の規定による無人航空機の整備をするに当たつて必要となる技術上の情報の提供は、次に定めるところにより行うものとする。
一使用者が容易に入手できる方法により行うこと。
二第一種型式認証等を受けた無人航空機に係る情報については、使用者が確実に入手できる方法により行うこと。
三提供した情報を変更したときは、これを周知させるための措置を講ずること。
2法第百三十二条の二十の国土交通省令で定める技術上の情報は、整備の箇所、時期及び実施の方法とする。

(法第百三十二条の二十一の国土交通省令で定める事態の報告等)

第二百三十六条の三十六型式認証等保有者は、型式認証等を受けた型式の無人航空機について、次条各号に掲げる事態に関する情報を、当該無人航空機の使用者から収集し、整理し、及び分析するための体制を整備しなければならない。
2型式認証等保有者は、前項の規定により情報の収集、整理及び分析を行つたときは、その結果を記載し、又は記録した書面又は電磁的記録を作成し、保存しなければならない。
3型式認証等保有者は、無人航空機について次条各号に掲げる事態の発生を知つた時から十日以内においてできる限り速やかに、次に掲げる事項を国土交通大臣に速報しなければならない。
一氏名又は名称
二無人航空機の登録記号、型式認証書番号、型式及び製造番号
三報告に係る事態が発生した日時及び場所
四報告に係る事態の概要
五その他参考となる事項
4型式認証等保有者は、前項の規定により速報した事態の原因が設計又は製造過程にあると認める場合、必要な改善措置について、国土交通大臣に報告するとともに、当該改善措置の内容が適切であるかどうかの技術的な検証のために必要な事項を記載した書類を国土交通大臣に提出しなければならない。
第二百三十六条の三十七法第百三十二条の二十一の国土交通省令で定める事態は、次に掲げる事態(本邦内で発生したもの又は日本国籍を有する船舶若しくは航空機から飛行させた無人航空機に係るものに限る。)とする。
一法第百三十二条の九十第一項各号に掲げる事故(設計又は製造過程に起因し、又は起因すると疑われるものに限る。)
二法第百三十二条の九十一に規定する事態(設計又は製造過程に起因し、又は起因すると疑われるものに限る。)
三前二号に掲げるもののほか、無人航空機が安全基準に適合せず、又は安全基準に適合しなくなるおそれがあるものとして国土交通大臣が認める事態

第三節 無人航空機操縦者技能証明

(技能証明の申請)

第二百三十六条の三十八法第百三十二条の四十の技能証明(同条に規定する無人航空機操縦者技能証明をいう。以下この節において同じ。)を申請しようとする者(以下この条において「技能証明申請者」という。)は、写真を添付した技能証明申請書を、国土交通大臣に提出しなければならない。
2前項の申請書には、次の各号に掲げる場合の区分に応じ、当該各号に規定する書類を添付しなければならない。ただし、第二百三十六条の三第二項第一号イ及び第二号に掲げる書類にあつては国土交通大臣が提出を受ける日前六月以内に作成されたものに、その他の書類にあつては国土交通大臣が提出を受ける日において有効なものに限る。
一技能証明申請者が次号に掲げる者以外である場合第二百三十六条の三第二項第一号イ又はロに掲げる書類のいずれか
二技能証明申請者が本邦内に住居を有しない外国人(日本の国籍を有しない者をいう。)の場合第二百三十六条の三第二項第二号に掲げる書類
3前項の規定は、次の各号のいずれかに該当する場合においては、適用しない。
一技能証明申請者が国土交通大臣に対し、個人番号カードに記録された利用者証明用電子証明書を送信する方法により本人であることの確認を受ける場合
二その他国土交通大臣が定めるところにより、技能証明申請者が電磁的方法により本人であることの確認を受ける場合
4第一項の場合において、代理人により申請書を提出するときは、その権限を証する書類を申請書に添付しなければならない。
5国土交通大臣は、第二項の規定により提出された書類の内容の確認又は第三項各号の確認をしたときは、その確認をした技能証明申請者ごとに確認番号を定め、これを当該技能証明申請者(第一項の申請を代理人により行う場合にあつては代理人)に通知するものとする。
6技能証明申請者(第二百三十六条の五十一の規定により学科試験の省略を受けようとする者を除く。)であつて、学科試験を受けようとするものは、前項の確認番号(以下この条において単に「確認番号」という。)を記載した学科試験申請書を国土交通大臣(指定試験機関の行う試験を申請する者にあつては、指定試験機関。次項から第九項までにおいて同じ。)に提出しなければならない。
7技能証明申請者(法第百三十二条の五十の規定により実地試験の免除又は第二百三十六条の五十二の規定により全部の科目に係る実地試験の省略を受けようとする者を除く。)であつて、学科試験に合格したものは、実地試験を受けようとするときは、確認番号を記載した実地試験申請書に、第二百三十六条の五十第三項の学科試験合格証明書(第二百三十六条の五十一第二項の規定により学科試験の省略を受けようとする者にあつては、法第百三十二条の四十一の技能証明書(同条に規定する無人航空機操縦者技能証明書をいう。以下この節において同じ。)の写し)を添付し、国土交通大臣に提出しなければならない。
8技能証明申請者であつて、身体検査を受けようとするもの(第二百三十六条の四十七第二項又は第三項の規定により書類の確認を受けようとするものを含む。)は、確認番号を記載した身体検査申請書に、次の各号に掲げる書類を添付し、国土交通大臣に提出しなければならない。
一第二百三十六条の四十七第二項の規定により身体検査の書類の確認を受けようとする者にあつては、医師により身体検査の申請前六月以内に受けた検査の結果を記載した第二十九号の十様式による無人航空機操縦者身体検査証明書
二第二百三十六条の四十七第三項の規定により身体検査の書類の確認を受けようとする者にあつては、第二百三十六条の五十第二項の身体検査合格証明書、航空身体検査証明書又は国土交通大臣がこれらと同等以上と認めるもの
9技能証明申請者であつて、第二百三十六条の五十第一項の規定により試験合格証明書の交付を申請しようとするものは、試験合格証明書交付申請書に次に掲げる書類を添えて、国土交通大臣に提出しなければならない。
一第二百三十六条の五十第二項の身体検査合格証明書の写し
二第二百三十六条の五十第三項の学科試験合格証明書の写し(第二百三十六条の五十一第二項の規定により学科試験の省略を受けようとする者にあつては、技能証明書の写し)
三第二百三十六条の五十第四項の実地試験合格証明書の写し(法第百三十二条の五十の規定により実地試験の免除を受けようとする者にあつては、登録講習機関の発行した修了証明書の写し、第二百三十六条の五十二の規定により全部の科目に係る実地試験の省略を受けようとする者にあつては、技能証明書の写し)
10技能証明申請者であつて、法第百三十二条の四十七第一項の試験に合格したものは、当該申請に係る学科試験の合格証明書について第二百三十六条の五十第三項の交付があつた日(第二百三十六条の五十一の規定により学科試験の省略を受けようとする者にあつては、当該試験の開始期日前に学科試験に合格した日)から二年以内に確認番号を記載した技能証明書交付申請書に次に掲げる書類を添えて、国土交通大臣に提出しなければならない。
一第二百三十六条の五十第一項の試験合格証明書
二無人航空機操縦者にあつては、技能証明書の写し

(技能証明書の様式)

第二百三十六条の三十九技能証明書の様式は、第二十九号の十一様式のとおりとする。

(技能証明の限定)

第二百三十六条の四十法第百三十二条の四十三第一項の無人航空機の種類は、次の各号に掲げるとおりとする。
一最大離陸重量二十五キログラム未満の回転翼航空機(ヘリコプター)
二回転翼航空機(ヘリコプター)
三最大離陸重量二十五キログラム未満の回転翼航空機(マルチローター)
四回転翼航空機(マルチローター)
五最大離陸重量二十五キログラム未満の飛行機
六飛行機
2法第百三十二条の四十三第一項の無人航空機の飛行の方法は、前項に規定する無人航空機の種類ごとに次の各号に掲げるとおりとする。
一法第百三十二条の八十六第二項第一号に掲げる方法
二法第百三十二条の八十六第二項第二号に掲げる方法
3法第百三十二条の四十三第一項の無人航空機の種類についての限定及び飛行の方法についての限定は、実地試験に使用される無人航空機及び当該実地試験における飛行の方法により行う。

(身体検査の有効期間)

第二百三十六条の四十一法第百三十二条の四十六第一項本文の国土交通省令で定める期間は、一年(第二百三十六条の四十七第三項の規定による場合にあつては、一年又は確認を受けた第二百三十六条の三十八第八項第二号に掲げる書類の有効期間のいずれか短い期間)とする。

(技能証明の拒否又は保留の基準)

第二百三十六条の四十二法第百三十二条の四十六第一項第一号又は第二号のいずれかに該当する者については、次に掲げる基準に従い、技能証明を行わず、又は六月以内において期間を定めて技能証明を保留することができる。
一法第百三十二条の四十六第一項第一号又は第二号のいずれかに該当する場合(次号の場合を除く。)には、技能証明を行わないものとする。
二六月以内に法第百三十二条の四十六第一項第一号及び第二号のいずれにも該当しないこととなる見込みがある場合には、技能証明を保留するものとする。
2法第百三十二条の四十六第一項第三号に該当する者については、次に掲げる基準に従い、技能証明を行わず、又は六月以内において期間を定めて技能証明を保留することができる。
一法第百三十二条の四十六第一項第三号に該当することを理由として同項ただし書の規定により技能証明を保留された者が重ねて同号に該当した場合には、同条第五項の規定による命令に違反したことについてやむを得ない理由がある場合を除き、技能証明を行わないものとする。
二法第百三十二条の四十六第一項第三号に該当する場合(前号に該当する場合を除く。)には、技能証明を保留するものとする。
3法第百三十二条の四十六第一項第四号又は第五号のいずれかに該当する者については、国土交通大臣が定める基準に従つて、技能証明を行わず、又は六月以内において期間を定めて技能証明を保留することができる。

(技能証明の拒否又は保留の事由となる病気等)

第二百三十六条の四十三法第百三十二条の四十六第一項第一号イの国土交通省令で定める精神病は、統合失調症(無人航空機の安全な操縦に必要な認知、予測、判断又は操作のいずれかに係る能力を欠くこととなるおそれがある症状を呈しないものを除く。以下同じ。)とする。
2法第百三十二条の四十六第一項第一号ロの国土交通省令で定める病気は、次に掲げるとおりとする。
一てんかん(発作が再発するおそれがないもの、発作が再発しても意識障害及び運動障害がもたらされないもの並びに発作が睡眠中に限り再発するものを除く。)
二再発性の失神(脳全体の虚血により一過性の意識障害をもたらす病気であつて、発作が再発するおそれがあるものをいう。)
三無自覚性の低血糖症(人為的に血糖を調節することができるものを除く。)
3法第百三十二条の四十六第一項第一号ハの国土交通省令で定める病気は、次に掲げるとおりとする。
一そう鬱病(そう病及び鬱病を含み、無人航空機の安全な操縦に必要な認知、予測、判断又は操作のいずれかに係る能力を欠くこととなるおそれがある症状を呈しないものを除く。)
二重度の眠気の症状を呈する睡眠障害
三介護保険法(平成九年法律第百二十三号)第五条の二第一項に規定する認知症(以下単に「認知症」という。)
四前三号に掲げるもののほか、無人航空機の安全な操縦に必要な認知、予測、判断又は操作のいずれかに係る能力を欠くこととなるおそれがある症状を呈する病気

(技能証明を与えた後における技能証明の取消し又は停止の基準)

第二百三十六条の四十四国土交通大臣は、技能証明を与えた後において、当該技能証明を受けた者が当該技能証明を受ける前に法第百三十二条の四十六第一項第四号又は第五号に該当していたことが判明したときは、次に掲げる基準に従い、その者の技能証明を取り消し、又は六月以内において期間を定めて技能証明の効力を停止することができる。
一技能証明を受けた者が第二百三十六条の四十二第三項の基準において技能証明を行わないこととされている者であつたときは、その者の技能証明を取り消すものとする。
二技能証明を受けた者が第二百三十六条の四十二第三項の国土交通大臣が定める基準において技能証明を保留することができることとされている者又は技能証明を保留することとされている者であつたときは、それぞれその者の技能証明の効力を停止することができ、又は停止するものとする。

(技能証明の保留に係る身体検査の受検等命令)

第二百三十六条の四十五法第百三十二条の四十六第五項の身体検査は、同条第一項第一号又は第二号に掲げる技能証明の保留の要件に関し専門的な知識を有すると国土交通大臣が認める医師の診断により、行うものとする。
2法第百三十二条の四十六第五項の国土交通省令で定める要件は、技能証明を保留された者のその理由とされる事由に関し専門的な知識を有する医師(認知症である者に該当して技能証明を保留された者にあつては、認知症に関し専門的な知識を有する医師又は当該事由に係る主治の医師)が作成した診断書であつて、法第百三十二条の四十六第一項第一号及び第二号に該当しないと認められるかどうかに関する当該医師の意見(認知症である者に該当して技能証明を保留された者にあつては、診断に係る検査の結果及び認知症に該当しないと認められるかどうかに関する当該医師の意見)が記載されているものであることとする。

(試験の期日等の公表)

第二百三十六条の四十六法第百三十二条の四十七第一項の試験(法第百三十二条の五十二第二項において準用する場合を含む。以下この節において「試験」という。)の期日及び場所並びに試験申請書の提出期限その他必要な事項は、国土交通大臣(指定試験機関の行う試験にあつては、指定試験機関。次条第二項から第四項まで及び第二百三十六条の五十において同じ。)がインターネットの利用その他の適切な方法により公表する。

(身体検査)

第二百三十六条の四十七身体検査は、別表第六の検査項目の欄に掲げる項目について行う。
2国土交通大臣は、身体検査を申請した者が、第二百三十六条の三十八第八項第一号に掲げる書類を提出した場合にあつては、当該書類の内容が別表第六に定める身体検査基準に該当することの書類の確認をもつて、その者に対する身体検査とすることができる。
3国土交通大臣は、次に掲げる場合には、認定により、書類の確認をもつて、その者に対する身体検査とすることができる。
一身体検査の各項目について基準に該当した者が身体検査を受けた日から一年以内に次に掲げる場合に応じ、それぞれ次に定める試験の申請をした場合
イ一等無人航空機操縦士試験(最大離陸重量二十五キログラム未満の回転翼航空機(ヘリコプター)、回転翼航空機(マルチローター)又は飛行機についての限定(以下「最大離陸重量二十五キログラム未満についての限定」という。)をしないもの(当該限定の変更をされるものを含む。)に限る。)の身体検査に合格した場合一等無人航空機操縦士試験及び二等無人航空機操縦士試験
ロ一等無人航空機操縦士試験(最大離陸重量二十五キログラム未満についての限定をされるものに限る。)又は二等無人航空機操縦士試験の身体検査に合格した場合一等無人航空機操縦士試験(最大離陸重量二十五キログラム未満についての限定をされるものに限る。)及び二等無人航空機操縦士試験
二第六十一条の二の航空身体検査証明書の有効期間内に試験の申請をした場合
三その他国土交通大臣が定める場合
4国土交通大臣は、身体検査を受ける者が別表第六に定める身体検査基準に該当するかどうかの判定に関し必要があると認めるときは、医師の診断書の提出を求めることができる。

(学科試験)

第二百三十六条の四十八学科試験は、資格の区分ごとに国土交通大臣が定める科目について行う。

(実地試験)

第二百三十六条の四十九実地試験は、資格の区分ごとに国土交通大臣が定める科目について行う。
2実地試験は、無人航空機の種類についての限定に応じ、国土交通大臣が告示で定める基準に適合する無人航空機を使用して行う。

(試験合格の通知等)

第二百三十六条の五十国土交通大臣は、試験に合格した者に対し、その者の申請があつたときは、試験合格証明書を交付する。
2国土交通大臣は、身体検査の各項目について合格基準に達した者に対し、身体検査合格証明書を交付する。
3国土交通大臣は、学科試験に合格した者に対し、学科試験合格証明書を交付する。
4国土交通大臣は、実地試験に合格した者に対し、実地試験合格証明書を交付する。

(学科試験の省略)

第二百三十六条の五十一一の試験について学科試験に合格した者が前条第三項の学科試験合格証明書を添えて第二百三十六条の三十八第九項の規定により試験合格証明書の交付を申請したときは、当該試験(学科試験に合格した試験が一等無人航空機操縦士試験である場合にあつては、一等無人航空機操縦士試験又は二等無人航空機操縦士試験、学科試験に合格した試験が二等無人航空機操縦士試験である場合にあつては、二等無人航空機操縦士試験)の学科試験は行わない。ただし、当該試験の開始期日前に学科試験に合格した日から起算して二年を経過する場合は、この限りでない。
2現に有する資格以外の資格の技能証明、技能証明の限定の変更を申請する者に対する学科試験にあつては、申請により、既得の技能証明に係る学科試験と同一のものであつて国土交通大臣が同等又はそれ以上と認めたものについては、これを行わない。

(実地試験の省略)

第二百三十六条の五十二現に有する資格以外の資格の技能証明、技能証明の限定の変更を申請する者に対する実地試験にあつては、申請により、既得の技能証明に係る実地試験の科目と同一のものであつて国土交通大臣が同等又はそれ以上と認めたものについては、これを行わない。

(臨時身体検査等)

第二百三十六条の五十三試験に合格した者が法第百三十二条の四十六第一項第一号又は第二号のいずれかに該当する者であり、又は技能証明を受けた者が法第百三十二条の五十三第一号から第三号までのいずれかに該当することとなつたと疑う理由がある場合における法第百三十二条の四十八第一項に規定する身体検査は、これらの規定に規定する処分の要件に関し専門的な知識を有すると国土交通大臣が認める医師の診断により、行うものとする。
2法第百三十二条の四十八第三項の国土交通省令で定める要件は、同条第二項の規定により通知を受けた者のその理由とされる事由に関し専門的な知識を有する医師(認知症である者であり、又は認知症である者に該当することとなつたと疑う理由があるとして同項の規定により通知を受けた者にあつては、認知症に関し専門的な知識を有する医師又は当該事由に係る主治の医師)が作成した診断書であつて、試験に合格した者が法第百三十二条の四十六第一項第一号又は第二号に該当する者でなく、又は技能証明を受けた者が法第百三十二条の五十三第一号から第三号までに該当しないと認められるかどうかに関する当該医師の意見(認知症である者であり、又は認知症である者に該当することとなつたと疑う理由があるとして法第百三十二条の四十八第二項の規定により通知を受けた者にあつては、診断に係る検査の結果及び認知症に該当しないと認められるかどうかに関する当該医師の意見)が記載されているものであることとする。

(登録講習機関の講習を修了した者に対する実地試験の免除)

第二百三十六条の五十四法第百三十二条の五十に規定する無人航空機講習(同条に規定する登録講習機関が行うものに限る。)を修了した者が当該登録講習機関の発行する修了証明書を添えて第二百三十六条の三十八第九項の規定により試験合格証明書の交付を申請したときは、次の表の上欄に掲げる登録講習機関の種類に応じ、それぞれ同表の下欄に定める試験の実地試験を免除する。ただし、当該試験の開始期日前に当該無人航空機講習を修了した日から起算して一年を経過する場合は、この限りではない。
一等無人航空機操縦士の講習を行う登録講習機関一等無人航空機操縦士試験又は二等無人航空機操縦士試験
二等無人航空機操縦士の講習を行う登録講習機関二等無人航空機操縦士試験

(技能証明書の有効期間の更新のための身体適性基準)

第二百三十六条の五十五法第百三十二条の五十一第三項の国土交通省令で定める身体適性に関する基準は、別表第六の身体検査基準(色覚に係る部分を除く。)とする。

(無人航空機更新講習)

第二百三十六条の五十六法第百三十二条の五十一第三項の無人航空機更新講習(同項に規定する登録更新講習機関が行うものに限る。以下「無人航空機更新講習」という。)は、次条第一項又は第二百三十六条の五十九第一項若しくは第二項の規定により技能証明の有効期間の更新の申請をする日以前三月以内に修了したものでなければならない。

(技能証明の有効期間の更新)

第二百三十六条の五十七法第百三十二条の五十一第三項の規定により技能証明の有効期間の更新を申請する者は、当該技能証明の有効期間が満了する日以前六月以内に技能証明更新申請書に次に掲げる書類を添えて、国土交通大臣に提出しなければならない。
一第二十九号の十二様式による無人航空機操縦者身体適正検査証明書(申請日以前三月以内に医師又は登録更新講習機関により受けた検査の結果を記載したものをいう。第二百三十六条の六十六第一項第一号において同じ。)、第二百三十六条の五十第二項の身体検査合格証明書(申請日以前一年以内に第二百三十六条の四十七の規定による身体検査を受け、交付されたものに限る。第二百三十六条の六十六第一項第一号において同じ。)、航空身体検査証明書又は国土交通大臣がこれらと同等以上と認めるもの
二無人航空機更新講習を修了したことを証明する書類
2登録更新講習機関は、前項第一号に規定する検査を行う場合においては、国土交通大臣が適当と認める職員に当該検査を担当させなければならず、かつ、必要があると認めるときは、医師の診断書の提出を求めなければならない。

(技能証明の有効期間の起算日の変更)

第二百三十六条の五十八二以上の種類についての限定をされた技能証明(前条第一項の規定によりその有効期間の更新を申請することができるものに限る。)の有効期間の更新を同時に申請する者は、申請により、当該二以上の種類についての限定をされた技能証明の有効期間が更新された場合における当該技能証明の有効期間の起算日のうち最も早く到来することとなる日を、これらの技能証明の有効期間の起算日とすることができる。
2国土交通大臣は、前項の規定による有効期間の起算日の変更に係る技能証明書の有効期間の更新をしたときは、技能証明書を書き換えて交付する。

(技能証明の更新期間前の更新)

第二百三十六条の五十九第二百三十六条の五十七第一項の規定にかかわらず、同項の規定により技能証明の有効期間の更新を申請することができる期間(以下この条において「更新期間」という。)の全期間を通じて本邦以外の地に滞在する者は、その事実を証明する書類を添えて、当該更新期間前に当該技能証明の有効期間の更新を申請することができる。
2第二百三十六条の五十七第一項の規定にかかわらず、二以上の種類についての限定をされた技能証明を受けた者であつて、当該二以上の種類についての限定をされた技能証明のうち同項の規定により有効期間の更新を申請することができるもの(第五項において「更新期間内証明」という。)の有効期間の更新を申請するものは、他の技能証明についての更新期間前の更新の申請を同時にすることができる。
3国土交通大臣は、前二項の規定による更新期間前の更新の申請により技能証明の有効期間の更新をしたときは、技能証明書を書き換えて交付する。
4第一項の規定により更新期間前に有効期間の更新がされた技能証明の有効期間の起算日は、前項の規定により技能証明書が交付された日とする。
5第二項の規定により更新期間前に有効期間の更新がされた技能証明及び更新期間内証明の有効期間の起算日は、第三項の規定により技能証明が交付された日とする。

(技能証明の限定の変更)

第二百三十六条の六十法第百三十二条の五十二第一項の規定による技能証明の限定の変更を申請しようとする者は、技能証明限定変更申請書を国土交通大臣に提出しなければならない。
2第二百三十六条の三十八第六項から第十項までの規定は、前項の申請について準用する。

(技能証明の取消し又は停止の基準)

第二百三十六条の六十一国土交通大臣は、技能証明を受けた者が法第百三十二条の五十三第一号に該当するときは、次に掲げる基準に従い、その技能証明を取り消し、又は一年以内において期間を定めてその技能証明の効力を停止することができる。
一法第百三十二条の五十三第一号に該当することとなつた場合(次号の場合を除く。)には、技能証明を取り消すものとする。
二六月以内に法第百三十二条の五十三第一号に掲げる病気にかかつている者に該当しないこととなる見込みがある場合には、技能証明の効力を停止するものとする。
2国土交通大臣は、技能証明を受けた者が法第百三十二条の五十三第二号に該当するときは、次に掲げる基準に従い、その技能証明を取り消し、又は一年以内において期間を定めてその技能証明の効力を停止することができる。
一法第百三十二条の五十三第二号に該当することとなつた場合(次号の場合を除く。)には、技能証明を取り消すものとする。
二次条第四項第三号に掲げる身体の障害が生じているが、法第百三十二条の四十四第一項の規定により条件を付し、又はこれを変更することにより、六月以内に当該障害が無人航空機の安全な操縦に支障を及ぼすおそれがなくなる見込みがある場合には、技能証明の効力を停止するものとする。
3国土交通大臣は、技能証明を受けた者が法第百三十二条の五十三第三号に該当するときは、次に掲げる基準に従い、その技能証明を取り消し、又は一年以内において期間を定めてその技能証明の効力を停止することができる。
一法第百三十二条の五十三第三号に該当することとなつた場合(次号の場合を除く。)には、技能証明を取り消すものとする。
二六月以内に法第百三十二条の五十三第三号の中毒者に該当しないこととなる見込みがある場合には、技能証明の効力を停止するものとする。
4国土交通大臣は、技能証明を受けた者が法第百三十二条の五十三第四号又は第五号のいずれかに該当するときは、国土交通大臣が定める基準に従い、その技能証明を取り消し、又は一年以内において期間を定めてその技能証明の効力を停止することができる。

(技能証明の取消し又は効力の停止の事由となる病気等)

第二百三十六条の六十二法第百三十二条の五十三第一号イの国土交通省令で定める精神病は、統合失調症とする。
2法第百三十二条の五十三第一号ロの国土交通省令で定める病気は、第二百三十六条の四十三第二項各号に掲げるものとする。
3法第百三十二条の五十三第一号ハの国土交通省令で定める病気は、第二百三十六条の四十三第三項各号に掲げるものとする。
4法第百三十二条の五十三第二号の国土交通省令で定める身体の障害は、次に掲げるとおりとする。
一目が見えないもの
二四肢の全部を失つたもの又は四肢の用を全廃したもの
三前二号に掲げるもののほか、無人航空機の安全な操縦に必要な認知又は操作のいずれかに係る能力を欠くこととなるもの(法第百三十二条の四十四第一項の規定により条件を付し、又はこれを変更することにより、その能力が回復することが明らかであるものを除く。)

(技能証明の取消し等の通知)

第二百三十六条の六十三国土交通大臣は、法第百三十二条の五十三の規定による処分をしたときは、その旨及び事由を当該処分を受けた無人航空機操縦者に通知する。

(技能証明書失効再交付のための身体適性基準)

第二百三十六条の六十四技能証明書が効力を失つた場合における技能証明書の再交付を申請する者(以下「技能証明書失効再交付申請者」という。)は、第二百三十六条の五十五に規定する身体適性に関する基準を満たしていなければならない。

(技能証明書失効再交付講習)

第二百三十六条の六十五技能証明書失効再交付申請者は、技能証明書の効力が失われた場合の知識及び経験の不足を補うための講習(以下「技能証明書失効再交付講習」という。)であつて国土交通大臣が定める基準に従つて登録更新講習機関が行うものの課程を、次条の規定により技能証明書の再交付の申請をする日以前三月以内に修了していなければならない。

(技能証明書の失効再交付)

第二百三十六条の六十六技能証明書失効再交付申請者は、技能証明再交付申請書に次に掲げる書類を添えて、国土交通大臣に提出しなければならない。
一第二十九号の十二様式による無人航空機操縦者身体適正検査証明書、第二百三十六条の五十第二項の身体検査合格証明書、航空身体検査証明書又は国土交通大臣がこれらと同等以上と認めるもの
二技能証明失効再交付講習の課程を修了したことを証明する書類
2登録更新講習機関は、前項第一号に規定する検査を行う場合においては、国土交通大臣が適当と認める職員に当該検査を担当させなければならず、かつ、必要があると認めるときは、医師の診断書の提出を求めなければならない。

(技能証明書の滅失等再交付)

第二百三十六条の六十七無人航空機操縦者は、その有する技能証明書を滅失し、毀損し、又は住所若しくは氏名を変更したため再交付を申請しようとするときは、技能証明書再交付申請書を国土交通大臣に提出しなければならない。
2前項の申請書には、写真一葉及び次に掲げる書類を添付しなければならない。
一技能証明書(滅失した場合を除く。)
二第二百三十六条の三第二項第一号イ又はロに掲げる書類のいずれか(住所又は氏名を変更した場合に限る。)
三失つた事由及び日時(失つた日から三十日以内に再交付を申請する場合に限る。)
3国土交通大臣は、第一項の申請が正当であると認めるときは、技能証明書を再交付する。

(技能証明書の返納)

第二百三十六条の六十八無人航空機操縦者は、次に掲げる場合には、速やかに、その事由を記載した書面を添えて、その有する技能証明書(第四号の場合には、発見した技能証明書)を国土交通大臣に返納しなければならない。
一法第百三十二条の五十一第二項の規定による技能証明の有効期間の更新を行わず、技能証明の効力が失われたとき。
二法第百三十二条の五十三の規定により技能証明を取り消されたとき。
三前二号のほか、技能証明の効力が失われたとき。
四前条第三項の規定により技能証明書の再交付を受けた後又は第二百三十八条の規定により届出をした後、失つた技能証明書を発見したとき。
2無人航空機操縦者は、次に掲げる場合には、交付を受ける技能証明書と引換えに、その有する技能証明書を国土交通大臣に返納しなければならない。
一現に有する資格以外の資格の技能証明を受けたとき、又は限定がなされた技能証明を受けた者が同一の資格についての限定の変更がなされた技能証明を受けたとき。
二第二百三十六条の五十七第一項の規定により技能証明書の有効期間の更新を行うとき。
三第二百三十六条の五十八第二項又は第二百三十六条の五十九第三項の規定により技能証明書の交付を受けるとき。
3無人航空機操縦者が死亡し、又は失踪の宣言を受けたときは、技能証明書を保管する者は、第一項の手続をしなければならない。

(無効の公表)

第二百三十六条の六十九国土交通大臣は、技能証明書について第二百三十八条の失つた旨の届出があつたとき、第二百三十六条の六十七の再交付の申請(失つたことによるものに限る。)があつたとき又は前条(第一項第四号を除く。)の規定により返納しなければならない場合に返納されなかつたときは、その無効であることをインターネットの利用その他の適切な方法により公表する。

第四節 無人航空機の飛行

(立入管理措置)

第二百三十六条の七十法第百三十二条の八十五第一項の国土交通省令で定める措置は、補助者の配置、立入りを制限する区画の設定その他の適切な措置とする。

(飛行の禁止空域)

第二百三十六条の七十一法第百三十二条の八十五第一項第一号の国土交通省令で定める空域は、次のとおりとする。
一航空機の離陸及び着陸が頻繁に実施される空港等で安全かつ円滑な航空交通の確保を図る必要があるものとして国土交通大臣が告示で定めるものの周辺の空域であつて、当該空港等及びその上空の空域における航空交通の安全を確保するために必要なものとして国土交通大臣が告示で定める空域
二前号に掲げる空港等以外の空港等の周辺の空域であつて、進入表面、転移表面若しくは水平表面又は法第五十六条第一項の規定により国土交通大臣が指定した延長進入表面、円錐表面若しくは外側水平表面の上空の空域
三法第三十八条第一項の規定が適用されない飛行場(自衛隊の設置する飛行場を除く。以下同じ。)の周辺の空域であつて、航空機の離陸及び着陸の安全を確保するために必要なものとして国土交通大臣が告示で定める空域
四国土交通省、防衛省、警察庁、都道府県警察又は地方公共団体の消防機関その他の関係機関の使用する航空機のうち捜索、救助その他の緊急用務を行う航空機の飛行の安全を確保する必要があるものとして国土交通大臣が指定する空域(以下「緊急用務空域」という。)
五前四号に掲げる空域以外の空域であつて、地表又は水面から百五十メートル以上の高さの空域(地上又は水上の物件から三十メートル以内の空域を除く。)
2国土交通大臣は、前項第四号の規定による指定をしたときは、インターネットの利用その他の適切な方法により、その旨及び当該指定に係る緊急用務空域を公示しなければならない。
3前項の規定は、第一項第四号の規定による指定の変更又は解除について準用する。
4無人航空機を飛行させる者は、その飛行を開始する前に、当該無人航空機を飛行させる空域が緊急用務空域に該当するか否かの別を確認しなければならない。
第二百三十六条の七十二法第百三十二条の八十五第一項第二号の国土交通省令で定める人又は家屋の密集している地域は、国土交通大臣が告示で定める年の国勢調査の結果による人口集中地区(地上及び水上の人及び物件の安全が損なわれるおそれがないものとして国土交通大臣が告示で定める区域を除く。)とする。

(国土交通省令で定める総重量)

第二百三十六条の七十三法第百三十二条の八十五第二項及び第三項並びに法第百三十二条の八十六第三項及び第四項の国土交通省令で定める総重量は、二十五キログラムとする。

(飛行禁止空域における飛行の許可)

第二百三十六条の七十四法第百三十二条の八十五第二項又は第四項第二号の許可を受けようとする者は、次に掲げる事項を記載した申請書を国土交通大臣に提出しなければならない。
一氏名、住所及び電話番号、電子メールアドレスその他の連絡先
二無人航空機の登録記号(第二百三十六条第一項第一号又は第二号の規定による届出をして無人航空機を飛行させる場合にあつては、同条第四項の届出番号。以下同じ。)
三飛行の目的、日時、経路及び高度
四飛行禁止空域を飛行させる理由
五無人航空機の機体認証書番号(法第百三十二条の八十五第四項第二号の許可を受けようとする者にあつては、無人航空機の機体認証書番号又は無人航空機の機能及び性能に関する事項)
六無人航空機を飛行させる者の無人航空機操縦者技能証明書番号(法第百三十二条の八十五第四項第二号の許可を受けようとする者にあつては、無人航空機を飛行させる者の無人航空機操縦者技能証明書番号又は無人航空機の飛行経歴並びに無人航空機を飛行させるために必要な知識及び能力に関する事項)
七無人航空機を飛行させる際の安全を確保するために必要な体制に関する事項
八飛行させる飛行禁止空域に応じたリスクの分析及び評価の結果を踏まえて講ずる措置に関する事項(法第百三十二条の八十五第二項の許可を受けようとする場合に限る。)
九その他参考となる事項

(安全を確保するために必要な措置)

第二百三十六条の七十五法第百三十二条の八十五第三項及び法第百三十二条の八十六第四項の国土交通省令で定める措置は、無人航空機を安全に飛行させるために必要な事項を記載した規程の作成及び当該規程の遵守とする。
2前項の規程は、次に掲げる事項を記載したものとする。
一使用する無人航空機の定期的な点検及び整備に関する事項
二無人航空機を飛行させる者の技能の維持に関する事項
三当該無人航空機が飛行に支障がないことその他飛行に必要な準備が整つていることの確認に関する事項
四無人航空機を飛行させる者及び補助者の役割分担その他無人航空機の飛行に係る安全管理体制に関する事項
五無人航空機の事故等が発生した場合における連絡体制の整備その他必要な措置に関する事項
六その他飛行の特性に応じた措置に関する事項

(法第百三十二条の八十五第一項から第三項までの規定を適用しない無人航空機の飛行)

第二百三十六条の七十六法第百三十二条の八十五第四項第一号の国土交通省令で定める飛行は、次に掲げる要件のいずれにも該当する飛行とする。
一同条第一項第二号に掲げる空域において行うものであること
二十分な強度を有する紐等(長さが三十メートル以下のものに限る。)で係留することにより無人航空機の飛行の範囲を制限した上で行うものであること
三前号の範囲内に地上又は水上の物件が存しない場合に行うものであること
四補助者の配置その他の第二号の範囲内において無人航空機を飛行させる者及びこれを補助する者以外の者の立入りを管理する措置を講じて行うものであること

(飛行の方法)

第二百三十六条の七十七法第百三十二条の八十六第一項第二号の規定により無人航空機を飛行させる者が確認しなければならない事項は、次に掲げるものとする。
一当該無人航空機の状況
二当該無人航空機を飛行させる空域及びその周囲の状況
三当該飛行に必要な気象情報
四燃料の搭載量又はバッテリーの残量
五リモートID機能の作動状況(第二百三十六条の六第二項各号に該当する飛行を行う場合を除く。)
2無人航空機を飛行させる者は、前項第一号及び第五号に掲げる事項を確認する場合において、当該無人航空機(当該無人航空機にリモートID機能を有する機器を装備する場合にあつては、当該機器を含む。)の外部点検及び作動点検を行わなければならない。
第二百三十六条の七十八法第百三十二条の八十六第一項第三号の国土交通省令で定める方法は、次の各号に掲げる方法とする。
一無人航空機の飛行経路上及びその周辺の空域において飛行中の航空機を確認した場合であつて、衝突のおそれがあると認められるときは、無人航空機を地上に降下させることその他適当な方法を講じること。
二無人航空機の飛行経路上及びその周辺の空域において飛行中の他の無人航空機を確認したときは、次に掲げる方法により飛行させること。ただし、重要施設の周辺地域の上空における小型無人機等の飛行の禁止に関する法律第十一条第二項(第三項及び第五項において準用する場合を含む。)の規定による措置その他法令に基づいて国又は地方公共団体が人又は物件に対する危険を防止するためやむを得ずに行う措置については、この限りでない。
イ当該他の無人航空機との間に安全な間隔を確保して飛行させること。
ロイの方法によることができない場合であつて、衝突のおそれがあると認められるときは、無人航空機を地上に降下させることその他適当な方法を講じること。
第二百三十六条の七十九法第百三十二条の八十六第二項第三号の国土交通省令で定める距離は、三十メートルとする。
第二百三十六条の八十第百九十四条第一項の規定は、法第百三十二条の八十六第二項第五号の国土交通省令で定める物件について準用する。この場合において、第百九十四条第一項第八号中「航空機」とあるのは、「無人航空機」と読み替えるものとする。
2前項の規定にかかわらず、無人航空機の飛行のため当該無人航空機で輸送する物件は、法第百三十二条の八十六第二項第五号の国土交通省令で定める物件に含まれないものとする。

(飛行の方法によらない飛行の承認)

第二百三十六条の八十一法第百三十二条の八十六第三項又は第五項第二号の承認を受けようとする者は、次に掲げる事項を記載した申請書を国土交通大臣に提出しなければならない。
一氏名、住所及び電話番号、電子メールアドレスその他の連絡先
二無人航空機の登録記号
三飛行の目的、日時、経路及び高度
四法第百三十二条の八十六第二項各号に掲げる方法によらずに飛行させる理由
五無人航空機の機体認証書番号(法第百三十二条の八十六第五項第二号の承認を受けようとする者にあつては、無人航空機の機体認証書番号又は無人航空機の機能及び性能に関する事項)
六無人航空機を飛行させる者の無人航空機操縦者技能証明書番号(法第百三十二条の八十六第五項第二号の承認を受けようとする者にあつては、無人航空機を飛行させる者の無人航空機操縦者技能証明書番号又は無人航空機の飛行経歴並びに無人航空機を飛行させるために必要な知識及び能力に関する事項)
七無人航空機を飛行させる際の安全を確保するために必要な体制に関する事項
八飛行の方法に応じたリスクの分析及び評価の結果を踏まえて講ずる措置に関する事項(法第百三十二条の八十六第三項の承認を受けようとする場合に限る。)
九その他参考となる事項

(法第百三十二条の八十六第二項から第四項までの規定を適用しない無人航空機の飛行)

第二百三十六条の八十二法第百三十二条の八十六第五項第一号の国土交通省令で定める場合は、同条第二項第四号及び第五号に掲げる方法による飛行であつて、第二百三十六条の七十六第二号から第四号までに掲げる要件のいずれにも該当する飛行を行う場合とする。

(無人航空機の飛行計画等)

第二百三十六条の八十三法第百三十二条の八十八第一項本文の国土交通省令で定める事項は、次の各号に掲げる事項とする。
一無人航空機の登録記号及び種類
二無人航空機の型式(型式認証を受けた型式の無人航空機に限る。以下同じ。)
三無人航空機を飛行させる者の氏名
四無人航空機を飛行させる者の無人航空機操縦者技能証明書番号(無人航空機操縦者技能証明書の交付を受けている場合に限る。以下同じ。)
五許可又は承認(法第百三十二条の八十五第二項若しくは第四項第二号の許可又は法第百三十二条の八十六第三項若しくは第五項第二号の承認をいう。以下同じ。)の番号(許可又は承認を受けている場合に限る。)
六飛行の目的、高度及び速度
七飛行させる飛行禁止空域及び飛行の方法
八出発地
九目的地
十目的地に到着するまでの所要時間
十一立入管理措置の有無及びその内容
十二無人航空機の事故等により支払うことのある損害賠償のための保険契約の有無及びその内容
十三その他参考となる事項
2法第百三十二条の八十八第一項の規定による通報は、電磁的方法により行うものとする。
3法第百三十二条の八十八第一項の規定により通報した飛行計画を変更する場合には、第一項各号に掲げる事項のうち、無人航空機の登録記号及び変更しようとする事項を通報すれば足りる。
4法第百三十二条の八十八第一項ただし書の規定により特定飛行を開始した後に飛行計画を通報する場合は、当該特定飛行の開始後速やかに通報しなければならない。
5法第百三十二条の八十八第一項ただし書の国土交通省令で定める場合は、飛行計画に係るシステムに障害が発生したことにより、飛行を開始するまでの間において飛行計画を通報する手段のない場合とする。

(飛行日誌)

第二百三十六条の八十四法第百三十二条の八十九第一項の規定により無人航空機を飛行させる者が備えなければならない飛行日誌は、飛行記録、日常点検記録及び点検整備記録とする。
2法第百三十二条の八十九第二項の規定により飛行日誌に記載すべき事項は、次のとおりとする。
一飛行記録
イ無人航空機の登録記号、種類及び型式
ロ無人航空機の型式認証書番号(型式認証を受けた型式の無人航空機に限る。)
ハ機体認証の区分及び機体認証書番号(機体認証を受けた無人航空機に限る。)
ニ無人航空機の製造者及び製造番号
ホ無人航空機の飛行に関する次の記録
(1)飛行年月日
(2)飛行させた者の氏名及び無人航空機操縦者技能証明書番号
(3)飛行の目的及び経路
(4)飛行させた飛行禁止空域及び飛行の方法
(5)離陸場所及び離陸時刻
(6)着陸場所及び着陸時刻
(7)飛行時間
(8)製造後の総飛行時間
(9)飛行の安全に影響のあつた事項の有無及びその内容
ヘ不具合及びその対応に関する次の記録
(1)不具合の発生年月日及びその内容
(2)対応を行つた年月日及びその内容並びに確認を行つた者の氏名
二日常点検記録
イ前号イからニまでに掲げる事項
ロ日常点検に関する次の記録
(1)実施の年月日及び場所
(2)実施者の氏名
(3)点検項目ごとの日常点検の結果
(4)その他特記事項
三点検整備記録
イ第一号イからニまでに掲げる事項
ロ点検、修理、改造又は整備に関する次の記録
(1)実施の年月日及び場所
(2)実施者の氏名
(3)点検、修理、改造及び整備の内容(部品を交換した場合にあつては、当該交換部品名を含む。)
(4)実施の理由
(5)最近の機体認証後の総飛行時間
(6)その他特記事項

(無人航空機の事故に関する報告)

第二百三十六条の八十五法第百三十二条の九十第二項の国土交通省令で定める事項は、次に掲げる事項とする。
一無人航空機を飛行させた者の氏名及び所属する会社その他の団体がある場合にあつてはその名称
二無人航空機を飛行させた者の住所(所属する会社その他の団体がある場合にあつてはその所在地。第二百三十六条の八十七第二号において同じ。)
三無人航空機を飛行させた者の無人航空機操縦者技能証明書番号
四許可又は承認を受けた年月日及び当該許可又は承認の番号(許可又は承認を受けている場合に限る。第二百三十六条の八十七第五号において同じ。)
五無人航空機の登録記号、型式、製造者及び製造番号
六無人航空機の機体認証書番号(機体認証を受けた無人航空機に限る。第二百三十六条の八十七第七号において同じ。)
七無人航空機の使用者の氏名又は名称
八出発地及び到着予定地
九飛行の目的及び概要
十事故の概要
十一人の死傷又は物件の損壊概要
十二無人航空機の損壊概要(無人航空機が損壊した場合に限る。第二百三十六条の八十七第十三号において同じ。)
十三その他参考となる事項

(無人航空機の事故が発生するおそれがあると認められる事態の報告)

第二百三十六条の八十六法第百三十二条の九十一の国土交通省令で定める事態は、次に掲げる事態とする。
一無人航空機による人の負傷(法第百三十二条の九十第一項第一号に掲げる人の死傷を除く。次条第十二号において同じ。)
二無人航空機の制御が不能となつた事態
三無人航空機が発火した事態(飛行中に発生したものに限る。)
第二百三十六条の八十七法第百三十二条の九十一の規定により、無人航空機を飛行させる者は、次に掲げる事項を国土交通大臣に報告しなければならない。
一無人航空機を飛行させた者の氏名及び所属する会社その他の団体がある場合にあつてはその名称
二無人航空機を飛行させた者の住所
三無人航空機を飛行させた者の無人航空機操縦者技能証明書番号
四報告に係る事態が発生した日時及び場所
五許可又は承認を受けた年月日及び当該許可又は承認の番号
六無人航空機の登録記号、型式、製造者及び製造番号
七無人航空機の機体認証書番号
八無人航空機の使用者の氏名又は名称
九出発地及び到着予定地
十飛行の目的及び概要
十一報告に係る事態の概要
十二人の負傷の概要(前条第一号に掲げる事態の場合に限る。)
十三無人航空機の損壊概要
十四その他参考となる事項

(捜索又は救助のための特例)

第二百三十六条の八十八法第百三十二条の九十二の国土交通省令で定める者は、国若しくは地方公共団体又はこれらの者の依頼により捜索若しくは救助を行う者とする。
第二百三十六条の八十九法第百三十二条の九十二の国土交通省令で定める目的は、捜索又は救助とする。

第十二章 雑則

(航空運送代理店業の届出)

第二百三十七条法第百三十三条第一項の規定により、航空運送代理店業の経営の届出をしようとする者は、次に掲げる事項を記載した航空運送代理店業経営届出書に代理店契約書を添えて国土交通大臣に提出しなければならない。
一氏名及び住所
二届出をする者が法人であるときは代表者及び役員の氏名
三当該代理店契約の相手方の氏名及び住所
四事務所又は営業所の名称及び所在地
五当該代理店契約の概要
六届出をする者が現に経営している事業があるときはその概要
七営業開始の予定期日
2法第百三十三条第一項後段の規定により、前項各号に掲げる事業の変更の届出をしようとする者は、次に掲げる事項を記載した航空運送代理店業変更届出書を国土交通大臣に提出しなければならない。
一氏名及び住所
二当該代理店契約の相手方の住所及び氏名
三変更しようとする事項及びその理由
四変更の予定期日
3法第百三十三条第二項の規定により、航空運送代理店業の廃止の届出をしようとする者は、次に掲げる事項を記載した航空運送代理店業廃止届出書を国土交通大臣に提出しなければならない。
一氏名及び住所
二当該代理店契約の相手方の住所及び氏名
三廃止を必要とした理由
四廃止の日

(届出)

第二百三十八条次の表の上欄に掲げる者は、同表中欄に掲げる場合に該当することとなつたときには、遅滞なく(耐空検査員又は操縦技能審査員が耐空検査員の証又は操縦技能審査員の証を失つた場合にあつては十日以内に、航空従事者若しくは操縦練習生又は無人航空機操縦者技能証明を受けた者が技能証明書若しくは航空身体検査証明書、航空機操縦練習許可書又は無人航空機操縦者技能証明書を失つた場合にあつては三十日以内に、航空保安無線施設又は航空灯火の設置者が当該施設の運用時間を変更しようとする場合にあつてはその十日前までに)、同表下欄に掲げる事項、氏名又は名称、住所その他必要な事項を付記してその旨を国土交通大臣に届け出なければならない。
届出義務者届出を行う場合付記事項
一 耐空検査員耐空検査員の証を失つた場合(十日以内に第十六条の九の規定により再交付を申請する場合を除く。)失つた事由及び日時
手数料を設定し、又は変更した場合一 認定番号二 設定し、又は変更した手数料の種類及び額
二 指定航空従事者養成施設又は法第七十八条第四項において準用する法第二十九条第四項の規定による運航管理者の養成施設の設置者教育規程を変更した場合(当該変更について第五十条の十第一項の規定による承認を受けた場合を除く。) 
二の二 航空身体検査指定機関の設置者身体検査の一部を他の医療機関等に実施させることとした場合又は当該他の医療機関等を変更した場合一 実施させることとした期日又は当該他の医療機関等を変更した期日二 当該他の医療機関等の氏名又は名称及び住所
二の三 指定航空英語能力判定航空運送事業者判定規程を変更した場合 
三 航空従事者又は操縦練習生技能証明書若しくは航空身体検査証明書又は航空機操縦練習許可書を失つた場合(三十日以内に第七十一条の規定により、再交付を申請する場合を除く。)失つた事由及び日時
四 航空従事者又は操縦練習生の同居の親族航空従事者又は操縦練習生が死亡し、又は失踪そうの宣告を受けた場合であつて、その技能証明書又は航空機操縦練習許可書を失つているとき 
五 空港等の設置者空港等の管理の委託及び受託があつた場合一 委託及び受託があつた期日二 相手方の氏名又は名称及び住所
 空港等について第八十五条に掲げる変更以外の変更を加えた場合変更を加えた期日
 氏名又は住所に変更があつた場合変更があつた期日
 法人又は組合にあつては、その名称、主たる事務所の所在地、役員若しくは社員又は定款若しくは規約に変更があつた場合変更があつた期日
六 航空保安無線施設の設置者航空保安無線施設の管理の委託及び受託があつた場合一 委託及び受託があつた期日二 相手方の氏名又は名称及び住所
航空保安無線施設について第百二条に掲げる変更以外の変更(運用時間の変更を除く。)を加えた場合変更を加えた期日
航空保安無線施設の運用時間を変更しようとする場合一 変更後の運用時間二 実施予定の期日
氏名又は住所に変更があつた場合変更があつた期日
法人又は組合にあつては、その名称、主たる事務所の所在地、役員若しくは社員又は定款若しくは規約に変更があつた場合変更があつた期日
七 航空障害灯の設置者法第五十一条第一項又は第二項の規定により航空障害灯を設置した場合一 設置した期日二 設置した物件の所在地並びにその緯度及び経度三 設置した物件の種類、高さ及び海抜高四 設置位置、種類及び数量を記入した図面
八 航空灯火の設置者航空灯火の管理の委託及び受託があつた場合一 委託及び受託があつた期日二 相手方の氏名又は名称及び住所
 航空灯火について第百二十条に掲げる変更以外の変更(運用時間の変更を除く。)を加えた場合変更を加えた期日
 航空灯火の運用時間を変更しようとする場合一 変更後の運用時間二 実施予定の期日
 氏名又は住所に変更があつた場合変更があつた期日
 法人又は組合にあつては、その名称、主たる事務所の所在地、役員若しくは社員又は定款若しくは規約に変更があつた場合変更があつた期日
九 昼間障害標識の設置者法第五十一条の二第一項の規定により昼間障害標識を設置した場合一 設置した期日二 設置した物件の所在地並びにその緯度及び経度三 設置した物件の種類、高さ及び海抜高四 設置の方法を記入した図面
十 操縦技能審査員操縦技能審査員の証を失つた場合(十日以内に第百六十二条の九の規定により再交付を申請する場合を除く。)失つた事由及び日時
十一 指定本邦航空運送事業者第百六十四条の四第二項の訓練及び審査規程を変更した場合(当該変更について第百六十四条の十四第一項の規定による承認を受けた場合を除く。)
十二 本邦航空運送事業者又は航空機使用事業者氏名若しくは名称又は住所に変更があつた場合変更があつた期日
十三 無人航空機操縦者技能証明を申請した者(第二百三十六条の六十第二項において準用する場合を含む。)氏名、住所、電話番号又は電子メールアドレスに変更があつた場合変更があつた期日
代理人を変更した場合一 代理人を変更した期日二 代理人の権限を証する書面
十四 無人航空機操縦者技能証明を受けた者無人航空機操縦者技能証明書を失つた場合(三十日以内に第二百三十六条の六十七第一項の規定により、再交付を申請する場合を除く。)失つた事由及び日時

(模擬飛行装置等の認定)

第二百三十八条の二第百五十八条第三項に規定する模擬飛行装置並びに第百五十九条第二項、第百六十条第二項、第百六十一条第二項、第百六十二条の十四第三項、第百六十四条第三項(第百六十四条の二第二項、第百六十四条の三及び第百六十四条の六第二項において準用する場合を含む。)、第百六十四条の十第四項(第百六十四条の十一第二項及び第百六十四条の十二第二項において準用する場合を含む。)及び別表第二に規定する模擬飛行装置及び飛行訓練装置は、国土交通大臣の認定を受けたものでなければならない。
第二百三十九条削除

(飛行に影響を及ぼすおそれのある行為)

第二百三十九条の二法第百三十四条の三第一項の航空機の飛行に影響を及ぼすおそれのある行為で国土交通省令で定めるものは、次の各号に掲げる行為とする。
一ロケット、花火、ロックーンその他の物件を法第百三十四条の三第一項の空域(当該空域が管制圏又は情報圏である場合にあつては、次に掲げる空域に限る。)に打ち上げること(捜索、救助その他の緊急性がある場合におけるものを除く。)。
イ進入表面、転移表面若しくは水平表面又は法第五十六条第一項の規定により国土交通大臣が指定した延長進入表面、円錐表面若しくは外側水平表面の上空の空域
ロ法第三十八条第一項の規定が適用されない飛行場の周辺の空域であつて、航空機の離陸及び着陸の安全を確保するために必要なものとして国土交通大臣が告示で定める空域
ハ緊急用務空域
ニイからハまでに掲げる空域以外の空域であつて、地表又は水面から百五十メートル以上の高さの空域
二気球(玩具用のもの及びこれに類する構造のものを除く。)を前号の空域に放し、又は浮揚させること。
三凧を第一号の空域に揚げること。
四模型航空機(無人航空機を除く。次条において同じ。)を第一号の空域で飛行させること。
五可視光線であるレーザー光を第一号の空域を飛行する航空機に向かつて照射すること。
六航空機の集団飛行を第一号の空域で行うこと。
七ハンググライダー又はパラグライダーの飛行を第一号の空域で行うこと。
2法第百三十四条の三第一項ただし書の許可を受けようとする者は、次に掲げる事項を記載した申請書を国土交通大臣に提出しなければならない。
一氏名、住所及び連絡場所
二当該行為を行う目的
三当該行為の内容並びに当該行為を行う日時及び場所
四その他参考となる事項
第二百三十九条の三法第百三十四条の三第二項の航空機の飛行に影響を及ぼすおそれのある行為で国土交通省令で定めるものは、次の各号に掲げる行為とする。
一ロケット、花火、ロックーンその他の物件を法第百三十四条の三第二項の空域のうち次に掲げる空域に打ち上げること(捜索、救助その他の緊急性がある場合におけるものを除く。)。
イ進入表面、転移表面若しくは水平表面又は法第五十六条第一項の規定により国土交通大臣が指定した延長進入表面、円錐表面若しくは外側水平表面の上空の空域
ロ法第三十八条第一項の規定が適用されない飛行場の周辺の空域であつて、航空機の離陸及び着陸の安全を確保するために必要なものとして国土交通大臣が告示で定める空域
ハ緊急用務空域
ニイからハまでに掲げる空域以外の空域であつて、航空路内の地表又は水面から百五十メートル以上の高さの空域
ホイからニまでに掲げる空域以外の空域であつて、地表又は水面から二百五十メートル以上の高さの空域
二気球(玩具用のもの及びこれに類する構造のものを除く。)を前号の空域に放し、又は浮揚させること。
三凧を第一号の空域に揚げること。
四模型航空機を第一号の空域で飛行させること。
五航空機の集団飛行を第一号の空域で行うこと。
六ハンググライダー又はパラグライダーの飛行を第一号イからハまでの空域で行うこと。
2前項の行為を行おうとする者は、あらかじめ、前条第二項第一号、第三号及び第四号に掲げる事項を国土交通大臣に通報しなければならない。
第二百三十九条の四法第百三十四条の三第三項の国土交通省令で定めるものは、次に掲げるものとする。
一無人航空機に向かつて花火を打ち上げ、又は石、ガラス瓶、金属片その他無人航空機を損傷するおそれのある物件を投げ、若しくは発射すること。
二無人航空機の飛行を妨害するおそれのある電波を発射すること。
三無人航空機の遠隔操作又は自動操縦を妨げること。

(OCRに用いる申請書等)

第二百三十九条の五この省令に規定する申請書又は申込書のうちOCRに用いるもの(以下この条及び次条において「OCR申請書等」という。)は、その紙質、印刷等について国土交通大臣の定める基準に適合するものでなければならない。
2OCR申請書等は、折損し、又は汚損したものであつてはならない。
3OCR申請書等の記載方法は、告示で定める。

(OCR申請書等による申請等に係る手数料の納付方法)

第二百三十九条の六OCR申請書等による申請又は申込みに係る手数料は、当該手数料の額に相当する額の収入印紙を納付書(第三十一号様式)に貼つて納めなければならない。

(指定立替納付者の指定要件)

第二百三十九条の七法第百三十五条の二第一項に規定する国土交通省令で定める要件は、次に掲げるものとする。
一指定立替納付者として法第百三十五条の二第一項の規定により手数料の納付をする者の当該手数料を立て替えて納付する事務(次号において「立替納付事務」という。)を適正かつ確実に遂行するに足りる財産的基礎を有すること。
二その人的構成等に照らして、立替納付事務を適正かつ確実に遂行するに足りる知識及び経験を有し、かつ、十分な社会的信用を有すること。
三法第百三十五条の二第一項の規定により手数料の納付をする者がクレジットカード等(それを提示し又は通知して、特定の販売業者から商品若しくは権利を購入し、又は特定の役務の提供の事業を営む者から有償で役務の提供を受けることができるカードその他の物又は番号、記号その他の符号をいう。)を提示し又は通知して、商品若しくは権利の購入又は役務の提供を受けることにより支払うこととなる当該商品若しくは権利の代金又は当該役務の対価に相当する額が当該手数料の納付をする者の支払能力を超えることがないよう必要な措置を講じていること。
四手数料を口座振替により納付すること。

(指定立替納付者の指定の申請)

第二百三十九条の八法第百三十五条の二第一項に規定する国土交通大臣の指定を受けようとする者は、その名称及び住所並びに事務所の所在地を記載した申請書を国土交通大臣に提出しなければならない。
2前項の申請書には、定款、商業登記簿の謄本並びに最終の貸借対照表、損益計算書及び事業報告書(法人でない者にあつては、資産又は納税に関する証明書)又はこれらに準ずるもの並びに前条第二号及び第三号に規定する基準を満たしていることを明らかにすることができる書類を添えなければならない。ただし、国土交通大臣が、インターネットにおいて識別するための文字、記号その他の符号又はこれらの結合をその使用に係る電子計算機に入力することによつて、自動公衆送信装置(公衆の用に供する電気通信回線に接続することにより、その記録媒体のうち自動公衆送信(公衆によつて直接受信されることを目的として公衆からの求めに応じ自動的に送信を行うことをいい、放送又は有線放送に該当するものを除く。)の用に供する部分に記録され、又は当該装置に入力される情報を自動公衆送信する機能を有する装置をいう。)に記録されている情報のうち法第百三十五条の二第一項に規定する措置を執るための用に供するものの内容を閲覧し、かつ、当該電子計算機に備えられたファイルに当該情報を記録することができる場合については、この限りでない。

(指定立替納付者の口座振替による納付の届出)

第二百三十九条の九法第百三十五条の二第一項に規定する国土交通大臣の指定を受けようとする者は、次に掲げる事項を記載した書面を国土交通大臣に届け出なければならない。
一名称及び住所並びに事務所の所在地
二預金口座又は貯金口座の番号及び預金又は貯金の種別
三金融機関の店舗の名称

(指定立替納付者の名称等の変更の届出)

第二百三十九条の十指定立替納付者は、第二百三十九条の八第一項の申請書又は前条の書面に記載された事項に変更が生じた場合は、速やかに、その旨を記載した届出書を国土交通大臣に提出しなければならない。

(指定の取消し等)

第二百三十九条の十一国土交通大臣は、法第百三十五条の二第一項の規定による指定を受けた者が同項に規定する指定の要件に該当しなくなつたと認められるときは、その指定を取り消すことができる。
2国土交通大臣は、前項の規定により指定を取り消したときは、その旨及びその理由を当該指定立替納付者に通知しなければならない。

(指定立替納付者による納付の申出に係る納付情報の送信)

第二百三十九条の十二国土交通大臣は、法第百三十五条第一項の規定による手数料の納付をしようとする者から、当該手数料の納付に際し、法第百三十五条の二第一項の規定による申出があつたときは、納付すべき手数料の額その他必要な納付情報を、当該手数料を納付しようとする者又は指定立替納付者が預金又は貯金の払出しとその払い出した金銭による納付を委託した預金口座又は貯金口座のある金融機関に対し、電気通信回線を使用して送信するものとする。
2災害その他やむを得ない理由により前項に定める納付情報を送信することができないと国土交通大臣が認める場合において、その理由がなくなつたときは、直ちに、当該納付情報を送信するものとする。

(職権の委任)

第二百四十条法及びこの省令に規定する国土交通大臣の権限で次に掲げるものは、地方航空局長に行わせる。
一法第十条第一項の規定による耐空証明(法第十二条第一項の規定による型式証明を受けていない型式の航空機について初めて行うものを除く。)
二法第十一条第一項ただし書(同条第三項において準用する場合を含む。)の規定による許可(日本の国籍を有する航空機にあつては客席数が百又は最大離陸重量が五万キログラムを超える航空機を使用して行う航空運送事業を経営する本邦航空運送事業者(以下この項及び第二百四十三条第一項の表五の項において「特定本邦航空運送事業者」という。)の使用航空機以外の航空機に係るものに限り、外国航空機にあつては同一空港等において離陸し、及び着陸する航空機に係るものに限る。)
三法第十三条の二第一項及び第三項の規定による承認
三の二法第十三条の二第五項において準用する法第十三条第五項の規定による届出の受理
三の三法第十三条の五第一項及び第二項の規定による権限(追加型式設計に係るものに限る。)
三の四法第十四条の二第一項及び第三項の規定による認定
三の五法第十四条の二第五項の規定による届出の受理
三の六法第十四条の二第七項の規定による権限
四法第十七条第三項及び法第十九条第三項において準用する法第十一条第一項ただし書の規定による許可
五法第十七条第一項の規定による検査
六法第二十条第一項の規定による認定(次に掲げるものを除く。)
イ初めて法第二十条第一項の認定を申請する者(特定本邦航空運送事業者以外の本邦航空運送事業者又は航空機使用事業者であつて、同項第四号の能力について同項の認定を申請するものを除く。第四十五号イにおいて同じ。)に係るもの
ロ型式証明を受けようとする者又は受けた者(以下「型式証明保有者等」という。)であつて、法第二十条第一項第一号の能力について同項の認定を申請するもの又は受けたものに係るもの
ハ法第二十条第一項第二号の能力について同項の認定を申請する者又は受けた者に係るもの
ニ特定本邦航空運送事業者(法第百十三条の二第一項の許可を受けた受託者(特定本邦航空運送事業者から委託を受けた者に限る。)を含む。次号ニ、第六号の三ハ、第四十五号ニ及び第四十六号ハにおいて同じ。)であつて、法第二十条第一項第四号の能力について同項の認定を申請するもの又は受けたものに係るもの
六の二法第二十条第二項の規定による認可(次に掲げるものを除く。)
イ初めて法第二十条第二項の認可を申請する者(特定本邦航空運送事業者以外の本邦航空運送事業者又は航空機使用事業者であつて、同条第一項第四号の能力について同項の認定を受けたものを除く。)に係るもの
ロ型式証明保有者等であつて、法第二十条第一項第一号の能力について同項の認定を受けたものに係るもの
ハ法第二十条第一項第二号の能力について同項の認定を受けた者に係るもの
ニ特定本邦航空運送事業者であつて、法第二十条第一項第四号の能力について同項の認定を受けたものに係るもの
六の三法第二十条第四項の規定による届出の受理(次に掲げるものを除く。)
イ型式証明保有者等であつて、法第二十条第一項第一号の能力について同項の認定を受けたものに係るもの
ロ法第二十条第一項第二号の能力について同項の認定を受けた者に係るもの
ハ特定本邦航空運送事業者であつて、法第二十条第一項第四号の能力について同項の認定を受けたものに係るもの
七法第二十八条第三項の規定による許可(外国航空機に乗り組む者にあつては、同一空港等において離陸し、及び着陸する場合に係るものに限る。)
八法第三十五条第一項第一号の規定による許可
八の二法第三十五条第一項第三号の規定による指定
八の三法第三十五条の二第一項第三号の規定による指定
九法第三十八条第一項の規定による許可(公共の用に供するヘリポート(以下「公共用ヘリポート」という。)、非公共用飛行場、公共用ヘリポートにおける航空機の離陸又は着陸の安全を確保するために必要な航空保安施設(以下「公共用ヘリポートの航空保安施設」という。)及び公共の用に供する航空保安施設以外の航空保安施設(以下「非公共用航空保安施設」という。)に係るものに限る。)
十法第三十九条第二項(法第四十三条第二項及び法第五十五条の二第二項において準用する場合を含む。)の規定による権限(公共用ヘリポート及び非公共用飛行場に係るものに限る。)
十一法第四十一条第二項本文の規定による許可(公共用ヘリポート及び非公共用飛行場に係るものに限る。)及び同条第三項の規定による届出の受理
十二法第四十二条第一項(法第四十三条第二項において準用する場合を含む。)の規定による検査(衛星経由送信型衛星航法補助施設に係るものを除く。)
十三法第四十二条第三項(法第四十三条第二項において準用する場合を含む。)の規定による届出の受理(公共用ヘリポート、非公共用飛行場、公共用ヘリポートの航空保安施設及び非公共用航空保安施設に係るものに限る。)
十三の二法第四十四条第五項において準用する法第四十二条第三項の規定による届出の受理(公共用ヘリポートに係るものに限る。)
十三の三法第四十五条第二項において準用する法第四十四条第五項において準用する法第四十二条第三項の規定による届出の受理(衛星経由送信型衛星航法補助施設に係るものを除く。)
十四法第四十三条第一項の規定による許可(公共用ヘリポート、非公共用飛行場、公共用ヘリポートの航空保安施設及び非公共用航空保安施設に係るものに限る。)
十四の二法第四十四条第一項の規定による許可(公共用ヘリポートに係るものに限る。)
十五法第四十四条第四項(法第四十五条第二項において準用する場合を含む。)の規定による検査(衛星経由送信型衛星航法補助施設に係るものを除く。)
十六法第四十五条第一項の規定による届出の受理(衛星経由送信型衛星航法補助施設に係るものを除く。)
十七法第四十七条第三項の規定による検査(空港法第四条第一項第一号及び第三号から第五号までに掲げる空港並びに当該空港の設置者が設置する航空保安施設(衛星経由送信型衛星航法補助施設を除く。)並びに衛星経由送信型衛星航法補助施設に係るものを除く。)
十七の二法第四十七条の二第一項の規定による届出の受理(公共用ヘリポートに係るものに限る。)
十七の三法第四十七条の二第三項の規定による権限(公共用ヘリポートに係るものに限る。)
十八法第四十八条の規定による権限(公共用ヘリポート、非公共用飛行場、公共用ヘリポートの航空保安施設及び非公共用航空保安施設に係るものに限る。)
十九法第五十五条の二第三項及び法第五十六条の三第二項において準用する法第四十九条第一項の規定による承認
二十法第五十五条の二第三項及び法第五十六条の三第三項において準用する法第四十九条第二項の規定による権限
二十一法第五十五条の二第三項及び法第五十六条の三第三項において準用する法第四十九条第三項の規定による権限
二十二法第五十一条第一項ただし書の規定による許可
二十二の二法第五十四条第一項の規定による届出の受理(公共用ヘリポートの航空保安施設に係るものに限る。)
二十二の三法第五十四条第二項の規定による権限(公共用ヘリポートの航空保安施設に係るものに限る。)
二十三法第五十五条第一項の規定による許可(公共用ヘリポート、非公共用飛行場、公共用ヘリポートの航空保安施設及び非公共用航空保安施設に係るものに限る。)
二十四法第五十五条第四項の規定による届出の受理(公共用ヘリポート、非公共用飛行場、公共用ヘリポートの航空保安施設及び非公共用航空保安施設に係るものに限る。)
二十四の二法第六十条ただし書の規定による許可(第百四十五条第一項及び第百四十七条に規定する装置(無線電話を除く。)の装備に関するものにあつては、特定本邦航空運送事業者の使用航空機以外の航空機(外国航空機を除く。)に係るものに限る。)
二十四の三法第六十一条第一項ただし書の規定による許可(特定本邦航空運送事業者の使用航空機以外の航空機(外国航空機を除く。)に係るものに限る。)
二十四の四法第七十一条の三第一項の規定による認定
二十四の五法第七十一条の三第二項の規定による許可
二十四の六法第七十一条の三第四項の規定による権限
二十四の七法第七十一条の四第一項の規定による指定
二十四の八特定本邦航空運送事業者に所属する者以外の者に係る次の権限
イ法第七十二条第一項の規定による認定
ロ法第七十二条第二項、第三項及び第八項の規定による審査
二十四の九法第七十二条第五項の規定による指定(特定本邦航空運送事業者以外の本邦航空運送事業者に係るものに限る。)
二十四の十法第七十二条第九項の規定による指名(特定本邦航空運送事業者以外の本邦航空運送事業者に係るものに限る。)
二十五法第七十九条ただし書の規定による許可
二十六法第八十条ただし書の規定による許可
二十七法第八十一条ただし書の規定による許可
二十七の二法第八十二条の二ただし書の規定による許可
二十七の三法第八十三条の二の規定による許可(特定本邦航空運送事業者の使用航空機以外の航空機(外国航空機を除く。)が行う航行に係るものに限る。)
二十八法第八十四条第一項の規定による許可
二十九法第八十九条ただし書の規定による届出の受理
三十法第九十条の規定による許可
三十一法第九十一条第一項ただし書の規定による許可(曲技飛行及び航空機の試験をする飛行を行おうとする航空機に係るものに限る。)
三十二法第九十二条第一項ただし書の規定による許可
三十二の二法第九十五条ただし書の規定による許可
三十三法第九十六条第一項及び第二項の規定による指示並びに同条第三項の規定による連絡に関する業務で飛行場管制業務、ターミナル・レーダー管制業務及び着陸誘導管制業務に係るもの
三十三の二法第九十六条の二第一項及び第二項の規定による権限(第二百四十二条の二第一項第七号に掲げるものを除く。)
三十四法第九十七条第二項の規定による飛行計画の通報の受理
三十五法第九十八条の規定による通知(法第九十七条第二項の規定による通報を受けた飛行計画に係るものに限る。)の受理
三十六法第九十九条の二の登録及びその更新
三十六の二法第九十九条の二(法第九十九条の五第二項において準用する場合を含む。)の規定による申請の受理
三十六の三法第九十九条の四の規定による届出の受理
三十六の四法第九十九条の六第三項の規定による報告の受理
三十六の五法第九十九条の七第一項の規定による届出の受理
三十六の六法第九十九条の十二の規定による届出の受理
三十七特定本邦航空運送事業者以外の本邦航空運送事業者が行う航空運送事業に係る次の権限
イ法第百条第一項の規定による許可
ロ法第百二条第一項の規定による検査
ハ法第百三条の二第一項の規定による届出の受理
ニ法第百三条の二第三項の規定による権限
ホ法第百三条の二第五項の規定による届出の受理
ヘ法第百三条の二第七項の規定による権限
ト法第百四条第一項の規定による認可
チ法第百四条第三項の規定による届出の受理
リ法第百四条第四項の規定による届出の受理
ヌ法第百五条第一項の規定による届出の受理
ル法第百五条第二項の規定による権限
ヲ法第百五条第三項の規定による認可
ワ法第百六条第一項の規定による認可
カ法第百七条の二第一項の規定による届出の受理
ヨ法第百七条の二第二項の規定による届出の受理
タ法第百七条の二第三項の規定による届出の受理
レ法第百七条の二第四項の規定による届出の受理
ソ法第百八条第二項の規定による権限
ツ法第百九条第一項の規定による認可
ネ法第百九条第三項の規定による届出の受理
ナ法第百九条第四項の規定による届出の受理
ラ法第百十一条の四の規定による報告の受理
ム法第百十一条の八第一項の規定による届出の受理
ウ法第百十一条の八第三項の規定による権限
ヰ法第百十一条の九第一項の規定による報告の受理
ノ法第百十一条の九第二項の規定による権限
オ法第百十二条の規定による権限
ク法第百十三条の二第一項の規定による許可
ヤ法第百十三条の二第三項の規定による権限
マ法第百十四条第一項の規定による認可
ケ法第百十五条第一項の規定による認可
フ法第百十六条第二項の規定による認可
コ法第百十八条の規定による届出の受理
エ法第百十九条の規定による権限
テ法第百二十五条第一項の規定による権限
ア法第百三十一条の二の八第三項(同条第五項において準用する場合を含む。)の規定による認定
サ法第百三十一条の二の十二の規定による取消し
三十七の二法第百二十三条第一項の規定による許可
三十七の三法第百二十四条において準用する法第百二条第一項の規定による検査
三十七の四法第百二十四条において準用する法第百八条第二項の規定による権限
三十七の五法第百二十四条において準用する法第百九条第一項の規定による認可
三十七の六法第百二十四条において準用する法第百九条第三項の規定による届出の受理
三十七の六の二法第百二十四条において準用する法第百九条第四項の規定による届出の受理
三十七の六の三法第百二十四条において準用する法第百十一条の四の規定による報告の受理
三十七の七法第百二十四条において準用する法第百十二条の規定による権限
三十七の八法第百二十四条において準用する法第百十四条第一項の規定による認可
三十七の九法第百二十四条において準用する法第百十五条第一項の規定による認可
三十七の十法第百二十四条において準用する法第百十六条第二項の規定による認可
三十七の十一法第百二十四条において準用する法第百十八条の規定による届出の受理
三十八法第百二十四条において準用する法第百十九条の規定による権限
三十九航空機使用事業に係る法第百二十五条第一項の規定による権限
四十法第百二十七条ただし書の規定による許可(同一空港等において離陸し、及び着陸する航空機に係るものに限る。)
四十の二法第百三十一条の二の五第二項(同条第三項において準用する場合を含む。)の規定による協議及び同意(公共用ヘリポート及び非公共用飛行場に係るものに限る。)
四十の三法第百三十二条の八十五第二項の規定による許可(立入管理措置を講じた上で無人航空機を飛行させる場合に限る。)
四十の四法第百三十二条の八十五第四項第二号の規定による許可
四十の五法第百三十二条の八十六第三項の規定による承認(立入管理措置を講じた上で無人航空機を飛行させる場合に限る。)
四十の六法第百三十二条の八十六第五項第二号の規定による承認
四十一法第百三十三条第一項又は第二項の規定による届出の受理で国内航空運送事業に係るもの
四十二法第百三十四条の三第一項ただし書の規定による許可
四十三法第百三十四条の三第二項の規定による通報の受理
四十四削除
四十五第三十二条第四号の規定による権限(次に掲げるものを除く。)
イ初めて法第二十条第一項の認定を申請する者が選任する確認主任者に係るもの
ロ型式証明保有者等であつて、法第二十条第一項第一号の能力について同項の認定を申請するもの又は受けたものが選任する確認主任者に係るもの
ハ法第二十条第一項第二号の能力について同項の認定を申請する者又は受けた者が選任する確認主任者に係るもの
ニ特定本邦航空運送事業者であつて、法第二十条第一項第四号の能力について同項の認定を申請するもの又は受けたものが選任する確認主任者に係るもの
四十六第三十五条第一項の規定による承認(次に掲げるものを除く。)
イ型式証明保有者等であつて、法第二十条第一項第一号の能力について同項の認定を受けたものに係るもの
ロ法第二十条第一項第二号の能力について同項の認定を受けた者に係るもの
ハ特定本邦航空運送事業者であつて、法第二十条第一項第四号の能力について同項の認定を受けたものに係るもの
四十七及び四十八削除
四十九第四十二条の規定による申請の受理
五十第四十五条第二項の規定による通知
五十一第四十七条の規定による通知
五十二第五十七条の規定による申請の受理
五十二の二第六十三条の規定による申請の受理
五十二の三第六十四条の規定による申請の受理
五十三第百二十七条第一項第一号から第四号まで、第六号、第七号、第十号及び第十二号から第十五号まで並びに同条第二項(第百三十二条の三第二項において準用する場合を含む。)の規定による権限
五十四第百二十八条第六号の規定による権限
五十五削除
五十六第百三十二条の二第一項の規定による権限
五十七及び五十八削除
五十九第百四十条の規定による権限
六十第百六十二条の八第一項の規定による交付
六十の二第百六十二条の九の規定による再交付
六十の三第百六十二条の十二の規定による返納の受理
六十の四第百六十二条の十五第二項の規定による提出の受理
六十の五第百六十二条の十六第一項の規定による提出の受理
六十の六第百六十二条の十六第二項の規定による返還
六十の七第百六十二条の十六第三項の規定による提出の受理
六十の八第百六十四条の二第一項ただし書の規定による指定(特定本邦航空運送事業者以外の本邦航空運送事業者に係るものに限る。)
六十の九第百六十四条の十四の規定による承認(特定本邦航空運送事業者以外の本邦航空運送事業者に係るものに限る。)
六十一第百六十八条の規定による申請の受理
六十二第百六十九条第二項の規定による通知
六十三第百七十条の二の規定による通知
六十四第百九十五条第七号の規定による許可
六十四の二特定本邦航空運送事業者以外の本邦航空運送事業者が行う航空運送事業に係る次の権限
イ第二百十条の三第一項の規定による事業許可証の交付
ロ第二百十条の三第二項の規定による事業許可証の書換え交付
ハ第二百十条の三第三項の規定による事業許可証の再交付
ニ第二百十条の三第四項の規定による事業許可証の返納の受理
六十四の三第二百三十六条第二項の規定による届出の受理
六十四の四第二百三十六条第四項の規定による通知
六十四の五第二百三十六条の六第三項の規定による届出の受理
六十五第二百三十八条の規定による届出の受理(同条の表五の項に係る届出の受理(公共用ヘリポート及び非公共用飛行場に係るものに限る。)、同表六の項に係る届出の受理(公共用ヘリポートの航空保安施設及び非公共用航空保安施設に係るものに限る。)、同表七の項に係る届出の受理、同表八の項に係る届出の受理(公共用ヘリポートの航空保安施設及び非公共用航空保安施設に係るものに限る。)、同表九の項に係る届出の受理、同表十の項に係る届出の受理、同表十一の項に係る届出の受理(特定本邦航空運送事業者以外の本邦航空運送事業者に係るものに限る。)及び同表十二の項に係る届出の受理(特定本邦航空運送事業者に係るものを除く。)に限る。)
2法及びこの省令に規定する国土交通大臣の権限で次に掲げるものは、地方航空局長も行うことができる。
一法第十四条の三第一項及び第二項の規定による権限
二法第二十条第六項の規定による権限(型式証明保有者等であつて同条第一項第一号の能力について同項の認定を受けたもの又は同項第二号の能力について同項の認定を受けた者に係るものを除く。)
三法第五十一条第六項(法第五十一条の二第三項において準用する場合を含む。)の規定による権限
四法第五十二条第二項の規定による権限
五法第八十六条の二第二項の規定による権限
六法第九十九条第一項の規定による権限(第二百四十二条の二第一項第十一号に掲げるものを除く。)
六の二法第九十九条の十の規定による権限
六の三法第九十九条の十一の規定による権限
六の四法第九十九条の十三の規定による権限
七法第百三十一条の二の四の規定による権限
八法第百三十一条の二の五第九項又は法第百三十一条の二の六第四項の規定による権限
九法第百三十四条第一項又は第二項の規定による権限
第二百四十条の二地方航空局長は、前条第一項第八号及び第二十号の権限、同項第二十四号の二の権限(無線電話及び航空交通管制用自動応答装置に係るものに限る。)、同項第二十五号の権限(航空運送事業の用に供する航空機に係るもの及び船舶又は構築物において離陸し、又は着陸しようとする航空機に係るものを除く。)、同項第二十七号の権限(航空運送事業の用に供する航空機、計器飛行方式により、又は夜間において飛行しようとする航空機及び物件を機体の外に装着し、つり下げ、又は曳航して運送しようとする航空機に係るものを除く。)、同項第二十七号の二及び第二十九号の権限、同項第三十一号の権限(管制圏内において、有視界飛行方式により、かつ、昼間において航空機の試験をする飛行を行おうとする航空機に係るものに限る。)、同項第三十二号の権限(管制圏内において、有視界飛行方式により、かつ、昼間において航空機の操縦の練習のための飛行を行おうとする航空機に係るものに限る。)、同項第三十七号コ及び第三十七号の十一の権限、同項第四十号の三及び第四十号の四の権限(法第百三十二条の八十五第一項第一号の空域における飛行に係るものに限る。)、前条第一項第四十一号の権限、同項第四十二号の権限(管制圏及びこれに接続する進入管制区内の特別管制空域並びに情報圏に係る行為を行おうとする者に係るものに限る。)並びに同項第四十三号及び第六十四号の二ニの権限を空港事務所長に行わせるものとする。
2地方航空局長は、前条第一項第三十二号の二から第三十五号までの権限及び前条第二項第六号の権限を空港事務所長及び空港出張所長(空港・航空路監視レーダー事務所長を含む。以下同じ。)に行わせるものとする。
3前条第二項第五号、第七号及び第九号の権限は、空港事務所長も行うことができる。
第二百四十一条この省令において、「国土交通大臣」とあるのは、次の表の上欄に掲げる場合は、それぞれ同表の下欄に掲げる字句に読み替えるものとする。
一 第二百四十条第一項の規定により当該事項に係る権限を地方航空局長が行なう場合地方航空局長
二 第二百四十条第二項の規定により当該事項に係る権限を地方航空局長も行なうことができる場合国土交通大臣又は地方航空局長
三 前条第一項又は第二項の規定により当該事項に係る権限を空港事務所長が行なう場合空港事務所長
四 前条第三項の規定により当該事項に係る権限を空港事務所長も行なうことができる場合国土交通大臣、地方航空局長又は空港事務所長
五 前条第二項の規定により当該事項に係る権限を空港出張所長が行なう場合空港出張所長
第二百四十二条次の表の上欄に掲げる権限は、同表の下欄に掲げる地方航空局長、空港事務所長又は空港出張所長が行う。
一 第二百四十条第一項第一号、第三号、第三号の二、第五号から第六号の三まで、第九号から第十九号まで、第二十一号から第二十四号まで、第三十六号から第三十六号の六まで、第四十号の二、第四十五号、第四十六号、第五十三号、第五十四号及び第五十六号の権限並びに同項第六十五号の権限(第二百三十八条の表十の項、十一の項及び十二の項に係る届出の受理に係るものを除く。)当該事業場、空港等、航空保安施設、物件又は登録訓練機関の事務所の所在地を管轄区域とする地方航空局長
二 第二百四十条第一項第二号、第四号及び第七号の権限、同項第二十四号の二の権限(無線電話及び航空交通管制用自動応答装置に係るものを除く。)、同項第二十四号の三及び第二十四号の五の権限、同項第二十五号の権限(航空運送事業の用に供する航空機に係るもの及び船舶又は構築物において離陸し、又は着陸しようとする航空機に係るものに限る。)、同項第二十六号の権限、同項第二十七号の権限(航空運送事業の用に供する航空機、計器飛行方式により、又は夜間において飛行しようとする航空機及び物件を機体の外に装着し、つり下げ、又は曳航して運送しようとする航空機に係るものに限る。)、同項第二十八号及び第三十号の権限、同項第三十一号の権限(管制圏内において、有視界飛行方式により、かつ、昼間において航空機の試験をする飛行を行おうとする航空機に係るものを除く。)、同項第三十二号の権限(管制圏内において、有視界飛行方式により、かつ、昼間において航空機の操縦の練習のための飛行を行おうとする航空機に係るものを除く。)、同項第四十号の権限、同項第四十号の三及び第四十号の四の権限(法第百三十二条の八十五第一項第二号の空域における飛行に係るものに限る。)、第二百四十条第一項第四十号の五及び第四十号の六の権限、同項第四十二号の権限(管制圏及びこれに接続する進入管制区内の特別管制空域並びに情報圏に係る行為を行おうとする者に係るものを除く。)並びに同項第六十四号、第六十四号の三、第六十四号の四及び第六十四号の五の権限当該許可、承認又は届出を必要とする行為を行おうとする場所を管轄区域とする地方航空局長
三 第二百四十条第一項第二十四号の八から第二十四号の十までの権限、同項第三十七号の権限(同号ケに係るものを除く。)、同項第三十七号の二から第三十七号の十まで、第三十八号、第三十九号及び第六十号の八の権限、同項第六十四号の二の権限(同号ニに係るものを除く。)並びに同項第六十五号の権限(第二百三十八条の表十一の項及び十二の項に係る届出の受理に係るものに限る。)当該事業を経営しようとする者又は当該事業を経営する者の住所を管轄区域とする地方航空局長
四 第二百四十条第一項第三号の三から第三号の六まで、第八号の二、第八号の三、第二十四号の四、第二十四号の六、第二十四号の七、第二十七号の三、第四十九号から第五十二号の三まで、第五十九号、第六十号から第六十号の七まで及び第六十一号から第六十三号までの権限並びに同項第六十五号の権限(第二百三十八条の表十の項に係る届出の受理に係るものに限る。)当該指定、当該認定、当該許可、当該証明、当該証明の限定の変更若しくは当該検定を受けようとする者、当該型式証明等、当該認定若しくは当該審査を受けた者又は当該航空機の所有者の住所を管轄区域とする地方航空局長
五 第二百四十条第一項第八号の権限当該許可を受けようとする者の住所を管轄区域とする空港事務所長
六 第二百四十条第一項第二十号の権限当該空港等の位置を管轄区域とする空港事務所長
七 第二百四十条第二項第四号の権限離陸しようとする地を管轄区域とする地方航空局長又は空港事務所長
八 第二百四十条第一項第二十四号の二の権限(無線電話及び航空交通管制用自動応答装置に係るものに限る。)、同項第二十五号の権限(航空運送事業の用に供する航空機に係るもの及び船舶又は構築物において離陸し、又は着陸しようとする航空機に係るものを除く。)、同項第二十七号の権限(航空運送事業の用に供する航空機、計器飛行方式により、又は夜間において飛行しようとする航空機及び物件を機体の外に装着し、つり下げ、又は曳航して運送しようとする航空機に係るものを除く。)、同項第二十七号の二及び第二十九号の権限、同項第三十一号の権限(管制圏内において、有視界飛行方式により、かつ、昼間において航空機の試験をする飛行を行おうとする航空機に係るものに限る。)、同項第三十二号の権限(管制圏内において、有視界飛行方式により、かつ、昼間において航空機の操縦の練習のための飛行を行おうとする航空機に係るものに限る。)、同項第四十号の三及び第四十号の四の権限(法第百三十二条の八十五第一項第一号の空域における飛行に係るものに限る。)、第二百四十条第一項第四十二号の権限(管制圏及びこれに接続する進入管制区内の特別管制空域並びに情報圏に係る行為を行おうとする者に係るものに限る。)並びに同項第四十三号の権限当該許可、届出又は通報を必要とする行為を行おうとする場所を管轄区域とする空港事務所長
九 第二百四十条第一項第三十二号の二の権限当該許可を必要とする行為を行おうとする管制圏を管轄区域とする空港事務所長(当該管制圏を指定された空港等に空港出張所長が所在する場合は、当該空港出張所長)
十 第二百四十条第一項第三十四号及び第三十五号の権限いずれかの空港事務所長又は空港出張所長
十一 第二百四十条第一項第三十七号ケ、第三十七号の十一、第四十一号及び第六十四号の二ニの権限当該事業を経営しようとする者又は当該事業を経営する者の住所を管轄区域とする空港事務所長
第二百四十二条の二法に規定する国土交通大臣の権限で次に掲げるものは、航空交通管制部長に行わせる。
一法第九十四条ただし書の規定による許可
二法第九十四条の二第一項ただし書の規定による許可
三法第九十五条の二第一項及び第四項の規定による権限
四法第九十五条の三の規定による承認
五法第九十六条第一項の規定による指示及び同条第三項の規定による連絡に関する業務で航空路管制業務に係るもの
六法第九十六条第一項の規定による指示及び同条第三項の規定による連絡に関する業務で進入管制業務に係るもの
七法第九十六条の二第一項及び第二項の規定による権限(航空路管制業務又は進入管制業務に関連して行う航空交通情報の提供に関するものに限る。)
八法第九十七条第一項の規定による承認
九法第九十七条第四項の規定による通報の受理
十法第九十八条の規定による通知(法第九十七条第一項の規定による承認を受けた飛行計画に係るものに限る。)の受理
十一法第九十九条第一項の規定による権限(航空路管制業務又は進入管制業務に関連して無線電話により行う航空情報の提供に関するものに限る。)
2航空交通管制部長は、前項第一号から第六号まで及び第八号から第十号までに掲げる権限を空港事務所長に委任することができる。
3航空交通管制部長は、第一項第七号及び第十一号に掲げる権限を空港事務所長又は空港出張所長に委任することができる。

(申請等の経由)

第二百四十三条法又はこの省令の規定により国土交通大臣に申請、報告、通知、通報又は届出(以下「申請等」という。)をしようとする者は、次表に定める空港事務所長又は空港出張所長を経由して行うことができる。
申請等空港事務所長又は空港出張所長
一 法第五章及び同章の規定に係るこの省令の規定による申請等当該空港等又は航空保安施設の位置を管轄区域とする空港事務所長
二 法第七十六条、法第七十六条の二、法第百三十二条の八十五第二項及び第四項第二号並びに法第百三十二条の八十六第三項及び第五項第二号並びにこれらの規定に係るこの省令の規定、第二百三十六条第二項及び第二百三十六条の六第三項の規定による申請等最寄りの空港事務所長又は空港出張所長
三 法第七十九条、法第八十一条、法第八十二条の二、法第八十九条、法第九十条、法第九十一条第一項、法第九十二条第一項及び法第百三十四条の三第一項並びにこれらの規定に係るこの省令の規定による申請等当該申請等を必要とする行為を行おうとする場所を管轄区域とする空港事務所長又は当該場所の最寄りの空港出張所長
四 法第九十七条第一項の規定による通報いずれかの空港事務所長又は空港出張所長(飛行中において通報する場合は、最寄りの空港事務所長又は空港出張所長)
五 法第百条第二項、法第百二条第一項、法第百三条の二第一項及び第五項、法第百四条第一項、法第百五条第一項及び第三項、法第百六条第一項、法第百七条の二、法第百九条第一項、第三項及び第四項、法第百十一条の四、法第百十三条の二第一項、法第百十四条第一項、法第百十五条第一項並びに法第百十六条第二項並びにこれらの規定に係るこの省令の規定による申請等(特定本邦航空運送事業者に係るものを除く。)並びに法第百二十三条第二項及び法第百二十四条並びにこれらの規定に係るこの省令の規定並びに第二百三十八条の表十二の項の規定による申請等当該事業を経営しようとし又は経営する者の住所を管轄区域とする空港事務所長
2法の規定により空港事務所長に申請等をしようとする者は、次表に定める空港事務所長又は空港出張所長を経由して行うことができる。
申請等空港事務所長又は空港出張所長
一 法第七十九条、法第八十一条、法第八十二条の二、法第八十九条、法第九十一条第一項及び法第九十二条第一項の規定による申請等離陸しようとする地を管轄区域とする空港事務所長又は離陸しようとする地に所在する空港出張所長
二 法第百三十二条の八十五第二項及び第四項第二号並びに法第百三十四条の三第二項の規定による申請等最寄りの空港事務所長又は空港出張所長
3法の規定により航空交通管制部長に申請等をしようとする者は、次表に定める空港事務所長又は空港出張所長を経由して行うことができる。
申請等空港事務所長又は空港出張所長
一 法第九十四条ただし書及び法第九十四条の二第一項ただし書の規定による申請離陸しようとする地を管轄区域とする空港事務所長又は離陸しようとする地に所在する空港出張所長
二 法第九十七条第一項の規定による通報いずれかの空港事務所長又は空港出張所長(飛行中において通報する場合は、最寄りの空港事務所長又は空港出張所長)
三 法第九十七条第四項の規定による通報最寄りの空港事務所長又は空港出張所長
四 法第九十八条の規定による通知着陸した地を管轄区域とする空港事務所長又は着陸した地に所在する空港出張所長
4飛行中において法第九十五条の三の規定により航空交通管制部長に通報をしようとする者は、第二百二条の四の規定により連絡しなければならないこととされている機関の長を経由して行うことができる。

附 則

1この省令は、公布の日から施行し、法施行の日(昭和二十七年七月十五日)から適用する。
2電気を動力源とする垂直離着陸飛行機及びマルチローターに係る第百五十三条の表三の項及び五の項、第二百三条並びに第二百四条の規定の適用については、当分の間、次の表の上欄に掲げる規定中同表の中欄に掲げる字句は、それぞれ同表の下欄に掲げる字句とする。
第百五十三条の表三の項及び五の項代替空港等を飛行計画に表示するもの代替空港等又は着陸地以外の法第七十九条ただし書の許可に係る場所を飛行計画に表示するもの
代替空港等を飛行計画に表示しないもの代替空港等及び着陸地以外の法第七十九条ただし書の許可に係る場所を飛行計画に表示しないもの
代替空港等まで代替空港等又は着陸地以外の法第七十九条ただし書の許可に係る場所(当該代替空港等及び場所の数又は当該場所の数が二以上である場合にあつては、当該着陸地からの距離が最も長いもの)まで
適した空港等適した空港等又は法第七十九条ただし書の許可に係る場所
第二百三条第一項代替空港等を定める代替空港等又は着陸地以外の法第七十九条ただし書の許可に係る場所を定める
第二百三条第一項第十号及び第二百四条代替空港等代替空港等又は着陸地以外の法第七十九条ただし書の許可に係る場所
3第二百三十五条の四の七から第二百三十五条の四の十四までの規定は、当分の間、空港法附則第二条第一項に規定する共用空港について準用する。この場合において、第二百三十五条の四の十第一号中「空港等」とあるのは「共用空港」と読み替えるものとする。

附 則(昭和二七年八月一四日運輸省令第六三号)

この省令は、公布の日から施行し、昭和二十七年八月一日から適用する。

附 則(昭和二八年八月一三日運輸省令第四一号)

この省令は、公布の日から施行する。

附 則(昭和二八年九月二五日運輸省令第五〇号)抄

1この省令は、航空機登録令施行の日(昭和二十八年十月一日)から施行する。

附 則(昭和二八年一〇月一二日運輸省令第五八号)

この省令は、公布の日から施行する。

附 則(昭和二九年二月二六日運輸省令第九号)

この省令は、公布の日から施行する。

附 則(昭和二九年五月二〇日運輸省令第二五号)

この省令は、公布の日から施行する。

附 則(昭和三一年五月一九日運輸省令第二五号)

この省令は、昭和三十一年五月二十日から施行する。

附 則(昭和三一年五月二九日運輸省令第二九号)

この省令は、公布の日から施行する。

附 則(昭和三二年八月一〇日運輸省令第二九号)

1この省令は、公布の日から施行する。ただし、この省令による改正後の第四十八条の二の規定は、この省令施行前に行われた学科試験において全部の科目の試験を受け、その一部の課目について合格点を得た者については、昭和三十二年三月以降に行われた学科試験に係るものに限り適用する。
2前項ただし書においてこの省令による改正後の第四十八条の二の規定の適用を受ける者がこの省令による改正前の第四十八条の二の規定によりした申請は、この省令施行後最初に行われる試験に係るこの省令による改正後の第四十八条の二の規定によりした申請とみなす。

附 則(昭和三三年七月一五日運輸省令第三一号)

1この省令は、公布の日から施行する。
2改正前の第二百七条の規定により告示した計器飛行による進入の方式は、改正後の第百八十九条第二項の規定により告示したものとみなす。

附 則(昭和三三年一一月二五日運輸省令第四九号)抄

1この省令は、公布の日から施行する。ただし、第十四条及び第十四条の二の改正規定は公布の日から起算して四月を経過した日から、別表第九の改正規定は公布の日から起算して三月を経過した日から、施行する。

附 則(昭和三四年二月二五日運輸省令第三号)

この省令は、公布の日から施行する。

附 則(昭和三四年四月一日運輸省令第九号)

この省令は、公布の日から施行する。

附 則(昭和三四年六月三〇日運輸省令第二九号)

この省令は、昭和三十四年七月一日から施行する。

附 則(昭和三四年一一月二八日運輸省令第五二号)

この省令は、昭和三十四年十二月一日から施行する。

附 則(昭和三五年六月六日運輸省令第二〇号)抄

1この省令は、公布の日から施行する。
6この省令の施行前に航空工場整備士の資格についての技能証明について機体関係、発動機関係、プロペラ関係、計器関係又は電気関係の別に附した限定は、それぞれ、改正後の第五十五条の規定により機体関係、ピストン発動機関係、プロペラ関係、計器関係又は電気関係の別に附した限定とみなす。

附 則(昭和三五年一二月二八日運輸省令第四五号)

1この省令は、公布の日から施行する。
2この省令の施行前に耐空証明を受けたことがある回転翼航空機と同一の型式の回転翼航空機であつて最大離陸重量が二千七百キログラムをこえるものの耐空類別は、改正後の附属書第一の規定にかかわらず、回転翼航空機普通Nとする。

附 則(昭和三六年七月一一日運輸省令第四二号)

この省令は、公布の日から施行する。

附 則(昭和三六年一二月二一日運輸省令第六二号)

この省令は、公布の日から施行する。

附 則(昭和三七年三月三〇日運輸省令第九号)

この省令は、昭和三十七年四月一日から施行する。

附 則(昭和三八年一〇月一六日運輸省令第五七号)

この省令は、公布の日から施行する。

附 則(昭和三九年六月一七日運輸省令第四八号)抄

1この省令は、公布の日から施行する。ただし、第百四十七条第一項、第百九十八条の三第二項、第百九十九条、第二百条、第二百四十条及び第二百四十二条の改正規定、別表第二の改正規定中一等航空整備士及び二等航空整備士の項、三等航空整備士の項及び操縦教育証明の項に関する部分の規定並びに附則第二項の規定は昭和三十九年七月一日から、第百九十四条の改正規定並びに別表第九及び第二十九号の三様式を削る改正規定は昭和三十九年八月十五日から、第百四十九条の次に一条を加える改正規定並びに第百五十四条及び附属書第一の改正規定は昭和四十年五月十五日から施行する。

附 則(昭和四〇年七月三一日運輸省令第六〇号)抄

(施行期日)

1この省令は、昭和四十年八月一日から施行する。ただし、目次、第十二条第三項、第十二条の二第二項、第六十一条、第六十八条第二項第二号、第七十九条第九号、第百十三条、第百十四条、第百十六条及び第百十七条の改正規定、第百二十七条の二の次に一条を加える改正規定、第百三十二条の二及び第百三十二条の三の改正規定、第百三十二条の四を第百三十二条の五とし、第百三十二条の三の次に一条を加える改正規定、第二百三条第三項、第二百三十条及び第二百三十条の二の改正規定並びに別表第五の改正規定は同年九月一日から、第二百三十四条の二の改正規定は同年十月一日から施行する。

附 則(昭和四〇年一二月二五日運輸省令第七二号)

1この省令は、公布の日から施行する。
2この省令の施行の際現に航空法第三十八条第一項の飛行場設置の許可を受けている陸上飛行場に係る着陸帯であつてその等級がE又はFのもの(計器飛行の用に供する着陸帯であつて精密進入に係るものを除く。)の進入表面の水平面に対する勾配は、運輸大臣が三十分の一と指定したものとみなす。

附 則(昭和四一年四月一日運輸省令第一八号)

この省令は、公布の日から施行する。

附 則(昭和四一年五月二〇日運輸省令第三一号)抄

1この省令は、公布の日から施行する。

附 則(昭和四一年一一月二一日運輸省令第五九号)

この省令は、公布の日から施行する。

附 則(昭和四一年一二月七日運輸省令第六二号)抄

(施行期日)

1この省令は、公布の日から施行する。

附 則(昭和四二年九月三〇日運輸省令第七五号)

この省令は、昭和四十二年十一月一日から施行する。ただし、第九十七条の改正規定は公布の日から、第百四十七条の表に係る改正規定は昭和四十三年一月一日から施行する。

附 則(昭和四二年九月三〇日運輸省令第七六号)抄

(施行期日)

1この省令は、昭和四十二年十月一日から施行する。

(経過規定)

2この省令の施行の日前にした申請に係るこの省令による改正前のそれぞれの省令の規定による運輸大臣の職権に関しては、この省令による改正後のそれぞれの省令の相当規定にかかわらず、なお従前の例による。
3この省令の施行の際現にこの省令による改正前のそれぞれの省令の規定により航空保安事務所長に対しされている申請は、改正後のそれぞれの省令の相当規定により空港事務所長に対しされた申請とみなす。

附 則(昭和四二年一一月九日運輸省令第八一号)抄

この省令は、昭和四十二年十一月十日から施行する。

附 則(昭和四三年三月二五日運輸省令第六号)

1この省令は、昭和四十三年四月一日から施行する。
2この省令の施行の際現に法第百二十九条第一項の許可を受けている外国人国際航空運送事業者は、この省令の施行の日から一月以内に、改正後の第二百三十二条第一項第七号の規定により新たに事業計画に記載すべき事項となつた事項を運輸大臣に届け出なければならない。
3前項の規定により届出のあつた事項は、届出の日において当該事業の事業計画に定められたものとみなす。

附 則(昭和四三年八月三〇日運輸省令第四三号)

この省令は、公布の日から施行する。

附 則(昭和四三年一二月二四日運輸省令第六三号)

この省令は、昭和四十四年一月一日から施行する。

附 則(昭和四五年四月一日運輸省令第一九号)

この省令は、公布の日から施行する。ただし、第百十七条第三号ラ(二)の改正規定は、昭和四十五年四月二十日から施行する。

附 則(昭和四五年六月二四日運輸省令第五二号)

この省令は、昭和四十五年七月一日から施行する。

附 則(昭和四五年八月二六日運輸省令第七三号)抄

(施行期日)

1この省令は、昭和四十五年九月一日から施行する。

(経過規定)

2この省令の施行前に改正前の第三十八条第二項の規定により受けた型式の承認又はこの省令の施行前にした同項の規定による型式の承認の申請は、改正後の第十四条第一項の規定により受けた型式の承認又は同条第二項の規定によりした型式の承認の申請とみなす。
3この省令の施行前に改正前の第六十八条の規定によりした航空機の操縦練習の許可の申請は、改正後の第六十八条の規定によりした航空機の操縦練習の許可の申請とみなす。
4この省令の施行前にした申請に係る運輸大臣の権限であつて改正後の第二百四十条及び第二百四十二条の規定により新たに地方航空局長に行なわせることとなつたものについては、改正後の第二百四十条及び第二百四十二条の規定にかかわらず、なお運輸大臣が行なう。

附 則(昭和四六年一月一一日運輸省令第二号)抄

(施行期日)

1この省令は、公布の日から施行する。ただし、第四条の規定、第十三条の規定中地方鉄道法施行規則第二十条の改正規定並びに第二十六条、第三十二条(航空法施行規則第五十一条、第五十三条、別表第二及び別表第三の改正規定を除く。)及び第三十三条の規定は昭和四十六年二月一日から、第三十一条の規定は同年三月一日から、第三十二条の規定中航空法施行規則第五十一条、第五十三条、別表第二及び別表第三の改正規定は同年七月一日から施行する。
9第三十二条(航空法施行規則第五十一条、第五十三条、別表第二及び別表第三の改正規定を除く。)の規定の施行前にした申請に係る運輸大臣の権限であつて第三十二条の規定による改正後の航空法施行規則第二百四十条及び第二百四十二条の規定により新たに地方航空局長に行なわせることとなつたものについては、改正後の航空法施行規則第二百四十条及び第二百四十二条の規定にかかわらず、なお運輸大臣が行なう。

附 則(昭和四六年一一月二五日運輸省令第六三号)抄

1この省令は、昭和四十六年十二月一日から施行する。

附 則(昭和四七年七月一二日運輸省令第四八号)抄

(施行期日)

1この省令は、公布の日から施行する。

附 則(昭和四八年一二月二二日運輸省令第五九号)抄

(施行期日)

1この省令は、公布の日から起算して十五日を経過した日から施行する。ただし、第九十九条、第百五十条及び第百九十四条第二項の改正規定は公布の日から、第百九十四条第一項の改正規定は公布の日から起算して三月を経過した日から、第二百三十六条及び第三十号様式の改正規定並びに第二百三十八条の次に一条を加える改正規定は航空事故調査委員会設置法(昭和四十八年法律第百十三号)の施行の日から施行する。

附 則(昭和四八年一二月二七日運輸省令第六〇号)抄

1この省令は、航空事故調査委員会設置法の施行の日(昭和四十九年一月十一日)から施行する。

附 則(昭和四九年五月三〇日運輸省令第二〇号)

この省令は、昭和四十九年七月一日から施行する。

附 則(昭和五〇年一〇月一日運輸省令第三九号)抄

(施行期日)

1この省令は、航空法の一部を改正する法律(昭和五十年法律第五十八号)の施行の日(昭和五十年十月十日)から施行する。

(経過措置)

4次の表の航空機の欄に掲げる航空機が新規則第百四十九条の三第一項の規定により装備しなければならない飛行記録装置は、同条第一項第一号の規定にかかわらず、それぞれ、同表の期間の欄に掲げる期間は、同表の事項の欄に掲げる事項を記録することができないものでもよい。
航空機期間事項
一 昭和四十四年九月三十日以前に、当該航空機又は当該型式の航空機について、最初の耐空証明又は外国が行つたこれに相当する証明が行われた航空機当分の間新規則第百四十九条の三第一項第一号ロに掲げる事項
二 前号に掲げる航空機以外の航空機であつて、この省令の施行の際現に、耐空証明又は外国が行つたこれに相当する証明を受けており、かつ、新規則第百四十九条の三第一項第一号ロに掲げる事項を記録することができる飛行記録装置を装備していないもの昭和五十年十月十日から昭和五十三年十月九日までの間新規則第百四十九条の三第一項第一号ロに掲げる事項
三 この省令の施行の際現に、耐空証明又は外国が行つたこれに相当する証明を受けている航空機であつて、新規則第百四十九条の三第一項第一号ハに掲げる事項を記録することができる飛行記録装置を装備していないもの昭和五十年十月十日から昭和五十一年十月九日までの間新規則第百四十九条の三第一項第一号ハに掲げる事項

附 則(昭和五一年四月二六日運輸省令第一三号)

この省令は、公布の日から施行する。ただし、第百七十八条第一号の改正規定は、昭和五十一年五月二十日から施行する。

附 則(昭和五二年四月一八日運輸省令第九号)

この省令は、公布の日から施行する。

附 則(昭和五二年一一月一七日運輸省令第三五号)抄

(施行期日)

1この省令は、昭和五十三年一月一日から施行する。

附 則(昭和五三年五月一三日運輸省令第二四号)

この省令は、昭和五十三年五月十五日から施行する。

附 則(昭和五三年六月一二日運輸省令第三〇号)

(施行期日)

1この省令は、昭和五十三年六月十五日から施行する。ただし、第四十二条及び第十九号様式の改正規定、第十九号の三様式を第十九号の五様式とし、第十九号の二様式を第十九号の四様式とし、第十九号様式の次に二様式を加える改正規定並びに第四十五条、第五十条の二第三項、第五十条の三第一項、第五十七条及び第二十一号様式、第六十四条及び第二十五号様式、第百六十八条及び第二十九号様式並びに第百六十九条の改正規定は、昭和五十三年六月二十五日から施行する。

(経過措置)

2この省令の施行前に改正前の第二十六条の四の規定により第二類又は第三類について行つた航空機の修理改造認定は、改正後の第二十六条の四の規定によりそれぞれ第一類又は第二類について行つた航空機の修理改造認定とみなす。
3この省令の施行前に改正前の第四十二条、第五十七条、第六十四条又は第百六十八条の規定によりした技能証明、技能証明の限定の変更、計器飛行証明、操縦教育証明又は技能検定の申請は、改正後の第四十二条、第五十七条、第六十四条又は第百六十八条の規定によりした技能証明、技能証明の限定の変更、計器飛行証明、操縦教育証明又は技能検定の申請とみなす。

附 則(昭和五三年六月二三日運輸省令第三二号)抄

(施行期日)

第一条この省令は、公布の日から施行する。ただし、第二十条の規定中航空法施行規則第百八条第二号の次に一号を加える改正規定及び航空法施行規則第百二十六条に一号を加える改正規定は、公布の日から起算して四月を経過した日から施行する。

(経過措置)

第四条この省令の施行前にした第二十条の規定による改正前の航空法施行規則(以下この条において「旧規則」という。)第六十一条第一項の規定による指定及びそれに付した期限は、それぞれ第二十条の規定による改正後の航空法施行規則(以下この条において「新規則」という。)第六十一条第一項の規定による指定及び新規則第六十二条の二第三項の規定により付した期限とみなす。
2この省令の施行の際現にされている旧規則第六十一条第一項の指定の申請は、新規則第六十二条の二第一項の規定による申請とみなす。

附 則(昭和五三年八月二一日運輸省令第四七号)

この省令は、昭和五十三年九月一日から施行する。

附 則(昭和五三年一二月二八日運輸省令第七五号)

この省令は、原子力基本法等の一部を改正する法律(昭和五十三年法律第八十六号)附則第一条第三号に掲げる規定の施行の日(昭和五十四年一月四日)から施行する。

附 則(昭和五四年六月二六日運輸省令第二七号)

この省令は、公布の日から施行する。

附 則(昭和五四年八月二四日運輸省令第三七号)

(施行期日)

1この省令は、公布の日から施行する。

(経過措置)

2この省令の施行の際現に航空法(昭和二十七年法律第二百三十一号。以下「法」という。)第七十二条第一項若しくは第五項の認定又は同条第九項の指名を受けている者に係る当該認定又は指名については、当該認定又は指名に係る第百六十三条第一項第二号の使用飛行場を、それぞれこの省令による改正後の航空法施行規則(以下「新規則」という。)第百六十三条の二(第百六十四条の六第一項において準用する場合を含む。)又は第百六十四条の十の規定により限定された使用飛行場とみなす。
3この省令の施行の際現に法第百条第一項若しくは第百二十一条第一項の免許を受けている者又は法第百二十九条第一項の許可を受けている者は、この省令の施行の日から二月以内に、それぞれ新規則第二百十条第一項第八号イ若しくは同条第二項第六号イ、第二百二十七条第一項第八号イ又は第二百三十二条第一項第七号イの規定により新たに事業計画に記載すべき事項となつた事項を運輸大臣に届け出なければならない。
4前項の規定により届出のあつた事項は、届出の日において当該事業計画に定められたものとみなす。

附 則(昭和五四年一二月二五日運輸省令第四七号)

(施行期日)

1この省令は、公布の日から施行する。

(経過措置)

2この省令の施行前に受理した第四十二条第一項、第五十七条第一項又は第六十四条第一項の規定による技能証明申請書、技能証明限定変更申請書又は計器飛行証明申請書若しくは操縦教育証明申請書に係る技能証明、技能証明の限定の変更又は計器飛行証明若しくは操縦教育証明の申請については、なお従前の例による。

附 則(昭和五五年八月六日運輸省令第二三号)

(施行期日)

1この省令は、公布の日から施行する。

(経過措置)

2この省令の施行の際現に工事に着手され、又は設置されている進入灯又は進入角指示灯については、改正後の第百十七条第一項第三号ハ(二)aA図又は同号ニ(八)の規定にかかわらず、この省令施行の日から起算して三年を経過する日までは、なお従前の例によることができる。
3この省令の施行の際現に工事に着手され、又は設置されている滑走路灯については、第百二十条の規定にかかわらず、灯光の色として航空可変黄に代えて航空黄を用いることとする場合に限り、同条第一号の灯質の変更には該当しないものとみなす。
4この省令の施行の際現に工事に着手され、又は設置されている航空障害灯又は昼間障害標識については、改正後の第百二十七条又は第百三十二条の三の表の規定にかかわらず、この省令の施行の日から起算して五年を経過する日までは、なお従前の例によることができる。

附 則(昭和五六年五月一八日運輸省令第二九号)

この省令は、放射性同位元素等による放射線障害の防止に関する法律の一部を改正する法律(昭和五十五年法律第五十二号)の施行の日(昭和五十六年五月十八日)から施行する。

附 則(昭和五七年三月二四日運輸省令第四号)抄

(施行期日)

1この省令は、公布の日から施行する。

附 則(昭和五八年四月九日運輸省令第二〇号)抄

(施行期日)

第一条この省令は、船員法及び船舶職員法の一部を改正する法律(昭和五十七年法律第三十九号。以下「改正法」という。)の施行の日(昭和五十八年四月三十日。以下「施行日」という。)から施行する。

附 則(昭和五八年一一月一日運輸省令第四八号)

(施行期日)

1この省令は、公布の日から施行する。ただし、第百九十四条第一項及び第二項の改正規定は、昭和五十九年一月一日から、第九十九条第一項第七号ニ及び同項第九号ニの改正規定は、昭和六十年六月二十九日から施行する。

(経過措置)

2この省令の施行の際現に航空機で輸送されている爆発物等については、この省令による改正後の航空法施行規則第百九十四条第一項の規定にかかわらず、当該輸送が終了するまでは、なお従前の例による。

附 則(昭和六〇年一月一六日運輸省令第三号)

(施行期日)

1この省令は、昭和六十年四月一日から施行する。

(経過措置)

2この省令の施行前に改正前の航空法施行規則(以下「旧規則」という。)第六十一条第一項の規定により航空身体検査証明の申請をした者に係る身体検査基準及び航空身体検査証明書については、当該申請に係る航空身体検査証明に限り、なお従前の例による。
3この省令の施行の際現に航空身体検査証明を有する者に係る身体検査基準及び航空身体検査証明書については、当該航空身体検査証明の有効期間内に限り、なお従前の例による。
4この省令の施行前に旧規則第六十七条第一項の規定によりした航空機の操縦練習の許可の申請は、改正後の航空法施行規則第六十七条第一項の規定によりした航空機の操縦練習の許可の申請とみなす。

附 則(昭和六〇年三月二三日運輸省令第一〇号)抄

(施行期日)

1この省令は、昭和六十年四月一日から施行する。

附 則(昭和六〇年四月二五日運輸省令第一八号)抄

(施行期日)

1この省令は、公布の日から施行する。ただし、第十八条の規定中航空法施行規則第百五十八条第一項及び第三項、第百六十三条第一項並びに附属書1―3の表の改正規定は、昭和六十年五月一日から施行する。

附 則(昭和六〇年六月一五日運輸省令第二二号)抄

(施行期日)

1この省令は、公布の日から施行する。

附 則(昭和六〇年八月二七日運輸省令第二七号)

この省令は、昭和六十年十一月二十一日から施行する。

附 則(昭和六〇年一二月一二日運輸省令第三七号)

この省令は、公布の日から施行する。ただし、第百九十四条第一項第二号の改正規定は、昭和六十一年一月一日から施行する。

附 則(昭和六〇年一二月二四日運輸省令第四〇号)抄

(施行期日)

1この省令は、公布の日から施行する。ただし、第九条の規定(倉庫業法施行規則第二十一条第一項の規定、第七号様式及び第八号様式に係る部分に限る。)は、昭和六十一年四月一日から施行する。

(経過措置)

5この省令の施行前にした申請に係る運輸大臣の権限であつて、第九条の規定による改正後の倉庫業法施行規則第一条第一項の規定又は第十三条の規定による改正後の航空法施行規則第二百四十条の規定により新たに地方運輸局長(海運監理部長を含む。)又は地方航空局長が行うこととなつたものについては、改正後のこれらの規定にかかわらず、なお運輸大臣が行う。

附 則(昭和六〇年一二月二八日運輸省令第四二号)

(施行期日)

1この省令は、公布の日から施行する。

(経過措置)

2この省令の施行の際現に存する公共の用に供するヘリポートの進入区域の長さ、進入表面のこう配、水平表面の半径の長さ及び転移表面のこう配(以下「進入区域の長さ等」という。)については、改正後の航空法施行規則(以下「新規則」という。)第一条の二、第二条第三号、第三条及び第三条の二の規定にかかわらず、この省令の施行の日から起算して二月を超えない範囲内で運輸大臣が航空法(昭和二十七年法律第二百三十一号)第四十条後段の規定に基づき告示する日までの間、なお従前の例による。
3この省令の施行の際現に存する公共の用に供するヘリポート以外のヘリポートの進入区域の長さ等については、新規則第一条の二、第二条第三号、第三条及び第三条の二の規定にかかわらず、この省令の施行の日から起算して二月を超えない範囲内で、当該ヘリポートの設置者が、これらの規定による進入区域の長さ等について、運輸大臣の通知を受ける日までの間、なお従前の例による。

附 則(昭和六一年一一月二二日運輸省令第三九号)

この省令は、核原料物質、核燃料物質及び原子炉の規制に関する法律の一部を改正する法律(昭和六十一年法律第七十三号)の施行の日(昭和六十一年十一月二十六日)から施行する。

附 則(昭和六二年三月二七日運輸省令第二九号)抄

(施行期日)

第一条この省令は、昭和六十二年四月一日から施行する。

附 則(昭和六二年五月二一日運輸省令第四〇号)抄

(施行期日)

第一条この省令は、公布の日から施行する。

附 則(昭和六二年七月一三日運輸省令第五〇号)

(施行期日)

1この省令は、公布の日から施行する。

(経過措置)

2この省令の施行の際現に供用されている飛行場に係る飛行場標識施設については、改正後の第七十九条第一項第九号及び別表第五の規定にかかわらず、この省令の施行の日から起算して二年を経過する日までは、なお従前の例によることができる。ただし、当該飛行場において滑走路の新設又は改良の工事が行われたときは、この限りでない。
3この省令の施行の際現に工事に着手され、又は設置されている進入角指示灯については、改正後の第百十七条第一項第三号ニ(一)から(四)までの規定にかかわらず、昭和六十九年十二月三十一日までは、なお従前の例によることができる。
4この省令の施行の際現に設置されている滑走路灯については、改正後の第百十七条第一項第三号チ(二)bの規定にかかわらず、この省令の施行の日から起算して六月を経過する日までは、なお従前の例によることができる。
5この省令の施行の際現に設置されている滑走路灯の、改正後の第百十七条第一項第三号チ(二)bに掲げる基準に適合させるための灯光の色の変更については、第百二十条の規定にかかわらず、同条第一号の灯質の変更には該当しないものとみなす。

附 則(昭和六二年一〇月三〇日運輸省令第六一号)

この省令は、日本航空株式会社法を廃止する等の法律の施行の日(昭和六十二年十一月十八日)から施行する。

附 則(昭和六二年一一月一九日運輸省令第六二号)

この省令は、公布の日から施行する。

附 則(昭和六三年三月三一日運輸省令第六号)

この省令は、昭和六十三年四月一日から施行する。

附 則(昭和六三年六月三〇日運輸省令第二二号)

この省令は、昭和六十三年七月一日から施行する。

附 則(昭和六三年一一月一九日運輸省令第三四号)

(施行期日)

1この省令は、昭和六十三年十一月二十六日から施行する。

(経過措置)

2この省令の施行の際現に航空機に積載されている放射性物質等の輸送については、この省令による改正後の航空法施行規則第百九十四条第二項第二号ヘの規定にかかわらず、当該輸送が終了するまでは、なお従前の例による。

附 則(平成元年二月七日運輸省令第二号)

(施行期日)

1この省令は、公布の日から施行する。ただし、第四十二条第二項の改正規定は公布の日から起算して十四日を経過した日から、第百九十八条の四の改正規定は公布の日から起算して五月を経過した日から、第二百九条の三、第二百九条の四及び別表第四の改正規定は公布の日から起算して三月を経過した日から施行する。

(経過措置)

2この省令の施行前に、操縦者に係る資格についての技能証明について、二千七百キログラム以下の最大離陸重量を有する回転翼航空機の型式について限定が付されている場合には、当該限定は、改正後の第五十三条第一項の規定による当該型式の回転翼航空機が属する等級についての限定とみなす。
3この省令の施行前に、操縦者に係る資格についての技能証明について、二千七百キログラムを超える最大離陸重量を有する回転翼航空機の型式について限定が付されている場合には、当該技能証明について、改正後の第五十三条第一項の規定による当該型式の回転翼航空機が属する等級についても合わせて限定が付されているものとみなす。
4この省令の施行前にした操縦者に係る資格についての回転翼航空機に係る技能証明の申請又は技能証明の限定の変更の申請は、改正後の第五十三条第一項又は第五十四条第一号の規定による回転翼航空機の等級又は型式についての限定に係る申請とみなす。ただし、新たに二千七百キログラム以下の最大離陸重量を有する回転翼航空機の型式についての限定を受けようとする場合であって、前二項の規定により申請者の現に有する技能証明の型式についての限定が、当該型式の回転翼航空機が属する等級についての限定とみなされた場合は、この限りでない。
5この省令の施行の際現に存する陸上ヘリポート(航空法(昭和二十七年法律第二百三十一号)第三十八条第一項の許可の申請をしたものであって供用を開始していないものを含む。)の進入区域の長さ、進入表面のこう配、水平表面の半径の長さ並びに滑走路、着陸帯及び誘導路の規格については、改正後の第一条の二、第二条第三号、第三条第二号及び第七十九条第一項第五号の三の規定にかかわらず、なお従前の例による。ただし、当該陸上ヘリポートの施設に変更を加える場合は、当該施設の規格については、この限りでない。
6この省令の施行前に航空身体検査証明の申請をした者に係る身体検査基準については、当該申請に係る航空身体検査証明に限り、なお従前の例による。
7この省令の施行の際現に航空身体検査証明を有する者に係る身体検査基準については、当該航空身体検査証明の有効期間内に限り、なお従前の例による。

附 則(平成元年二月二七日運輸省令第五号)抄

(施行期日)

第一条この省令は、平成元年四月一日(以下「施行日」という。)から施行する。

附 則(平成元年七月二〇日運輸省令第二四号)

この省令は、公布の日から施行する。

附 則(平成二年四月二七日運輸省令第九号)

この省令は、電波法の一部を改正する法律(平成元年法律第六十七号)の施行の日(平成二年五月一日)から施行する。

附 則(平成二年七月三〇日運輸省令第二三号)抄

(施行期日)

1この省令は、貨物運送取扱事業法及び貨物自動車運送事業法の施行の日(平成二年十二月一日)から施行する。

附 則(平成二年一二月一〇日運輸省令第三五号)

(施行期日)

1この省令は、平成三年一月一日から施行する。

(経過措置)

2この省令の施行の際現に航空機に積載されている放射性物質等の輸送については、この省令による改正後の航空法施行規則(以下「新規則」という。)第百九十四条第二項第二号ニの規定にかかわらず、当該輸送が終了するまでは、なお従前の例による。
3平成三年一月一日前に核原料物質、核燃料物質及び原子炉の規制に関する法律(昭和三十二年法律第百六十六号)第五十九条の二第三項、危険物船舶運送及び貯蔵規則(昭和三十二年運輸省令第三十号)第九十一条の九の二第一項(第三百八十四条第二項において準用する場合を含む。)又は放射性同位元素等による放射線障害の防止に関する法律(昭和三十二年法律第百六十七号)第十八条の二第三項の規定による承認を受けた容器及び同日前に当該承認の申請がなされ、同日以後に当該承認を受けた容器であってこれらの法令の規定による確認を受けたものに係る新規則第百九十四条第二項第二号ハ又はヘの確認については、同条第三項及び第四項の規定にかかわらず、平成四年十二月三十一日までは、なお従前の例による。

附 則(平成二年一二月二〇日運輸省令第三六号)

(施行期日)

1この省令は、公布の日から施行する。ただし、第百九十四条の改正規定及び附則第三項の規定は、平成三年一月一日から施行する。

(経過措置)

2この省令の施行の際現に航空法第十条の二第一項の認定を受けている者に対する同法第十条の二並びに第十六条第二項及び第四項の規定の適用については、この省令による改正後の航空法施行規則(以下「新規則」という。)第十六条の四及び第十六条の五の規定にかかわらず、この省令の施行の日から起算して一年を経過する日(同日前に新規則第十六条の四に規定する資格及び経験を有することについての認定を受けた者にあっては、当該認定を受けた日)(以下「基準日」という。)までの間は、なお従前の例による。この場合において、この省令の施行の際現に受けている認定は、基準日に、その効力を失う。
3航空法施行規則第百九十四条の改正規定の施行の際現に航空機で輸送されている爆発物等については、新規則第百九十四条第二項第一号ロの規定にかかわらず、当該輸送が終了するまでの間は、なお従前の例による。
4この省令の施行前にこの省令による改正前の航空法施行規則第二百四十条第一項第三十七号の規定に基づき地方航空局長に対してなされた申請(新規則第二百四十条第一項第三十七号に掲げる権限に係る申請を除く。)は、運輸大臣に対してされた申請とみなす。

附 則(平成四年二月七日運輸省令第七号)

(施行期日)

1この省令は、公布の日から施行する。

(経過措置)

2この省令の施行前にした電子時計に係る予備品証明及び航空法第十七条第三項の確認の有効期間については、この省令による改正後の航空法施行規則第三十条の十の規定にかかわらず、なお従前の例による。

附 則(平成五年一月二〇日運輸省令第一号)

(施行期日)

1この省令は、公布の日から施行する。

(経過措置)

2この省令の施行の際現に工事に着手され、又は設置されている進入灯、滑走路灯、滑走路末端灯、滑走路末端補助灯、滑走路中心線灯、接地帯灯又は誘導路中心線灯については、改正後の第百十七条第一項第三号ハ(二)d、同号ハ(二)i、同号チ(二)c、同号リ(二)d、同号リ(二)e、同号ヌ(三)、同号ヲ(三)、同号ワ(三)、同号ナ(二)から(四)又は同号ナ(七)から(九)の規定にかかわらず、平成十六年十二月三十一日までは、なお従前の例によることができる。
3この省令の施行の際現に供用されている飛行場に係る停止位置標識については、改正後の別表第五第九項の規定にかかわらず、この省令の施行の日から起算して三年を経過する日までは、なお従前の例によることができる。ただし、当該飛行場において当該誘導路の新設又は改良の工事が行われたときは、この限りでない。

附 則(平成五年三月二四日運輸省令第四号)

(施行期日)

1この省令は、公布の日から施行する。ただし、第四十八条及び第百七十条の三の改正規定は、平成五年四月一日から施行する。

(経過措置)

2航空法施行規則第四十八条及び第百七十条の三の改正規定の施行前に行われた航空従事者技能証明、航空従事者技能証明の限定の変更、計器飛行証明及び操縦教育証明並びに運航管理者技能検定の学科試験に合格した者に係る試験の免除については、この省令による改正後の航空法施行規則(以下「新規則」という。)第四十八条及び第百七十条の三の規定にかかわらず、なお従前の例による。
3この省令の施行の際現に航空機で輸送されている爆発物等については、新規則第百九十四条第一項第二号の規定にかかわらず、当該輸送が終了するまでは、なお従前の例による。

附 則(平成五年四月一日運輸省令第一二号)

この省令は、公布の日から施行する。

附 則(平成五年六月二四日運輸省令第一七号)

この省令は、公布の日から施行する。

附 則(平成六年三月二四日運輸省令第七号)

この省令は、公布の日から施行する。

附 則(平成六年三月三〇日運輸省令第一二号)抄

1この省令は、公布の日から施行する。ただし、次の各号に掲げる規定は、それぞれ当該各号に定める日から施行する。
一から三まで略
四第三条、第十八条、第四十四条及び第四十五条の規定平成六年十月一日

附 則(平成六年三月三〇日運輸省令第一三号)

1この省令は、平成六年四月一日から施行する。
2この省令の施行前に完了した登記に係る施行前の運輸大臣の所管に属する公益法人の設立及び監督に関する規則第五条の規定による届出については、なお従前の例による。

附 則(平成六年六月二四日運輸省令第二六号)

この省令は、公布の日から施行する。

附 則(平成六年六月二九日運輸省令第三〇号)

この省令は公布の日から施行する。

附 則(平成六年九月三〇日運輸省令第四六号)抄

(施行期日)

第一条この省令は、行政手続法の施行の日(平成六年十月一日)から施行する。

(聴聞に関する規定の整備に伴う経過措置)

第三条この省令の施行前に運輸省令の規定により行われた聴聞、聴問若しくは聴聞会(不利益処分に係るものを除く。)又はこれらのための手続は、この省令による改正後の関係省令の相当規定により行われたものとみなす。

附 則(平成六年一一月九日運輸省令第四九号)

この省令は、平成六年十一月十六日から施行する。ただし、次の各号に掲げる規定は、当該各号に定める日から施行する。
一第一条中航空法施行規則第三十六条及び第四十一条の改正規定、同令第四十一条の五を第四十一条の八とし、第四十一条の二から第四十一条の四までを三条ずつ繰り下げ、第四十一条の次に三条を加える改正規定、同令第二百三十五条の改正規定並びに同令第十八号の二様式の改正規定平成七年四月一日
二第二条の規定平成十四年四月一日

附 則(平成六年一一月二九日運輸省令第五三号)

この省令は、航空法の一部を改正する法律(平成六年法律第七十六号)附則第一条第四号に定める日(平成六年十二月一日)から施行する。

附 則(平成六年一二月二六日運輸省令第五五号)

(施行期日)

1この省令は、公布の日から施行する。ただし、第百九十四条の改正規定は、平成七年一月一日から、別表第四、第二十二号様式及び第二十六号様式の改正規定は、平成七年四月一日から施行する。

(経過措置)

2この省令の施行の際現に航空機で輸送されている物件については、当該輸送が終了するまでは、この省令による改正前の航空法施行規則(以下「旧規則」という。)第百九十四条第一項第三号の規定を適用する。
3この省令の施行の際現に法第百四条第一項(法第百二十二条第一項において準用する場合を含む。)の規定による認可を受けている運航規程及び整備規程については、この省令による改正後の航空法施行規則第二百十四条第一号ヲ及び第二号リの規定にかかわらず、この省令の施行の日から六月間は、同条第一号ヲ及び第二号リに掲げる事項は定めなくてもよい。
4この省令の施行前に航空身体検査証明の申請をした者に係る身体検査基準については、当該申請に係る航空身体検査証明に限り、旧規則第六十一条の二及び別表第四の規定を適用する。
5この省令の施行の際現に航空身体検査証明を有する者に係る身体検査基準については、当該航空身体検査証明の有効期間内に限り、旧規則第六十一条の二及び別表第四の規定を適用する。

附 則(平成七年四月一四日運輸省令第二六号)

(施行期日)

1この省令は、公布の日から施行する。

(経過措置)

2この省令の施行前にした与圧室用過給器、水・アルコール噴射ポンプ、フエザリング・ポンプ、非金属製燃料タンク、非金属製固定ピツチ・プロペラ、回転翼(全金属製のものを除く。)、燃料ポンプ、気化器、起動機及び磁石発電機に係る予備品証明及び航空法第十七条第三項の確認の有効期間については、この省令による改正後の航空法施行規則第三十条の十の規定にかかわらず、なお従前の例による。

附 則(平成七年五月八日運輸省令第三〇号)

この省令は、公布の日から施行する。

附 則(平成八年一月四日運輸省令第一号)

(施行期日)

1この省令は、公布の日から起算して五年を経過した日から施行する。ただし、第十六条の六及び第二十七条の改正規定は公布の日から施行する。

(経過措置)

2改正後の航空法施行規則第百四十七条第五号に掲げる航空機衝突防止装置を装備しなければならない航空機であって、外国の国籍を有するもの及び技術上の理由その他のやむを得ない理由により当該装置を装備することが困難であると国土交通大臣が告示で定める型式のものについては、同条の規定にかかわらず、国土交通大臣が告示で指定する期間は、当該装置を装備しないで航空の用に供することができる。

附 則(平成八年九月一九日運輸省令第五一号)

(施行期日)

1この省令は、公布の日から施行する。

(経過措置)

2この省令の施行の際現に航空法第百四条第一項(同法第百二十二条第一項において準用する場合を含む。)の規定による認可を受けている運航規程については、この省令による改正後の航空法施行規則第二百十四条第一号ロからホまでの規定にかかわらず、この省令の施行の日から六月間は、同号ロからホまでに掲げる事項のうち客室乗務員に関するものは定めなくてもよい。

附 則(平成九年三月一九日運輸省令第一四号)

(施行期日)

1この省令は、平成九年四月一日から施行する。

(経過措置)

2この省令の施行前に交付した改正前の航空法施行規則(以下「旧規則」という。)第二十号様式による技能証明書、旧規則第二十四号様式による航空身体検査証明書、旧規則第二十七号様式による航空機操縦練習許可書及び旧規則第二十九号の二様式による運航管理者技能検定合格証明書(以下「旧技能証明書等」という。)は、それぞれ改正後の航空法施行規則(以下「新規則」という。)第二十号様式による技能証明書、新規則第二十四号様式による航空身体検査証明書、新規則第二十七号様式による航空機操縦練習許可書及び新規則第二十九号様式による運航管理者技能検定合格証明書(以下「新技能証明書等」という。)とみなす。
3この省令の施行の際現にされている旧規則の規定による申請に係る技能証明申請書、学科試験受験申込書、実地試験受験申込書、技能証明限定変更申請書、計器飛行証明申請書、操縦教育証明申請書及び運航管理者技能検定申請書の様式については、新規則第十九号様式及び第十九号の二様式にかかわらず、なお従前の例による。
4旧技能証明書等を有する者は、当該旧技能証明書等と引換えに、新技能証明書等の交付を受けることができる。
5前項の規定による新技能証明書等の交付を申請する者は、引換申請書(別記様式)に、新規則第四十二条第二項に規定する写真一葉を添えて、国土交通大臣(指定航空身体検査医から交付を受けた旧規則による航空身体検査証明書に係るときは、当該指定航空身体検査医。次項において同じ。)に提出しなければならない。
6国土交通大臣は、前項の申請があったときは、当該申請に係る旧技能証明書等と引換えに新技能証明書等を申請者に交付する。
7前項の規定により交付される新規則による航空身体検査証明書及び操縦練習許可書の有効期間の起算日は、同項の規定により引き換えられる旧規則による航空身体検査証明書及び操縦練習許可書の有効期間の起算日とする。
別記様式(附則第5項関係)
[別画面で表示]

附 則(平成九年四月一日運輸省令第二四号)抄

(施行期日)

第一条この省令は、航空法の一部を改正する法律(平成八年法律第三十五号。以下「改正法」という。)の施行の日(平成九年十月一日)から施行する。

(耐空検査員の認定に関する経過措置)

第二条この省令の施行前にこの省令による改正前の航空法施行規則(以下「旧規則」という。)の第十六条の四に規定する資格及び経験を有することについて航空法第十条の二第一項の認定を受けた者は、国際民間航空条約の附属書十六第一巻及び第二巻に定める基準に関して運輸大臣が行う講習を修了したときは、この省令による改正後の航空法施行規則(以下「新規則」という。)第十六条の四に規定する資格及び経験を有することについて航空法第十条の二第一項の認定を受けたものとみなす。

(騒音基準等の適用に関する経過措置)

第三条この省令の施行の際現に改正法による改正前の航空法(以下「旧法」という。)第十条第一項又は旧法第十条の二第一項の規定による耐空証明を受けている航空機についての新規則第十四条第二項及び第三項の規定の適用については、同条第二項中「附属書第二の適用を受ける航空機」とあるのは「附属書第二の適用を受ける航空機(その騒音が附属書第二に定める基準に適合するように改造することが困難であると国土交通大臣が認めたものを除く。)」と、同条第三項中「附属書第三の適用を受ける航空機」とあるのは「附属書第三の適用を受ける航空機(その発動機の排出物が附属書第三に定める基準に適合するように改造することが困難であると国土交通大臣が認めたものを除く。)」とする。

(修理改造検査に関する経過措置)

第四条改正法附則第六条に規定する申請に係る修理改造検査及び改正法附則第二条第三項に規定する旧証明航空機(同項ただし書の規定により運輸大臣が改正法による改正後の航空法(以下「新法」という。)第十条第四項第二号又は第三号の基準に適合すると認めたものを除く。)の使用者が、改正法附則第二条第一項の規定により当該旧証明航空機が受けたものとみなされた新法の規定による耐空証明の有効期間中に、当該旧証明航空機について受ける修理改造検査については、新規則第二十四条、新規則第二十四条の二及び新規則第二十六条の二の規定にかかわらず、なお従前の例による。

(装備品基準適合証に関する経過措置)

第五条改正法附則第八条第一項の規定により新法第二十条第一項第五号の能力について同項の規定による認定を受けたものとみなされた者は、当該認定の有効期間中に新法第十七条第三項第三号の確認をしたときは、新規則第四十一条の規定にかかわらず、旧規則第三十条の九第一号、第二号及び第四号から第六号に掲げる事項を記載した確認票を当該確認に係る装備品の使用者に交付することができる。
2前項の確認票は、新規則第四十一条の規定による装備品基準適合証とみなす。

(職権の委任に関する経過措置)

第六条この省令の施行前にした申請に係る運輸大臣の権限であつて新規則第二百四十条及び新規則第二百四十二条の規定により新たに地方航空局長に行わせることとなつたものについては、新規則第二百四十条及び新規則第二百四十二条の規定にかかわらず、なお運輸大臣が行う。

附 則(平成九年七月九日運輸省令第四七号)

この省令は、私的独占の禁止及び公正取引の確保に関する法律の適用除外制度の整理等に関する法律の施行の日(平成九年七月二十日)から施行する。

附 則(平成九年九月一〇日運輸省令第五八号)抄

(施行期日)

1この省令は、令の施行の日(平成九年十月一日)から施行する。

附 則(平成九年一〇月一日運輸省令第六七号)

(施行期日)

1この省令は、公布の日から施行する。

(経過措置)

2改正後の附属書第二2―1bに掲げる航空機であって、当該航空機と同一の型式の航空機のうち耐空証明等の申請の受理等が最初になされる航空機についての当該申請の受理等が平成十四年三月十九日までの間になされるものについての同附属書2―1の規定の適用については、同附属書2―1中「650m」とあるのは、「450m又は650m」とする。

附 則(平成九年一二月一五日運輸省令第八五号)

(施行期日)

1この省令は、平成十年一月一日から施行する。

(経過措置)

2第一条の規定による改正前の航空法施行規則第二十二号様式及び第二十四号の二様式による航空身体検査証明申請書及び航空身体検査指定機関指定申請書については、それぞれ第一条の規定による改正後の航空法施行規則第二十二号様式及び第二十四号の二様式にかかわらず、当分の間、なおこれを使用することができる。この場合には、氏名を記載し、押印することに代えて、署名することができる。

附 則(平成一〇年二月二日運輸省令第三号)

(施行期日)

1この省令は、公布の日から施行する。

(経過措置)

2改正前の第十九号様式及び第十九号の二様式による技能証明申請書、技能証明限定変更申請書、運航管理者技能検定申請書、計器飛行証明申請書及び操縦教育証明申請書並びに実地試験申込書については、それぞれ改正後の第十九号様式及び第十九号の二様式にかかわらず、当分の間、なおこれを使用することができる。この場合には、郵便番号の欄には郵便番号の上五けたを記入するものとする。

附 則(平成一〇年二月二五日運輸省令第七号)

(施行期日)

1この省令は、平成十年四月一日から施行する。

(経過措置)

2この省令の施行の際現に工事に着手され、又は設置されている飛行場灯台、誘導案内灯及び高光度航空障害灯については、改正後の第百十七条第一項第三号イ(三)及び(四)並びにヰ(四)、(五)及び(八)、第百二十七条第一項第一号イ(三)及び第二号イ並びに第百二十八条第一項第七号の規定にかかわらず、平成二十年三月三十一日までは、なお従前の例によることができる。

附 則(平成一〇年五月一五日運輸省令第二七号)

この省令は、公布の日から施行する。

附 則(平成一〇年五月二七日運輸省令第三二号)

この省令は、航空法の一部を改正する法律(平成十年法律第七十五号)の施行の日から施行する。

附 則(平成一〇年六月一九日運輸省令第四〇号)

この省令は、国際民間航空条約の改正に関する千九百八十四年五月十日にモントリオールで署名された議定書が日本国について効力を生ずる日から施行する。

附 則(平成一一年三月二五日運輸省令第一二号)

この省令は、公布の日から施行する。

附 則(平成一一年六月一一日運輸省令第二五号)

(施行期日)

1この省令は、航空法の一部を改正する法律(平成十一年法律第七十二号)附則第一条第一号に定める日(平成十一年七月十一日)から施行する。ただし、第二条及び附則第四項から第八項までの規定は平成十四年七月十一日から、第三条及び附則第九項の規定は平成十七年一月一日から施行する。

(経過措置)

2第一条の規定による改正後の航空法施行規則(以下「平成十一年新規則」という。)第百四十七条の規定により対地接近警報装置を装備しなければならない航空機であって、技術上の理由その他のやむを得ない理由により当該装置を装備することが困難であると認めて国土交通大臣が告示で定める型式のものについては、同条の規定にかかわらず、当該型式の航空機ごとに国土交通大臣が告示で指定する期間は、当該装置を装備しなくてよい。
3平成十一年新規則第百四十九条第一項の規定により飛行記録装置を装備し、及び作動させなければならない航空機であって、昭和四十四年九月三十日以前に当該型式の航空機について最初の航空法第十条第一項の規定による耐空証明又は国際民間航空条約の締約国たる外国による耐空性についての証明その他の行為(以下「耐空証明等」という。)がなされたものについては、平成十一年新規則第百四十九条第一項の規定にかかわらず、当分の間、経過時間、高度、対気速度、機首方位、垂直加速度及び航空交通管制機関と連絡した時刻を記録できる飛行記録装置を装備し、及び作動させればよい。
4第二条の規定による改正後の航空法施行規則(以下「平成十四年新規則」という。)第百四十七条の規定により対地接近警報装置を装備しなければならない航空機であって、技術上の理由その他のやむを得ない理由により当該装置を装備することが困難であると認めて国土交通大臣が告示で定める型式のものについては、同条の規定にかかわらず、当該型式の航空機ごとに国土交通大臣が告示で指定する期間は、当該装置を装備しなくてよい。
5平成十四年新規則第百四十九条第一項の規定により航空機の運航の状況を記録するための装置を装備し、及び作動させなければならない航空機であって、技術上の理由その他のやむを得ない理由により飛行記録装置又は操縦室用音声記録装置を装備することが困難であると認めて国土交通大臣が告示で定める型式のもの(次項から第八項までの航空機を除く。)については、同条第一項の規定にかかわらず、当該型式の航空機ごとに国土交通大臣が告示で指定する期間は、当該装置を装備しなくてよい。
6平成十四年新規則第百四十九条第一項の規定により飛行記録装置を装備し、及び作動させなければならない航空機であって、技術上の理由その他のやむを得ない理由により同項に規定する事項を記録できる飛行記録装置を装備することが困難であると認めて国土交通大臣が告示で定めるものについては、同項の規定にかかわらず、当該航空機ごとに国土交通大臣が告示で定める事項を記録できる飛行記録装置を装備し、及び作動させればよい。
7平成十四年新規則第百四十九条第一項の規定により飛行記録装置を装備し、及び作動させなければならない航空機であって、昭和四十四年九月三十日以前に当該型式の航空機について最初の耐空証明等がなされ、かつ、平成三年十月十一日前に当該航空機について最初の耐空証明等がなされたものについては、同項の規定にかかわらず、当分の間、経過時間、高度、対気速度、機首方位、垂直加速度及び航空交通管制機関と連絡した時刻を記録できる飛行記録装置を装備し、及び作動させればよい。
8航空運送事業の用に供する飛行機以外の飛行機及び回転翼航空機であって、第二条の規定の施行の際現に登録されているものについては、平成十四年新規則第百四十九条の規定は、適用しない。
9第三条の規定による改正後の航空法施行規則第百四十七条の規定により航空機衝突防止装置を装備しなければならない航空機であって、技術上の理由その他のやむを得ない理由により当該装置を装備することが困難であると認めて国土交通大臣が告示で定める型式のものについては、同条の規定にかかわらず、当該型式の航空機ごとに国土交通大臣が告示で指定する期間は、当該装置を装備しなくてよい。

附 則(平成一一年九月一七日運輸省令第四〇号)

(施行期日)

1この省令は、航空法の一部を改正する法律(以下「改正法」という。)附則第一条第二号に定める日(平成十二年二月一日)から施行する。

(経過措置)

2改正法附則第九条第一項の規定により改正法による改正後の航空法(昭和二十七年法律第二百三十一号。以下「新法」という。)第百条第一項の許可を受けたものとみなされた者(改正法による改正前の航空法(以下「旧法」という。)第百条第一項の定期航空運送事業の免許を受けていた者を除く。)が経営する航空運送事業の用に供する航空機及び客席数が六十以下の航空機は、この省令の施行の日から六月間は、この省令による改正後の航空法施行規則(以下「新規則」という。)第百六十三条第一項及び第百六十六条の六の規定にかかわらず、航空法第七十二条第一項及び同法第七十七条の運輸省令で定める航空機に含まれないものとする。
3改正法附則第九条第一項の規定の適用を受ける者は、遅滞なく、次の表の上欄に掲げる区分に応じ、同表の下欄に掲げる事項を記載した書類を運輸大臣に提出しなければならない。
旧法第百条第一項の定期航空運送事業の免許を受けていた者であって、新法第百条第一項の許可を受けたものとみなされたもの(国際航空運送事業を経営している者に限る。)新規則第二百十条第二項第二号に掲げる事項
旧法第百二十一条第一項の不定期航空運送事業の免許を受けていた者(旧法第百条第一項の定期航空運送事業の免許を受けていた者を除く。)であって、新法第百条第一項の許可を受けたものとみなされたもの(国際航空運送事業を経営している者を除く。)新規則第二百十条第一項第三号に掲げる事項(航空機の運航管理の施設の概要に限る。)及び同項第四号に掲げる事項
旧法第百二十一条第一項の不定期航空運送事業の免許を受けていた者(旧法第百条第一項の定期航空運送事業の免許を受けていた者を除く。)であって、新法第百条第一項の許可を受けたものとみなされたもの(国際航空運送事業を経営している者に限る。)新規則第二百十条第一項第三号に掲げる事項(航空機の運航管理の施設の概要に限る。)並びに同項第四号及び同条第二項第二号に掲げる事項
新法第百二十三条第一項の許可を受けたものとみなされた者新規則第二百二十七条第一項第三号に掲げる事項(航空機の運航管理の施設の概要に限る。)及び同項第四号に掲げる事項
4改正法附則第九条第二項の規定の適用を受けようとする者は、次の表の上欄に掲げる区分に応じ、同表の下欄に掲げる事項を記載した書類を運輸大臣に提出しなければならない。
旧法第百条第一項の免許の申請をしている者(国際航空運送事業を経営しようとする者に限る。)新規則第二百十条第二項第二号に掲げる事項
旧法第百二十一条第一項の免許の申請をしている者(国際航空運送事業を経営しようとする者を除く。)新規則第二百十条第一項第三号に掲げる事項(航空機の運航管理の施設の概要に限る。)及び同項第四号に掲げる事項
旧法第百二十一条第一項の免許の申請をしている者(国際航空運送事業を経営しようとする者に限る。)新規則第二百十条第一項第三号に掲げる事項(航空機の運航管理の施設の概要に限る。)並びに同項第四号及び同条第二項第二号に掲げる事項
旧法第百二十三条第一項の免許の申請をしている者新規則第二百二十七条第一項第三号に掲げる事項(航空機の運航管理の施設の概要に限る。)及び同項第四号に掲げる事項
5この省令の施行の際現に旧法第百四条第一項(旧法第百二十二条第一項において準用する場合を含む。)の規定による認可を受けている運航規程については、新規則第二百十四条の表第一号ヘの規定にかかわらず、この省令の施行の日から六月間は、同号ヘに掲げる事項は定めなくてもよい。
6旧法又はこの省令による改正前の航空法施行規則によりした処分、手続その他の行為で、新法又は新規則中相当する規定があるものは、改正法附則第八条から第十二条までに規定するものを除き、新法又は新規則によりしたものとみなす。
7附則第三項及び第四項の規定による書類の受理(新規則第二百四十条第一項第二号に規定する特定本邦航空運送事業者に係るものを除く。)は、地方航空局長に行わせる。
8前項に規定する権限は、当該事業を経営しようとする者又は当該事業を経営する者の住所を管轄区域とする地方航空局長が行う。
9附則第三項又は第四項の規定による書類の提出(新規則第二百四十条第一項第二号に規定する特定本邦航空運送事業者に係るものを除く。)をしようとする者は、その者の住所を管轄区域とする空港事務所長を経由して行うことができる。

附 則(平成一一年一〇月二七日運輸省令第四七号)

(施行期日)

1この省令は、平成十一年十一月四日から施行する。ただし、第三十号様式の改正規定は、公布の日から施行する。

(経過措置)

2この省令の施行前に交付した改正前の航空法施行規則第三十号様式による検査員の証票は、改正後の航空法施行規則第三十号様式による検査員の証票とみなす。

附 則(平成一二年一月一七日運輸省令第一号)

(施行期日)

1この省令は、平成十二年二月一日から施行する。ただし、第百五十条第一項の表の改正規定、同条に一項を加える改正規定、第百五十四条の改正規定中「(最大離陸重量五千七百キログラム以上の航空機に限る。)」を削る部分並びに次項及び附則第五項の規定は、公布の日から起算して三年を経過した日から施行する。

(救急用具に関する経過措置)

2この省令による改正後の航空法施行規則(以下「新規則」という。)第百五十条第一項の規定により救急用具を装備しなければならない航空機であって、技術上の理由その他のやむを得ない理由により当該救急用具を装備することが困難であると認めて国土交通大臣が告示で定めるものについては、同項の規定にかかわらず、当該航空機ごとに国土交通大臣が告示で指定する期間は、当該救急用具を装備しなくてよい。
3新規則第百五十条第二項の規定により救急用具を装備しなければならない航空機であって、技術上の理由その他のやむを得ない理由により当該救急用具を装備することが困難であると認めて国土交通大臣が告示で定めるものについては、同項の規定にかかわらず、当該航空機ごとに国土交通大臣が告示で指定する期間は、当該救急用具を装備しなくてよい。

(航空機の燃料に関する経過措置)

4航空法第六十三条の規定により航空機の携行しなければならない燃料の量については、新規則第百五十三条の規定にかかわらず、この省令の施行の日から起算して一年を経過する日までの間は、なお従前の例によることができる。

(航空機の灯火に関する経過措置)

5第百五十四条の改正規定中「(最大離陸重量五千七百キログラム以上の航空機に限る。)」を削る部分の施行の際現に航空法第十条第一項の規定による耐空証明又は国際民間航空条約の締約国たる外国による耐空性についての証明その他の行為がなされている最大離陸重量五千七百キログラム未満の航空機にあっては、新規則第百五十四条本文の規定にかかわらず、右舷灯、左舷灯及び尾灯で当該航空機を表示すればよい。

(事業許可証に関する経過措置)

6国土交通大臣は、航空法の一部を改正する法律(平成十一年法律第七十二号)附則第九条第一項の規定により同法による改正後の航空法第百条第一項の許可を受けたとみなされた者に対し、新規則第二百十条の二第一項の事業許可証を交付するものとする。

(運航規程に関する経過措置)

7この省令の施行の際現に航空法第百四条第一項の規定による認可を受けている運航規程に係る新規則第二百十四条の表第一号イ下欄に掲げる基準のうち次の各号に掲げるものについては、それぞれこの省令の施行の日から起算して当該各号に規定する期間は、なお従前の例によることができる。
一代替飛行場の選定に関するもの六月
二携行しなければならない燃料の量の決定に関するもの一年
8この省令の施行の際現に航空法第百四条第一項の規定による認可を受けている運航規程については、新規則第二百十四条の表第一号ヲの規定にかかわらず、この省令の施行の日から起算して六月間は、同号ヲに掲げる事項は定めなくてもよい。

(航空機登録証明書に関する経過措置)

9この省令の施行前に交付したこの省令による改正前の航空法施行規則第三号様式による航空機登録証明書(以下「旧航空機登録証明書」という。)は、新規則第三号様式による航空機登録証明書(以下「新航空機登録証明書」という。)とみなす。
10旧航空機登録証明書を有する者は、当該旧航空機登録証明書と引換えに、新航空機登録証明書の交付を受けることができる。
11新規則第九条の規定は、前項の航空機登録証明書の引換交付について準用する。

(職権の委任)

12附則第六項の規定による事業許可証の交付(新規則第二百四十条第一項第二号に規定する特定本邦航空運送事業者に係るものを除く。)は、地方航空局長に行わせる。
13前項に規定する権限は、当該事業を経営する者の住所を管轄区域とする地方航空局長が行う。

附 則(平成一二年三月二日運輸省令第八号)

(施行期日)

1この省令は、平成十二年四月一日から施行する。

(経過措置)

2民法の一部を改正する法律附則第三条第三項の規定により従前の例によることとされる準禁治産者及びその保佐人に関するこの省令による改正規定の適用については、第三条の規定による自動車登録番号標交付代行者規則第三条第四号ハの改正規定を除き、なお従前の例による。

附 則(平成一二年三月三〇日運輸省令第一七号)

この省令は、平成十二年四月一日から施行する。

附 則(平成一二年八月一〇日運輸省令第二八号)

(施行期日)

第一条この省令は、航空法の一部を改正する法律(以下「改正法」という。)附則第一条第三号に定める日(平成十二年九月一日。以下「施行日」という。)から施行する。

(操縦者に係る資格についての技能証明に係る試験の実施に関する経過措置)

第二条この省令による改正前の航空法施行規則(以下「旧規則」という。)別表第三に規定する学科試験のうち、操縦者に係る資格についての技能証明に係るもの(以下「操縦者学科試験」という。)に合格しており、実地試験に合格していない者であって、この省令による改正後の航空法施行規則(以下「新規則」という。)第四十八条の規定により学科試験が免除されるもの及び操縦者学科試験の一部の科目について合格点を得たものであって、新規則第四十八条の二の規定により学科試験の一部が免除されるものが、施行日以後に受ける当該技能証明に係る実地試験については、新規則第五十三条第一項及び別表第三の規定にかかわらず、なお従前の例による。

(旧資格についての技能証明に係る試験の実施に係る経過措置)

第三条改正法附則第二条第一項に規定する旧資格(以下「旧資格」という。)についての技能証明に係る学科試験に合格している者であって、実地試験に合格していないものが、施行日以後に当該合格に係る旧資格に相当する改正法附則第二条第一項に規定する新資格(以下「新資格」という。)についての技能証明を同じ種類の航空機について申請した場合は、申請により、当該合格に係る旧規則第四十七条の通知があった日から二年以内に行われる学科試験を免除する。
2旧資格についての技能証明に係る学科試験の全部の科目について試験を受け、その一部の科目について合格点を得ている者が、施行日以後に当該学科試験に係る旧資格に相当する新資格についての技能証明を申請した場合は、申請により、当該学科試験に係る旧規則第四十七条の通知があった日から一年以内に行われる学科試験に限り、当該全部の科目に係る学科試験及び当該全部の科目に係る学科試験の後当該申請に係る学科試験までの間に行われた学科試験において合格点を得た科目に係る学科試験を免除する。この場合において、当該申請に係る学科試験については、新規則第五十三条第一項及び別表第三の規定にかかわらず、なお従前の例による。
3第一項に規定する者(前項に規定する者が全部の科目について合格した場合には、その者を含む。)であって、新規則第四十八条の規定により学科試験が免除されるものが、合格している学科試験に係る旧資格に相当する新資格についての技能証明に係る実地試験を施行日以後に受ける場合においては、新規則第五十三条第一項及び別表第三の規定にかかわらず、なお従前の例による。

(航空工場整備士の資格についての技能証明に係る試験の実施に関する経過措置)

第四条旧規則別表第三に規定する学科試験のうち、航空工場整備士の資格についての技能証明に係るものに合格している者であって、実地試験に合格していないものが、施行日以後に当該合格に係る資格と同じ資格の技能証明を同じ種類の業務について申請した場合は、申請により、当該合格に係る旧規則第四十七条の通知があった日から二年以内に行われる学科試験を免除する。
2旧規則別表第三に規定する学科試験のうち、航空工場整備士の資格についての技能証明に係るものの全部の科目について試験を受け、その一部の科目について合格点を得ている者が、施行日以後に当該学科試験に係る資格と同じ資格についての技能証明を申請した場合は、申請により、当該学科試験に係る旧規則第四十七条の通知をした日から一年以内に行われる学科試験に限り、当該全部の科目に係る学科試験及び当該全部の科目に係る学科試験の後当該申請に係る学科試験までの間に行われた学科試験において合格点を得た科目に係る学科試験を免除する。この場合において、当該申請に係る学科試験については、新規則第五十五条及び別表第三の規定にかかわらず、なお従前の例による。
3第一項に規定する者(前項に規定する者が全部の科目について合格した場合には、その者を含む。)であって、新規則第四十八条の規定により学科試験が免除されるものが、合格している学科試験に係る資格と同じ資格についての技能証明に係る実地試験を施行日以後に受ける場合においては、新規則第五十五条及び別表第三の規定にかかわらず、なお従前の例による。

(外国の政府が授与した航空業務の技能に係る資格証書を有する者についての技能証明の試験の免除に関する経過措置)

第五条この省令の施行の際現に国際民間航空条約の締約国たる外国の政府が授与した航空業務の技能に係る資格証書を有する者であって、旧規則第五十条の申請をしているものが施行日以後に受ける技能証明の試験については、新規則第五十条第一項の規定にかかわらず、なお従前の例による。

(指定航空従事者養成施設の課程を修了した者に対する試験に関する経過措置)

第六条この省令の施行の際現に指定航空従事者養成施設の課程を修了している者に係る試験の免除及び実地試験については、新規則第五十条の二第二項及び別表第三の規定にかかわらず、当該指定航空従事者養成施設の課程を修了した日から一年を経過するまでの間は、なお従前の例による。
第七条この省令の施行の際現に改正法による改正前の航空法第二十九条第四項の運輸大臣が指定した航空従事者の養成施設の課程に属する者が、施行日から起算して一年を経過するまでの間に旧資格(三等航空整備士に限る。)に相当する新資格についての技能証明を申請する場合には、当該旧資格についての技能証明に係る試験を行うものとする。

(旧資格についての技能証明に係る試験に合格した者に関する経過措置)

第八条附則第三条第三項、附則第六条又は前条の旧資格についての技能証明に係る実地試験に合格した者であって、旧規則第四十三条第一項の要件を満たすものについては、当該旧資格に相当する新資格についての技能証明を行うものとする。

(航空工場整備士の資格についての技能証明の要件に関する経過措置)

第九条附則第四条第三項の航空工場整備士の資格についての技能証明に係る実地試験に合格している者についての年齢並びに整備及び改造の経験については、なお従前の例による。

(航空従事者の養成施設の指定に関する経過措置)

第十条この省令の施行の際現に指定航空従事者養成施設が受けている指定については、当該指定に付された期限が到来するまでの間は、なお効力を有する。
2この省令の施行の際現に申請がなされている航空従事者の養成施設の指定については、新規則第五十条の三から第五十条の五までの規定にかかわらず、なお従前の例による。

(航空従事者養成施設の指定の取消し等に関する経過措置)

第十一条新規則第五十条の十の規定は、この省令の施行前に生じた事由については、適用しない。ただし、指定の取消しに係る同条第一号及び第四号の規定の適用については、この限りではない。

(技能審査員の認定の取消しに関する経過措置)

第十二条新規則第五十条の十一の規定は、この省令の施行前に生じた事由については、適用しない。

(操縦者に係る資格についての技能証明に係る航空機の等級についての限定に関する経過措置)

第十三条この省令の施行の際現に操縦者に係る資格についての技能証明につき旧規則第五十三条第一項の規定によりされている次の表の上欄に掲げる航空機の等級についての限定は、それぞれ新規則第五十三条第一項の規定によりされた同表の下欄に掲げる航空機の等級についての限定とみなす。
陸上単発機陸上単発ピストン機及び陸上単発タービン機
陸上多発機陸上多発ピストン機及び陸上多発タービン機
水上単発機水上単発ピストン機及び水上単発タービン機
水上多発機水上多発ピストン機及び水上多発タービン機
動力滑空機曳えい航装置なし動力滑空機及び曳えい航装置付き動力滑空機
2附則第二条の実地試験に合格した者の当該試験に係る資格についての技能証明については、当該試験に使用された航空機の等級が前項の表の上欄に掲げるものであるときは、同表の下欄に掲げる航空機の等級についての限定をするものとする。
3この省令の施行の際現に操縦者に係る資格についての技能証明に係る実地試験に合格している者であって、技能証明書の交付を受けていないものについて、当該実地試験に使用された航空機の等級が第一項の表の上欄に掲げるものであるときは、限定をする航空機の等級を同表の下欄に掲げるものとする。

(航空整備士の資格についての技能証明に係る限定に関する経過措置)

第十四条この省令の施行の際現に旧資格についての技能証明につき旧規則第五十三条第一項の規定によりされている航空機(飛行機及び飛行船に限る。)の等級についての限定は、新資格についての技能証明につき新規則第五十三条第一項の規定によりされた陸上単発ピストン機、陸上単発タービン機、陸上多発ピストン機、陸上多発タービン機、水上単発ピストン機、水上単発タービン機、水上多発ピストン機及び水上多発タービン機の等級についての限定とみなす。
2この省令の施行の際現に旧規則第五十四条第三号の規定により回転翼航空機の型式についての限定がされている旧資格についての技能証明を受けている者は、新規則第五十三条第一項の規定による当該型式の回転翼航空機が属する等級についての限定をされたものとみなす。
3この省令の施行の際現に旧資格についての技能証明につき旧規則第五十三条第一項の規定によりされている動力滑空機についての等級の限定は、新規則第五十三条第一項の規定によりされた曳えい航装置なし動力滑空機、曳えい航装置付き動力滑空機、上級滑空機及び中級滑空機についての等級の限定とみなす。
4この省令の施行の際現に旧規則第五十四条第三号の規定によりされている運輸大臣が指定する型式の航空機のうち飛行機(附属書第一に規定する耐空類別が飛行機輸送C及び飛行機輸送Tであって、最大離陸重量が一万五千キログラム以下のものに限る。)についての限定は、新資格の技能証明につき新規則第五十四条第三号イの規定によりされた航空機の型式についての限定とみなす。
5この省令の施行の際現に旧規則第五十四条第三号の規定により飛行機の型式についての限定をされている旧資格(一等航空整備士に限る。)についての技能証明を受けている者は、当該型式及び最大離陸重量が一万五千キログラム以下である飛行機(航空法施行規則第五十六条の二に規定する特定飛行機普通N(次項において単に「特定飛行機普通N」という。)及び附属書第一に規定する耐空類別が飛行機輸送Tであるものに限る。)であって告示で定めるものの型式についての限定をされた新資格(一等航空整備士に限る。)についての技能証明を受けたものとみなす。
6この省令の施行の際現に旧資格(二等航空整備士に限る。)についての技能証明(飛行機についての限定がされたものに限る。)を受けている者は、最大離陸重量が一万五千キログラム以下である飛行機(特定飛行機普通N及び附属書第一に規定する耐空類別が飛行機輸送Tであるものに限る。)であって告示で定めるものの型式についての限定をされた新資格(一等航空整備士に限る。)についての技能証明を受けたものとみなす。
7この省令の施行の際現に旧資格(一等航空整備士及び二等航空整備士に限る。)についての技能証明につき旧規則第五十四条第三号の規定によりされている回転翼航空機(附属書第一に規定する耐空類別が回転翼航空機輸送TA級及び回転翼航空機輸送TB級であるものに限る。)の型式についての限定は、新資格(一等航空整備士に限る。)についての技能証明につき新規則第五十四条第三号イの規定によりされた回転翼航空機(附属書第一に規定する耐空類別が回転翼航空機輸送TA級及び回転翼航空機輸送TB級であるものに限る。)の型式についての限定とみなす。
8この省令の施行の際現に旧資格についての技能証明につき新規則第五十四条第三号ロの規定による運輸大臣が指定する型式の航空機のうち回転翼航空機であるものと同一の型式について旧規則第五十四条第三号の規定によりされている限定は、新資格の技能証明につき新規則第五十四条第三号ロの規定によりされた運輸大臣の指定する航空機の型式についての限定とみなす。
第十五条附則第三条第三項の実地試験に合格した者の当該試験に係る旧資格についての技能証明(飛行機又は飛行船についての限定がされるものに限る。)については、新規則第五十三条第一項の規定による陸上単発ピストン機、陸上単発タービン機、陸上多発ピストン機、陸上多発タービン機、水上単発ピストン機、水上単発タービン機、水上多発ピストン機及び水上多発タービン機の等級についての限定をする。
2附則第三条第三項の実地試験に合格した者の当該試験に係る旧資格についての技能証明(回転翼航空機の型式についての限定がされるものに限る。)については、新規則第五十三条第一項の規定による当該型式の回転翼航空機が属する等級についての限定をする。
3附則第三条第三項の実地試験に合格した者の当該試験に係る旧資格についての技能証明(動力滑空機についての限定がされるものに限る。)については、新規則第五十三条第一項の規定による曳えい航装置なし動力滑空機、曳えい航装置付き動力滑空機、上級滑空機及び中級滑空機についての等級の限定をする。
4附則第三条第三項の実地試験に合格した者の当該試験に係る旧資格についての技能証明(旧規則第五十四条第三号の規定による運輸大臣が指定する型式の航空機のうち飛行機(附属書第一に規定する耐空類別が飛行機輸送C及び飛行機輸送Tであって、最大離陸重量が一万五千キログラム以下のものに限る。)についての限定がされるものに限る。)については、新規則第五十四条第三号イの規定による航空機の型式についての限定をする。
5附則第三条第三項の実地試験に合格した者の当該試験に係る旧資格(一等航空整備士に限る。)についての技能証明(飛行機の型式についての限定がされるものに限る。)は、当該型式及び最大離陸重量が一万五千キログラム以下である飛行機(附属書第一に規定する耐空類別が飛行機輸送C及び飛行機輸送Tであるものに限る。)であって告示で定めるものの型式についての限定をされた新資格(一等航空整備士に限る。)について行う。
6附則第三条第三項の実地試験に合格した者の当該試験に係る旧資格(二等航空整備士に限る。)についての技能証明(飛行機についての限定がされるものに限る。)は、最大離陸重量が一万五千キログラム以下である飛行機(附属書第一に規定する耐空類別が飛行機輸送C及び飛行機輸送Tであるものに限る。)であって告示で定めるものの型式についての限定をされた新資格(一等航空整備士に限る。)について行う。
7附則第三条第三項の実地試験に合格した者の当該試験に係る旧資格(一等航空整備士及び二等航空整備士に限る。)についての技能証明(回転翼航空機(附属書第一に規定する耐空類別が回転翼航空機輸送TA級及び回転翼航空機輸送TB級であるものに限る。)の型式についての限定がされるものに限る。)については、新資格(一等航空整備士に限る。)についての技能証明につき新規則第五十四条第三号の規定による回転翼航空機(附属書第一に規定する耐空類別が回転翼航空機輸送TA級及び回転翼航空機輸送TB級であるものに限る。)の型式についての限定をする。
8附則第三条第三項の実地試験に合格した者の当該試験に係る旧資格についての技能証明(新規則第五十四条第三号ロの規定による運輸大臣が指定する型式の航空機のうち回転翼航空機であるものと同一の型式について旧規則第五十四条第三号の規定により限定がされるものに限る。)については、新規則第五十四条第三号ロの規定による運輸大臣の指定する航空機の型式についての限定をする。
第十六条この省令の施行の際現に旧資格についての技能証明に係る実地試験に合格している者であって、技能証明書の交付を受けていないものにつきされる技能証明の限定については、前条の規定を準用する。

(航空工場整備士の資格についての技能証明に係る業務の種類の限定に関する経過措置)

第十七条この省令の施行の際現に航空工場整備士の資格についての技能証明につき旧規則第五十五条の規定によりされている次の表の上欄に掲げる業務の種類の限定は、それぞれ新規則第五十五条の規定によりされた同表の下欄に掲げる業務の種類の限定とみなす。
機体関係機体構造関係及び機体装備品関係
ピストン発動機関係ピストン発動機関係
タービン発動機関係タービン発動機関係
プロペラ関係プロペラ関係
計器関係計器関係及び電子装備品関係
電気関係電気装備品関係及び無線通信機器関係
2附則第四条第三項の実地試験に合格した者の当該試験に係る資格についての技能証明については、当該試験に係る業務の種類が前項の表の上欄に掲げるものであるときは、同表の下欄に掲げる業務の種類についての限定をするものとする。
3この省令の施行の際現に航空工場整備士の資格についての技能証明に係る実地試験に合格している者であって、技能証明書の交付を受けていないものについて、当該試験に係る業務の種類の限定が第一項の表の上欄に掲げるものであるときは、限定をする業務の種類を同表の下欄に掲げるものとする。

(外国の政府が授与した運航管理者の技能検定の合格証書を有する者についての運航管理者技能検定の試験の免除に関する経過措置)

第十八条この省令の施行の際現に国際民間航空条約の締約国たる外国の政府が授与した運航管理者の技能検定の合格証書を有する者であって、旧規則第百七十条の五の申請をしているものが受ける運航管理者技能検定の試験については、新規則第百七十条の五第一項の規定にかかわらず、なお従前の例による。

(装備品基準適合証に関する経過措置)

第十九条この省令の施行の際現に交付されている旧規則第十八号様式による装備品基準適合証(以下「旧装備品基準適合証」という。)は、新規則第十八号様式による装備品基準適合証(以下「新装備品基準適合証」という。)とみなす。
2旧装備品基準適合証を有する者は、当該旧装備品基準適合証と引換えに、新装備品基準適合証の交付を受けることができる。

(技能証明書に関する経過措置)

第二十条この省令の施行の際現に交付されている旧規則第二十号様式による航空従事者技能証明書(限定事項関係に限る。以下「旧技能証明書」という。)は、新規則第二十号様式による航空従事者技能証明書(限定事項関係に限る。以下「新技能証明書」という。)とみなす。
2旧技能証明書を有する者は、当該旧技能証明書と引換えに、新技能証明書の交付を受けることができる。

附 則(平成一二年一一月二九日運輸省令第三九号)抄

(施行期日)

第一条この省令は、平成十三年一月六日から施行する。

附 則(平成一二年一二月二二日運輸省令第四二号)

(施行期日)

1この省令は、公布の日から施行する。

(経過措置)

2この省令の施行の際現に供用されている飛行場に係る停止位置標識については、改正後の別表第五第九項の規定にかかわらず、この省令の施行の日から起算して三年を経過する日までは、なお従前の例によることができる。ただし、当該飛行場において誘導路の新設又は改良の工事が行われたときは、この限りでない。
3この省令の施行の際現に供用されている飛行場に係る停止位置案内標識については、改正後の第七十九条第一項第九号及び別表第五第十項の規定は、この省令の施行の日から起算して三年を経過する日までは、適用しない。ただし、当該飛行場において誘導路の新設又は改良の工事が行われたときは、この限りでない。
4この省令の施行の際現に工事に着手され、又は設置されている航空障害灯については、改正後の第百二十七条及び第百二十八条の規定にかかわらず、なお従前の例によることができる。

附 則(平成一三年三月八日国土交通省令第三六号)

この省令は、公布の日から施行する。

附 則(平成一三年三月一五日国土交通省令第三七号)

この省令は、平成十三年四月一日から施行する。

附 則(平成一三年三月一五日国土交通省令第三八号)抄

(施行期日)

第一条この省令は、平成十三年四月一日から施行する。

附 則(平成一三年六月二五日国土交通省令第一〇一号)抄

(施行期日)

第一条この省令は、平成十三年七月一日(以下「施行日」という。)から施行する。

(航空法施行規則の一部改正に伴う経過措置)

第二条この省令の施行の際現に航空機により輸送されている放射性物質等については、当該輸送が終了するまでの間は、第一条の規定による改正後の航空法施行規則(以下この条において「新規則」という。)の規定にかかわらず、なお従前の例による。
2施行日前に第一条の規定による改正前の航空法施行規則第百九十四条第二項第二号ハ、ニ又はホの確認を受けて、施行日以後航空機により輸送される放射性物質等については、当該輸送が終了するまでの間は、新規則の規定にかかわらず、なお従前の例による。
3国土交通大臣は、施行日前においても、新規則第百九十四条第二項の確認を行うことができる。

附 則(平成一三年七月二七日国土交通省令第一一三号)

(施行期日)

1この省令は、公布の日から施行する。

(経過措置)

2この省令の施行の際現に工事に着手され、又は設置されている航空障害灯については、改正後の第百二十七条の規定にかかわらず、なお従前の例によることができる。

附 則(平成一三年八月一七日国土交通省令第一一八号)

(施行期日)

1この省令は、平成十三年十月一日から施行する。

(経過措置)

2この省令の施行前に航空身体検査証明の申請をした者に係る身体検査基準については、当該申請に係る航空身体検査証明に限り、この省令による改正前の航空法施行規則(以下「旧規則」という。)第六十一条の二及び別表第四の規定を適用する。
3この省令の施行の際現に航空身体検査証明を有する者に係る身体検査基準については、当該航空身体検査証明の有効期間内に限り、旧規則第六十一条の二及び別表第四の規定を適用する。
4この省令の施行の際現に交付されている旧規則第二十号様式による航空従事者技能証明書、第二十四号様式による航空身体検査証明書及び第二十九号様式による運航管理者技能検定合格証明書(以下「旧技能証明書等」という。)は、この省令による改正後の航空法施行規則第二十号様式による航空従事者技能証明書、第二十四号様式による航空身体検査証明書及び第二十九号様式による運航管理者技能検定合格証明書(以下「新技能証明書等」という。)とみなす。
5旧技能証明書等を有する者は、当該旧技能証明書等と引換えに、新技能証明書等の交付を受けることができる。

附 則(平成一三年一〇月九日国土交通省令第一三三号)

この省令は、公布の日から施行する。

附 則(平成一四年三月六日国土交通省令第一八号)

(施行期日)

1この省令は、平成十四年三月二十一日から施行する。

(経過措置)

2この省令の施行の際現に有効な耐空証明における用途の指定については、当該耐空証明の有効期間に限り、なお従前の例による。
3改正後の附属書第二2―1bに掲げるプロペラ飛行機であって、原型機についての最初の耐空証明等の申請の受理等が平成十四年三月十九日までの間になされたものについての同附属書2―1の規定の適用については、同附属書2―1中「650mの点とする。」とあるのは、「650mの点としてもよい。」とする。

附 則(平成一四年五月一日国土交通省令第六〇号)

この省令は、公布の日から施行する。ただし、次の各号に掲げる規定は、当該各号に掲げる日から施行する。
一第百四十九条第一項の表の改正規定平成十四年七月十一日
二第百九十四条第一項の改正規定平成十四年五月三十一日

附 則(平成一四年一二月一三日国土交通省令第一一四号)

(施行期日)

1この省令は、平成十五年一月一日から施行する。ただし、第百五十条第一項及び第四項の改正規定並びに附則第六項及び第七項の規定は、同年四月一日から施行する。

(航空機衝突防止装置に関する経過措置)

2この省令による改正後の航空法施行規則(以下「新規則」という。)第百四十七条の規定により航空機衝突防止装置を装備しなければならない航空機であって、技術上の理由その他のやむを得ない理由により同条第五号に規定する航空機衝突防止装置を装備することが困難であると認めて国土交通大臣が告示で定めるものについては、同条の規定にかかわらず、当該航空機ごとに国土交通大臣が告示で指定する期間は、同号に規定する航空機衝突防止装置を装備しなくてよい。

(航空機の運航の状況を記録する装置に関する経過措置)

3新規則第百四十九条第一項の規定により飛行記録装置を装備し、及び作動させなければならない航空機であって、昭和四十四年九月三十日以前に当該型式の航空機について最初の航空法第十条第一項の規定による耐空証明又は国際民間航空条約の締約国たる外国による耐空性についての証明その他の行為がなされたものについては、新規則第百四十九条第一項の規定にかかわらず、当分の間、経過時間、高度、対気速度、機首方位、垂直加速度及び航空交通管制機関と連絡した時刻を記録できる飛行記録装置を装備し、及び作動させればよい。
4新規則第百四十九条第一項の規定により航空機の運航の状況を記録するための装置を装備し、及び作動させなければならない航空機であって、技術上の理由その他のやむを得ない理由により同項に規定する飛行記録装置又は操縦室用音声記録装置を装備することが困難であると認めて国土交通大臣が告示で定めるものについては、同項の規定にかかわらず、当該航空機ごとに国土交通大臣が告示で指定する期間は、同項に規定する飛行記録装置又は操縦室用音声記録装置を装備しなくてよい。
5航空運送事業の用に供する飛行機以外の飛行機であって、平成十四年七月十一日に登録されていたものについては、新規則第百四十九条の規定は、適用しない。

(航空機用救命無線機に関する経過措置)

6新規則第百五十条第一項又は第四項の規定により航空機用救命無線機を装備しなければならない航空機であって、技術上の理由その他のやむを得ない理由により同条第一項又は第四項に規定する航空機用救命無線機を装備することが困難であると認めて国土交通大臣が告示で定めるものについては、同条第一項及び第四項の規定にかかわらず、当該航空機ごとに国土交通大臣が告示で指定する期間は、同条第一項又は第四項に規定する航空機用救命無線機を装備しなくてよい。
7第百五十条第一項及び第四項の改正規定の施行の日前に航空機に装備された航空機用救命無線機にあっては、新規則第百五十条第一項及び第四項の規定にかかわらず、平成十八年十二月三十一日までの間は、四百六メガヘルツの周波数の電波を送ることができるものであることを要しない。

附 則(平成一五年一月一四日国土交通省令第二号)

この省令は、公布の日から施行する。

附 則(平成一五年三月一八日国土交通省令第二一号)

(施行期日)

第一条この省令は、次の各号に掲げる区分に応じ、それぞれ当該各号に定める日から施行する。
一第一条並びに次条の規定平成十五年四月一日
二第二条及び附則第三条の規定平成十五年十一月一日
三第三条及び附則第四条の規定平成十六年一月一日
四第四条及び附則第五条の規定平成十九年一月一日

(経過措置)

第二条第一条の規定による改正後の航空法施行規則(以下「平成十五年新規則」という。)第百四十七条の規定により同条第三号の二に規定する対地接近警報装置を装備しなければならない航空機であって、第一条の規定の施行の日前に最初の航空法第十条第一項の規定による耐空証明又は国際民間航空条約の締約国たる外国による耐空性についての証明その他の行為(以下「耐空証明等」という。)がなされたものについては、平成十五年新規則第百四十七条の規定にかかわらず、平成十八年十二月三十一日までの間は、同条第四号に規定する対地接近警報装置を装備すればよい。
2平成十五年新規則第百四十七条の規定により同条第三号の二に規定する対地接近警報装置又は同条第四号に規定する対地接近警報装置を装備しなければならない航空機であって、技術上の理由その他のやむを得ない理由により当該装置を装備することが困難であると認めて国土交通大臣が告示で定めるものについては、同条の規定にかかわらず、当該航空機ごとに国土交通大臣が告示で指定する期間は、当該装置を装備しなくてよい。
第三条第二条の規定による改正後の航空法施行規則第百四十七条の規定により同条第六号に規定する乗組員室ドアを装備しなければならない航空機であって、技術上の理由その他のやむを得ない理由により当該装置を装備することが困難であると認めて国土交通大臣が告示で定めるものについては、同条の規定にかかわらず、当該航空機ごとに国土交通大臣が告示で指定する期間は、当該装置を装備しなくてよい。
第四条第三条の規定による改正後の航空法施行規則(以下「平成十六年新規則」という。)第百四十七条の規定により同条第四号に規定する対地接近警報装置を装備しなければならない航空機であって、次に掲げるものについては、同条の規定にかかわらず、平成十八年十二月三十一日までの間は、同号イからホまでに掲げる機能を有する対地接近警報装置を装備すればよい。
一客席数が三十又は最大離陸重量が一万五千キログラムを超える航空機であって、最初の耐空証明等が第一条の規定の施行の日前になされたもの
二客席数が九又は最大離陸重量が五千七百キログラムを超える航空機であって、最初の耐空証明等が第三条の規定の施行の日前になされたもの(前号の航空機を除く。)
2平成十六年新規則第百四十七条の規定により同条第四号に規定する対地接近警報装置を装備しなければならない航空機であって、技術上の理由その他のやむを得ない理由により当該装置を装備することが困難であると認めて国土交通大臣が告示で定めるものについては、同条の規定にかかわらず、当該航空機ごとに国土交通大臣が告示で指定する期間は、当該装置を装備しなくてよい。
3平成十六年新規則第百四十七条の二の規定により同条に規定する対地接近警報装置を装備しなければならない航空機であって、最初の耐空証明等が第三条の規定の施行の日前になされたものについては、同条の規定にかかわらず、平成十八年十二月三十一日までの間は、当該装置を装備しなくてよい。
4平成十六年新規則第百四十七条の二の規定により同条に規定する対地接近警報装置を装備しなければならない航空機であって、技術上の理由その他のやむを得ない理由により当該装置を装備することが困難であると認めて国土交通大臣が告示で定めるものについては、同条の規定にかかわらず、当該航空機ごとに国土交通大臣が告示で指定する期間は、当該装置を装備しなくてよい。
第五条第四条の規定による改正後の航空法施行規則第百四十七条の規定により同条第四号の二に規定する対地接近警報装置を装備しなければならない航空機であって、技術上の理由その他のやむを得ない理由により当該装置を装備することが困難であると認めて国土交通大臣が告示で定めるものについては、同条の規定にかかわらず、当該航空機ごとに国土交通大臣が告示で指定する期間は、当該装置を装備しなくてよい。

附 則(平成一五年三月二〇日国土交通省令第二七号)抄

(施行期日)

第一条この省令は、船舶職員法の一部を改正する法律(以下「改正法」という。)の施行の日(平成十五年六月一日)から施行する。

附 則(平成一五年四月一日国土交通省令第四三号)

この省令は、公布の日から施行する。

附 則(平成一五年七月一八日国土交通省令第八三号)

この省令は、航空法の一部を改正する法律(平成十五年法律第百二十三号)附則第一条ただし書に規定する規定の施行の日(平成十五年七月二十八日)から施行する。

附 則(平成一五年八月二九日国土交通省令第八八号)

この省令は、航空法の一部を改正する法律(平成十五年法律第百二十三号)の施行の日(平成十六年一月十五日)から施行する。

附 則(平成一五年一〇月一日国土交通省令第一〇九号)抄

(施行期日)

第一条この省令は、公布の日から施行する。

(航空法施行規則の一部改正に伴う経過措置)

第四条独立行政法人原子力安全基盤機構法(平成十四年法律第百六十六号)附則第八条の規定による改正前の核原料物質、核燃料物質及び原子炉の規制に関する法律(昭和三十二年法律第百六十六号)(次条において「旧原子炉等規制法」という。)第六十一条の四十二の規定による指定運搬物確認機関の確認を受けた場合におけるこの省令による改正後の航空法施行規則第百九十四条第四項の規定の適用については、同項中「独立行政法人原子力安全基盤機構の確認」とあるのは、「独立行政法人原子力安全基盤機構の確認及び独立行政法人原子力安全基盤機構法(平成十四年法律第百六十六号)附則第八条の規定による改正前の核原料物質、核燃料物質及び原子炉の規制に関する法律(昭和三十二年法律第百六十六号)第六十一条の四十二の規定による指定運搬物確認機関の確認」とする。

附 則(平成一五年一二月二二日国土交通省令第一一八号)抄

(施行期日)

第一条この省令は、平成十六年一月一日(以下「施行日」という。)から施行する。

附 則(平成一五年一二月二五日国土交通省令第一一九号)

この省令は、公布の日から施行する。

附 則(平成一六年二月二六日国土交通省令第六号)抄

(施行期日)

第一条この省令は、平成十六年三月一日から施行する。

附 則(平成一六年三月二二日国土交通省令第一九号)抄

(施行期日)

第一条この省令は、公布の日から施行する。ただし、次条から附則第十一条までの規定は、平成十六年四月一日から施行する。

附 則(平成一六年三月三一日国土交通省令第三四号)

この省令は、公布の日から施行する。

附 則(平成一六年六月七日国土交通省令第六八号)

この省令は、公布の日から施行する。

附 則(平成一六年一二月二一日国土交通省令第一〇七号)

この省令は、平成十七年一月一日から施行する。

附 則(平成一六年一二月二八日国土交通省令第一一二号)

(施行期日)

1この省令は、公布の日から施行する。

(経過措置)

2この省令の施行の際現に存する公共の用に供する飛行場(航空法第三十八条第一項の規定により設置の許可を受けたものであって供用を開始していないものを含む。)の設置者は、平成十七年三月三十一日までに、この省令による改正後の航空法施行規則(以下「新規則」という。)第九十二条第十五号ヌに規定する事項を国土交通大臣に届け出なければならない。
3前項の飛行場の管理については、新規則第九十二条第十二号から第十五号までの規定にかかわらず、同項の届出の日までは、なお従前の例によることができる。
4この省令の施行の際現に存する公共の用に供する飛行場の飛行場灯火(航空法第三十八条第一項の規定により設置の許可を受けたものであって供用を開始していないものを含む。)の設置者は、平成十七年三月三十一日までに、新規則第百二十六条第十二号ヘに規定する事項を国土交通大臣に届け出なければならない。
5前項の飛行場灯火の管理については、新規則第百二十六条第十二号の規定にかかわらず、同項の届出の日までは、なお従前の例によることができる。
6この省令の施行の際現に航空法第百条第一項、第百二十三条第一項又は第百二十九条第一項の許可を受けている者は、平成十七年三月三十一日までに、それぞれ新規則第二百十条第一項第七号、第二百二十七条第一項第五号又は第二百三十二条第一項第七号ホの規定により新たに事業計画に記載すべき事項となった事項を国土交通大臣に届け出なければならない。
7前項の規定により届出のあった事項は、届出の日において当該事業計画に定められたものとみなす。

附 則(平成一七年二月一七日国土交通省令第七号)

この省令は、公布の日から施行する。

附 則(平成一七年三月七日国土交通省令第一二号)抄

(施行期日)

第一条この省令は、公布の日から施行する。

附 則(平成一七年六月一日国土交通省令第六一号)

この省令は、放射性同位元素等による放射線障害の防止に関する法律の一部を改正する法律の施行の日(平成十七年六月一日)から施行する。

附 則(平成一七年八月四日国土交通省令第八四号)

この省令は、航空法の一部を改正する法律(平成十七年法律第八十号)の施行の日(平成十七年十月一日)から施行する。ただし、第百四十七条の二の次に一条を加える改正規定、第百七十七条の改正規定、第百九十一条の次に三条を加える改正規定、第百九十二条の改正規定、第百九十八条の五第二号を改め、同条を第百九十八条の八とする改正規定、第百九十八条の四の次に三条を加える改正規定、第百九十九条及び第二百条の改正規定、第二百二条の二の次に一条を加える改正規定、第二百四十条第一項第二十七号の二の次に一号を加える改正規定並びに第二百四十二条の表第四号中「第八号の三」の下に「、第二十七号の三」を、「当該指定」の下に「、当該許可」を加える改正規定は平成十七年九月三十日から施行する。

附 則(平成一七年一一月二四日国土交通省令第一〇七号)

この省令は、公布の日から施行する。

附 則(平成一七年一二月一日国土交通省令第一一〇号)抄

(施行期日)

第一条この省令は、公布の日から施行する。

附 則(平成一七年一二月二六日国土交通省令第一一七号)

(施行期日)

第一条この省令は、公布の日から施行する。

(航空障害灯及び昼間障害標識に関する経過措置)

第二条この省令の施行前にこの省令による改正前の航空法施行規則(以下「旧規則」という。)第百三十二条の二第一項の規定により国土交通大臣が昼間障害標識を設置する必要がないと認めたもの(架空線に限る。)については、この省令による改正後の航空法施行規則(以下「新規則」という。)第百三十二条の二第一項の規定にかかわらず、この省令の施行の日(以下「施行日」という。)から起算して三年を経過する日までは、なお従前の例によることができる。
2この省令の施行の際現に工事に着手され、又は設置されている航空障害灯又は昼間障害標識については、新規則第百二十七条又は第百三十二条の三の規定にかかわらず、施行日から起算して三年を経過する日までは、なお従前の例によることができる。

(申請等の経由に関する経過措置)

第三条施行日から平成十八年二月十五日までの間における新規則第二百四十三条第四項の規定の適用については、同項中「飛行中において法第九十五条の三の規定により航空交通管制部長に通報をしようとする者」とあるのは、「法第九十五条の三の規定により航空交通管制部長に通報をしようとする者」と、「第二百二条の四の規定により連絡しなければならないこととされている機関の長」とあるのは、「いずれかの空港事務所長又は空港出張所長(飛行中において通報する場合にあつては、第二百二条の四の規定により連絡しなければならないこととされている機関の長)」とする。

附 則(平成一八年三月三一日国土交通省令第三三号)

(施行期日等)

第一条この省令は、平成十八年四月一日から施行する。
2第一条の規定による改正後の航空法施行規則(以下「新規則」という。)第六十三条の四の規定は、平成二十年三月五日(国際民間航空条約第三十七条の規定により国際民間航空機関において航空英語能力証明に係る同条約の附属書の規定を適用する日としてこれより遅い日が決定された場合にあっては、その日)から適用する。

(経過措置)

第二条第一条の規定による改正前の航空法施行規則(以下「旧規則」という。)第十九号様式、第十九号の二様式及び第三十一号様式による技能証明申請書、技能証明限定変更申請書、計器飛行証明申請書、操縦教育証明申請書及び運航管理者技能検定申請書、実地試験受験申込書及び納付書については、それぞれ新規則第十九号様式、第十九号の二様式及び第三十一号様式にかかわらず、当分の間、なおこれを使用することができる。この場合において、旧規則第十九号の二様式による実地試験受験申込書は、新規則第十九号の二様式による実地試験申請書とみなす。
2この省令の施行の際現に交付されている旧規則第三十号様式による検査員の証票は、新規則第三十号様式による検査員の証票とみなす。

附 則(平成一八年四月二八日国土交通省令第五八号)抄

(施行期日)

第一条この省令は、会社法の施行の日(平成十八年五月一日)から施行する。

(経過措置)

第三条この省令の施行前にしたこの省令による改正前の省令の規定による処分、手続、その他の行為は、この省令による改正後の省令(以下「新令」という。)の規定の適用については、新令の相当規定によってしたものとみなす。

附 則(平成一八年七月一四日国土交通省令第七八号)抄

(施行期日)

第一条この省令は、運輸の安全性の向上のための鉄道事業法等の一部を改正する法律の施行の日から施行する。

(航空法施行規則の一部改正に伴う経過措置)

第六条この省令の施行の際現に本邦において航空運送事業(その事業の規模がこの省令による改正後の航空法施行規則(以下「新航空法施行規則」という。以下この条において同じ。)第二百十二条の二に規定する規模未満であるものを除く。)を営む者は、施行日前においても、同令の規定の例による安全管理規程の設定の届出及び安全統括管理者の選任の届出をすることができる。この場合において、当該届出は、同令の相当する規定により施行日に行われたものとみなす。
2前項の規定による届出のうち、特定本邦航空運送事業者以外の本邦航空運送事業者が行う航空運送事業に係るものの受理は、当該事業を経営する者の住所を管轄区域とする地方航空局長が行う。
3第一項の規定による届出をしようとする者は、当該事業を経営する者の住所を管轄区域とする空港事務所長を経由して行うことができる。
4この省令の施行の際現に交付されているこの省令による改正前の航空法施行規則第三十号様式による証票は、新航空法施行規則第三十号様式による証票とみなす。

附 則(平成一八年一二月二八日国土交通省令第一二二号)

(施行期日)

1この省令は、運輸の安全性の向上のための鉄道事業法等の一部を改正する法律附則第一条第二号に掲げる規定の施行の日(平成十九年三月三十日)から施行する。ただし、次の各号に掲げる規定は、当該各号に定める日から施行する。
一第一条中航空法施行規則第百九十四条第一項の改正規定及び次項の規定平成十九年一月一日
二第二条の規定平成二十年三月三十日

(経過措置)

2第一条中航空法施行規則第百九十四条第一項の改正規定の施行の際現に航空機で輸送されている爆発物等については、この省令による改正後の航空法施行規則第百九十四条第一項の規定にかかわらず、当該輸送が終了するまでは、なお従前の例による。

附 則(平成一九年一月四日国土交通省令第一号)

この省令は、防衛庁設置法等の一部を改正する法律の施行の日から施行する。

附 則(平成一九年一月二四日国土交通省令第二号)

(施行期日)

1この省令は、平成十九年四月一日から施行する。ただし、次の各号に掲げる規定は、それぞれ当該各号に定める日から施行する。
一第五十条の三第三項の改正規定公布の日
二第百七十条の六及び第百七十一条の三の改正規定平成十九年三月一日

(経過措置)

2この省令の施行前に航空身体検査証明の申請をした者に係る身体検査基準については、当該申請に係る航空身体検査証明に限り、この省令による改正前の航空法施行規則(以下「旧規則」という。)第六十一条の二及び別表第四の規定を適用する。
3この省令の施行の際現に航空身体検査証明を有する者に係る身体検査基準については、当該航空身体検査証明の有効期間内に限り、旧規則第六十一条の二及び別表第四の規定を適用する。
4この省令の施行の際現に交付されている旧規則第二十四号様式による航空身体検査証明書(以下「旧航空身体検査証明書」という。)は、この省令による改正後の航空法施行規則(以下「新規則」という。)第二十四号様式による航空身体検査証明書(以下「新航空身体検査証明書」という。)とみなす。
5旧航空身体検査証明書を有する者は、当該旧航空身体検査証明書と引換えに、新航空身体検査証明書の交付を受けることができる。
6前項の規定による新航空身体検査証明書の交付を申請する者は、引換申請書(別記様式)を国土交通大臣(指定航空身体検査医から交付を受けた旧航空身体検査証明書に係るときは、当該指定航空身体検査医。次項において同じ。)に提出しなければならない。
7国土交通大臣は、前項の申請があったときは、当該申請に係る旧航空身体検査証明書と引換えに新航空身体検査証明書を申請者に交付する。
8前項の規定により交付される新航空身体検査証明書の有効期間の起算日は、同項の規定により引き換えられる旧航空身体検査証明書の有効期間の起算日とする。
別記様式(附則第六項関係)
[別画面で表示]

附 則(平成一九年六月七日国土交通省令第六四号)

(施行期日)

1この省令は、平成十九年九月二十七日から施行する。ただし、第二百四十条(同条第一項第二十四号の二の改正規定を除く。)、第二百四十条の二及び第二百四十二条の改正規定は同年七月一日から施行する。

(経過措置)

2この省令による改正後の航空法施行規則第百九十一条の二第一項第五号に掲げる特別な方式による航行について航空法第八十三条の二の規定による許可を受けようとする者は、施行日前においても、その申請を行うことができる。
3この省令の施行の際現に改正前の航空法施行規則第二百六条の規定により航行している航空機については、この省令による改正後の航空法施行規則第二百六条の規定にかかわらず、その航行が終了するまでは、なお従前の例による。

附 則(平成二〇年三月三一日国土交通省令第一七号)抄

(施行期日)

第一条この省令は、平成二十年四月一日から施行する。

附 則(平成二〇年六月一八日国土交通省令第四四号)抄

(施行期日)

1この省令は、公布の日から施行する。

附 則(平成二〇年六月三〇日国土交通省令第五四号)

(施行期日)

1この省令は、平成二十年七月一日から施行する。

(経過措置)

2この省令の施行の際現に存する滑走路、着陸帯、誘導路及びエプロン(それらの新設又は変更に関する工事の途中のものを含む。)について改正後の第七十九条第一項第七号の規定に適合しない部分(以下「不適合部分」という。)がある場合においては、この省令の施行後当該不適合部分に係る工事(維持工事を除く。)に着手する場合を除き、同号の規定は、適用しない。
3この省令の施行の際現に存する空港等に係る目標点標識、接地帯標識及び停止位置案内標識については、改正後の第七十九条第一項第十四号並びに別表第五第四項及び第十項の規定にかかわらず、この省令の施行の日から起算して三年を経過する日までは、なお従前の例によることができる。

附 則(平成二〇年七月一日国土交通省令第五六号)

(施行期日)

1この省令は、公布の日から施行する。

(経過措置)

2この省令による改正後の航空法施行規則(以下「新規則」という。)第百五十条第四項の規定により航空機用救命無線機を装備しなければならない航空機(次項の国土交通大臣が告示で定めるものを除く。)であって、この省令の施行の日前に最初の航空法第十条第一項の規定による耐空証明又は国際民間航空条約の締約国たる外国による耐空性についての証明その他の行為がなされたものについては、新規則第百五十条第四項の規定にかかわらず、平成二十三年六月三十日(航空運送事業の用に供する飛行機であって客席数が十九を超えるものにあっては、平成二十一年六月三十日)までの間、なお従前の例による。
3新規則第百五十条第四項の規定により航空機用救命無線機を装備しなければならない航空機であって、技術上の理由その他のやむを得ない理由により同項に規定する航空機用救命無線機を装備することが困難であると認めて国土交通大臣が告示で定めるものについては、同項の規定にかかわらず、当該航空機ごとに国土交通大臣が告示で指定する期間は、同項に規定する航空機用救命無線機を装備しなくてよい。

附 則(平成二〇年八月八日国土交通省令第七三号)

(施行期日)

1この省令は、平成二十年十月一日から施行する。

(経過措置)

2この省令の施行の際現にある第一条の規定による改正前の船員法施行規則第十六号書式による船員手帳、第十八号書式による証明書、第二十二号の二書式による証印、第二十二号の四書式による証印及び第二十三号書式による証明書、第二条の規定による改正前の水先法施行規則第二号様式による水先免状、第三条の規定による改正前の海上運送法施行規則第四号様式による証票、第四条の規定による改正前の船舶職員及び小型船舶操縦者法施行規則第四号様式による海技免状、第十六号様式による承認証及び第二十号様式による操縦免許証、第五条の規定による改正前の航空法施行規則第三号様式による航空機登録証明書、第八号様式による耐空証明書、第二十号様式による技能証明書、第二十四号様式による航空身体検査証明書、第二十七号様式による航空機操縦練習許可書、第二十九号様式による運航管理者技能検定合格証明書及び第三十号様式による証票、第六条の規定による改正前の連合国財産の返還の請求の手続等に関する命令様式第一号による現状調査請求書及び様式第二号による返還請求書、第七条の規定による改正前の船舶に乗り組む医師及び衛生管理者に関する省令第二号様式による衛生管理者適任証書、第八条の規定による改正前の道路交通に関する条約の実施に伴う道路運送車両法の特例等に関する法律施行規則第三号様式による登録証書、第九条の規定による改正前の自動車の登録及び検査に関する申請書等の様式等を定める省令第十二号様式による輸出抹消仮登録証明書及び第十四号様式による輸出予定届出証明書、第十条の規定による改正前の船舶料理士に関する省令第二号様式による船舶料理士資格証明書並びに第十一条に規定する改正前の船舶油濁損害賠償保障法施行規則第三号様式による保証契約証明書及び第十号様式による証票は、それぞれ第一条の規定による改正後の船員法施行規則第十六号書式による船員手帳、第十八号書式による証明書、第二十二号の二書式による証印、第二十二号の四書式による証印及び第二十三号書式による証明書、第二条の規定による改正後の水先法施行規則第二号様式による水先免状、第三条の規定による改正後の海上運送法施行規則第四号様式による証票、第四条の規定による改正後の船舶職員及び小型船舶操縦者法施行規則第四号様式による海技免状、第十六号様式による承認証及び第二十号様式による操縦免許証、第五条の規定による改正後の航空法施行規則第三号様式による航空機登録証明書、第八号様式による耐空証明書、第二十号様式による技能証明書、第二十四号様式による航空身体検査証明書、第二十七号様式による航空機操縦練習許可書、第二十九号様式による運航管理者技能検定合格証明書及び第三十号様式による証票、第六条の規定による改正後の連合国財産の返還の請求の手続等に関する命令様式第一号による現状調査請求書及び様式第二号による返還請求書、第七条の規定による改正後の船舶に乗り組む医師及び衛生管理者に関する省令第二号様式による衛生管理者適任証書、第八条の規定による改正後の道路交通に関する条約の実施に伴う道路運送車両法の特例等に関する法律施行規則第三号様式による登録証書、第九条の規定による改正後の自動車の登録及び検査に関する申請書等の様式等を定める省令第十二号様式による輸出抹消仮登録証明書及び第十四号様式による輸出予定届出証明書、第十条の規定による改正後の船舶料理士に関する省令第二号様式による船舶料理士資格証明書並びに第十一条の規定による改正後の船舶油濁損害賠償保障法施行規則第三号様式による保証契約証明書及び第十号様式による証票とみなす。

附 則(平成二〇年一二月一〇日国土交通省令第九九号)

この省令は、平成二十一年一月一日から施行する。

附 則(平成二〇年一二月二四日国土交通省令第一〇四号)

この省令は、株式等の取引に係る決済の合理化を図るための社債等の振替に関する法律等の一部を改正する法律の施行の日(平成二十一年一月五日)から施行する。

附 則(平成二一年二月二七日国土交通省令第四号)

この省令は、公布の日から施行する。

附 則(平成二一年三月二五日国土交通省令第九号)

この省令は、平成二十一年四月一日から施行する。

附 則(平成二一年三月二五日国土交通省令第一〇号)

(施行期日)

1この省令は、平成二十一年四月一日から施行する。

(経過措置)

2この省令の施行の際現に交付されているこの省令による改正前の航空法施行規則第二十号様式による技能証明書(航空英語能力証明関係に限る。以下「旧技能証明書」という。)は、この省令による改正後の航空法施行規則第二十号様式による技能証明書(航空英語能力証明関係に限る。)とみなす。この場合において、旧技能証明書の有効期間については、なお従前の例による。

附 則(平成二一年一一月一八日国土交通省令第六四号)

この省令は、平成二十一年十一月十九日から施行する。

附 則(平成二二年六月七日国土交通省令第三三号)

この省令は、平成二十二年六月十五日から施行する。

附 則(平成二二年一一月五日国土交通省令第五三号)

(施行期日)

第一条この省令は、平成二十三年四月一日(以下「施行日」という。)から施行する。ただし、次条第三項から第五項までの規定は、公布の日から施行する。

(経過措置)

第二条航空法(以下「法」という。)第二十条第一項第一号、第二号、第五号又は第六号の業務の能力のうち一又は二以上の業務の能力(次項において「設計製造能力」という。)に係る技術上の基準については、この省令による改正後の航空法施行規則(次項において「新規則」という。)第三十五条第八号の規定は、施行日から平成二十三年十一月十三日までの間は、適用しない。
2次の各号に掲げる者については、当該者が受けている認定の有効期間内に限り、新規則第三十五条第八号の規定は、適用しない。
一施行日において、法第二十条第一項第三号、第四号又は第七号の業務の能力がこの省令による改正前の航空法施行規則(次号において「旧規則」という。)第三十五条の技術上の基準に適合することについて、同項の認定を受けている者
二平成二十三年十一月十四日において、設計製造能力のみが旧規則第三十五条の技術上の基準に適合することについて、法第二十条第一項の認定を受けている者
3この省令の施行の際現に本邦において航空運送事業(その事業の規模がこの省令による改正前の航空法施行規則第二百十二条の二に規定する規模未満であるものに限る。)を営む者は、この省令の施行日前においても、航空法施行規則第二百十二条の三第一項の規定による安全管理規程の設定の届出及び同令第二百十二条の六による安全統括管理者の選任の届出をすることができる。この場合において、当該届出は、施行日においてこれらの規定により行われたものとみなす。
4前項の規定による届出の受理は、当該事業を経営する者の住所を管轄区域とする地方航空局長が行う。
5第三項の規定による届出をしようとする者は、当該事業を経営する者の住所を管轄区域とする空港事務所長を経由して行うことができる。

附 則(平成二三年六月二日国土交通省令第四六号)

この省令は、公布の日から施行する。

附 則(平成二三年一一月一七日国土交通省令第八一号)

この省令は、平成二十三年十一月十七日から施行する。

附 則(平成二三年一二月二八日国土交通省令第一〇九号)

(施行期日)

1この省令は、公布の日から施行する。

(経過措置)

2この省令の施行の際現に交付されている改正前の航空法施行規則第三十号様式による検査員の証票は、この省令による改正後の航空法施行規則第三十号様式による検査員の証票とみなす。

附 則(平成二四年三月二八日国土交通省令第二二号)

(施行期日)

第一条この省令は、航空法の一部を改正する法律(以下「改正法」という。)の施行の日(平成二十四年四月一日。以下「施行日」という。)から施行する。ただし、第五十条の四第一項第一号イの改正規定、第百六十二条の二の次に十六条を加える改正規定、第百七十一条の三の改正規定(「法第二十九条第一項(」を「、法第二十九条第一項(」に、「試験」とあるのは「」を「試験若しくは法第七十一条の三第一項の審査」とあるのは「若しくは」に改める部分に限る。)、第二百三十八条の改正規定(同条の表二の項に係る部分を除く。)、第二百三十八条の二、第二百四十条第一項、第二百四十二条及び第二百四十三条第一項の改正規定、第二十号様式の改正規定(特定操縦技能審査等関係に限る。)、第二十八号の四様式の次に五様式を加える改正規定並びに第三十号様式の改正規定並びに附則第六条第二項及び第九項並びに第七条(附則第六条第二項及び第九項に係る部分に限る。)の規定は、改正法附則第一条ただし書に規定する規定の施行の日(平成二十六年四月一日。以下「一部施行日」という。)から施行する。

(経過措置)

第二条改正法附則第二条第一項の相当認定(以下「相当認定」という。)を申請しようとする者は、相当認定申請書(別記第一号様式)に次に掲げる書類を添えて、国土交通大臣に提出しなければならない。
一写真二葉
二戸籍抄本若しくは戸籍記載事項証明書又は本籍の記載のある住民票の写し(技能証明を有しない場合に限る。)
三次項に規定する認定の基準に適合していることを証する書類
2相当認定は、当該相当認定を受けようとする者が行おうとする改正法附則第二条第二項の相当審査(以下「相当審査」という。)に係る航空機の種類ごとに次に掲げる基準に適合する者について行う。
一改正法附則第二条第四項の規定により、相当認定の取消しを受け、その取消しの日から二年を経過しない者でないこと。
二過去二年以内に航空法第二十九条第一項(同法第二十九条の二第二項、同法第三十三条第三項又は同法第三十四条第三項において準用する場合を含む。)の試験又は相当審査に関し不正な行為を行った者でないこと。
三航空法に違反し、罰金以上の刑に処せられ、その執行を終わり、又は執行を受けることがなくなった日から二年を経過していない者でないこと。
四相当審査に係る航空機と同じ種類の航空機を機長として操縦することができる技能証明を有していること又は当該技能証明を有している者と同等以上と認められる技能を有していること。
五前号に掲げるもののほか、相当審査を行うのに必要な経験及び能力を有していること。
六相当審査を行うのに必要な知識に関して国土交通大臣が行う講習を修了したこと又は相当審査について当該講習を修了した者と同等以上と認められる知識を有していること。
3国土交通大臣は、相当認定をしたときは、当該相当認定を受けた者(以下「相当操縦技能審査員」という。)に、その身分を示す証票(別記第二号様式。以下「相当操縦技能審査員の証」という。)を交付する。
4相当操縦技能審査員が、業務に従事するときは、前項の相当操縦技能審査員の証を携帯しなければならない。
5相当操縦技能審査員は、相当操縦技能審査員の証を失った場合(十日以内に次項の規定により再交付を申請する場合を除く。)は、十日以内に、失った事由及び日時、氏名その他必要な事項を付記してその旨を国土交通大臣に届け出なければならない。
6相当操縦技能審査員が、相当操縦技能審査員の証を失い、破り、汚し、又は氏名若しくは住所を変更したため再交付を申請しようとするときは、再交付申請書(別記第三号様式)に写真二葉及び相当操縦技能審査員の証(失った場合を除く。)を添えて、国土交通大臣に提出しなければならない。
7相当操縦技能審査員が改正法附則第二条第四項の規定によりその相当認定の取消しを受けたとき又は再交付を受けた後失った相当操縦技能審査員の証が発見されたときは、その証を所有し、又は保管する者は、遅滞なく、その事由を記載した書類を添えて、これを国土交通大臣に返納しなければならない。
8相当審査を受けようとする者は、相当審査申請書(別記第四号様式)に次に掲げる書類を添えて、相当操縦技能審査員に提出しなければならない。
一技能証明書の写し
二航空身体検査証明書の写し(第十一項の規定により、実技審査の全部を模擬飛行装置又は飛行訓練装置を使用して行う場合を除く。)
三総飛行時間を証する書類
9相当審査は、航空機の種類ごとに、通常の離陸及び着陸並びに着陸復行及び離陸中止、異常時及び緊急時の操作その他の相当審査を行うのに必要な事項について行うものとする。
10前項の相当審査は、口述審査及び実技審査により行うものとする。
11前項の実技審査は、その全部又は一部を国土交通大臣が認定した模擬飛行装置又は飛行訓練装置を使用して行うことができる。
12相当審査を受け、これに合格した者は、申請により、附則第六条第三項又は第四項の規定により交付された技能証明書に、次項の規定による記入を受けることができる。
13相当操縦技能審査員は、前項の申請を受けたときは、次の各号に掲げる事項を当該申請をした者の技能証明書(特定操縦技能審査等関係に限る。)の当該各号に定める欄に記入しなければならない。
一相当審査を行った日審査日/確認日欄
二合格した旨審査結果/確認結果欄
三相当操縦等可能期間(相当審査に合格したことにより、改正法による改正後の航空法(以下「新法」という。)第七十一条の三第一項各号に掲げる行為を行うことができる期間をいう。)の満了する日操縦等可能期間満了日欄
四相当操縦技能審査員の氏名氏名欄
五相当操縦技能審査員の認定番号認定番号/所属欄
14相当操縦技能審査員は、前項の記入を行ったときは、速やかに、当該申請をした者の相当審査申請書の写し及び技能証明書の写しに参考となるべき書類を添えて、これらを国土交通大臣に提出しなければならない。
15改正法附則第二条第六項の証票の様式は、別記第五号様式のとおりとする。
16改正法附則第二条第十二項の規定により読み替えて適用する新法第七十一条の三第一項の国土交通省令で定める期間は二年とする。
第三条相当審査を受けた者に対する新規則第五十条の四第一号の規定の適用については、同号中「若しくは法第七十一条の三第一項の審査」とあるのは「、法第七十一条の三第一項の審査若しくは航空法の一部を改正する法律(平成二十三年法律第五十号)附則第二条第二項の相当審査」とする。
第四条施行日前に航空身体検査証明の申請をした者に係る身体検査基準(一等航空士又は航空機関士の資格に係るものに限る。)については、当該申請に係る航空身体検査証明に限り、この省令による改正前の航空法施行規則(以下「旧規則」という。)第六十一条の二の規定を適用する。
2施行日において現に航空身体検査証明を受けている者に係る身体検査基準(一等航空士又は航空機関士の資格に係るものに限る。)については、当該身体検査証明の有効期間内に限り、旧規則第六十一条の二の規定を適用する。
第五条相当審査を受けた者に対する新規則第百六十二条の三第二項の規定の適用については、「又は同条第二項の確認を受けたこと」とあるのは「若しくは同条第二項の確認を受けたこと」と、「が満了する日」とあるのは「又は航空法施行規則の一部を改正する省令(平成二十四年国土交通省令第二十二号)附則第二条第十三項第三号の相当操縦等可能期間が満了する日」と読み替えるものとする。
2一部施行日において現に附則第二条第一項の規定によりされている申請は、新規則第百六十二条の六の規定によりされている申請とみなす。
3改正法附則第二条第四項の規定による相当認定の取消しを受けた者に対する新規則第百六十二条の七第一号の規定の適用については、同号中「法第七十一条の三第四項の規定により、同条第一項の規定による認定の取消し」とあるのは「法第七十一条の三第四項の規定による同条第一項の認定の取消し又は航空法の一部を改正する法律(平成二十三年法律第五十号)附則第二条第四項による同条第一項の相当認定の取消し」とする。
4相当審査を受けた者に対する新規則第百六十二条の七第二号の規定の適用については、同号中「又は法第七十一条の三第一項の審査」とあるのは「、法第七十一条の三第一項の審査又は航空法の一部を改正する法律(平成二十三年法律第五十号)附則第二条第二項の相当審査」とする。
5一部施行日前に行われた附則第二条第二項第六号の講習は、新規則第百六十二条の七第六号の講習とみなす。
6改正法附則第二条第十一項の規定により新法第七十一条の三第一項の認定を受けた者とみなされた者についての新規則第百六十二条の十の規定の適用については、同条中「法第七十一条の三第一項の認定」とあるのは「航空法の一部を改正する法律(平成二十三年法律第五十号)附則第二条第一項の相当認定」とする。
7一部施行日において現に附則第二条第八項の規定によりされている申請は、新規則第百六十二条の十三の規定によりされている申請とみなす。
8一部施行日前に行われた附則第二条第十一項の認定は、新規則第二百三十八条の二の認定とみなす。
第六条施行日において現に交付されている旧規則第二十号様式による技能証明書(操縦教育証明関係に限る。)は、新規則第二十号様式による技能証明書(操縦教育証明関係に限る。)とみなす。
2施行日において現に操縦技能証明を受けている者は、一部施行日以後最初にその航空業務を行う日までに、国土交通大臣に申請し、当該操縦技能証明に係る旧規則第二十号様式による技能証明書と引換えに当該操縦技能証明に係る新規則第二十号様式による技能証明書の交付を受けなければならない。
3前項の者は、一部施行日前においても、同項の規定の例による申請を行うことができる。この場合において、国土交通大臣は、旧規則第二十号様式にかかわらず、新規則第二十号様式の例による技能証明書を交付するものとする。
4国土交通大臣は、施行日以後一部施行日前に操縦技能証明を行つた場合は、旧規則第二十号様式にかかわらず、新規則第二十号様式の例による技能証明書を交付するものとする。
5旧規則第二十二号様式による航空身体検査証明申請書については、新規則第二十二号様式にかかわらず、当分の間、なおこれを使用することができる。
6施行日において現に交付されている旧規則第二十四号様式による航空身体検査証明書は、新規則第二十四号様式による航空身体検査証明書とみなす。
7第二十六号様式による航空操縦練習許可申請書については、新規則第二十六号様式にかかわらず、当分の間、なおこれを使用することができる。
8一部施行日において現に交付されている別記第二号様式による証票は、新規則第二十八号の六様式による証票とみなす。
9別記第二号様式による証票を有する者は、国土交通大臣に申請し、当該証票と引換えに新規則第二十八号の六様式による証票の交付を受けることができる。
10一部施行日において現に交付されている旧規則第三十号様式による証票は、新規則第三十号様式による証票とみなす。

(職権の委任)

第七条改正法附則第二条第一項及び第四項並びに附則第二条第三項、第五項から第七項まで及び第十四項並びに第六条第二項、第三項及び第九項の規定による国土交通大臣の権限は、当該相当認定を受けようとする者又は当該相当認定若しくは当該証明を受けた者の住所を管轄区域とする地方航空局長が行う。
2改正法附則第二条第五項に規定する国土交通大臣の権限は、地方航空局長も行うことができる。
第八条前条第二項の権限は、空港事務所長も行うことができる。
別記第1号様式(附則第2条関係)(日本産業規格A4)
[別画面で表示]
別記第2号様式(附則第2条関係)
[別画面で表示]
別記第3号様式(附則第2条関係)(日本産業規格A4)
[別画面で表示]
別記第4号様式(附則第2条関係)(日本産業規格A4)
[別画面で表示]
別記第5号様式(附則第2条関係)
[別画面で表示]

附 則(平成二四年九月一四日国土交通省令第七五号)抄

この省令は、原子力規制委員会設置法の施行の日(平成二十四年九月十九日)から施行する。

附 則(平成二五年三月二九日国土交通省令第一五号)

この省令は、平成二十五年四月一日から施行する。

附 則(平成二五年四月四日国土交通省令第二九号)

この省令は、平成二十五年四月四日から施行する。

附 則(平成二五年五月一〇日国土交通省令第三四号)

この省令は、平成二十五年五月十日から施行する。

附 則(平成二五年一一月二九日国土交通省令第九〇号)

この省令は、公布の日から施行する。ただし、別表第四の改正規定は、平成二十五年十二月二十日から施行する。

附 則(平成二六年二月二六日国土交通省令第一二号)

この省令は、独立行政法人原子力安全基盤機構の解散に関する法律の施行の日(平成二十六年三月一日)から施行する。

附 則(平成二六年四月一日国土交通省令第四五号)

この省令は、公布の日から施行する。

附 則(平成二六年四月一五日国土交通省令第四八号)

(施行期日)

1この省令は、公布の日から施行する。

(経過措置)

2この省令の施行の際現に工事に着手され、又は設置されている誘導路中心線灯については、改正後の第百十七条第一項第三号ナ(二)の規定にかかわらず、令和六年三月三十一日までは、なお従前の例によることができる。
3この省令の施行の際現に工事に着手され、又は設置されている誘導路中心線灯の、改正後の第百十七条第一項第三号ナ(二)に掲げる基準に適合させるための灯光の色の変更については、第百二十条の規定にかかわらず、同条第一号の灯質の変更には該当しないものとみなす。

附 則(平成二六年九月三〇日国土交通省令第七六号)

(施行期日)

1この省令は、平成二十六年十月一日から施行する。

(経過措置)

2この省令の施行の日前に発生したこの省令による改正前の航空法施行規則第百六十六条の四第六号に掲げる事態については、なお従前の例による。

附 則(平成二六年一〇月一六日国土交通省令第八二号)

(施行期日)

1この省令は、平成二十六年十二月十一日から施行する。ただし、第百十四条第十五号の次に一号を加える改正規定、第百十七条第一項の改正規定(同項第三号ハ、ニ、ヘ、チ、リ、ヌ、ル、ワ及びカに係る部分を除く。)、第百二十六条第十一号の改正規定及び次項の規定は、公布の日から施行する。

(経過措置)

2前項ただし書に規定する改正規定の施行の際現に工事に着手され、又は設置されている航空機接近警告灯については、この省令による改正後の航空法施行規則第百十七条第一項第三号ウ(四)の規定にかかわらず、令和七年三月三十一日までは、なお従前の例によることができる。

附 則(平成二七年三月三〇日国土交通省令第一五号)

(施行期日)

1この省令は、平成二十七年六月三十日から施行する。

(経過措置)

2この省令の施行の際現に航空法第百四条第一項の認可を受けている運航規程又は同項の認可の申請をしている運航規程については、この省令による改正後の航空法施行規則第二百十四条の表第一号カの規定にかかわらず、この省令の施行の日から起算して九月間は、同号カに掲げる事項は定めなくてもよい。

附 則(平成二七年四月一〇日国土交通省令第二六号)

この省令は、公布の日から施行する。

附 則(平成二七年七月二一日国土交通省令第五五号)

この省令は、平成二十七年十一月十二日から施行する。

附 則(平成二七年一〇月一日国土交通省令第七三号)

(施行期日)

1この省令は、平成二十八年一月一日から施行する。

(経過措置)

2この省令による改正後の航空法施行規則(以下「新規則」という。)第百四十七条第五号の規定により航空機衝突防止装置を装備しなければならない航空機(次項の国土交通大臣が告示で定めるものを除く。)であって、平成二十六年一月一日以前に航空法第十条第一項の規定による耐空証明又は国際民間航空条約の締約国たる外国による耐空性についての証明その他の行為がなされたものに装備しなければならない航空機衝突防止装置については、同号の規定にかかわらず、平成二十九年一月一日までの間は、なお従前の例による。
3新規則第百四十七条第五号の規定により航空機衝突防止装置を装備しなければならない航空機であって、技術上の理由その他のやむを得ない理由により同号に規定する航空機衝突防止装置を装備することが困難であると認めて国土交通大臣が告示で定めるものに装備しなければならない航空機衝突防止装置については、同号の規定にかかわらず、当該航空機ごとに国土交通大臣が告示で指定する期間は、なお従前の例による。

附 則(平成二七年一一月六日国土交通省令第七七号)

(施行期日)

1この省令は、平成二十八年三月二十七日から施行する。

(経過措置)

2この省令の施行の日以後最初の福岡空港における航空法第百七条の三第五項の単位期間は、同項の規定にかかわらず、令和二年一月三十一日に終了するものとする。

附 則(平成二七年一一月一七日国土交通省令第七九号)

この省令は、航空法の一部を改正する法律の施行の日(平成二十七年十二月十日)から施行する。

附 則(平成二八年一〇月二八日国土交通省令第七七号)

この省令は、平成二十八年十二月二十一日から施行する。ただし、第七十九条第一項第三号の表誘導路縁と固定障害物との間隔の項の改正規定は、同年十一月十日から施行する。

附 則(平成二九年三月二九日国土交通省令第一四号)

(施行期日)

第一条この省令は、平成二十九年四月一日から施行する。

(経過措置)

第二条航空法第六十三条の規定により航空機の携行しなければならない燃料の量については、この省令による改正後の航空法施行規則(以下「新規則」という。)第百五十三条の規定にかかわらず、この省令の施行の日から起算して九月を経過する日までの間は、なお従前の例によることができる。
第三条この省令の施行前にした申請に係る国土交通大臣の権限であって新規則第二百四十条及び新規則第二百四十二条の規定により新たに地方航空局長に行わせることとなったものについては、新規則第二百四十条及び新規則第二百四十二条の規定にかかわらず、なお国土交通大臣が行う。

附 則(平成二九年九月二九日国土交通省令第五六号)

この省令は、学校教育法の一部を改正する法律の施行の日(平成三十一年四月一日)から施行する。

附 則(平成二九年一〇月三日国土交通省令第五九号)

(施行期日)

第一条この省令は、平成二十九年十二月三十一日から施行する。ただし、第百四十九条の改正規定及び次条から附則第六条までの規定は、平成三十年六月一日から施行する。

(経過措置)

第二条この省令による改正後の航空法施行規則(以下「新規則」という。)第百四十九条第一項の規定により航空機の運航の状況を記録するための装置を装備し、及び作動させなければならない航空機であって、技術上の理由その他のやむを得ない理由により同項に規定する飛行記録装置、航空機映像記録装置、航空機情報記録システム、操縦室用音声記録装置又は操縦室用音響記録システムを装備することが困難であると認めて国土交通大臣が告示で定めるものについては、同項の規定にかかわらず、当該航空機ごとに国土交通大臣が告示で指定する期間は、なお従前の例による。
第三条前条に規定するものを除くほか、新規則第百四十九条第一項の規定により航空機の運航の状況を記録するための装置を装備し、及び作動させなければならない航空機であって、航空運送事業の用に供する飛行機以外の飛行機及び回転翼航空機であり、かつ、同項の施行の際に現に登録されているものについては、同項の規定にかかわらず、なお従前の例による。
第四条国際航空運送事業の用に供する飛行機であって、新規則第百四十九条の施行の際に現に登録されているもののうち、当該飛行機の運航の状況を記録するための装置の格納容器に水中で自動的に作動し、かつ、三十日以上作動する三十七・五キロヘルツの周波数を使用する位置情報発信機が取り付けてあるものについては、令和元年十二月三十一日までは、同条第四項の規定は、適用しない。
第五条国内航空運送事業の用に供する飛行機であって、新規則第百四十九条の施行の際に現に登録されているもののうち、当該飛行機の運航の状況を記録するための装置の格納容器に水中で自動的に作動し、かつ、三十日以上作動する三十七・五キロヘルツの周波数を使用する位置情報発信機が取り付けてあるものについては、当該位置情報発信機の製造日から起算して六年を経過した日又は令和六年五月三十一日のいずれか早い日までの間は、同条第四項の規定は、適用しない。
第六条前二条に定めるもののほか、技術上の理由その他のやむを得ない理由があると認めて国土交通大臣が告示で定める航空運送事業の用に供する飛行機については、当該航空機ごとに国土交通大臣が告示で指定する期間は、新規則第百四十九条第四項の規定は、適用しない。

附 則(平成三〇年三月三〇日国土交通省令第二〇号)

この省令は、平成三十年四月一日から施行する。ただし、第百五十条の規定は、平成三十一年十月一日から施行する。

附 則(平成三〇年八月一〇日国土交通省令第六一号)

(施行期日)

第一条この省令は、平成三十一年一月十五日から施行する。ただし、第二百十条第一項第十号を加える改正規定、第二百二十七条第一項第七号を加える改正規定、第二百三十二条第一項第七号の改正規定及び第二百三十三条の三第一項の改正規定は、同年三月十五日から施行する。

(経過措置)

第二条この省令の施行の際現に航空法(以下「法」という。)第百条第一項の許可を受けている者は、この省令による改正後の航空法施行規則(以下「新規則」という。)第二百十条第一項第九号の規定により新たに事業計画に記載すべき事項となった事項については、平成三十一年一月二十九日までに、同項第十号の規定により新たに事業計画に記載すべき事項となった事項については、同年三月二十九日までに、それぞれ法第百九条第一項の規定に基づく変更の認可を受けなければならない。
2この省令の施行の際現に法第百二十三条第一項の許可を受けている者は、新規則第二百二十七条第一項第六号の規定により新たに事業計画に記載すべき事項となった事項については、平成三十一年一月二十九日までに、同項第七号の規定により新たに事業計画に記載すべき事項となった事項については、同年三月二十九日までに、それぞれ法第百二十四条において準用する法第百九条第一項の規定に基づく変更の認可を受けなければならない。
3この省令の施行の際現に法第百二十九条第一項の許可を受けている者は、新規則第二百三十二条第一項第七号ト及びチの規定により新たに事業計画に記載すべき事項となった事項について、平成三十一年三月二十九日までに、法第百二十九条の三第二項の規定に基づく変更の認可を受けなければならない。
4第一項又は第二項の規定により、平成三十一年一月二十九日までに、法第百九条第一項(法第百二十四条において準用する場合を含む。)の規定に基づく変更の認可を受けなければならないこととなる者は、当該認可を受ける日までの間は、なお従前の例により航空運送事業又は航空機使用事業を経営することができる。
5第一項から第三項までの規定により、平成三十一年三月二十九日までに、法第百九条第一項(法第百二十四条において準用する場合を含む。)又は第百二十九条の三第二項の規定に基づく変更の認可を受けなければならないこととなる者は、当該認可を受ける日までの間は、なお従前の例により航空運送事業又は航空機使用事業を経営することができる。

附 則(平成三〇年九月二〇日国土交通省令第七一号)抄

(施行期日)

第一条この省令は、平成三十年十月一日から施行する。

(経過措置)

第二条この省令の施行の際現に航空法第百条第一項又は第百二十九条第一項の許可を受けている者は、それぞれ、第一条の規定による改正後の航空法施行規則第二百十条第一項第八号又は第二百三十二条第一項第七号ヘの規定により新たに事業計画に記載すべき事項となった事項について、平成三十年十月二十七日までに、同法第百九条第一項又は第百二十九条の三第二項の規定に基づく変更の認可を受けなければならない。
2前項の規定により、平成三十年十月二十七日までに、航空法第百九条第一項又は第百二十九条の三第二項の規定に基づく変更の認可を受けなければならないこととなる者は、当該認可を受ける日までの間は、なお従前の例により航空運送事業を経営することができる。

附 則(平成三〇年一一月九日国土交通省令第八二号)抄

(施行期日)

第一条この省令は、公布の日から施行する。

(経過措置)

第二条この省令の施行の際現に航空法第百条第一項の許可を受けている者(国際航空運送事業を経営している者に限る。)は、この省令による改正後の航空法施行規則第二百十条第二項第三号の規定により新たに事業計画に記載すべき事項となった事項について、平成三十年十一月三十日までに、同法第百九条第一項の規定に基づく変更の認可を受けなければならない。
2前項の規定により、平成三十年十一月三十日までに、航空法第百九条第一項の規定に基づく変更の認可を受けなければならないこととなる者は、当該認可を受ける日までの間は、なお従前の例により航空運送事業を経営することができる。

附 則(平成三〇年一二月二六日国土交通省令第九〇号)抄

(施行期日)

1この省令は、原子力利用における安全対策の強化のための核原料物質、核燃料物質及び原子炉の規制に関する法律等の一部を改正する法律附則第一条に掲げる規定の施行の日(平成三十一年九月一日)から施行する。

附 則(平成三一年三月二九日国土交通省令第一四号)

(施行期日)

1この省令は、平成三十一年四月一日から施行する。

(経過措置)

2この省令の施行の際現に存する滑走路、着陸帯及び誘導路(それらの新設又は変更に関する工事の途中のものを含む。)については、この省令の施行後当該部分に係る工事(維持工事を除く。)に着手する場合を除き、この省令による改正後の航空法施行規則(以下「新規則」という。)第七十九条第一項第三号イからハまでの規定にかかわらず、なお従前の例によることができる。
3この省令の施行の際現に存する滑走路端安全区域(新規則第七十九条第一項第四号に規定する滑走路端安全区域をいう。次項において同じ。)(その新設又は変更に関する工事の途中のものを含む。)について同号の規定に適合しない部分がある場合においては、この省令の施行後当該部分に係る工事(維持工事を除く。)に着手する場合を除き、令和九年三月三十一日までは、同号の規定は、適用しない。
4この省令の施行の際現に存する滑走路端安全区域、誘導路帯(新規則第七十九条第一項第三号に規定する誘導路帯をいう。)並びに滑走路、誘導路及びエプロンの強度に影響を及ぼす地下の工作物(それらの新設又は変更に関する工事の途中のものを含む。)について同項第十号ハ、ホ及びトの規定に適合しない部分がある場合においては、この省令の施行後当該部分に係る工事(維持工事を除く。)に着手する場合を除き、同号ハ、ホ及びトの規定は、適用しない。

附 則(平成三一年四月一日国土交通省令第三一号)

(施行期日)

第一条この省令は、公布の日から施行する。

(経過措置)

第二条この省令の施行の際現に交付されているこの省令による改正前の航空法施行規則第十八号様式による装備品基準適合証(次項において「旧装備品基準適合証」という。)は、この省令による改正後の航空法施行規則(次条において「新規則」という。)第十八号様式による装備品基準適合証(同項において「新装備品基準適合証」という。)とみなす。
2旧装備品基準適合証を有する者は、当該旧装備品基準適合証と引換えに、新装備品基準適合証の交付を受けることができる。
第三条この省令の施行前にした申請に係る国土交通大臣の権限であって新規則第二百四十条の規定により新たに地方航空局長に行わせることとなったものについては、同条の規定にかかわらず、なお国土交通大臣が行う。

附 則(令和元年五月七日国土交通省令第一号)

この省令は、公布の日から施行する。

附 則(令和元年六月二八日国土交通省令第二〇号)

この省令は、不正競争防止法等の一部を改正する法律の施行の日(令和元年七月一日)から施行する。

附 則(令和元年八月二三日国土交通省令第二九号)

(施行期日)

第一条この省令は、航空法及び運輸安全委員会設置法の一部を改正する法律附則第一条第二号に掲げる規定の施行の日(令和元年九月十八日)から施行する。

(経過措置)

第二条この省令の施行の際現に交付されているこの省令による改正前の航空法施行規則(以下「旧規則」という。)第三十号様式による検査員の証票は、この省令による改正後の航空法施行規則(以下「新規則」という。)第三十号様式による検査員の証票とみなす。
2旧規則第三十一号様式による納付書については、新規則第三十一号様式にかかわらず、当分の間、なおこれを使用することができる。

附 則(令和元年九月一三日国土交通省令第三四号)抄

(施行期日)

第一条この省令は、成年被後見人等の権利の制限に係る措置の適正化等を図るための関係法律の整備に関する法律(以下「整備法」という。)の施行の日(令和元年九月十四日)から施行する。

(行政庁の行為等に関する経過措置)

第二条この省令の施行の日前に、この省令による改正前の海難審判法施行規則、ボート、モーター、選手、審判員及び検査員登録規則及び航空法施行規則(欠格条項を定めるものに限る。)に基づき行われた行政庁の処分その他の行為及び当該規定により生じた失職の効力については、なお従前の例による。

附 則(令和元年一二月一六日国土交通省令第四七号)抄

(施行期日)

第一条この省令は、情報通信技術の活用による行政手続等に係る関係者の利便性の向上並びに行政運営の簡素化及び効率化を図るための行政手続等における情報通信の技術の利用に関する法律等の一部を改正する法律の施行の日(令和元年十二月十六日)から施行する。

附 則(令和二年一月一七日国土交通省令第一号)

(施行期日)

第一条この省令は、航空法及び運輸安全委員会設置法の一部を改正する法律の施行の日(令和二年六月十八日)から施行する。ただし、第一条中航空法施行規則第十八条及び第二十三条の二の改正規定は、令和二年一月三十日から施行する。

(経過措置)

第二条この省令の施行前に第一条の規定による改正前の航空法施行規則(以下「旧規則」という。)第二十五条の規定により修理改造検査申請書を提出した者に係る修理改造検査については、当該修理改造検査に限り、なお従前の例による。
第三条この省令の施行の際現に交付されている旧規則第十四号様式による予備品証明書(次項において「旧予備品証明書」という。)は、第一条の規定による改正後の航空法施行規則(次条第一項において「新規則」という。)第十四号様式による予備品証明書(次項において「新予備品証明書」という。)とみなす。
2旧予備品証明書を有する者は、当該旧予備品証明書と引換えに、新予備品証明書の交付を受けることができる。
第四条この省令の施行の際現に交付されている旧規則第十七号の二様式による設計基準適合証(次項において「旧設計基準適合証」という。)は、新規則第十七号の二様式による設計基準適合証(次項において「新設計基準適合証」という。)とみなす。
2旧設計基準適合証を有する者は、当該旧設計基準適合証と引換えに、新設計基準適合証の交付を受けることができる。

附 則(令和二年三月一九日国土交通省令第一七号)

この省令は、令和二年三月二十三日から施行する。

附 則(令和二年八月七日国土交通省令第六八号)

(施行期日)

第一条この省令は、無人航空機等の飛行による危害の発生を防止するための航空法及び重要施設の周辺地域の上空における小型無人機等の飛行の禁止に関する法律の一部を改正する法律附則第一条第二号に掲げる規定の施行の日(令和二年九月二十三日)から施行する。

(経過措置)

第二条この省令の施行の際現に交付されている第一条の規定による改正前の航空法施行規則第三十号様式による検査員の証票並びに第二条の規定による改正前の民間の能力を活用した国管理空港等の運営等に関する法律施行規則第一号様式、第三号様式、第五号様式及び第七号様式による検査員の証票は、それぞれ第一条の規定による改正後の航空法施行規則第三十号様式による検査員の証票並びに第二条の規定による改正後の民間の能力を活用した国管理空港等の運営等に関する法律施行規則第一号様式、第三号様式、第五号様式及び第七号様式による検査員の証票とみなす。

附 則(令和二年九月三〇日国土交通省令第八二号)

(施行期日)

第一条この省令は、公布の日から施行する。

(経過措置)

第二条この省令の施行の際現に航空法第百条第一項の許可を受けている者(国際航空運送事業を経営している者に限る。)は、この省令による改正後の航空法施行規則第二百十条第二項第三号の規定により新たに事業計画に記載すべき事項となった事項について、令和二年十二月三十一日までに、同法第百九条第一項の規定に基づく変更の認可を受けなければならない。
2前項の規定により、令和二年十二月三十一日までに、航空法第百九条第一項の規定に基づく変更の認可を受けなければならないこととなる者は、当該認可を受ける日までの間は、なお従前の例により航空運送事業を経営することができる。

附 則(令和二年一一月二日国土交通省令第八七号)抄

(施行期日)

第一条この省令は、令和三年二月一日から施行する。ただし、第一条中海上運送法施行規則第二十三条の十一第三号の改正規定(同号ハ中「事故」の下に「、災害」を加える部分を除く。)及び次条から附則第七条までの規定は、公布の日から施行する。

(航空法施行規則の一部改正に伴う経過措置)

第四条この省令の施行の際現に本邦において航空運送事業を営む者は、施行日前においても、第二条(第二号に係る部分に限る。)の規定による改正後の航空法施行規則(以下この条において「新航空法施行規則」という。)の規定の例による安全管理規程の変更の届出をすることができる。この場合において、当該届出は、新航空法施行規則の相当する規定により施行日に行われたものとみなす。

附 則(令和二年一一月四日国土交通省令第八八号)抄

(施行期日)

第一条この省令は、令和二年十一月五日から施行する。ただし、次の各号に掲げる規定は、当該各号に定める日から施行する。
一附属書第二の改正規定及び附属書第三の改正規定令和三年一月一日
二第百九十一条の二第一項の改正規定令和三年二月二十五日

(経過措置)

第二条この省令による改正後の航空法施行規則(以下「新規則」という。)第百四十九条第一項の規定により航空機の運航の状況を記録するための装置を装備し、及び作動させなければならない航空機であって、技術上の理由その他のやむを得ない理由により飛行記録装置、操縦室用音声記録装置又はデータリンク通信の内容を記録することができる装置を装備することが困難であると認めて国土交通大臣が告示で定めるものについては、同項の規定にかかわらず、当該航空機ごとに国土交通大臣が告示で指定する期間は、なお従前の例による。
2前項に規定するものを除くほか、新規則第百四十九条第一項の規定により航空機の運航の状況を記録するための装置を装備し、及び作動させなければならない航空機であって、航空運送事業の用に供する飛行機以外の飛行機及び回転翼航空機であり、かつ、この省令の施行の際現に登録されているものについては、同項の規定にかかわらず、なお従前の例によることができる。

附 則(令和二年一二月二三日国土交通省令第九八号)

(施行期日)

1この省令は、令和三年一月一日から施行する。

(経過措置)

2この省令の施行の際現にあるこの省令による改正前の様式による用紙は、当分の間、これを取り繕って使用することができる。

附 則(令和三年二月一五日国土交通省令第五号)

(施行期日)

第一条この省令は、航空法及び運輸安全委員会設置法の一部を改正する法律(令和元年法律第三十八号。以下「改正法」という。)附則第一条第三号に掲げる規定の施行の日(令和四年六月十八日)から施行する。

(航空機に装備する装備品等に関する経過措置)

第二条この省令の施行前に製造され、修理され、又は改造された装備品等(この省令の施行後に修理され、又は改造された装備品等及び改正法による改正前の航空法(以下「旧法」という。)第十八条第一項の予備品証明の対象となる装備品を除く。)であって、国土交通大臣が定める基準に従って管理されていると認められるものは、国土交通大臣が告示で指定する期間は、第一条の規定による改正後の航空法施行規則(以下「新規則」という。)第二十三条の十九の規定にかかわらず、改正法による改正後の航空法(以下「新法」という。)第十六条第二項第四号の国土交通省令で定める装備品等に含まれるものとする。

(耐空性基準の適用に関する経過措置)

第三条この省令の施行の際現に旧法第十条第一項又は第十条の二第一項の規定による耐空証明を受けている航空機についての新規則第十四条第一項の規定の適用については、当該耐空証明の有効期間に限り、なお従前の例による。

(装備品又は部品の認定に関する経過措置)

第四条この省令の施行の際現に第一条の規定による改正前の航空法施行規則(以下「旧規則」という。)第十五条の規定による認定を受けた装備品又は部品については、新法第十条第四項の検査において、同項第一号の基準に適合しているものとみなす。

(事業場の認定に関する経過措置)

第五条この省令の施行の際現に旧法第二十条第一項第五号から第七号までの能力について同項の認定を受けた者に係る旧規則第三十三条第一項の業務の範囲については、新規則第三十条第一項の規定にかかわらず、当該認定の有効期間内に限り、なお従前の例によることができる。

(特定救急用具に関する経過措置)

第六条この省令の施行の際現に旧規則第百五十二条第一項本文の規定による検査に合格した特定救急用具又は同項ただし書の承認を受けた型式の特定救急用具については、その型式について新規則第十四条第一項の国土交通大臣の承認を受けたものとみなす。

(装備品等型式(仕様)承認申請書に関する経過措置)

第七条旧規則第七号の二様式による装備品等型式(仕様)承認申請書については、新規則第七号の二様式にかかわらず、当分の間、なおこれを使用することができる。

(装備品等型式(仕様)承認書等に関する経過措置)

第八条この省令の施行の際現に交付されている旧規則第七号の三様式による装備品等型式(仕様)承認書、第十七号の二様式による設計基準適合証及び第十八号様式による装備品基準適合証(次項において「旧装備品等型式(仕様)承認書等」という。)は、新規則第七号の三様式による装備品等型式(仕様)承認書、第十七号の二様式による設計基準適合証及び第十八号様式による装備品等基準適合証(次項において「新装備品等型式(仕様)承認書等」という。)とみなす。
2旧装備品等型式(仕様)承認書等を有する者は、当該旧装備品等型式(仕様)承認書等と引換えに、新装備品等型式(仕様)承認書等の交付を受けることができる。

(検査員の証票に関する経過措置)

第九条この省令の施行の際現に交付されている旧規則第三十号様式による検査員の証票並びに第二条の規定による改正前の民間の能力を活用した国管理空港等の運営等に関する法律施行規則第三号様式及び第七号様式による検査員の証票は、それぞれ新規則第三十号様式による検査員の証票並びに第二条の規定による改正後の民間の能力を活用した国管理空港等の運営等に関する法律施行規則第三号様式及び第七号様式による検査員の証票とみなす。

附 則(令和三年三月三一日国土交通省令第一三号)抄

(施行期日)

第一条この省令は、公布の日から施行する。

(航空法施行規則の一部改正に伴う経過措置)

第二条この省令の施行の際現にこの省令による改正前の航空法施行規則(次条及び附則第五条において「旧規則」という。)附属書第一に規定する耐空類別が飛行機輸送Cである飛行機は、この省令による改正後の航空法施行規則(次条において「新規則」という。)第五十六条の二並びに別表第二一等航空整備士の項第一号及び一等航空運航整備士の項第一号の規定の適用については、新規則第五十六条の二に規定する特定飛行機普通N(次条及び附則第五条において単に「特定飛行機普通N」という。)とみなす。
第三条新規則別表第二一等航空整備士の項第一号及び一等航空運航整備士の項第一号の規定の適用については、この省令の施行の日前における旧規則附属書第一に規定する耐空類別が飛行機輸送Cである飛行機についての整備の経験は、特定飛行機普通Nについての整備の経験とみなす。

(航空法施行規則の一部を改正する省令の一部改正に伴う経過措置)

第五条この省令の施行の際現に旧規則附属書第一に規定する耐空類別が飛行機輸送Cである飛行機は、前条の規定による改正後の航空法施行規則の一部を改正する省令附則第十四条第五項及び第六項の規定の適用については、特定飛行機普通Nとみなす。

附 則(令和三年五月一〇日国土交通省令第三五号)

この省令は、令和三年六月一日から施行する。

附 則(令和三年五月一九日国土交通省令第三七号)

この省令は、公布の日から施行する。

附 則(令和三年六月一一日国土交通省令第四一号)

この省令は、公布の日から施行する。

附 則(令和三年八月三一日国土交通省令第五三号)抄

(施行期日)

1この省令は、令和三年九月一日から施行する。

(経過措置)

2この省令の施行の際現にあるこの省令による改正前の様式による用紙は、当分の間、これを取り繕って使用することができる。

附 則(令和三年九月二四日国土交通省令第五七号)

この省令は、公布の日から施行する。

附 則(令和三年一〇月五日国土交通省令第六五号)

この省令は、令和三年十二月三十日から施行する。

附 則(令和三年一一月二五日国土交通省令第七二号)

(施行期日)

第一条この省令は、無人航空機等の飛行による危害の発生を防止するための航空法及び重要施設の周辺地域の上空における小型無人機等の飛行の禁止に関する法律の一部を改正する法律(以下「改正法」という。)の施行の日(令和四年六月二十日)から施行する。ただし、次の各号に掲げる規定は、当該各号に定める日から施行する。
一第一条中航空法施行規則第二百四十三条第二項の改正規定及び附則第四条の規定公布の日
二第一条中航空法施行規則第二百三十九条の六の次に六条を加える改正規定及び次条の規定改正法附則第一条第三号に掲げる規定の施行の日(令和三年十二月二十日)

(無人航空機に関する経過措置)

第二条航空の用に供することができる飛行機、回転翼航空機、滑空機及び飛行船であって構造上人が乗ることができないもののうち、遠隔操作又は自動操縦(プログラムにより自動的に操縦を行うことをいう。)により飛行させることができるものであって、重量が百グラム以上二百グラム未満のものについては、航空法第二条第二十二項に規定する無人航空機とみなして、改正法附則第三条の規定を適用する。

(リモートID機能に関する経過措置)

第三条この省令の施行前に製造された無人航空機(前条の規定により無人航空機とみなされるものを含む。以下この条において同じ。)であって、技術上の理由その他のやむを得ない理由によりリモートID機能を備えることが困難であると認めて国土交通大臣が告示で定めるものについては、第一条の規定による改正後の航空法施行規則(附則第五条において「新航空法施行規則」という。)第二百三十六条の六第一項第二号の規定は適用しない。この場合において、第一条の規定による改正前の航空法施行規則(附則第五条において「旧航空法施行規則」という。)第二百三十六条の五第一項の規定により当該無人航空機を飛行させる者が確認しなければならない事項については、なお従前の例による。

(指定立替納付者の指定に係る準備行為)

第四条改正法による改正後の航空法第百三十五条の二第一項の規定による指定の手続は、改正法附則第一条第三号に掲げる規定の施行の日前においても行うことができる。

(検査員の証票に関する経過措置)

第五条この省令の施行の際現に交付されている旧航空法施行規則第三十号様式による検査員の証票並びに第三条の規定による改正前の民間の能力を活用した国管理空港等の運営等に関する法律施行規則第三号様式及び第七号様式による検査員の証票は、それぞれ新航空法施行規則第三十号様式による検査員の証票並びに第三条の規定による改正後の民間の能力を活用した国管理空港等の運営等に関する法律施行規則第三号様式及び第七号様式による検査員の証票とみなす。

附 則(令和三年一二月八日国土交通省令第七六号)抄

(施行期日)

第一条この省令は、航空法等の一部を改正する法律の施行の日(令和四年三月十日)から施行する。

(経過措置)

第二条この省令の施行の際現に公布されている第一条の規定による改正前の航空法施行規則第三十号様式による検査員の証票並びに第二条の規定による改正前の民間の能力を活用した国管理空港等の運営等に関する法律施行規則第一号様式、第二号様式、第三号様式、第五号様式、第六号様式、第七号様式及び第八号様式による検査員の証票は、それぞれ第一条の規定による改正後の航空法施行規則第三十号様式による検査員の証票並びに第二条の規定による改正後の民間の能力を活用した国管理空港等の運営等に関する法律施行規則第一号様式、第二号様式、第三号様式、第五号様式、第六号様式、第七号様式及び第八号様式による検査員の証票とみなす。

附 則(令和四年二月二八日国土交通省令第七号)抄

(施行期日)

1この省令は、令和五年二月二十八日から施行する。

附 則(令和四年六月一七日国土交通省令第五一号)抄

(施行期日)

1この省令は、無人航空機等の飛行による危害の発生を防止するための航空法及び重要施設の周辺地域の上空における小型無人機等の飛行の禁止に関する法律の一部を改正する法律(令和二年法律第六十一号)の施行の日(令和四年六月二十日)から施行する。ただし、第二条の規定は公布の日から施行する。

附 則(令和四年七月二九日国土交通省令第五六号)

(施行期日)

第一条この省令は、航空法等の一部を改正する法律附則第一条第四号に掲げる規定の施行の日(令和四年十二月五日)から施行する。

(様式に関する経過措置)

第二条この省令の施行の際現に交付されている第一条の規定による改正前の航空法施行規則第三十号様式による検査員の証票並びに第三条の規定による改正前の民間の能力を活用した国管理空港等の運営等に関する法律施行規則第三号様式及び第七号様式による検査員の証票は、それぞれ第一条の規定による改正後の航空法施行規則第三十号様式による検査員の証票並びに第三条の規定による改正後の民間の能力を活用した国管理空港等の運営等に関する法律施行規則第三号様式及び第七号様式による検査員の証票とみなす。

附 則(令和四年一一月二日国土交通省令第七七号)

この省令は、令和四年十一月三日から施行する。

附 則(令和四年一一月二二日国土交通省令第八一号)

(施行期日)

1この省令は、公布の日から施行する。

(経過措置)

2この省令の施行の際現に工事に着手され、又は設置されている航空障害灯については、この省令による改正後の航空法施行規則第百二十七条の規定にかかわらず、なお従前の例によることができる。

附 則(令和四年一二月一日国土交通省令第八六号)抄

(施行期日)

1この省令は、航空法等の一部を改正する法律の施行の日(令和四年十二月一日)から施行する。

附 則(令和五年六月二〇日国土交通省令第四八号)

この省令は、公布の日から施行する。

附 則(令和五年七月二八日国土交通省令第五九号)

この省令は、日本国の自衛隊とオーストラリア国防軍との間における相互のアクセス及び協力の円滑化に関する日本国とオーストラリアとの間の協定の実施に関する法律(令和五年法律第二十六号)の施行の日から施行する。ただし、第二条の規定は、日本国の自衛隊とグレートブリテン及び北アイルランド連合王国の軍隊との間における相互のアクセス及び協力の円滑化に関する日本国とグレートブリテン及び北アイルランド連合王国との間の協定の実施に関する法律(令和五年法律第二十七号)の施行の日から施行する。

附 則(令和五年九月二九日国土交通省令第八一号)

(施行期日)

1この省令は、令和五年九月三十日から施行する。

(経過措置)

2この省令の施行の際現にあるこの省令による改正前の様式による用紙は、当分の間、これを取り繕って使用することができる。

附 則(令和五年一一月三〇日国土交通省令第九〇号)

この省令は、令和五年十二月三十一日から施行する。

附 則(令和六年一月一九日国土交通省令第二号)抄

(施行期日)

1この省令は、デジタル社会の形成を図るための規制改革を推進するためのデジタル社会形成基本法等の一部を改正する法律の施行の日(令和六年四月一日)から施行する。

附 則(令和六年二月一五日国土交通省令第九号)

この省令は、令和六年四月一日から施行する。

附 則(令和六年三月二九日国土交通省令第二六号)抄

(施行期日)

第一条この省令は、令和六年四月一日から施行する。

附 則(令和六年三月二九日国土交通省令第四一号)

(施行期日)

第一条この省令は、令和六年七月一日から施行する。

(経過措置)

第二条この省令の施行の際現にこの省令による改正前の航空法施行規則(以下「旧規則」という。)第二十二号様式によりされている申請は、この省令による改正後の航空法施行規則(以下「新規則」という。)第二十二号様式によりされている申請とみなす。
第三条この省令の施行の際現に交付されている旧規則第二十四号様式による第一種航空身体検査証明書及び第二種航空身体検査証明書は、それぞれ新規則第二十四号様式によるものとみなす。
第四条この省令の施行の際現にある旧規則第二十四号様式による用紙については、自家用操縦士、一等航空士、二等航空士、航空機関士又は航空通信士の資格の技能証明を有する者であって、定期運送用操縦士、事業用操縦士及び准定期運送用操縦士の資格の技能証明を有しないものが、第一種航空身体検査証明書の交付を受ける場合を除き、当分の間、これを使用することができる。
2前項の規定により旧規則第二十四号様式による用紙を使用して交付された第一種航空身体検査証明書及び第二種航空身体検査証明書は、それぞれ新規則第二十四号様式によるものとみなす。

附 則(令和六年四月三〇日国土交通省令第五七号)

この省令は、公布の日から施行する。

附 則(令和六年六月二八日国土交通省令第七五号)

この省令は、令和七年三月三十一日から施行する。ただし、第二百三十六条の三の改正規定は、公布の日から施行する。

附 則(令和六年一一月八日国土交通省令第九八号)

(施行期日)

第一条この省令は、公布の日から施行する。ただし、航空法施行規則第百五十条の改正規定は、令和七年一月一日から施行する。

(経過措置)

第二条この省令による改正後の航空法施行規則第百五十条第四項の規定により同項に規定する遭難追跡装置又は航空機用救命無線機(以下「装置等」という。)を装備しなければならない飛行機であって、技術上の理由その他のやむを得ない理由により当該装置等を装備することが困難であると認めて国土交通大臣が告示で定める型式のものについては、同項の規定にかかわらず、当該型式の飛行機ごとに国土交通大臣が告示で指定する期間は、当該装置等を装備しなくてよい。

附 則(令和六年一二月二日国土交通省令第一〇二号)

この省令は、行政手続における特定の個人を識別するための番号の利用等に関する法律等の一部を改正する法律附則第一条第二号に掲げる規定の施行の日(令和六年十二月二日)から施行する。

附 則(令和六年一二月二七日国土交通省令第一一二号)

この省令は、公布の日から施行する。

附 則(令和七年三月三一日国土交通省令第三九号)

この省令は、公布の日から施行する。

附 則(令和七年四月一四日国土交通省令第五五号)

この省令は、公布の日から施行する。

附 則(令和七年五月二六日国土交通省令第六〇号)抄

(施行期日)

1この省令は、刑法等の一部を改正する法律の施行の日(令和七年六月一日)から施行する。

附 則(令和七年六月一一日国土交通省令第六五号)抄

(施行期日)

第一条この省令は、次の各号に掲げる区分に応じ、当該各号に定める日から施行する。
一航空法施行規則第五十四条及び第二十号様式の改正規定並びに次条並びに附則第三条及び第十条の規定公布の日
二航空法施行規則第百六十四条の八から第百六十四条の十までの改正規定令和七年六月三十日
三航空法施行規則第五条の六及び別表第三の改正規定並びに附則第四条から第九条まで及び第十一条から第十三条までの規定令和八年四月一日

(経過措置)

第二条前条第一号に掲げる規定の施行の際現にこの省令による改正前の航空法施行規則(次条において「旧規則」という。)第五十四条第三号イの規定により航空機の型式についての限定をされている一等航空運航整備士の資格についての技能証明を受けている者は、当該限定をされていないものとみなす。
第三条附則第一条第一号に掲げる規定の施行の際現に交付されている旧規則第二十号様式による技能証明書(限定事項関係に限る。以下この条において同じ。)は、この省令による改正後の航空法施行規則(以下「新規則」という。)第二十号様式による技能証明書とみなす。
第十条前条第一項の規定による承認の手続は、第三号施行日前においても行うことができる。

附 則(令和七年七月一八日国土交通省令第八三号)

この省令は、日本国の自衛隊と我が国以外の締約国の軍隊との間における相互のアクセス及び協力の円滑化に関する日本国と我が国以外の締約国との間の協定の実施に関する法律の施行の日から施行する。

附 則(令和七年一一月一二日国土交通省令第一〇八号)

この省令は、公布の日から施行する。

附 則(令和七年一一月二七日国土交通省令第一一三号)

この省令は、公布の日から施行する。

附 則(令和七年一一月二七日国土交通省令第一一四号)

(施行期日)

1この省令は、航空法等の一部を改正する法律(令和七年法律第五十五号)の施行の日(令和七年十二月一日)から施行する。

(経過措置)

2この省令の施行の際現に存する空港に係る航空法第四十七条第一項の規定による空港等及び航空保安施設の機能の確保に関する基準については、改正後の航空法施行規則第九十二条第十六号(改正後の民間の能力を活用した国管理空港等の運営等に関する法律施行規則第一条第二項において準用する場合並びに同令第四条及び附則第七条第一項において読み替えて適用する場合を含む。)の規定は、令和八年三月三十日までの間は、適用しない。
別表第一 削除
別表第二(第四十二条、第四十三条関係)
資格又は証明飛行経歴その他の経歴
定期運送用操縦士一 飛行機について技能証明を受けようとする場合飛行機による次に掲げる飛行を含む千五百時間(模擬飛行装置又は飛行訓練装置を国土交通大臣の指定する方式により操作した時間(以下「模擬飛行時間」という。)を有するときは、当該時間(百時間を限度とする。ただし、飛行訓練装置に係る時間にあつては、二十五時間を限度とする。)を減じた時間とすることができる。)以上の飛行時間(操縦者として航空機の運航を行つた時間をいう。以下同じ。)(飛行機について操縦者の資格を有するときは、構造上、一人の操縦者で操縦することができる飛行機による機長以外の操縦者としての飛行時間(特定の方法又は方式により飛行する場合に限りその操縦のために二人を要する飛行機にあつては、当該特定の方法又は方式による飛行時間を除く。)についてはその二分の一(自家用操縦士にあつては、五十時間を限度とする。)を算入するものとし、滑空機、回転翼航空機又は飛行船のいずれかについて操縦者の資格を有するときは、その機長としての飛行時間の三分の一又は二百時間のうちいずれか少ない時間を充当することができる。)を有すること。イ 百時間以上の野外飛行を含む二百五十時間(機長の監督の下に行う機長見習業務としての飛行時間を有するときは、当該時間(百八十時間を限度とする。)を減じた時間とすることができる。)以上の機長としての飛行又は百時間以上の野外飛行を含む五百時間以上の機長の監督の下に行う機長見習業務としての飛行ロ 二百時間以上の野外飛行(五十時間以内は、回転翼航空機又は飛行船によるものをもつて充当することができる。ただし、飛行船によるものについては、二十五時間を限度とする。)ハ 百時間以上の夜間の飛行(四十時間以内は、回転翼航空機又は飛行船によるものをもつて充当することができる。ただし、飛行船によるものについては、二十時間を限度とする。)ニ 七十五時間(模擬飛行時間を有するときは、当該時間(三十時間を限度とする。)を減じた時間とすることができる。)以上の計器飛行二 回転翼航空機について技能証明を受けようとする場合回転翼航空機による次に掲げる飛行を含む千時間(模擬飛行時間を有するときは、当該時間(百時間を限度とする。ただし、飛行訓練装置に係る時間にあつては、二十五時間を限度とする。)を減じた時間とすることができる。)以上の飛行時間(回転翼航空機について操縦者の資格を有するときは、構造上、一人の操縦者で操縦することができる回転翼航空機による機長以外の操縦者としての飛行時間(特定の方法又は方式により飛行する場合に限りその操縦のために二人を要する回転翼航空機にあつては、当該特定の方法又は方式による飛行時間を除く。)についてはその二分の一(自家用操縦士にあつては、五十時間を限度とする。)を算入するものとし、飛行機、滑空機又は飛行船のいずれかについて操縦者の資格を有するときは、飛行機による操縦者としての飛行時間(飛行機による機長以外の操縦者としての飛行時間についてはその二分の一(自家用操縦士にあつては、五十時間を限度とする。)を限度とする。)若しくは二百時間のうちいずれか少ない時間又は滑空機若しくは飛行船による機長としての飛行時間の三分の一若しくは二百時間のうちいずれか少ない時間のうちいずれかを充当することができる。)を有すること。イ 百時間以上の野外飛行を含む二百五十時間(機長の監督の下に行う機長見習業務としての飛行時間を有するときは、当該時間(百八十時間を限度とする。)を減じた時間とすることができる。)以上の機長としての飛行ロ 二百時間以上の野外飛行(五十時間以内は、飛行機又は飛行船によるものをもつて充当することができる。ただし、飛行船によるものについては、二十五時間を限度とする。)ハ 五十時間以上の夜間の飛行(二十時間以内は、飛行機又は飛行船によるものをもつて充当することができる。ただし、飛行船によるものについては、十時間を限度とする。)ニ 三十時間(模擬飛行時間を有するときは、当該時間(十時間を限度とする。)を減じた時間とすることができる。)以上の計器飛行(模擬計器飛行を含む。以下この表において同じ。)(十時間以内は、飛行機によるものをもつて充当することができる。)三 飛行船について技能証明を受けようとする場合飛行船による次に掲げる飛行を含む千時間(模擬飛行時間を有するときは、当該時間(百時間を限度とする。ただし、飛行訓練装置に係る時間にあつては、二十五時間を限度とする。)を減じた時間とすることができる。)以上の飛行時間(飛行船について操縦者の資格を有するときは、構造上、一人の操縦者で操縦することができる飛行船による機長以外の操縦者としての飛行時間(特定の方法又は方式により飛行する場合に限りその操縦のために二人を要する飛行船にあつては、当該特定の方法又は方式による飛行時間を除く。)についてはその二分の一(自家用操縦士にあつては、五十時間を限度とする。)を算入するものとし、飛行機、滑空機又は回転翼航空機のいずれかについて操縦者の資格を有するときは、飛行機による操縦者としての飛行時間(飛行機による機長以外の操縦者としての飛行時間についてはその二分の一(自家用操縦士にあつては、五十時間を限度とする。)を限度とする。)若しくは二百時間のうちいずれか少ない時間又は滑空機若しくは回転翼航空機による機長としての飛行時間の三分の一若しくは二百時間のうちいずれか少ない時間のうちいずれかを充当することができる。)を有すること。イ 五十回以上の離陸及び着陸を含む二百時間(機長の監督の下に行う機長見習業務としての飛行時間を有するときは、当該時間(百五十時間を限度とする。)を減じた時間とすることができる。)以上の機長としての飛行ロ 百時間以上の野外飛行(二十五時間以内は、飛行機又は回転翼航空機によるものをもつて充当することができる。)ハ 二十五時間以上の夜間の飛行(十時間以内は、飛行機又は回転翼航空機によるものをもつて充当することができる。)ニ 三十時間(模擬飛行時間を有するときは、当該時間(二十時間を限度とする。)を減じた時間とすることができる。)以上の計器飛行(十時間以内は、飛行機又は回転翼航空機によるものをもつて充当することができる。)
事業用操縦士一 飛行機について技能証明を受けようとする場合は、次のイ又はロに掲げる飛行機の区分に応じ、当該イ又はロに定める経歴イ ロに掲げる飛行機以外の飛行機 飛行機による次に掲げる飛行を含む二百時間(模擬飛行時間を有するときは、当該時間(二十時間を限度とする。)を減じた時間とすることができる。)以上の飛行時間(飛行機について操縦者の資格を有するときは、構造上、一人の操縦者で操縦することができる飛行機による機長以外の操縦者としての飛行時間(特定の方法又は方式により飛行する場合に限りその操縦のために二人を要する飛行機にあつては、当該特定の方法又は方式による飛行時間を除く。)についてはその二分の一又は五十時間のうちいずれか少ない時間を算入するものとし、滑空機、回転翼航空機又は飛行船のいずれかについて操縦者の資格を有するときは、その機長としての飛行時間の三分の一又は五十時間のうちいずれか少ない時間を充当することができる。)を有すること又は独立行政法人航空大学校、国土交通省航空大学校、運輸省航空大学校若しくは指定航空従事者養成施設において飛行機による次に掲げる飛行を含む百五十時間(模擬飛行時間を有するときは、当該時間(二十時間を限度とする。)を減じた時間とすることができる。)以上の飛行訓練を受けたこと。(一) 百時間(准定期運送用操縦士の資格を有する場合にあつては、七十時間(機長の監督の下に行う機長見習業務としての飛行時間を有するときは、当該時間(六十時間を限度とする。)を減じた時間とすることができる。)、独立行政法人航空大学校、国土交通省航空大学校、運輸省航空大学校又は指定航空従事者養成施設における飛行訓練を受けた場合にあつては、七十時間)以上の機長としての飛行(二) 出発地点から五百四十キロメートル以上の飛行で、中間において二回以上の生地着陸をするものを含む二十時間(准定期運送用操縦士の資格を有する者が機長の監督の下に行う機長見習業務としての野外飛行の時間を有するときの当該時間(十時間を限度とする。)又は回転翼航空機若しくは飛行船による機長としての野外飛行の時間を有するときの当該時間(六時間を限度とし、このうち飛行船に係るものについては三時間を限度とする。)のうちいずれかを減じた時間とすることができる。)以上の機長としての野外飛行(三) 機長としての五回以上の離陸及び着陸を含む五時間以上の夜間の飛行(二時間以内は、回転翼航空機又は飛行船によるものをもつて充当することができる。ただし、飛行船によるものについては、一時間を限度とする。)(四) 十時間(模擬飛行時間を有するときは、当該時間(五時間を限度とする。)を減じた時間とすることができる。)以上の計器飛行ロ 電気を動力源とする垂直離着陸飛行機 垂直離着陸飛行機の型式ごとに、当該垂直離着陸飛行機の事業用操縦士として業務に従事するのに必要な知識及び能力を有するために必要な経歴として国土交通大臣が定めるもの二 滑空機について技能証明を受けようとする場合は、次のイからハまでに掲げる滑空機の区分に応じ、当該イからハまでに定める経歴イ 曳えい航装置なし動力滑空機 滑空機による次に掲げる飛行を行つたこと。ただし、飛行機について操縦者の資格に係る技能証明を有するときは、単独操縦による十時間以上の滑空及び十回以上の滑空による着陸を行つたこと。(一) 単独操縦による十五時間以上の滑空及び二十回以上の滑空による着陸並びに単独操縦による二十五時間以上の動力による飛行(飛行機によるものを含む。)及び二十回以上の発動機の作動中における着陸(飛行機によるものを含む。)(二) 出発地点から二百四十キロメートル以上の野外飛行で、中間において二回以上の生地着陸をするもの(飛行機によるものを含む。)(三) 五回以上の失速からの回復の方法の実施(飛行機によるものを含む。)ロ 曳えい航装置付き動力滑空機 滑空機による次に掲げる飛行を行つたこと。ただし、飛行機について操縦者の資格に係る技能証明を有するときは、単独操縦による十時間以上の滑空及び十回以上の滑空による着陸を行つたこと。(一) 単独操縦による十五時間以上の滑空及び二十回以上の滑空による着陸並びに単独操縦による二十五時間以上の動力による飛行(飛行機によるものを含む。)及び二十回以上の発動機の作動中における着陸(飛行機によるものを含む。)。ただし、発動機の作動中における着陸に適さないものにあつては、発動機の作動中における着陸は除く。(二) 航空機曳えい航による十五回以上及びウインチ曳えい航又は自動車曳えい航による十五回以上の滑空を含む曳えい航による七十五回以上の滑空(三) 五回以上の失速からの回復の方法の実施(飛行機によるものを含む。)ハ 上級滑空機 次に掲げる滑空を含む機長としての十五時間以上の滑空を行つたこと。ただし、飛行機について操縦者の資格に係る技能証明を有するときは、航空機曳えい航による滑空及びウインチ曳えい航又は自動車曳えい航による滑空を含む曳えい航による三十回以上の機長としての滑空を行つたこと。(一) 航空機曳えい航による十五回以上及びウインチ曳えい航又は自動車曳えい航による十五回以上の滑空を含む曳えい航による七十五回以上の滑空(二) 五回以上の失速からの回復の方法の実施三 回転翼航空機について技能証明を受けようとする場合は、次のイ又はロに掲げる回転翼航空機の区分に応じ、当該イ又はロに定める経歴イ ロに掲げる回転翼航空機以外の回転翼航空機 回転翼航空機による次に掲げる飛行を含む百五十時間(模擬飛行時間を有するときは、当該時間(十時間を限度とする。)を減じた時間とすることができる。)以上の飛行時間(回転翼航空機について操縦者の資格を有するときは、構造上、一人の操縦者で操縦することができる回転翼航空機による機長以外の操縦者としての飛行時間(特定の方法又は方式により飛行する場合に限りその操縦のために二人を要する回転翼航空機にあつては、当該特定の方法又は方式による飛行時間を除く。)についてはその二分の一又は五十時間のうちいずれか少ない時間を算入するものとし、飛行機、滑空機又は飛行船について操縦者の資格を有するときは、飛行機による操縦者としての飛行時間(飛行機による機長以外の操縦者としての飛行時間についてはその二分の一(自家用操縦士にあつては、五十時間を限度とする。)を限度とする。)若しくは百時間のうちいずれか少ない時間又は滑空機若しくは飛行船による機長としての飛行時間の三分の一若しくは五十時間のうちいずれか少ない時間のうちいずれかを充当することができる。)を有すること又は独立行政法人航空大学校、国土交通省航空大学校、運輸省航空大学校若しくは指定航空従事者養成施設において回転翼航空機による次に掲げる飛行を含む百時間以上の飛行訓練(五十時間以内は飛行機によるものをもつて充当することができ、模擬飛行時間を有するときは、当該時間(十時間を限度とする。)を充当することができる。)を受けたこと。(一) 三十五時間以上の機長としての飛行(二) 出発地点から三百キロメートル以上の飛行で、中間において二回以上の生地着陸をするものを含む十時間以上の機長としての野外飛行(三時間以内は、飛行機又は飛行船によるものをもつて充当することができる。ただし、飛行船によるものについては、二時間を限度とする。)(三) 機長としての五回以上の離陸及び着陸を含む五時間以上の夜間の飛行(二時間以内は、飛行機又は飛行船によるものをもつて充当することができる。ただし、飛行船によるものについては、一時間を限度とする。)(四) 十時間(模擬飛行時間を有するときは、当該時間(五時間を限度とする。)を減じた時間とすることができる。)以上の計器飛行(三時間以内は、飛行機によるものをもつて充当することができる。)(五) オートロテイションによる着陸ロ 電気を動力源とするマルチローター マルチローターの型式ごとに、当該マルチローターの事業用操縦士として業務に従事するのに必要な知識及び能力を有するために必要な経歴として国土交通大臣が定めるもの四 飛行船について技能証明を受けようとする場合は、飛行船による次に掲げる飛行を含む二百時間(模擬飛行時間を有するときは、当該時間(十時間を限度とする。)を減じた時間とすることができる。)以上の飛行時間(飛行船について操縦者の資格を有するときは、構造上、一人の操縦者で操縦することができる飛行船による機長以外の操縦者としての飛行時間(特定の方法又は方式により飛行する場合に限りその操縦のために二人を要する飛行船にあつては、当該特定の方法又は方式による飛行時間を除く。)についてはその二分の一又は五十時間のうちいずれか少ない時間を算入するものとし、飛行機、滑空機又は回転翼航空機について操縦者の資格を有するときは、飛行機による操縦者としての飛行時間(飛行機による機長以外の操縦者としての飛行時間についてはその二分の一(自家用操縦士にあつては、五十時間を限度とする。)を限度とする。)若しくは百時間のうちいずれか少ない時間又は滑空機若しくは回転翼航空機による機長としての飛行時間の三分の一若しくは五十時間のうちいずれか少ない時間のうちいずれかを充当することができる。)を有すること。イ 二十回以上の離陸及び着陸を含む五十時間以上の機長としての飛行ロ 出発地点から百八十キロメートル以上の飛行で、中間において二回以上の生地着陸をするものを含む十時間以上の野外飛行(三時間以内は、飛行機又は回転翼航空機によるものをもつて充当することができる。)ハ 十時間以上の夜間の飛行(四時間以内は、飛行機又は回転翼航空機によるものをもつて充当することができる。)ニ 十時間(模擬飛行時間を有するときは、当該時間(五時間を限度とする。)を減じた時間とすることができる。)以上の計器飛行(三時間以内は、飛行機又は回転翼航空機によるものをもつて充当することができる。)
自家用操縦士一 飛行機について技能証明を受けようとする場合は、次のイ又はロに掲げる飛行機の区分に応じ、当該イ又はロに定める経歴イ ロに掲げる飛行機以外の飛行機 飛行機による次に掲げる飛行を含む四十時間(模擬飛行時間を有するときは、当該時間(五時間を限度とする。)を減じた時間とすることができる。)以上の飛行時間(滑空機、回転翼航空機又は飛行船について操縦者の資格を有する場合は、自家用操縦士の資格を有するときは、その機長としての飛行時間の三分の一若しくは十時間のうちいずれか少ない時間又は定期運送用操縦士若しくは事業用操縦士の資格を有するときは、その機長としての飛行時間の二分の一若しくは二十時間のうちいずれか少ない時間のうちいずれかを充当することができる。)を有すること又は独立行政法人航空大学校若しくは指定航空従事者養成施設において飛行機による次に掲げる飛行を含む三十五時間(模擬飛行時間を有するときは、当該時間(五時間を限度とする。)を減じた時間とすることができる。)以上の飛行訓練を受けたこと。(一) 十時間以上の単独飛行(二) 出発地点から二百七十キロメートル以上の飛行で、中間において二回以上の生地着陸をするものを含む五時間以上の単独操縦による野外飛行(三) 夜間における離陸、着陸及び航法の実施を含む二十時間以上の同乗教育飛行ロ 電気を動力源とする垂直離着陸飛行機 垂直離着陸飛行機の型式ごとに、当該垂直離着陸飛行機の自家用操縦士として業務に従事するのに必要な知識及び能力を有するために必要な経歴として国土交通大臣が定めるもの二 滑空機について技能証明を受けようとする場合は、次のイからハまでに掲げる滑空機の区分に応じ、当該イからハまでに定める経歴イ 曳えい航装置なし動力滑空機 滑空機による次に掲げる飛行を行つたこと。ただし、飛行機について操縦者の資格に係る技能証明を有するときは、二時間以上の滑空及び五回以上の滑空による着陸を行つたこと。(一) 単独操縦による三時間以上の滑空(一時間以内は、教官と同乗して行つたものをもつて充当することができる。)及び十回以上の滑空による着陸並びに単独操縦による十五時間以上の動力による飛行(飛行機によるものを含む。)(五時間以内は、教官と同乗して行つたものをもつて充当することができる。)及び十回以上の発動機の作動中における着陸(飛行機によるものを含む。)(二) 出発地点から百二十キロメートル以上の野外飛行で、中間において一回以上の生地着陸をするもの(飛行機によるものを含む。)(三) 失速からの回復の方法の実施(飛行機によるものを含む。)ロ 曳えい航装置付き動力滑空機 滑空機による次に掲げる飛行を行つたこと。ただし、飛行機について操縦者の資格に係る技能証明を有するときは、二時間以上の滑空及び五回以上の滑空による着陸を行つたこと。(一) 単独操縦による三時間以上の滑空(一時間以内は、教官と同乗して行つたものをもつて充当することができる。)及び十回以上の滑空による着陸並びに単独操縦による十五時間以上の動力による飛行(飛行機によるものを含む。)(五時間以内は、教官と同乗して行つたものをもつて充当することができる。)及び十回以上の発動機の作動中における着陸(飛行機によるものを含む。)。ただし、発動機の作動中における着陸に適さないものにあつては、発動機の作動中における着陸を除く。(二) 曳えい航による三十回以上の滑空(三) 失速からの回復の方法の実施(飛行機によるものを含む。)ハ 上級滑空機 次に掲げる滑空を含む単独操縦による三時間以上の滑空を行つたこと。ただし、飛行機について操縦者の資格に係る技能証明を有するときは、曳えい航による十五回以上の単独操縦による滑空を行つたこと。(一) 曳えい航による三十回以上の滑空(二) 失速からの回復の方法の実施三 回転翼航空機について技能証明を受けようとする場合は、次のイ又はロに掲げる回転翼航空機の区分に応じ、当該イ又はロに定める経歴イ ロに掲げる回転翼航空機以外の回転翼航空機 回転翼航空機による次に掲げる飛行を含む四十時間(模擬飛行時間を有するときは、当該時間(五時間を限度とする。)を減じた時間とすることができる。)以上の飛行時間(十五時間以内は、飛行機について自家用操縦士の技能証明を受けようとする場合の飛行経歴をもつて充当することができる。)を有すること又は独立行政法人航空大学校若しくは指定航空従事者養成施設において回転翼航空機による次に掲げる飛行を含む三十五時間(模擬飛行時間を有するときは、当該時間(五時間を限度とする。)を減じた時間とすることができる。)以上の飛行訓練を受けたこと。(一) 十時間以上の単独飛行(二) 出発地点から百八十キロメートル以上の飛行で、中間において二回以上の生地着陸をするものを含む五時間以上の単独操縦による野外飛行(三) 夜間における離陸、着陸及び航法の実施を含む二十時間以上の同乗教育飛行(四) オートロテイションによる着陸ロ 電気を動力源とするマルチローター マルチローターの型式ごとに、当該マルチローターの自家用操縦士として業務に従事するのに必要な知識及び能力を有するために必要な経歴として国土交通大臣が定めるもの四 飛行船について技能証明を受けようとする場合は、飛行船による次に掲げる飛行を含む五十時間(模擬飛行時間を有するときは、当該時間(五時間を限度とする。)を減じた時間とすることができる。)以上の飛行時間(十時間以内は、飛行機について自家用操縦士の技能証明を受けようとする場合の飛行経歴をもつて充当することができる。)を有すること。イ 十回以上の離陸を含む五時間以上の単独飛行ロ 出発地点から九十キロメートル以上の飛行で、中間において一回以上の生地着陸をするものを含む五時間以上の野外飛行
准定期運送用操縦士独立行政法人航空大学校又は指定航空従事者養成施設において飛行機による次に掲げる飛行を含む二百四十時間(模擬飛行時間を有するときは、当該時間を減じた時間とすることができる。)以上の飛行訓練を受けたこと。一 次に掲げる飛行を含む三十五時間(模擬飛行時間を有するときは、当該時間(五時間を限度とする。)を減じた時間とすることができる。)以上の飛行イ 十時間以上の単独飛行ロ 出発地点から二百七十キロメートル以上の飛行で、中間において二回以上の生地着陸をするものを含む五時間以上の単独操縦による野外飛行ハ 夜間における離陸、着陸及び航法の実施を含む二十時間以上の同乗教育飛行二 異常な姿勢からの回復を行う飛行三 夜間の飛行四 計器飛行
一等航空士一 夜間における三十時間以上の野外飛行の実施を含む二百時間(航空運送事業の用に供する航空機の操縦者としての飛行時間を有するときは、その飛行時間(百時間を限度とする。)を充当することができる。)以上航法を実施したこと。ただし、船舶職員及び小型船舶操縦者法(昭和二十六年法律第百四十九号)第五条第一項第一号に規定する一級海技士(航海)又は二級海技士(航海)の資格を有するときは、百時間以上航法を実施したこと。二 夜間二十五回以上天体観測により飛行中完全に位置決定を行い、及び二十五回以上無線位置線、天測位置線その他の航法諸元を利用して、飛行中完全に位置決定を行い、並びにそれらを航法に応用する実地練習を行つたこと。
二等航空士航空機に乗り組んで五十時間以上地文航法、推測航法及び無線航法を含む航法の実地練習を行つたこと。ただし、事業用操縦士若しくは自家用操縦士の資格及び計器飛行証明を有するとき又は定期運送用操縦士若しくは准定期運送用操縦士の資格を有するときは、航空機に乗り組んで五時間以上推測航法の実地練習を行つたこと。
航空機関士百時間(模擬飛行装置を国土交通大臣の指定する方式により操作した時間を有するときは、当該時間(五十時間を限度とする。)を減じた時間)以上航空機関士を必要とする航空機に乗つて航空機関士の業務の実地練習を行つたこと。ただし、一年以上の航空機の整備の経験(技能証明を受けようとする航空機と同等以上のものについての六月以上のものを含む。)を有するときは、五十時間以上航空機関士を必要とする航空機に乗つて航空機関士の業務の実地練習を行つたこと。
一等航空整備士一 飛行機について技能証明を受けようとする者は、次に掲げるいずれかの経験を有すること。イ 特定飛行機普通N又は附属書第一に規定する耐空類別が飛行機輸送Tである飛行機についての六月以上の整備の経験を含む四年以上の航空機の整備の経験ロ 国土交通大臣が指定する整備に係る訓練課程を修了した場合は、特定飛行機普通N又は附属書第一に規定する耐空類別が飛行機輸送Tである飛行機についての六月以上の整備の経験を含む二年以上の航空機の整備の経験二 回転翼航空機について技能証明を受けようとする者は、次に掲げるいずれかの経験を有すること。イ 附属書第一に規定する耐空類別が回転翼航空機輸送TA級又は回転翼航空機輸送TB級である回転翼航空機についての六月以上の整備の経験を含む四年以上の航空機の整備の経験ロ 国土交通大臣が指定する整備に係る訓練課程を修了した場合は、附属書第一に規定する耐空類別が回転翼航空機輸送TA級又は回転翼航空機輸送TB級である回転翼航空機についての六月以上の整備の経験を含む二年以上の航空機の整備の経験
二等航空整備士次に掲げるいずれかの経験を有すること。イ 技能証明を受けようとする種類の航空機についての六月以上の整備の経験を含む三年以上の航空機の整備の経験ロ 国土交通大臣が指定する整備に係る訓練課程を修了した場合は、技能証明を受けようとする種類の航空機についての六月以上の整備の経験を含む一年以上の航空機の整備の経験
一等航空運航整備士一 飛行機について技能証明を受けようとする者は、次に掲げるいずれかの経験を有すること。イ 特定飛行機普通N又は附属書第一に規定する耐空類別が飛行機輸送Tである飛行機についての六月以上の整備の経験を含む二年以上の航空機の整備の経験ロ 国土交通大臣が指定する整備に係る訓練課程を修了した場合は、特定飛行機普通N又は附属書第一に規定する耐空類別が飛行機輸送Tである飛行機についての六月以上の整備の経験を含む一年以上の航空機の整備の経験二 回転翼航空機について技能証明を受けようとする者は、次に掲げるいずれかの経験を有すること。イ 附属書第一に規定する耐空類別が回転翼航空機輸送TA級又は回転翼航空機輸送TB級である回転翼航空機についての六月以上の整備の経験を含む二年以上の航空機の整備の経験ロ 国土交通大臣が指定する整備に係る訓練課程を修了した場合は、附属書第一に規定する耐空類別が回転翼航空機輸送TA級又は回転翼航空機輸送TB級である回転翼航空機についての六月以上の整備の経験を含む一年以上の航空機の整備の経験
二等航空運航整備士次に掲げるいずれかの経験を有すること。イ 技能証明を受けようとする種類の航空機についての六月以上の整備の経験を含む二年以上の航空機の整備の経験ロ 国土交通大臣が指定する整備に係る訓練課程を修了した場合は、技能証明を受けようとする種類の航空機についての六月以上の整備の経験を含む一年以上の航空機の整備の経験
航空工場整備士次に掲げるいずれかの経験を有すること。イ 技能証明を受けようとする業務の種類について二年以上の整備及び改造の経験を有すること。ロ 国土交通大臣が指定する整備に係る訓練課程を修了した場合は、技能証明を受けようとする業務の種類について一年以上の整備及び改造の経験
計器飛行証明一 証明を受けようとする航空機の種類による十時間以上の飛行を含む五十時間以上の機長としての野外飛行を行つたこと。二 四十時間(模擬飛行時間を有するときは、当該時間(三十時間を限度とする。ただし、飛行訓練装置を国土交通大臣の指定する方式により操作した時間にあつては、二十時間を限度とする。)を減じた時間とすることができる。)以上の計器飛行等の練習を行つたこと。
操縦教育証明操縦者の資格(准定期運送用操縦士の資格を除く。)に係る技能証明及び事業用操縦士の場合の経歴を有すること。
別表第三(第四十六条、第四十六条の二関係)
学科試験の科目
資格又は証明技能証明の限定をしようとする航空機の種類若しくは等級又は業務の種類科目
定期運送用操縦士飛行機、回転翼航空機又は飛行船一 航空工学イ 飛行理論に関する一般知識ロ 飛行機、回転翼航空機又は飛行船の構造及び機能に関する一般知識ハ 飛行機用発動機、回転翼航空機用発動機又は飛行船用発動機及びプロペラ又は回転翼に関する一般知識ニ 飛行機用計測器、回転翼航空機用計測器又は飛行船用計測器その他の装備品に関する一般知識ホ 積載及び重量配分の基本原則並びにその飛行に及ぼす影響二 航空気象イ 天気図(飛行機にあつては、上層天気図を含む。)の解説及び分析に必要な知識ロ 気象観測法及び航空気象通報式(機上通報を含む。)の概要ハ 前線及び雲に関する一般知識並びに航空機の運航に影響を及ぼすじよう乱流、着氷、空電及び霧その他の視程障害現象に関する知識ニ 上層気象に関する一般知識(回転翼航空機又は飛行船の場合に限る。)三 空中航法イ 地文航法、推測航法、無線航法及び自蔵航法ロ 飛行計画の作成に必要な知識(回転翼航空機又は飛行船にあつては、有視界飛行方式による運航に係るものに限る。)ハ 運航方式に関する一般知識ニ 人間の能力及び限界に関する一般知識四 航空通信(概要)航空通信に関する一般知識(回転翼航空機又は飛行船にあつては、有視界飛行方式による運航に係るものに限る。)五 航空法規イ 国内航空法規ロ 国際航空法規(概要)
事業用操縦士飛行機、回転翼航空機又は飛行船一 航空工学イ 飛行理論に関する一般知識ロ 飛行機、回転翼航空機又は飛行船の構造及び機能に関する一般知識ハ 飛行機用発動機、回転翼航空機用発動機又は飛行船用発動機及びプロペラ又は回転翼に関する一般知識ニ 飛行機用計測器、回転翼航空機用計測器又は飛行船用計測器その他の装備品に関する一般知識ホ 積載及び重量配分の基本原則並びにその飛行に及ぼす影響二 航空気象イ 天気図の解読に必要な知識ロ 雲の分類及び雲形に関する知識ハ 上層気象に関する一般知識三 空中航法イ 地文航法及び推測航法ロ 無線航法に関する一般知識ハ 有視界飛行方式による運航に係る飛行計画の作成に必要な知識ニ 運航方式に関する一般知識ホ 人間の能力及び限界に関する一般知識四 航空通信(概要)有視界飛行方式による運航に係る航空通信に関する一般知識五 航空法規イ 国内航空法規ロ 国際航空法規(概要)
滑空機一 航空工学イ 飛行理論に関する一般知識ロ 滑空機の取扱法及び運航制限に関する知識ハ 滑空機用発動機及びプロペラに関する一般知識(動力滑空機の場合に限る。)ニ 滑空機用計測器の知識ホ 積載及び重量配分の基本原則並びにその飛行に及ぼす影響二 滑空飛行に関する気象三 空中航法イ 航空図の利用法ロ 地文航法及び推測航法(動力滑空機の場合に限る。)ハ 有視界飛行方式による運航に係る飛行計画の作成に必要な知識ニ 運航方式に関する一般知識ホ 人間の能力及び限界に関する一般知識四 航空通信(概要)(動力滑空機の場合に限る。)有視界飛行方式による運航に係る航空通信に関する一般知識五 国内航空法規
自家用操縦士飛行機、回転翼航空機又は飛行船一 航空工学イ 飛行理論に関する一般知識ロ 飛行機、回転翼航空機又は飛行船の構造及び機能に関する一般知識ハ 積載及び重量配分の基本原則並びにその飛行に及ぼす影響二 航空気象(簡略な概要)三 空中航法イ 地文航法及び推測航法(概要)ロ 有視界飛行方式による運航に係る飛行計画の作成に必要な知識ハ 運航方式の概要ニ 人間の能力及び限界に関する一般知識四 航空通信(概要)有視界飛行方式による運航に係る航空通信に関する一般知識五 航空法規イ 国内航空法規ロ 国際航空法規(概要)
滑空機一 航空工学イ 飛行理論に関する一般知識ロ 滑空機の取扱法及び運航制限に関する知識ハ 積載及び重量配分の基本原則並びにその飛行に及ぼす影響二 滑空飛行に関する気象(概要)三 空中航法イ 地文航法及び推測航法(概要)(動力滑空機の場合に限る。)ロ 有視界飛行方式による運航に係る飛行計画の作成に必要な知識ハ 運航方式の概要ニ 人間の能力及び限界に関する一般知識四 航空通信(概要)(動力滑空機の場合に限る。)有視界飛行方式による運航に係る航空通信に関する一般知識五 国内航空法規(概要)
准定期運送用操縦士飛行機一 航空工学イ 飛行理論に関する一般知識ロ 飛行機の構造及び機能に関する一般知識ハ 飛行機用発動機及びプロペラに関する一般知識ニ 飛行機用計測器その他の装備品に関する一般知識ホ 積載及び重量配分の基本原則並びにその飛行に及ぼす影響二 航空気象イ 天気図(上層天気図を含む。)の解説及び分析に必要な知識ロ 気象観測法及び航空気象通報式(機上通報を含む。)の概要ハ 前線及び雲に関する一般知識並びに飛行機の運航に影響を及ぼす擾じよう乱流、着氷、空電及び霧その他の視程障害現象に関する知識三 空中航法イ 地文航法、推測航法、無線航法及び自蔵航法ロ 飛行計画の作成に必要な知識ハ 運航方式に関する一般知識ニ 人間の能力及び限界に関する一般知識四 航空通信(概要)航空通信に関する一般知識五 航空法規イ 国内航空法規ロ 国際航空法規(概要)
一等航空士 一 空中航法イ 地文航法、推測航法、無線航法及び自蔵航法ロ 天文に関する一般知識及び天測航法ハ 航法用計測器の原理及び取扱法ニ 飛行計画の作成に必要な知識ホ 運航方式の概要ヘ 人間の能力及び限界に関する一般知識二 航空気象イ 上層天気図の解読及び分析に必要な知識ロ 上層風の観測及び予想に関する知識ハ 気象観測法及び航空気象通報式(機上通報を含む。)に関する知識ニ 前線及び雲に関する一般知識並びに航空機の運航に影響を及ぼすじよう乱流、着氷、空電及び霧その他の視程障害現象に関する知識三 航空通信(概要)四 航空工学イ 飛行理論に関する一般知識ロ 飛行機の構造の概要ハ 積載及び重量配分が飛行に及ぼす影響五 航空法規イ 国内航空法規ロ 国際航空法規(概要)
二等航空士 一 空中航法イ 地文航法、推測航法、無線航法及び自蔵航法ロ 天測航法に関する簡易な知識ハ 航法用計測器の原理及びその取扱法ニ 飛行計画の作成に必要な知識ホ 運航方式の概要ヘ 人間の能力及び限界に関する一般知識二 航空気象イ 天気図の解読に必要な知識ロ 雲の分類及び雲形に関する知識ハ 高層気象に関する一般知識三 航空通信(概要)四 航空工学イ 飛行理論に関する一般知識ロ 飛行機の構造の概要ハ 積載及び重量配分が飛行に及ぼす影響五 航空法規イ 国内航空法規ロ 国際航空法規(概要)
航空機関士飛行機又は回転翼航空機一 飛行及び航空力学の理論並びに航空機の重心位置の計算に関する知識二 航空機の機体(回転翼航空機にあつては、回転翼を含む。)の強度、構造、性能及び整備に関する知識三 航空機用発動機、発動機補機、プロペラ及びプロペラ調速器の構造、性能及び整備に関する知識並びに航空燃料及び潤滑油に関する知識四 航空機装備品の構造、性能及び整備に関する知識五 飛行中における発動機、プロペラ及び装備品の制御に関する知識六 航法イ 航法(簡略な概要)ロ 人間の能力及び限界に関する一般知識七 航空気象(簡略な概要)八 航空通信(概要)九 航空法規イ 国内航空法規ロ 国際航空法規(概要)
航空通信士 一 航空通信(概要)二 航空機の構造(概要)三 航法イ 航法(簡略な概要)ロ 人間の能力及び限界に関する一般知識四 航空気象(簡略な概要)五 航空法規イ 国内航空法規ロ 国際航空法規(概要)
一等航空整備士又は二等航空整備士飛行機、回転翼航空機、滑空機又は飛行船一 機体イ 流体力学の理論に関する知識ロ 航空力学の理論に関する知識ハ 材料力学の理論に関する知識ニ 機体構造の強度、構造、機能及び整備に関する知識ホ 機体の性能に関する知識ヘ 機体構造の材料に関する知識ト 機体装備品の強度、構造、機能及び整備に関する知識二 発動機(曳えい航装置なし動力滑空機及び曳えい航装置付き動力滑空機以外の滑空機を除く。)イ 熱力学の理論に関する知識ロ ピストン発動機、ピストン発動機補機及びピストン発動機の指示系統の構造、機能、性能及び整備に関する知識(ピストン発動機に係る航空機の場合に限る。)ハ タービン発動機、タービン発動機補機及びタービン発動機の指示系統の構造、機能、性能及び整備に関する知識(タービン発動機に係る航空機の場合に限る。)ニ 垂直離着陸飛行機又はマルチローター用発動機、垂直離着陸飛行機又はマルチローター用発動機補機及び当該発動機の指示系統の構造、機能、性能及び整備に関する知識(垂直離着陸飛行機及びマルチローターの場合に限る。)ホ プロペラ、プロペラ補機及びプロペラの指示系統の構造、機能、性能及び整備に関する知識ヘ 航空機の燃料及び潤滑油に関する知識三 電子装備品等イ 電気工学及び電子工学の理論に関する知識ロ 機械計器、電気計器、ジャイロ計器及び電子計器の構造、機能及び整備に関する知識ハ 電子装備品、電気装備品及び無線通信機器の構造、機能及び整備に関する知識四 航空法規等イ 国内航空法規ロ 人間の能力及び限界に関する一般知識
一等航空運航整備士又は二等航空運航整備士飛行機、回転翼航空機、滑空機又は飛行船一 機体及び電子装備品等イ 流体力学の理論に関する一般知識ロ 航空力学の理論に関する一般知識ハ 材料力学の理論に関する一般知識ニ 機体構造の強度、構造、機能及び整備に関する一般知識ホ 機体の性能に関する一般知識ヘ 機体構造の材料に関する一般知識ト 機体装備品の強度、構造、機能及び整備に関する一般知識チ 電気工学及び電子工学の理論に関する一般知識リ 機械計器、電気計器、ジャイロ計器及び電子計器の構造、機能及び整備に関する一般知識ヌ 電子装備品、電気装備品及び無線通信機器の構造、機能及び整備に関する一般知識二 発動機(曳えい航装置なし動力滑空機及び曳えい航装置付き動力滑空機以外の滑空機を除く。)イ 熱力学の理論に関する一般知識ロ ピストン発動機、ピストン発動機補機及びピストン発動機の指示系統の構造、機能、性能及び整備に関する一般知識(ピストン発動機に係る航空機の場合に限る。)ハ タービン発動機、タービン発動機補機及びタービン発動機の指示系統の構造、機能、性能及び整備に関する一般知識(タービン発動機に係る航空機の場合に限る。)ニ 垂直離着陸飛行機又はマルチローター用発動機、垂直離着陸飛行機又はマルチローター用発動機補機及び当該発動機の指示系統の構造、機能、性能及び整備に関する一般知識(垂直離着陸飛行機及びマルチローターの場合に限る。)ホ プロペラ、プロペラ補機及びプロペラの指示系統の構造、機能、性能及び整備に関する一般知識ヘ 航空機の燃料及び潤滑油に関する一般知識三 航空法規等イ 国内航空法規ロ 人間の能力及び限界に関する一般知識
航空工場整備士機体構造関係一 航空工学イ 流体力学の理論に関する一般知識ロ 航空力学の理論に関する一般知識ハ 機体構造の構造、機能及び取扱いに関する一般知識ニ 機体装備品の構造、機能及び取扱いに関する一般知識ホ 発動機、発動機補機及び発動機の指示系統の構造、機能及び取扱いに関する一般知識ヘ プロペラ、プロペラ補機及びプロペラの指示系統の構造、機能及び取扱いに関する一般知識ト 機械計器、電気計器、ジャイロ計器及び電子計器の構造、機能及び取扱いに関する一般知識チ 電子装備品、電気装備品及び無線通信機器の構造、機能及び取扱いに関する一般知識二 機体構造イ 材料力学の理論に関する知識ロ 機体構造の強度、構造、整備、改造及び試験に関する知識ハ 機体の性能に関する知識ニ 機体構造の材料に関する知識三 航空法規等イ 国内航空法規ロ 人間の能力及び限界に関する一般知識
 機体装備品関係一 航空工学イ 流体力学の理論に関する一般知識ロ 航空力学の理論に関する一般知識ハ 機体構造の構造、機能及び取扱いに関する一般知識ニ 機体装備品の構造、機能及び取扱いに関する一般知識ホ 発動機、発動機補機及び発動機の指示系統の構造、機能及び取扱いに関する一般知識ヘ プロペラ、プロペラ補機及びプロペラの指示系統の構造、機能及び取扱いに関する一般知識ト 機械計器、電気計器、ジャイロ計器及び電子計器の構造、機能及び取扱いに関する一般知識チ 電子装備品、電気装備品及び無線通信機器の構造、機能及び取扱いに関する一般知識二 機体装備品イ 機体装備品の構造、機能、性能、整備、改造及び試験に関する知識ロ 機体装備品の材料に関する知識三 航空法規等イ 国内航空法規ロ 人間の能力及び限界に関する一般知識
 ピストン発動機関係一 航空工学イ 流体力学の理論に関する一般知識ロ 航空力学の理論に関する一般知識ハ 機体構造の構造、機能及び取扱いに関する一般知識ニ 機体装備品の構造、機能及び取扱いに関する一般知識ホ 発動機、発動機補機及び発動機の指示系統の構造、機能及び取扱いに関する一般知識ヘ プロペラ、プロペラ補機及びプロペラの指示系統の構造、機能及び取扱いに関する一般知識ト 機械計器、電気計器、ジャイロ計器及び電子計器の構造、機能及び取扱いに関する一般知識チ 電子装備品、電気装備品及び無線通信機器の構造、機能及び取扱いに関する一般知識二 ピストン発動機イ 熱力学の理論に関する知識ロ ピストン発動機の構造、機能、性能、整備、改造及び試験に関する知識ハ ピストン発動機補機の構造、機能、性能、整備、改造及び試験に関する知識ニ 航空機の燃料及び潤滑油に関する知識三 航空法規等イ 国内航空法規ロ 人間の能力及び限界に関する一般知識
 タービン発動機関係一 航空工学イ 流体力学の理論に関する一般知識ロ 航空力学の理論に関する一般知識ハ 機体構造の構造、機能及び取扱いに関する一般知識ニ 機体装備品の構造、機能及び取扱いに関する一般知識ホ 発動機、発動機補機及び発動機の指示系統の構造、機能及び取扱いに関する一般知識ヘ プロペラ、プロペラ補機及びプロペラの指示系統の構造、機能及び取扱いに関する一般知識ト 機械計器、電気計器、ジャイロ計器及び電子計器の構造、機能及び取扱いに関する一般知識チ 電子装備品、電気装備品及び無線通信機器の構造、機能及び取扱いに関する一般知識二 タービン発動機イ 熱力学の理論に関する知識ロ タービン発動機の構造、機能、性能、整備、改造及び試験に関する知識ハ タービン発動機補機の構造、機能、性能、整備、改造及び試験に関する知識ニ 航空機の燃料及び潤滑油に関する知識三 航空法規等イ 国内航空法規ロ 人間の能力及び限界に関する一般知識
 プロペラ関係一 航空工学イ 流体力学の理論に関する一般知識ロ 航空力学の理論に関する一般知識ハ 機体構造の構造、機能及び取扱いに関する一般知識ニ 機体装備品の構造、機能及び取扱いに関する一般知識ホ 発動機、発動機補機及び発動機の指示系統の構造、機能及び取扱いに関する一般知識ヘ プロペラ、プロペラ補機及びプロペラの指示系統の構造、機能及び取扱いに関する一般知識ト 機械計器、電気計器、ジャイロ計器及び電子計器の構造、機能及び取扱いに関する一般知識チ 電子装備品、電気装備品及び無線通信機器の構造、機能及び取扱いに関する一般知識二 プロペライ プロペラの構造、機能、性能、整備、改造及び試験に関する知識ロ プロペラ補機の構造、機能、性能、整備、改造及び試験に関する知識三 航空法規等イ 国内航空法規ロ 人間の能力及び限界に関する一般知識
 計器関係一 航空工学イ 流体力学の理論に関する一般知識ロ 航空力学の理論に関する一般知識ハ 機体構造の構造、機能及び取扱いに関する一般知識ニ 機体装備品の構造、機能及び取扱いに関する一般知識ホ 発動機、発動機補機及び発動機の指示系統の構造、機能及び取扱いに関する一般知識ヘ プロペラ、プロペラ補機及びプロペラの指示系統の構造、機能及び取扱いに関する一般知識ト 機械計器、電気計器、ジャイロ計器及び電子計器の構造、機能及び取扱いに関する一般知識チ 電子装備品、電気装備品及び無線通信機器の構造、機能及び取扱いに関する一般知識二 計器イ 電気工学及び電子工学の理論に関する知識ロ 機械計器の構造、機能、性能、整備、改造及び試験に関する知識ハ 電気計器の構造、機能、性能、整備、改造及び試験に関する知識ニ ジャイロ計器の構造、機能、性能、整備、改造及び試験に関する知識ホ 電子計器の構造、機能、性能、整備、改造及び試験に関する知識三 航空法規等イ 国内航空法規ロ 人間の能力及び限界に関する一般知識
 電子装備品関係一 航空工学イ 流体力学の理論に関する一般知識ロ 航空力学の理論に関する一般知識ハ 機体構造の構造、機能及び取扱いに関する一般知識ニ 機体装備品の構造、機能及び取扱いに関する一般知識ホ 発動機、発動機補機及び発動機の指示系統の構造、機能及び取扱いに関する一般知識ヘ プロペラ、プロペラ補機及びプロペラの指示系統の構造、機能及び取扱いに関する一般知識ト 機械計器、電気計器、ジャイロ計器及び電子計器の構造、機能及び取扱いに関する一般知識チ 電子装備品、電気装備品及び無線通信機器の構造、機能及び取扱いに関する一般知識二 電子装備品イ 電気工学及び電子工学の理論に関する知識ロ 電子装備品の構造、機能、性能、整備、改造及び試験に関する知識三 航空法規等イ 国内航空法規ロ 人間の能力及び限界に関する一般知識
 電気装備品関係一 航空工学イ 流体力学の理論に関する一般知識ロ 航空力学の理論に関する一般知識ハ 機体構造の構造、機能及び取扱いに関する一般知識ニ 機体装備品の構造、機能及び取扱いに関する一般知識ホ 発動機、発動機補機及び発動機の指示系統の構造、機能及び取扱いに関する一般知識ヘ プロペラ、プロペラ補機及びプロペラの指示系統の構造、機能及び取扱いに関する一般知識ト 機械計器、電気計器、ジャイロ計器及び電子計器の構造、機能及び取扱いに関する一般知識チ 電子装備品、電気装備品及び無線通信機器の構造、機能及び取扱いに関する一般知識二 電気装備品イ 電気工学及び電子工学の理論に関する知識ロ 電気装備品の構造、機能、性能、整備、改造及び試験に関する知識三 航空法規等イ 国内航空法規ロ 人間の能力及び限界に関する一般知識
 無線通信機器関係一 航空工学イ 流体力学の理論に関する一般知識ロ 航空力学の理論に関する一般知識ハ 機体構造の構造、機能及び取扱いに関する一般知識ニ 機体装備品の構造、機能及び取扱いに関する一般知識ホ 発動機、発動機補機及び発動機の指示系統の構造、機能及び取扱いに関する一般知識ヘ プロペラ、プロペラ補機及びプロペラの指示系統の構造、機能及び取扱いに関する一般知識ト 機械計器、電気計器、ジャイロ計器及び電子計器の構造、機能及び取扱いに関する一般知識チ 電子装備品、電気装備品及び無線通信機器の構造、機能及び取扱いに関する一般知識二 無線通信機器イ 電気工学及び電子工学の理論に関する知識ロ 無線通信機器の構造、機能、性能、整備、改造及び試験に関する知識三 航空法規等イ 国内航空法規ロ 人間の能力及び限界に関する一般知識
航空英語能力証明 航空英語の聞き取り
計器飛行証明 一 推測航法及び無線航法二 航空機用計測器(概要)三 航空気象(概要)四 航空気象通報式五 計器飛行等の飛行計画六 計器飛行等に関する航空法規七 航空通信に関する一般知識八 計器飛行等に関する人間の能力及び限界に関する一般知識
操縦教育証明 一 操縦教育の実施要領二 危険及び事故の防止法三 救急法
実地試験の科目
資格又は証明技能証明の限定をしようとする航空機の種類若しくは等級又は業務の種類科目
定期運送用操縦士飛行機一 運航に必要な知識二 飛行前作業三 空港等及び場周経路における運航四 各種離陸及び着陸並びに着陸復行及び離陸中止五 基本的な計器による飛行六 空中操作及び型式の特性に応じた飛行七 次に掲げるものを含む計器飛行方式による飛行イ 離陸時の計器飛行への移行ロ 標準的な計器出発方式及び計器到着方式ハ 待機方式ニ 計器進入方式ホ 進入復行方式ヘ 計器進入からの着陸八 計器飛行方式による野外飛行九 飛行全般にわたる通常時の操作十 異常時及び緊急時の操作十一 航空交通管制機関等との連絡十二 航空機乗組員間の連携十三 総合能力
回転翼航空機一 運航に必要な知識二 飛行前作業三 地表付近における操作四 空港等及び場周経路における運航五 各種離陸及び着陸並びに着陸復行及び離陸中止六 基本的な計器による飛行七 外部視認目標を利用した飛行を含む空中操作及び型式の特性に応じた飛行八 野外飛行九 飛行全般にわたる通常時の操作十 異常時及び緊急時の操作十一 航空交通管制機関等との連絡十二 航空機乗組員間の連携十三 総合能力
飛行船一 運航に必要な知識二 飛行前作業三 空港等及び場周経路における運航四 各種離陸及び着陸並びに着陸復行五 基本的な計器による飛行六 外部視認目標を利用した飛行を含む空中操作七 野外飛行八 飛行全般にわたる通常時の操作九 異常時及び緊急時の操作十 航空交通管制機関等との連絡十一 航空機乗組員間の連携十二 地上作業員との連携十三 総合能力
事業用操縦士飛行機一 定期運送用操縦士の項飛行機の項の科目(第六号から第八号まで及び第十二号の科目を除く。)二 外部視認目標を利用した飛行を含む空中操作及び型式の特性に応じた飛行三 野外飛行
 滑空機曳えい航装置なし動力滑空機一 運航に必要な知識二 飛行前作業三 空港等及び場周経路における運航四 各種離陸及び着陸並びに着陸復行五 外部視認目標を利用した飛行を含む空中操作六 ソアリング七 野外飛行八 異常時及び緊急時の操作九 航空交通管制機関等との連絡十 総合能力
  曳えい航装置付き動力滑空機一 運航に必要な知識二 飛行前作業三 空港等及び場周経路における運航四 各種離陸及び着陸並びに着陸復行五 航空機曳えい航による飛行六 外部視認目標を利用した飛行を含む空中操作七 ソアリング八 異常時及び緊急時の操作九 航空交通管制機関等との連絡十 総合能力
  上級滑空機一 運航に必要な知識二 飛行前作業三 空港等及び場周経路における運航四 各種離陸及び着陸五 航空機曳えい航による飛行六 外部視認目標を利用した飛行を含む空中操作七 ソアリング八 異常時及び緊急時の操作九 総合能力
 回転翼航空機定期運送用操縦士の項回転翼航空機の項の科目(第九号及び第十二号の科目を除く。)
 飛行船定期運送用操縦士の項飛行船の項の科目(第八号及び第十一号の科目を除く。)
自家用操縦士飛行機事業用操縦士の項飛行機の項の科目
 滑空機曳えい航装置なし動力滑空機事業用操縦士の項曳えい航装置なし動力滑空機の項の科目
  曳えい航装置付き動力滑空機事業用操縦士の項曳えい航装置付き動力滑空機の項の科目
  上級滑空機一 事業用操縦士の項上級滑空機の項の科目(第五号の科目を除く。)二 えい航による飛行
 回転翼航空機事業用操縦士の項回転翼航空機の項の科目
 飛行船事業用操縦士の項飛行船の項の科目
准定期運送用操縦士飛行機定期運送用操縦士の項飛行機の項の科目
一等航空士 一 推測航法二 無線航法三 天測航法
二等航空士 一 推測航法二 無線航法
航空機関士飛行機又は回転翼航空機一 機体及び発動機、プロペラその他の装備品の取扱及び検査の方法二 航空機のとヽうヽ載重量の配分及び重心位置の計算三 気象条件又は運航計画に基く発動機出力の制御及び燃料消費量の計算四 航空機の故障又は一以上の発動機の部分的故障の際にとるべき処置
一等航空整備士又は二等航空整備士飛行機、回転翼航空機、滑空機又は飛行船一 整備の基本技術イ 飛行規程、整備規程その他整備に必要な規則の知識ロ 整備に必要な作業及び検査についての基本技術二 整備に必要な知見イ 機体構造の構造及び機体の性能に関する知見ロ 機体装備品(滑空機にあつては、曳えい航索及び着脱装置を含む。)の構造、機能及び作動方法に関する知見ハ 発動機、発動機補機及び発動機の指示系統の構造、機能、性能及び作動方法に関する知見(曳えい航装置なし動力滑空機及び曳えい航装置付き動力滑空機以外の滑空機の場合を除く。)ニ プロペラ、プロペラ補機及びプロペラの指示系統の構造、機能、性能及び作動方法に関する知見(曳えい航装置なし動力滑空機及び曳えい航装置付き動力滑空機以外の滑空機の場合を除く。)ホ 機械計器、電気計器、ジャイロ計器及び電子計器の構造、機能及び作動方法に関する知見ヘ 電子装備品、電気装備品及び無線通信機器の構造、機能及び作動方法に関する知見三 整備に必要な技術イ 機体構造の取扱い、整備方法及び検査方法ロ 機体装備品(滑空機にあつては、曳えい航索及び着脱装置を含む。)の取扱い、整備方法及び検査方法ハ 発動機、発動機補機及び発動機の指示系統の取扱い、整備方法及び検査方法(曳えい航装置なし動力滑空機及び曳えい航装置付き動力滑空機以外の滑空機の場合を除く。)ニ プロペラ、プロペラ補機及びプロペラの指示系統の取扱い、整備方法及び検査方法(曳えい航装置なし動力滑空機及び曳えい航装置付き動力滑空機以外の滑空機の場合を除く。)ホ 機械計器、電気計器、ジャイロ計器及び電子計器の取扱い、整備方法及び検査方法ヘ 電子装備品、電気装備品及び無線通信機器の取扱い、整備方法及び検査方法四 航空機の点検作業五 動力装置の操作(曳えい航装置なし動力滑空機及び曳えい航装置付き動力滑空機以外の滑空機の場合を除く。)イ 発動機の地上における運転試験ロ 諸系統の機能試験及び作動試験ハ 故障の発生に対応する操作及び整備方法
一等航空運航整備士又は二等航空運航整備士飛行機、回転翼航空機、滑空機又は飛行船一 整備の基本技術イ 飛行規程、整備規程その他整備に必要な規則の知識ロ 整備に必要な作業及び検査についての基本技術の基礎二 整備に必要な知見イ 機体構造の構造及び機体の性能に関する一般的な知見ロ 機体装備品(滑空機にあつては、曳えい航索及び着脱装置を含む。)の構造、機能及び作動方法に関する一般的な知見ハ 発動機、発動機補機及び発動機の指示系統の構造、機能、性能及び作動方法に関する一般的な知見(曳えい航装置なし動力滑空機及び曳えい航装置付き動力滑空機以外の滑空機の場合を除く。)ニ プロペラ、プロペラ補機及びプロペラの指示系統の構造、機能、性能及び作動方法に関する一般的な知見(曳えい航装置なし動力滑空機及び曳えい航装置付き動力滑空機以外の滑空機の場合を除く。)ホ 機械計器、電気計器、ジャイロ計器及び電子計器の構造、機能及び作動方法に関する一般的な知見ヘ 電子装備品、電気装備品及び無線通信機器の構造、機能及び作動方法に関する一般的な知見三 整備に必要な技術イ 機体構造の取扱い、整備方法及び検査方法の基礎ロ 機体装備品(滑空機にあつては、曳えい航索及び着脱装置を含む。)の取扱い、整備方法及び検査方法の基礎ハ 発動機、発動機補機及び発動機の指示系統の取扱い、整備方法及び検査方法の基礎(曳えい航装置なし動力滑空機及び曳えい航装置付き動力滑空機以外の滑空機の場合を除く。)ニ プロペラ、プロペラ補機及びプロペラの指示系統の取扱い、整備方法及び検査方法の基礎(曳えい航装置なし動力滑空機及び曳えい航装置付き動力滑空機以外の滑空機の場合を除く。)ホ 機械計器、電気計器、ジャイロ計器及び電子計器の取扱い、整備方法及び検査方法の基礎ヘ 電子装備品、電気装備品及び無線通信機器の取扱い、整備方法及び検査方法の基礎四 航空機の日常点検作業
航空工場整備士機体構造関係一 整備の基本技術イ 飛行規程、整備規程その他整備に必要な規則の知識ロ 整備に必要な基本技術の作業方法及び検査方法二 整備及び改造に必要な品質管理の知識三 機体構造イ 機体構造の構造、整備、改造及び試験に必要な知見ロ 機体構造の取扱い、整備方法、改造方法及び試験方法
 機体装備品関係一 整備の基本技術イ 飛行規程、整備規程その他整備に必要な規則の知識ロ 整備に必要な基本技術の作業方法及び検査方法二 整備及び改造に必要な品質管理の知識三 機体装備品イ 機体装備品の構造、機能、整備、改造及び試験に必要な知見ロ 機体装備品の取扱い、整備方法、改造方法及び試験方法
 ピストン発動機関係一 整備の基本技術イ 飛行規程、整備規程その他整備に必要な規則の知識ロ 整備に必要な基本技術の作業方法及び検査方法二 整備及び改造に必要な品質管理の知識三 ピストン発動機イ ピストン発動機、ピストン発動機補機及びピストン発動機の指示系統の構造、機能、性能、整備、改造及び試験に必要な知見ロ ピストン発動機、ピストン発動機補機及びピストン発動機の指示系統の取扱い、整備方法、改造方法及び試験方法
 タービン発動機関係一 整備の基本技術イ 飛行規程、整備規程その他整備に必要な規則の知識ロ 整備に必要な基本技術の作業方法及び検査方法二 整備及び改造に必要な品質管理の知識三 タービン発動機イ タービン発動機、タービン発動機補機及びタービン発動機の指示系統の構造、機能、性能、整備、改造及び試験に必要な知見ロ タービン発動機、タービン発動機補機及びタービン発動機の指示系統の取扱い、整備方法、改造方法及び試験方法
 プロペラ関係一 整備の基本技術イ 飛行規程、整備規程その他整備に必要な規則の知識ロ 整備に必要な基本技術の作業方法及び検査方法二 整備及び改造に必要な品質管理の知識三 プロペライ プロペラ、プロペラ補機及びプロペラの指示系統の構造、機能、性能、整備、改造及び試験に必要な知見ロ プロペラ、プロペラ補機及びプロペラの指示系統の取扱い、整備方法、改造方法及び試験方法
 計器関係一 整備の基本技術イ 飛行規程、整備規程その他整備に必要な規則の知識ロ 整備に必要な基本技術の作業方法及び検査方法二 整備及び改造に必要な品質管理の知識三 計器イ 機械計器、電気計器、ジャイロ計器及び電子計器の構造、機能、整備、改造及び試験に必要な知見ロ 機械計器、電気計器、ジャイロ計器及び電子計器の取扱い、整備方法、改造方法及び試験方法
 電子装備品関係一 整備の基本技術イ 飛行規程、整備規程その他整備に必要な規則の知識ロ 整備に必要な基本技術の作業方法及び検査方法二 整備及び改造に必要な品質管理の知識三 電子装備品イ 電子装備品の構造、機能、整備、改造及び試験に必要な知見ロ 電子装備品の取扱い、整備方法、改造方法及び試験方法
 電気装備品関係一 整備の基本技術イ 飛行規程、整備規程その他整備に必要な規則の知識ロ 整備に必要な基本技術の作業方法及び検査方法二 整備及び改造に必要な品質管理の知識三 電気装備品イ 電気装備品の構造、機能、整備、改造及び試験に必要な知見ロ 電気装備品の取扱い、整備方法、改造方法及び試験方法
 無線通信機器関係一 整備の基本技術イ 飛行規程、整備規程その他整備に必要な規則の知識ロ 整備に必要な基本技術の作業方法及び検査方法二 整備及び改造に必要な品質管理の知識三 無線通信機器イ 無線通信機器の構造、機能、整備、改造及び試験に必要な知見ロ 無線通信機器の取扱い、整備方法、改造方法及び試験方法
航空英語能力証明 航空英語による英会話
計器飛行証明 一 運航に必要な知識二 飛行前作業三 基本的な計器による飛行四 空中操作及び型式の特性に応じた飛行五 次に掲げるものを含む計器飛行方式による飛行イ 離陸時の計器飛行への移行ロ 標準的な計器出発方式及び計器到着方式ハ 待機方式ニ 計器進入方式ホ 進入復行方式ヘ 計器進入からの着陸六 計器飛行方式による野外飛行七 異常時及び緊急時の操作八 航空交通管制機関等との連絡九 総合能力
操縦教育証明 事業用操縦士の場合の科目のほか、試験官を操縦練習生と仮定して行う操縦の教育の要領
別表第四(第六十一条の二関係)
身体検査基準
検査項目第一種第二種
一 一般(一) 頭部、顔面、頸けい部、躯く幹又は四肢に航空業務に支障を来すおそれのある奇形、変形又は機能障害がないこと。(二) 航空業務に支障を来すおそれのある過度の肥満がないこと。(三) 悪性腫瘍若しくはその既往歴若しくは悪性腫瘍の疑いがないこと又は航空業務に支障を来すおそれのある良性腫瘍がないこと。(四) 重大な感染症又はその疑いがないこと。(五) 航空業務に支障を来すおそれのある内分泌疾患若しくは代謝疾患又はこれらに基づく臓器障害若しくは機能障害がないこと。(六) 航空業務に支障を来すおそれのあるリウマチ性疾患、膠こう原病又は免疫不全症がないこと。(七) 航空業務に支障を来すおそれのあるアレルギー性疾患がないこと。(八) 航空業務に支障を来すおそれのある眠気の原因となる睡眠障害がないこと。(一) 頭部、顔面、頸けい部、躯く幹又は四肢に航空業務に支障を来すおそれのある奇形、変形又は機能障害がないこと。(二) 航空業務に支障を来すおそれのある過度の肥満がないこと。(三) 悪性腫瘍若しくはその既往歴若しくは悪性腫瘍の疑いがないこと又は航空業務に支障を来すおそれのある良性腫瘍がないこと。(四) 重大な感染症又はその疑いがないこと。(五) 航空業務に支障を来すおそれのある内分泌疾患若しくは代謝疾患又はこれらに基づく臓器障害若しくは機能障害がないこと。(六) 航空業務に支障を来すおそれのあるリウマチ性疾患、膠こう原病又は免疫不全症がないこと。(七) 航空業務に支障を来すおそれのあるアレルギー性疾患がないこと。(八) 航空業務に支障を来すおそれのある眠気の原因となる睡眠障害がないこと。
二 呼吸器系(一) 航空業務に支障を来すおそれのある呼吸器疾患又は胸膜・縦隔疾患がないこと。(二) 自然気胸又はその既往歴がないこと。(三) 航空業務に支障を来すおそれのある胸部の手術による後遺症がないこと。(一) 航空業務に支障を来すおそれのある呼吸器疾患又は胸膜・縦隔疾患がないこと。(二) 自然気胸又はその既往歴がないこと。(三) 航空業務に支障を来すおそれのある胸部の手術による後遺症がないこと。
三 循環器系及び脈管系(一) 収縮期血圧一六〇ミリメートル水銀柱未満、拡張期血圧九五ミリメートル水銀柱未満であり、かつ、自覚症状を伴う起立性低血圧がないこと。(二) 心筋障害又はその徴候がないこと。(三) 冠動脈疾患又はその徴候がないこと。(四) 航空業務に支障を来すおそれのある先天性心疾患がないこと。(五) 航空業務に支障を来すおそれのある後天性弁膜疾患又はその既往歴がないこと。(六) 航空業務に支障を来すおそれのある心膜の疾患がないこと。(七) 心不全又はその既往歴がないこと。(八) 航空業務に支障を来すおそれのある刺激生成又は興奮伝導の異常がないこと。(九) 航空業務に支障を来すおそれのある動脈疾患、静脈疾患又はリンパ系疾患が認められないこと。 (一) 収縮期血圧一六〇ミリメートル水銀柱未満、拡張期血圧九五ミリメートル水銀柱未満であり、かつ、自覚症状を伴う起立性低血圧がないこと。(二) 心筋障害又はその徴候がないこと。(三) 冠動脈疾患又はその徴候がないこと。(四) 航空業務に支障を来すおそれのある先天性心疾患がないこと。(五) 航空業務に支障を来すおそれのある後天性弁膜疾患又はその既往歴がないこと。(六) 航空業務に支障を来すおそれのある心膜の疾患がないこと。(七) 心不全又はその既往歴がないこと。(八) 航空業務に支障を来すおそれのある刺激生成又は興奮伝導の異常がないこと。(九) 航空業務に支障を来すおそれのある動脈疾患、静脈疾患又はリンパ系疾患が認められないこと。
四 消化器系(口腔くう及び歯牙を除く。)(一) 消化器及び腹膜に航空業務に支障を来すおそれのある疾患又は機能障害がないこと。(二) 航空業務に支障を来すおそれのある消化器外科疾患又は手術による後遺症がないこと。(一) 消化器及び腹膜に航空業務に支障を来すおそれのある疾患又は機能障害がないこと。(二) 航空業務に支障を来すおそれのある消化器外科疾患又は手術による後遺症がないこと。
五 血液及び造血器系(一) 航空業務に支障を来すおそれのある貧血がないこと。(二) 航空業務に支障を来すおそれのある血液又は造血器の系統的疾患がないこと。(三) 航空業務に支障を来すおそれのある出血傾向を有する疾患がないこと。(一) 航空業務に支障を来すおそれのある貧血がないこと。(二) 航空業務に支障を来すおそれのある血液又は造血器の系統的疾患がないこと。(三) 航空業務に支障を来すおそれのある出血傾向を有する疾患がないこと。
六 腎臓、泌尿器系及び生殖器系(一) 腎臓に航空業務に支障を来すおそれのある疾患又は後遺症がないこと。(二) 泌尿器に航空業務に支障を来すおそれのある疾患又は後遺症がないこと。(三) 生殖器に航空業務に支障を来すおそれのある疾患又は後遺症がないこと。(四) 妊娠により航空業務に支障を来すおそれがないこと。(一) 腎臓に航空業務に支障を来すおそれのある疾患又は後遺症がないこと。(二) 泌尿器に航空業務に支障を来すおそれのある疾患又は後遺症がないこと。(三) 生殖器に航空業務に支障を来すおそれのある疾患又は後遺症がないこと。(四) 妊娠により航空業務に支障を来すおそれがないこと。
七 運動器系(一) 航空業務に支障を来すおそれのある運動器の奇形、変形若しくは欠損又は機能障害がないこと。(二) 脊柱に航空業務に支障を来すおそれのある疾患又は変形がないこと。(一) 航空業務に支障を来すおそれのある運動器の奇形、変形若しくは欠損又は機能障害がないこと。(二) 脊柱に航空業務に支障を来すおそれのある疾患又は変形がないこと。
八 精神及び神経系(一) 重大な精神障害又はこれらの既往歴がないこと。(二) 航空業務に支障を来すおそれのあるパーソナリティ障害若しくは行動障害又はこれらの既往歴がないこと。(三) 薬物依存若しくはアルコール依存又はこれらの既往歴がないこと。(四) てんかん又はその既往歴がないこと。(五) 意識障害若しくはけいれん発作又はこれらの既往歴がないこと。(六) 航空業務に支障を来すおそれのある頭部外傷の既往歴又は頭部外傷後遺症がないこと。(七) 中枢神経の重大な障害又はこれらの既往歴がないこと。(八) 航空業務に支障を来すおそれのある末梢しよう神経又は自律神経の障害がないこと。(一) 重大な精神障害又はこれらの既往歴がないこと。(二) 航空業務に支障を来すおそれのあるパーソナリティ障害若しくは行動障害又はこれらの既往歴がないこと。(三) 薬物依存若しくはアルコール依存又はこれらの既往歴がないこと。(四) てんかん又はその既往歴がないこと。(五) 意識障害若しくはけいれん発作又はこれらの既往歴がないこと。(六) 航空業務に支障を来すおそれのある頭部外傷の既往歴又は頭部外傷後遺症がないこと。(七) 中枢神経の重大な障害又はこれらの既往歴がないこと。(八) 航空業務に支障を来すおそれのある末梢しよう神経又は自律神経の障害がないこと。
九 眼(一) 航空業務に支障を来すおそれのある外眼部及び眼球付属器の疾患又は機能不全がないこと。(二) 緑内障がないこと。(三) 中間透光体、眼底又は視路に航空業務に支障を来すおそれのある障害がないこと。(一) 航空業務に支障を来すおそれのある外眼部及び眼球付属器の疾患又は機能不全がないこと。(二) 緑内障がないこと。(三) 中間透光体、眼底又は視路に航空業務に支障を来すおそれのある障害がないこと。
十 視機能(一) 次のイ又はロに該当すること。ただし、ロの基準については、航空業務を行うに当たり、常用眼鏡(航空業務を行うに当たり常用する矯正眼鏡をいう。)を使用し、かつ、予備の眼鏡を携帯することを航空身体検査証明に付す条件とする者に限る。イ 各眼が裸眼で〇・七以上及び両眼で一・〇以上の遠見視力を有すること。ロ 各眼について、各レンズの屈折度が(±)八ジオプトリーを超えない範囲の常用眼鏡により〇・七以上、かつ、両眼で一・〇以上に矯正することができること。(二) 裸眼又は自己の矯正眼鏡の使用により各眼が八〇センチメートルの視距離で、近見視力表(三〇センチメートル視力用)により〇・二以上の視標を判読できること。(三) 裸眼又は自己の矯正眼鏡の使用により各眼が三〇センチメートルから五〇センチメートルまでの間の任意の視距離で近見視力表(三〇センチメートル視力用)の〇・五以上の視標を判読できること。(四) 航空業務に支障を来すおそれのある両眼視機能の異常がないこと。 (五) 航空業務に支障を来すおそれのある視野の異常がないこと。(六) 航空業務に支障を来すおそれのある眼球運動の異常がないこと。 (七) 航空業務に支障を来すおそれのある色覚の異常がないこと。(一) 次のイ又はロに該当すること。ただし、ロの基準については、航空業務を行うに当たり、常用眼鏡(航空業務を行うに当たり常用する矯正眼鏡をいう。)を使用し、かつ、予備の眼鏡を携帯することを航空身体検査証明に付す条件とする者に限る。イ 各眼が裸眼で〇・七以上の遠見視力を有すること。ロ 各眼について、各レンズの屈折度が(±)八ジオプトリーを超えない範囲の常用眼鏡により〇・七以上に矯正することができること。(二) 裸眼又は自己の矯正眼鏡の使用により各眼が三〇センチメートルから五〇センチメートルまでの間の任意の視距離で近見視力表(三〇センチメートル視力用)の〇・五以上の視標を判読できること。(三) 航空業務に支障を来すおそれのある両眼視機能の異常がないこと。 (四) 航空業務に支障を来すおそれのある視野の異常がないこと。(五) 航空業務に支障を来すおそれのある眼球運動の異常がないこと。(六) 航空業務に支障を来すおそれのある色覚の異常がないこと。
十一 耳鼻咽喉(一) 内耳、中耳(乳様突起を含む。)又は外耳に航空業務に支障を来すおそれのある疾患がないこと。(二) 平衡機能障害がないこと。(三) 航空業務に支障を来すおそれのある鼓膜の異常がないこと。(四) 耳管機能障害がないこと。(五) 鼻腔くう、副鼻腔くう又は咽喉頭に航空業務に支障を来すおそれのある疾患がないこと。(六) 鼻腔くうの通気を著しく妨げる鼻中隔の彎わん曲がないこと。(七) 吃きつ、発声障害又は言語障害がないこと。(一) 内耳、中耳(乳様突起を含む。)又は外耳に航空業務に支障を来すおそれのある疾患がないこと。(二) 平衡機能障害がないこと。(三) 航空業務に支障を来すおそれのある鼓膜の異常がないこと。(四) 耳管機能障害がないこと。(五) 鼻腔くう、副鼻腔くう又は咽喉頭に航空業務に支障を来すおそれのある疾患がないこと。(六) 鼻腔くうの通気を著しく妨げる鼻中隔の彎わん曲がないこと。(七) 吃きつ、発声障害又は言語障害がないこと。
十二 聴力暗騒音が五〇デシベル(A)未満の部屋で、各耳について五〇〇、一、〇〇〇及び二、〇〇〇ヘルツの各周波数において三五デシベルを超える聴力低下並びに三、〇〇〇ヘルツの周波数において五〇デシベルを超える聴力低下がないこと。(一) 計器飛行証明を有する者にあつては、暗騒音が五〇デシベル(A)未満の部屋で、各耳について五〇〇、一、〇〇〇及び二、〇〇〇ヘルツの各周波数において三五デシベルを超える聴力低下並びに三、〇〇〇ヘルツの周波数において五〇デシベルを超える聴力低下がないこと。(二) (一)に掲げる者以外の者にあつては、次のいずれかに該当すること。イ 暗騒音が五〇デシベル(A)未満の部屋で、各耳について五〇〇、一、〇〇〇及び二、〇〇〇ヘルツの各周波数において四五デシベルを超える聴力低下がないこと。これを満たさない場合は、暗騒音が五〇デシベル(A)未満の部屋で、いずれか一方の耳について五〇〇、一、〇〇〇及び二、〇〇〇ヘルツの各周波数において三〇デシベルを超える聴力低下がないこと。ロ 暗騒音が五〇デシベル(A)未満の部屋で、後方二メートルの距離から発せられた通常の強さの会話の音声を両耳を使用して正しく聴取できること。
十三 口腔くう及び歯牙口腔くう及び歯牙に航空業務に支障を来すおそれのある疾患又は機能障害がないこと。口腔くう及び歯牙に航空業務に支障を来すおそれのある疾患又は機能障害がないこと。
十四 総合航空業務に支障を来すおそれのある心身の欠陥がないこと。航空業務に支障を来すおそれのある心身の欠陥がないこと。
別表第五(第七十九条関係)
1飛行場名標識
備考
一文字は、ローマ字とすること。
二色彩は、明瞭に識別することができるものとする。
2着陸帯標識
一陸上ヘリポートの場合(イ又はロのいずれかによること。)
イ
ロ
備考
一標識は、イの場合は二百メートル以下の等間隔に、ロの場合は九十メートル以下の等間隔に設置すること。
二色彩は、イの場合は明瞭な一色とし、ロの場合は対照的な二色とする。
二水上空港等又は水上ヘリポートの場合
備考
一標識は、千メートル以下のほぼ等間隔に設置すること。
二色彩は黒及び黄とし、幅〇・一五メートル以上の帯状とすること。
三周囲の状況により支障がないと認められる場合は、標識の形状を同程度の大きさの円筒形その他の形状のものとしてもよい。
3指示標識、滑走路中心線標識、滑走路進入端標識及び滑走路中央標識
一計器着陸用滑走路の場合
イ幅が三十メートル以上の滑走路の場合
ロ幅が三十メートル未満の滑走路の場合
二非計器着陸用滑走路の場合
イ幅が三十メートル以上の滑走路の場合
ロ幅が三十メートル未満の滑走路の場合
備考
一色彩は、明瞭な一色とすること。
二指示標識の数字は、進入方向から見た滑走路の方位を磁北から右まわりに測つたものの十分の一(小数点以下第一位を四捨五入する。)の整数とする。一桁となる場合は最初に〇をつける。
三前号の規定にかかわらず、前号の方法によつて求めた指示標識の数字が、近接する空港等の滑走路の指示標識の数字と等しくなる場合には、指示標識の数字は、前号の方法によつて求めた指示標識の数字に一を加えた整数又は一を減じた整数とする。
四平行滑走路における指示標識は、次の例による。
五前号の指示標識の文字は、平行滑走路の進入方向に向つて左側から順次に次のとおりとすること。
二本の平行滑走路の場合LR
三本の平行滑走路の場合LCR
四本の平行滑走路の場合
五本の平行滑走路の場合
六指示標識の数字及び文字の書体は次図のとおりとし、寸法は次図に示すもの以上とする。
七精密進入用滑走路における滑走路中心線標識の幅は、〇・九メートル以上とすること。
八滑走路進入端標識の縦縞しまの本数は、次表の上欄に掲げる滑走路の幅の区分に応じ、それぞれ同表の下欄に掲げるとおりとすること。ただし、次表の上欄に掲げる幅の滑走路以外の滑走路に係る縦縞しまの本数は、国土交通大臣の指定するところによること。
滑走路の幅縦縞しまの本数
六十メートル十六本
四十五メートル十二本
三十メートル八本
二十五メートル六本
十五メートル四本
4移設滑走路進入端標識
備考色彩は、明瞭な一色とすること。
5目標点標識及び接地帯標識
一陸上空港等の場合
イ長さが二千四百メートル以上の滑走路の場合
ロ長さが千五百メートル以上二千四百メートル未満の滑走路の場合
ハ長さが千二百メートル以上千五百メートル未満の滑走路の場合
ニ長さが九百メートル以上千二百メートル未満の滑走路の場合
(1)精密進入用滑走路の場合
(2)非精密進入用滑走路の場合
ホ長さが九百メートル未満の計器着陸用滑走路の場合
二陸上ヘリポートの場合
備考色彩は、明瞭な一色とすること。
6滑走路縁標識
一舗装された滑走路の場合
イ幅が三十メートル以上の滑走路の場合
ロ幅が三十メートル未満の滑走路の場合
備考色彩は、明瞭な一色とすること。
二舗装されていない滑走路の場合
備考
一標識は、九十メートル(末端附近にあつては十五メートル)以下の等間隔に設置すること。
二色彩は、末端附近のものを除き明瞭な一色とし、末端附近のものは対照的な二色で四十五度の縞しま状とすること。
三滑走路灯を設置する場合は、その灯器を標識としてもよい。
7積雪離着陸区域標識
備考
一標識は、高さ一・五メートルとし、百メートル以下の等間隔に設置すること。
二色彩は、黒及びだいだいの二色とすること。
8過走帯標識
備考色彩は、黄色とすること。
9誘導路中心線標識
備考色彩は、黄色とすること。
10停止位置標識
一少なくとも一方向においてカテゴリー一精密進入用滑走路の場合(次号に規定する場合を除く。)
二少なくとも一方向においてカテゴリー二精密進入用滑走路又はカテゴリー三精密進入用滑走路の場合
イ滑走路に接続する誘導路上に一基のみ設置する場合
ロ滑走路に接続する誘導路上に二基設置する場合
三第一号及び第二号以外の滑走路の場合
備考色彩は、黄色とすること。
11停止位置案内標識
備考
一数字又は文字は、接続する滑走路の指示標識の数字又は文字とする。
二色彩は、数字及び文字の部分は白、その他の部分は赤とすること。
三停止位置案内標識を二基設置する場合、滑走路中心線から遠い側の停止位置案内標識には、第一号に規定する指示標識の数字又は文字に加えて次のとおり精密進入のカテゴリーを標示すること。
イ少なくとも一方向においてカテゴリー二精密進入用滑走路の場合(ハに規定する場合を除く。)CATⅡ
ロ少なくとも一方向においてカテゴリー三精密進入用滑走路の場合(ハに規定する場合を除く。)CATⅢ
ハカテゴリー二精密進入用滑走路及びカテゴリー三精密進入用滑走路の場合CATⅡ/Ⅲ
12誘導路縁標識
一舗装された誘導路の場合
備考色彩は、黄色とすること。
二舗装されていない誘導路の場合
備考
一三十メートル以下の等間隔に設置すること。
二色彩は、明瞭な一色とすること。
三誘導路灯が設置してある場合は、その灯器を標識としてもよい。
13風向指示器
備考
一風向指示器は、繊維製品であること。
二指示台附近を中心とする直径十五メートル幅一・五メートル(陸上ヘリポート及び水上ヘリポートにあつては直径五メートル幅四十センチメートル以上)の明瞭な色彩の円形帯で標示すること。ただし、二個以上設置する場合は、そのうち一個について行なえばよい。
三風向指示器は、一色又は数色とし、背景と反対色であること。
別表第六(第二百三十六条の四十七、第二百三十六条の五十五関係)
検査項目一等無人航空機操縦士の資格についての技能証明(最大離陸重量二十五キログラム未満についての限定をされるものに限る。)及び二等無人航空機操縦士の資格についての技能証明に係る身体検査基準
視力視力が両眼で〇・七以上、かつ、一眼でそれぞれ〇・三以上であること又は一眼の視力が〇・三に満たない者若しくは一眼が見えない者については、他眼の視野が左右一五〇度以上で、視力が〇・七以上であること。
色覚赤色、青色及び黄色の識別ができること。
聴力両耳の聴力(補聴器により補われた聴力を含む。)が一〇メートルの距離で、九〇デシベルの警音器の音が聞こえるものであること。
運動能力一 第二百三十六条の六十二第四項第一号又は第二号に掲げる身体の障害がないこと。
二 一に定めるもののほか、無人航空機の安全な飛行に必要な認知又は操作のいずれかに係る能力を欠くこととなる四肢又は体幹の障害があるが、法第百三十二条の四十四の規定による条件を付すことにより、無人航空機の安全な飛行に支障を及ぼすおそれがないと認められること。
備考一等無人航空機操縦士の資格についての技能証明(最大離陸重量二十五キログラム未満についての限定をしないもの(当該限定の変更をされるものを含む。)に限る。)に係る身体検査にあつては、国際民間航空条約の附属書一第百七十七改訂版に規定する第三種身体検査基準に相当する基準に適合すること。
第1号様式及び第2号様式 削除
第3号様式(第7条関係)(日本産業規格A5)
[別画面で表示]
第4号様式(第9条関係)(日本産業規格A4)
[別画面で表示]
第5号様式及び第6号様式 削除
第7号様式(第12条の2関係)(日本産業規格A4)
[別画面で表示]
第7号の2様式(第15条関係)(日本産業規格A4)
[別画面で表示]
第7号の3様式(第15条関係)(日本産業規格A4)
[別画面で表示]
第8号様式(第16条関係)(日本産業規格A5)
[別画面で表示]
第8号の2様式(第16条の2関係)(日本産業規格A4)
[別画面で表示]
第8号の3様式(第16条の8関係)
[別画面で表示]
第9号様式(第17条関係)(日本産業規格A4)
[別画面で表示]
第10号様式(第19条関係)(日本産業規格A4)
[別画面で表示]
第11号様式(第20条関係)(日本産業規格A4)
[別画面で表示]
第11号の2様式(第23条関係)(日本産業規格A4)
[別画面で表示]
第11号の3様式(第23条の3関係)(日本産業規格A4)
[別画面で表示]
第11号の4様式(第23条の4関係)(日本産業規格A4)
[別画面で表示]
第12号様式(第25条関係)(日本産業規格A4)
[別画面で表示]
第12号の2様式(第26条の3関係)(日本産業規格A4)
[別画面で表示]
第12号の3様式(第26条の5関係)(日本産業規格A4)
[別画面で表示]
第12号の4様式(第26条の6関係)(日本産業規格A4)
[別画面で表示]
第13号様式(第26条の13関係)(日本産業規格A4)
[別画面で表示]
第14号様式(第26条の13関係)(日本産業規格A4)
[別画面で表示]
第15号様式(第26条の13関係)(日本産業規格A4)
[別画面で表示]
第16号様式(第31条関係)(日本産業規格A4)
[別画面で表示]
第16号の2様式(第33条関係)(日本産業規格A4)
[別画面で表示]
第16号の3様式(第35条関係)(日本産業規格A4)
[別画面で表示]
第16号の4様式(第35条関係)(日本産業規格A4)
[別画面で表示]
第16号の5様式(第36条関係)(日本産業規格A4)
[別画面で表示]
第17号様式(第41条関係)(日本産業規格A4)
[別画面で表示]
第17号の2様式(第40条関係)(日本産業規格A4)
[別画面で表示]
第18号様式(第41条関係)(日本産業規格A4)
[別画面で表示]
第18号様式(第41条関係)(日本産業規格A4)裏面
[別画面で表示]
第19号様式(第42条、第57条、第63条、第64条、第168条関係)
[別画面で表示]
第19号の2様式(第42条、第57条、第63条、第64条、第168条関係)
[別画面で表示]
第19号の3様式(第50条の2、第168条関係)(日本産業規格A4)
[別画面で表示]
第19号の3の2様式(第50条の2関係)(日本産業規格A4)
[別画面で表示]
第19号の4様式(第50条の3関係)(日本産業規格A4)
[別画面で表示]
第19号の5様式(第50条の7関係)(日本産業規格A4)
[別画面で表示]
第19号の6様式(第50条の9関係)(日本産業規格A4)
[別画面で表示]
第19号の7様式(第50条の9関係)(日本産業規格A4)
[別画面で表示]
第19号の8様式(第50条の10関係)(日本産業規格A4)
[別画面で表示]
第19号の9様式(第50条の10関係)(日本産業規格A4)
[別画面で表示]
第20号様式(第52条関係)
[別画面で表示]
第二十一号様式 削除
第22号様式(第61条関係)(日本産業規格A3)
[別画面で表示]
第23号様式(第61条の5関係)(日本産業規格A4)
[別画面で表示]
第23号の2様式(第61条の5関係)(日本産業規格A4)
[別画面で表示]
第24号様式(第61条の2関係)
[別画面で表示]
第24号の2様式(第62条の2関係)(日本産業規格A4)
[別画面で表示]
第24号の3様式(第62条の2関係)(日本産業規格A4)
[別画面で表示]
第二十五号様式 削除
第26号様式(第67条関係)(日本産業規格A3)
[別画面で表示]
第27号様式(第68条関係)
[別画面で表示]
第27号の2様式(第69条関係)(日本産業規格A4)
[別画面で表示]
第27号の3様式(第69条の3関係)(日本産業規格A4)
[別画面で表示]
第28号様式(第71条関係)(日本産業規格A4)
[別画面で表示]
第28号の2様式(第92条の4関係)
第28号の3様式(第162条の6関係)(日本産業規格A4)
[別画面で表示]
第28号の4様式(第162条の8関係)
[別画面で表示]
第28号の5様式(第162条の9関係)(日本産業規格A4)
[別画面で表示]
第28号の6様式(第162条の13関係)(日本産業規格A4)
[別画面で表示]
第28号の7様式(第162条の17関係)(日本産業規格A4)
[別画面で表示]
第29号様式(第171条の2関係)
[別画面で表示]
第29号の2様式(第171条の3関係)(日本産業規格A4)
[別画面で表示]
第29号の3様式(第171条の3関係)(日本産業規格A4)
[別画面で表示]
第29号の4様式(第235条の4の6関係)
[別画面で表示]
第29号の5様式(第235条の4の20関係)(日本産業規格A4)
[別画面で表示]
第29号の6様式(第235条の4の22関係)(日本産業規格A4)
[別画面で表示]
第29号の7様式(第236条の14関係)(日本産業規格A5)
[別画面で表示]
第29号の8様式(第236条の16関係)(日本産業規格A5)
[別画面で表示]
第29号の9様式(第236条の26関係)(日本産業規格A4)
[別画面で表示]
第29号の10様式(第236条の38関係)(日本産業規格A4)
[別画面で表示]
第29号の11様式(第236条の39関係)
[別画面で表示]
第29号の12様式(第236条の57関係、第236条の66関係)(日本産業規格A4)
[別画面で表示]
第三十号様式 削除
第31号様式(第239条の6関係)(日本産業規格A4)
[別画面で表示]
附属書第1(第12条の3、第14条、第56条の2、別表第2関係)
[別画面で表示]
附属書第2(第14条関係)
[別画面で表示]
附属書第3(第14条関係)
[別画面で表示]
附属書第4(第14条関係)
[別画面で表示]
索引
  • 第一条(航空保安施設)
  • 第一条の二(ヘリポートの進入区域の長さ)
  • 第二条(進入表面の勾配)
  • 第三条(水平表面の半径の長さ)
  • 第三条の二(ヘリポートの転移表面の勾配)
  • 第四条(航空灯火)
  • 第五条(計器気象状態)
  • 第五条の二(法第二条第二十二項の国土交通省令で定める機器)
  • 第五条の三(滑空機)
  • 第五条の四(飛行規程)
  • 第五条の五(整備手順書)
  • 第五条の六(航空機の整備及び改造)
  • 第六条(航空機の設計の変更)
  • 第六条の二(有視界飛行方式)
  • 第七条(航空機登録証明書)
  • 第八条
  • 第九条
  • 第十条
  • 第十一条(登録記号の打刻の位置及び方法)
  • 第十二条
  • 第十二条の二(耐空証明)
  • 第十二条の三
  • 第十三条
  • 第十四条
  • 第十五条
  • 第十六条
  • 第十六条の二
  • 第十六条の三
  • 第十六条の四(耐空検査員)
  • 第十六条の五
  • 第十六条の六
  • 第十六条の七
  • 第十六条の八
  • 第十六条の九
  • 第十六条の九の二(精神の機能の障害により認知等を適切に行うことができない状態となつた場合の届出)
  • 第十六条の十
  • 第十六条の十一
  • 第十六条の十二
  • 第十六条の十三
  • 第十六条の十四(試験飛行等の許可)
  • 第十七条(型式証明)
  • 第十八条
  • 第十九条
  • 第二十条(型式証明の変更)
  • 第二十一条
  • 第二十二条
  • 第二十二条の二
  • 第二十二条の三
  • 第二十三条(追加型式設計の承認)
  • 第二十三条の二
  • 第二十三条の三
  • 第二十三条の四(追加型式設計の変更の承認)
  • 第二十三条の五
  • 第二十三条の六
  • 第二十三条の七
  • 第二十三条の八
  • 第二十三条の九(航空機の整備及び改造に関する情報)
  • 第二十三条の十(法第十三条の四の国土交通省令で定める事態の報告等)
  • 第二十三条の十一
  • 第二十三条の十二(型式証明書等の提出)
  • 第二十三条の十三(耐空証明の有効期間の起算日)
  • 第二十三条の十四(法第十四条の二第一項の整備規程)
  • 第二十三条の十五(整備規程の認定の申請等)
  • 第二十三条の十六(耐空証明書等の提出等)
  • 第二十三条の十七(航空の用に供してはならない航空機)
  • 第二十三条の十八(使用者の整備及び改造の義務)
  • 第二十三条の十九(法第十六条第二項第四号の国土交通省令で定める装備品等)
  • 第二十四条(修理改造検査)
  • 第二十四条の二
  • 第二十五条
  • 第二十六条
  • 第二十六条の二
  • 第二十六条の三(修理改造設計の承認)
  • 第二十六条の四
  • 第二十六条の五
  • 第二十六条の六
  • 第二十六条の七(修理改造設計の変更の承認)
  • 第二十六条の八
  • 第二十六条の九
  • 第二十六条の十
  • 第二十六条の十一
  • 第二十六条の十二
  • 第二十六条の十三(装備品等修理改造設計の承認)
  • 第二十七条(法第十九条第一項の国土交通省令で定める航空機)
  • 第二十八条(軽微な保守)
  • 第二十九条(航空機の整備又は改造についての確認)
  • 第三十条(業務の範囲及び限定)
  • 第三十一条(認定の申請)
  • 第三十二条(認定の基準)
  • 第三十三条(認定書の交付)
  • 第三十四条(認定の有効期間)
  • 第三十五条(限定の変更)
  • 第三十六条(業務の実施に関する事項等)
  • 第三十七条(技術上の基準)
  • 第三十八条(認定業務の運営)
  • 第三十九条(検査の確認の方法)
  • 第四十条(法第十条第四項の基準に適合することの確認等の方法)
  • 第四十一条(基準適合証の交付)
  • 第四十一条の二(講習)
  • 第四十二条(技能証明の申請)
  • 第四十三条(技能証明等の要件)
  • 第四十四条(飛行経歴等の証明)
  • 第四十五条(試験の期日等の公示及び通知)
  • 第四十六条(試験の科目等)
  • 第四十六条の二
  • 第四十七条(学科試験の合格の通知)
  • 第四十八条(試験の免除)
  • 第四十八条の二
  • 第四十八条の三
  • 第四十九条
  • 第五十条
  • 第五十条の二
  • 第五十条の三(航空従事者の養成施設の指定の申請)
  • 第五十条の四(航空従事者の養成施設の指定の基準)
  • 第五十条の五(指定航空従事者養成施設の業務の運営)
  • 第五十条の六(航空従事者の養成施設の指定)
  • 第五十条の七(航空従事者養成施設指定書の交付)
  • 第五十条の八(技能審査員の認定)
  • 第五十条の九(指定航空従事者養成施設の課程についての限定の変更)
  • 第五十条の十(指定航空従事者養成施設の教育規程の変更)
  • 第五十条の十一(修了証明書の交付の制限)
  • 第五十条の十二(技能審査員の認定の取消し)
  • 第五十一条(航空機の指定)
  • 第五十一条の二
  • 第五十二条(技能証明書の様式)
  • 第五十三条(技能証明の限定)
  • 第五十四条
  • 第五十五条
  • 第五十六条
  • 第五十六条の二(二等航空整備士及び二等航空運航整備士が整備後の確認をすることができない用途の航空機)
  • 第五十六条の三
  • 第五十七条(技能証明の限定の変更の申請)
  • 第五十八条(技能証明の取消等の通知)
  • 第五十九条(航空業務の停止)
  • 第六十条(聴聞の方法の特例)
  • 第六十一条(航空身体検査証明の申請)
  • 第六十一条の二(身体検査基準及び航空身体検査証明書)
  • 第六十一条の三(航空身体検査証明の有効期間)
  • 第六十一条の四(航空身体検査証明申請書の返付等)
  • 第六十一条の五(指定航空身体検査医)
  • 第六十二条(指定の失効及び取消し)
  • 第六十二条の二(航空身体検査指定機関)
  • 第六十二条の三(指定の失効及び取消し)
  • 第六十三条(航空英語能力証明の申請)
  • 第六十三条の二
  • 第六十三条の三(航空英語能力証明が必要な航空機の種類)
  • 第六十三条の四(航空英語能力証明が必要な航行)
  • 第六十三条の五(航空英語能力証明の有効期間)
  • 第六十三条の六(指定航空英語能力判定航空運送事業者の指定の申請)
  • 第六十三条の七(指定航空英語能力判定航空運送事業者の指定の基準)
  • 第六十三条の八(指定航空英語能力判定航空運送事業者の業務の運営)
  • 第六十三条の九(能力判定員の認定)
  • 第六十三条の十(能力判定結果証明書の交付の制限)
  • 第六十三条の十一(能力判定員の認定の取消し)
  • 第六十四条(計器飛行証明及び操縦教育証明の申請)
  • 第六十四条の二
  • 第六十五条
  • 第六十五条の二(計器飛行等に計器飛行証明が必要な航空機の種類)
  • 第六十六条(計器航法による飛行の距離及び時間)
  • 第六十七条(航空機の操縦練習)
  • 第六十八条
  • 第六十九条
  • 第六十九条の二
  • 第六十九条の三(計器飛行等の練習)
  • 第七十条
  • 第七十一条(技能証明書等の再交付)
  • 第七十二条(技能証明書等の返納)
  • 第七十三条(外国語の技能証明)
  • 第七十四条(無効の告示)
  • 第七十五条(空港等の種類及び着陸帯等の等級)
  • 第七十六条(設置の許可申請)
  • 第七十七条(実測図)
  • 第七十八条(設置許可等の申請の告示等)
  • 第七十九条(設置基準)
  • 第八十条(利害関係人)
  • 第八十一条(公示及び告知)
  • 第八十一条の二(主宰者の指名)
  • 第八十一条の三(公述の申出等)
  • 第八十一条の四(公述人の選定)
  • 第八十一条の五(参考人の委嘱)
  • 第八十一条の六(公聴会の開催の取消)
  • 第八十一条の七(公聴会の開催日時等の変更)
  • 第八十一条の八(公述時間の制限)
  • 第八十一条の九(公述)
  • 第八十一条の十(公述の中止等)
  • 第八十一条の十一(公述書の代読)
  • 第八十一条の十二(証拠書類)
  • 第八十一条の十三(記録)
  • 第八十一条の十四(傍聴券の発行)
  • 第八十一条の十五(遵守事項)
  • 第八十一条の十六(公衆の閲覧の方法)
  • 第八十二条(工事完成予定期日の変更許可申請)
  • 第八十二条の二(法第四十一条第二項ただし書の期間)
  • 第八十二条の三(工事完成予定期日の変更の届出)
  • 第八十三条(工事完成検査の申請)
  • 第八十四条(供用開始期日の届出)
  • 第八十五条(重要な変更)
  • 第八十六条(変更の許可申請)
  • 第八十七条(変更許可等の申請の告示等)
  • 第八十八条(供用の休止又は廃止の許可申請)
  • 第八十九条(供用の再開検査申請)
  • 第九十条(供用開始の告示)
  • 第九十一条(変更、休止等の告示)
  • 第九十二条(空港等の機能の確保に関する基準)
  • 第九十二条の二(空港機能管理規程の届出)
  • 第九十二条の三(法第四十七条の二第二項の国土交通省令で定める航空保安施設)
  • 第九十二条の四(空港機能管理規程の内容)
  • 第九十二条の五(物件制限の特例)
  • 第九十二条の六(禁止行為)
  • 第九十三条
  • 第九十四条(空港等の設置者の地位の承継の許可申請)
  • 第九十五条(相続による空港等の設置者の地位の承継の届出)
  • 第九十六条(円錐表面)
  • 第九十六条の二(外側水平表面)
  • 第九十六条の三(延長進入表面等の指定の告示等)
  • 第九十六条の四(公共用施設の指定の告示)
  • 第九十七条(航空保安無線施設の種類)
  • 第九十八条(設置の許可申請)
  • 第九十九条(設置基準)
  • 第百条(工事完成検査の申請)
  • 第百一条(供用開始期日の届出)
  • 第百二条(重要な変更)
  • 第百三条(変更の許可申請)
  • 第百四条(供用の休止又は廃止の届出)
  • 第百五条(供用の再開検査申請)
  • 第百六条(供用開始の告示)
  • 第百七条(変更、休止等の告示)
  • 第百八条(航空保安無線施設の機能の確保に関する基準)
  • 第百九条(使用料金の届出)
  • 第百十条(航空保安無線施設の設置者の地位の承継の許可申請)
  • 第百十一条(相続による航空保安無線施設の設置者の地位の承継の届出)
  • 第百十二条
  • 第百十三条(航空灯台の種類)
  • 第百十四条(飛行場灯火)
  • 第百十五条(設置許可の申請)
  • 第百十六条
  • 第百十七条(飛行場灯火の設置基準)
  • 第百十八条(工事完成検査の申請)
  • 第百十九条(供用開始期日の届出)
  • 第百二十条(重要な変更)
  • 第百二十一条(変更の許可申請)
  • 第百二十二条(供用の休止及び廃止の届出)
  • 第百二十三条(供用の再開検査申請)
  • 第百二十四条(供用開始の告示)
  • 第百二十五条(変更、休止等の告示)
  • 第百二十五条の二(告示を要しない航空保安施設)
  • 第百二十六条(航空灯火の機能の確保に関する基準)
  • 第百二十七条(航空障害灯の種類及び設置基準)
  • 第百二十七条の二(航空障害灯設置物件)
  • 第百二十八条(航空障害灯の管理の方法)
  • 第百二十九条(使用料金の届出)
  • 第百三十条(航空灯火設置者の地位の承継の許可申請)
  • 第百三十一条(相続による航空灯火の設置者の地位の承継の届出)
  • 第百三十二条
  • 第百三十二条の二(昼間障害標識設置物件)
  • 第百三十二条の三(昼間障害標識の種類及び設置基準)
  • 第百三十二条の四(昼間障害標識の管理の方法)
  • 第百三十三条(国籍記号及び登録記号)
  • 第百三十四条
  • 第百三十五条(国籍記号及び登録記号の表示の方法及び場所)
  • 第百三十六条
  • 第百三十七条
  • 第百三十八条
  • 第百三十九条
  • 第百四十条
  • 第百四十一条(識別板)
  • 第百四十二条(航空日誌)
  • 第百四十三条(航空機登録証明書等の備付けを免除される航空機)
  • 第百四十四条(航空機に備え付ける書類)
  • 第百四十四条の二
  • 第百四十五条(航空機の航行の安全を確保するための装置)
  • 第百四十六条
  • 第百四十七条
  • 第百四十七条の二
  • 第百四十七条の三
  • 第百四十八条(法第六十条ただし書の許可の申請)
  • 第百四十九条(航空機の運航の状況を記録するための装置)
  • 第百四十九条の二(法第六十一条第一項ただし書の許可の申請)
  • 第百四十九条の三(法第六十一条第二項の航空機の使用者が保存すべき記録)
  • 第百五十条(救急用具)
  • 第百五十一条
  • 第百五十二条
  • 第百五十三条
  • 第百五十四条(航空機の灯火)
  • 第百五十五条及び第百五十六条
  • 第百五十七条
  • 第百五十七条の二(航空機の位置及び針路の測定並びに航法上の資料の算出のための装置)
  • 第百五十七条の三(乗務割の基準)
  • 第百五十八条(最近の飛行の経験)
  • 第百五十九条
  • 第百六十条
  • 第百六十一条
  • 第百六十二条
  • 第百六十二条の二
  • 第百六十二条の三(法第七十一条の三第一項の国土交通省令で定める期間)
  • 第百六十二条の四(法第七十一条の三第二項の国土交通省令で定める方法)
  • 第百六十二条の五(法第七十一条の三第二項の許可の申請)
  • 第百六十二条の六(操縦技能審査員)
  • 第百六十二条の七
  • 第百六十二条の八
  • 第百六十二条の九
  • 第百六十二条の十
  • 第百六十二条の十一
  • 第百六十二条の十二
  • 第百六十二条の十三(特定操縦技能の審査)
  • 第百六十二条の十四
  • 第百六十二条の十五
  • 第百六十二条の十六
  • 第百六十二条の十七(特定操縦技能練習)
  • 第百六十二条の十八
  • 第百六十二条の十九(法第七十一条の五第一項の国土交通省令で定める要件)
  • 第百六十二条の二十(法第七十一条の五第一項の国土交通省令で定める期間)
  • 第百六十二条の二十一(法第七十一条の五第二項の国土交通省令で定める危険な事態)
  • 第百六十二条の二十二(法第七十一条の六の国土交通省令で定める場合)
  • 第百六十三条(航空運送事業の用に供する航空機に乗り組む機長の要件)
  • 第百六十三条の二
  • 第百六十四条
  • 第百六十四条の二
  • 第百六十四条の三
  • 第百六十四条の四(指定本邦航空運送事業者の指定の申請)
  • 第百六十四条の五(指定本邦航空運送事業者の指定基準)
  • 第百六十四条の六
  • 第百六十四条の七(指定本邦航空運送事業者の業務の運営)
  • 第百六十四条の八(査察操縦士の指名)
  • 第百六十四条の九(査察操縦士の指名の要件)
  • 第百六十四条の十(査察操縦士の指名の申請等)
  • 第百六十四条の十一
  • 第百六十四条の十二
  • 第百六十四条の十三(査察操縦士の指名の失効及び取消し)
  • 第百六十四条の十四(指定本邦航空運送事業者の訓練及び審査規程の変更)
  • 第百六十四条の十五(出発前の確認)
  • 第百六十四条の十六(安全阻害行為等の禁止)
  • 第百六十四条の十七
  • 第百六十五条(事故に関する報告)
  • 第百六十五条の二
  • 第百六十五条の三
  • 第百六十六条
  • 第百六十六条の二(異常事態の報告)
  • 第百六十六条の三
  • 第百六十六条の四(事故が発生するおそれがあると認められる事態の報告)
  • 第百六十六条の五
  • 第百六十六条の六(運航管理者の承認が必要な航空機)
  • 第百六十七条(運航管理者の受験資格)
  • 第百六十七条の二
  • 第百六十八条(技能検定の申請)
  • 第百六十九条(試験の期日等の公示及び通知)
  • 第百七十条(学科試験)
  • 第百七十条の二(学科試験の合格の通知)
  • 第百七十条の三(試験の免除)
  • 第百七十条の四
  • 第百七十条の五
  • 第百七十条の六
  • 第百七十一条(実地試験)
  • 第百七十一条の二(運航管理者技能検定合格証明書)
  • 第百七十一条の三(運航管理者の養成施設)
  • 第百七十二条(空港等以外の場所において離着陸ができる航空機)
  • 第百七十二条の二
  • 第百七十三条(飛行の禁止区域)
  • 第百七十三条の二(飛行禁止区域又は飛行制限区域の飛行の許可)
  • 第百七十四条(最低安全高度)
  • 第百七十五条(最低安全高度の飛行の許可)
  • 第百七十六条(捜索又は救助のための特例)
  • 第百七十七条(巡航高度)
  • 第百七十八条(気圧高度計の規正)
  • 第百七十九条(航空交通管制圏等における速度の制限)
  • 第百七十九条の二(制限速度を超える飛行の許可の申請)
  • 第百八十条(進路権)
  • 第百八十一条
  • 第百八十二条
  • 第百八十三条
  • 第百八十四条
  • 第百八十五条
  • 第百八十六条
  • 第百八十七条(間隔の維持)
  • 第百八十八条(地上移動)
  • 第百八十九条(空港等付近の航行方法)
  • 第百九十条
  • 第百九十一条(緊急の場合の特例)
  • 第百九十一条の二(特別な方式による航行)
  • 第百九十一条の三(特別な方式による航行の許可の申請)
  • 第百九十一条の四(特別な方式による航行の許可の基準)
  • 第百九十二条(編隊飛行の許可の申請)
  • 第百九十三条(編隊飛行の打合せ)
  • 第百九十四条(輸送禁止の物件)
  • 第百九十五条(物件の曳航)
  • 第百九十六条
  • 第百九十六条の二(物件の投下の届出)
  • 第百九十六条の三(落下傘降下の許可申請)
  • 第百九十七条(曲技飛行等を行うことができる高度)
  • 第百九十七条の二(曲技飛行等を行うことができる飛行視程)
  • 第百九十七条の三(曲技飛行)
  • 第百九十七条の四(著しい高速の飛行)
  • 第百九十八条(曲技飛行等の許可の申請)
  • 第百九十八条の二(航空交通の安全を阻害するおそれのある飛行)
  • 第百九十八条の三(操縦練習飛行等の許可の申請)
  • 第百九十八条の四(法第九十四条ただし書の規定による許可を受けて管制区等を飛行する場合の飛行の方法)
  • 第百九十八条の五(特別管制空域の指定の基準等)
  • 第百九十八条の六(法第九十四条の二第一項の国土交通省令で定める高さ)
  • 第百九十八条の七(法第九十四条の二第一項の国土交通省令で定める高さ以上の空域における同項ただし書の規定による許可の基準)
  • 第百九十八条の八(法第九十四条の二第一項ただし書の規定による許可を受けた場合の飛行の方法)
  • 第百九十八条の九(法第九十五条の二第一項の国土交通省令で定める航空運送事業)
  • 第百九十八条の十(航空機の航行の安全に影響を及ぼすおそれがある情報)
  • 第百九十八条の十一(法第九十五条の三の国土交通省令で定める航空機)
  • 第百九十八条の十二(訓練試験等計画の承認を受けなければならない飛行)
  • 第百九十八条の十三(訓練試験等計画)
  • 第百九十九条(航空交通管制)
  • 第二百条
  • 第二百一条
  • 第二百一条の二
  • 第二百二条
  • 第二百二条の二(空港等の工事)
  • 第二百二条の三(法第九十六条第三項第六号の国土交通省令で定める飛行)
  • 第二百二条の四(航空交通情報の入手のための連絡)
  • 第二百二条の五(連絡又は情報の聴取が困難な場合)
  • 第二百三条(飛行計画等)
  • 第二百四条
  • 第二百五条
  • 第二百六条(通信機の故障の場合の航行)
  • 第二百七条(法第九十七条第一項の承認を受けた航空機の飛行方法)
  • 第二百八条
  • 第二百九条(位置通報)
  • 第二百九条の二(航空情報)
  • 第二百十条(事業の許可)
  • 第二百十条の二
  • 第二百十条の三
  • 第二百十一条(運航管理施設等の検査)
  • 第二百十二条
  • 第二百十二条の二
  • 第二百十二条の三(安全管理規程の届出)
  • 第二百十二条の四(安全管理規程の内容)
  • 第二百十二条の五(安全統括管理者の要件)
  • 第二百十二条の六(安全統括管理者の選任及び解任の届出)
  • 第二百十三条(運航規程及び整備規程の認可申請等)
  • 第二百十四条(運航規程及び整備規程)
  • 第二百十五条(運賃及び料金の届出)
  • 第二百十六条(国際航空運送事業に係る運賃及び料金の認可申請)
  • 第二百十七条(運送約款の認可申請)
  • 第二百十八条(運送約款の記載事項)
  • 第二百十八条の二(公衆の閲覧の方法)
  • 第二百十九条(運航計画等)
  • 第二百十九条の二(混雑空港に係る特例)
  • 第二百二十条(事業計画の変更)
  • 第二百二十条の二
  • 第二百二十一条(運輸に関する協定)
  • 第二百二十一条の二(安全上の支障を及ぼす事態の報告)
  • 第二百二十一条の三
  • 第二百二十一条の四(国土交通大臣による輸送の安全にかかわる情報の公表)
  • 第二百二十一条の五(本邦航空運送事業者による安全報告書の公表)
  • 第二百二十一条の六
  • 第二百二十一条の七(航空運送事業基盤強化計画の届出)
  • 第二百二十一条の八(航空運送事業基盤強化計画の実施状況の報告)
  • 第二百二十二条(業務の管理の受委託)
  • 第二百二十三条(事業の譲渡及び譲受認可申請)
  • 第二百二十四条(法人の合併及び分割の認可申請)
  • 第二百二十五条(相続人による事業承継認可申請)
  • 第二百二十六条(事業廃止の届出)
  • 第二百二十六条の二(上場されている株式に準ずる株式)
  • 第二百二十六条の三(株主名簿に記載し、又は記録する方法)
  • 第二百二十六条の四(通知)
  • 第二百二十六条の五(公告)
  • 第二百二十七条(事業の許可)
  • 第二百二十八条(事業計画の変更)
  • 第二百二十九条(航空運送事業に関する規定の準用)
  • 第二百三十条(外国航空機の出入国等の許可申請)
  • 第二百三十条の二
  • 第二百三十一条(外国航空機の国内使用の許可申請)
  • 第二百三十一条の二(軍需品)
  • 第二百三十一条の三
  • 第二百三十二条(外国人国際航空運送事業の許可申請)
  • 第二百三十三条(運賃及び料金の認可申請)
  • 第二百三十三条の二(事業計画変更の認可申請)
  • 第二百三十三条の三(事業計画変更の届出)
  • 第二百三十四条(外国人国内航空運送の許可申請)
  • 第二百三十四条の二(本邦内で発着する旅客等の運送の許可申請)
  • 第二百三十五条(証明書等の承認)
  • 第二百三十五条の二及び第二百三十五条の三
  • 第二百三十五条の四(申請期間の特例)
  • 第二百三十五条の四の二(航空機若しくは空港等の保安又は旅客の安全を確保するための業務を行う者)
  • 第二百三十五条の四の三(空港等の設置者等の職員の指定)
  • 第二百三十五条の四の四
  • 第二百三十五条の四の五(法第百三十一条の二の三第三項の国土交通省令で定める措置)
  • 第二百三十五条の四の六(法第百三十一条の二の三第三項に規定する身分を示す証明書の様式)
  • 第二百三十五条の四の七(危険物等所持制限区域の指定の協議の申出)
  • 第二百三十五条の四の八(危険物等所持制限区域内及び航空機内への持込みを制限することが必要な物件)
  • 第二百三十五条の四の九(法第百三十一条の二の五第四項の検査を行う者)
  • 第二百三十五条の四の十(法第百三十一条の二の五第四項の検査を免除される者)
  • 第二百三十五条の四の十一(法第百三十一条の二の五第六項の検査を行う者)
  • 第二百三十五条の四の十二(法第百三十一条の二の五第六項の検査を免除される者)
  • 第二百三十五条の四の十三(保安検査に関する業務の委託の基準)
  • 第二百三十五条の四の十四(保安検査に関する業務の受託の基準)
  • 第二百三十五条の四の十五(預入手荷物として航空機内に積載することを制限する物件)
  • 第二百三十五条の四の十六(預入手荷物検査を行う者)
  • 第二百三十五条の四の十七(預入手荷物検査を免除される者)
  • 第二百三十五条の四の十八(預入手荷物検査に関する業務の委託の基準)
  • 第二百三十五条の四の十九(預入手荷物検査に関する業務の受託の基準)
  • 第二百三十五条の四の二十(航空運送事業脱炭素化推進計画の認定の申請)
  • 第二百三十五条の四の二十一(航空運送事業脱炭素化推進計画の記載事項)
  • 第二百三十五条の四の二十二(航空運送事業脱炭素化推進計画の変更)
  • 第二百三十六条(法第百三十二条の二ただし書の国土交通省令で定める場合)
  • 第二百三十六条の二(登録の要件)
  • 第二百三十六条の三(登録の申請)
  • 第二百三十六条の四(無人航空機登録原簿の記載事項)
  • 第二百三十六条の五(通知の方法)
  • 第二百三十六条の六(登録記号の表示等の方法)
  • 第二百三十六条の七(登録の更新の申請)
  • 第二百三十六条の八(登録の有効期間)
  • 第二百三十六条の九(無人航空機の登録の有効期間の起算日)
  • 第二百三十六条の十(登録事項の変更の届出)
  • 第二百三十六条の十一(登録の抹消の申請)
  • 第二百三十六条の十二(機体認証)
  • 第二百三十六条の十三
  • 第二百三十六条の十四
  • 第二百三十六条の十五
  • 第二百三十六条の十六
  • 第二百三十六条の十七(表示)
  • 第二百三十六条の十八(機体認証の有効期間)
  • 第二百三十六条の十九(機体認証の有効期間の起算日)
  • 第二百三十六条の二十(使用者の整備の義務)
  • 第二百三十六条の二十一(機体認証の効力の停止等の通知)
  • 第二百三十六条の二十二(型式認証)
  • 第二百三十六条の二十三
  • 第二百三十六条の二十四
  • 第二百三十六条の二十五
  • 第二百三十六条の二十六
  • 第二百三十六条の二十七(型式認証の有効期間)
  • 第二百三十六条の二十八(型式認証の有効期間の起算日)
  • 第二百三十六条の二十九(型式認証の変更)
  • 第二百三十六条の三十
  • 第二百三十六条の三十一
  • 第二百三十六条の三十二(型式認証書の記載事項の変更)
  • 第二百三十六条の三十三(検査方法等)
  • 第二百三十六条の三十四(表示)
  • 第二百三十六条の三十五(無人航空機の整備に関する情報)
  • 第二百三十六条の三十六(法第百三十二条の二十一の国土交通省令で定める事態の報告等)
  • 第二百三十六条の三十七
  • 第二百三十六条の三十八(技能証明の申請)
  • 第二百三十六条の三十九(技能証明書の様式)
  • 第二百三十六条の四十(技能証明の限定)
  • 第二百三十六条の四十一(身体検査の有効期間)
  • 第二百三十六条の四十二(技能証明の拒否又は保留の基準)
  • 第二百三十六条の四十三(技能証明の拒否又は保留の事由となる病気等)
  • 第二百三十六条の四十四(技能証明を与えた後における技能証明の取消し又は停止の基準)
  • 第二百三十六条の四十五(技能証明の保留に係る身体検査の受検等命令)
  • 第二百三十六条の四十六(試験の期日等の公表)
  • 第二百三十六条の四十七(身体検査)
  • 第二百三十六条の四十八(学科試験)
  • 第二百三十六条の四十九(実地試験)
  • 第二百三十六条の五十(試験合格の通知等)
  • 第二百三十六条の五十一(学科試験の省略)
  • 第二百三十六条の五十二(実地試験の省略)
  • 第二百三十六条の五十三(臨時身体検査等)
  • 第二百三十六条の五十四(登録講習機関の講習を修了した者に対する実地試験の免除)
  • 第二百三十六条の五十五(技能証明書の有効期間の更新のための身体適性基準)
  • 第二百三十六条の五十六(無人航空機更新講習)
  • 第二百三十六条の五十七(技能証明の有効期間の更新)
  • 第二百三十六条の五十八(技能証明の有効期間の起算日の変更)
  • 第二百三十六条の五十九(技能証明の更新期間前の更新)
  • 第二百三十六条の六十(技能証明の限定の変更)
  • 第二百三十六条の六十一(技能証明の取消し又は停止の基準)
  • 第二百三十六条の六十二(技能証明の取消し又は効力の停止の事由となる病気等)
  • 第二百三十六条の六十三(技能証明の取消し等の通知)
  • 第二百三十六条の六十四(技能証明書失効再交付のための身体適性基準)
  • 第二百三十六条の六十五(技能証明書失効再交付講習)
  • 第二百三十六条の六十六(技能証明書の失効再交付)
  • 第二百三十六条の六十七(技能証明書の滅失等再交付)
  • 第二百三十六条の六十八(技能証明書の返納)
  • 第二百三十六条の六十九(無効の公表)
  • 第二百三十六条の七十(立入管理措置)
  • 第二百三十六条の七十一(飛行の禁止空域)
  • 第二百三十六条の七十二
  • 第二百三十六条の七十三(国土交通省令で定める総重量)
  • 第二百三十六条の七十四(飛行禁止空域における飛行の許可)
  • 第二百三十六条の七十五(安全を確保するために必要な措置)
  • 第二百三十六条の七十六(法第百三十二条の八十五第一項から第三項までの規定を適用しない無人航空機の飛行)
  • 第二百三十六条の七十七(飛行の方法)
  • 第二百三十六条の七十八
  • 第二百三十六条の七十九
  • 第二百三十六条の八十
  • 第二百三十六条の八十一(飛行の方法によらない飛行の承認)
  • 第二百三十六条の八十二(法第百三十二条の八十六第二項から第四項までの規定を適用しない無人航空機の飛行)
  • 第二百三十六条の八十三(無人航空機の飛行計画等)
  • 第二百三十六条の八十四(飛行日誌)
  • 第二百三十六条の八十五(無人航空機の事故に関する報告)
  • 第二百三十六条の八十六(無人航空機の事故が発生するおそれがあると認められる事態の報告)
  • 第二百三十六条の八十七
  • 第二百三十六条の八十八(捜索又は救助のための特例)
  • 第二百三十六条の八十九
  • 第二百三十七条(航空運送代理店業の届出)
  • 第二百三十八条(届出)
  • 第二百三十八条の二(模擬飛行装置等の認定)
  • 第二百三十九条
  • 第二百三十九条の二(飛行に影響を及ぼすおそれのある行為)
  • 第二百三十九条の三
  • 第二百三十九条の四
  • 第二百三十九条の五(OCRに用いる申請書等)
  • 第二百三十九条の六(OCR申請書等による申請等に係る手数料の納付方法)
  • 第二百三十九条の七(指定立替納付者の指定要件)
  • 第二百三十九条の八(指定立替納付者の指定の申請)
  • 第二百三十九条の九(指定立替納付者の口座振替による納付の届出)
  • 第二百三十九条の十(指定立替納付者の名称等の変更の届出)
  • 第二百三十九条の十一(指定の取消し等)
  • 第二百三十九条の十二(指定立替納付者による納付の申出に係る納付情報の送信)
  • 第二百四十条(職権の委任)
  • 第二百四十条の二
  • 第二百四十一条
  • 第二百四十二条
  • 第二百四十二条の二
  • 第二百四十三条(申請等の経由)
  • 附 則
  • 附 則(昭和二七年八月一四日運輸省令第六三号)
  • 附 則(昭和二八年八月一三日運輸省令第四一号)
  • 附 則(昭和二八年九月二五日運輸省令第五〇号)抄
  • 附 則(昭和二八年一〇月一二日運輸省令第五八号)
  • 附 則(昭和二九年二月二六日運輸省令第九号)
  • 附 則(昭和二九年五月二〇日運輸省令第二五号)
  • 附 則(昭和三一年五月一九日運輸省令第二五号)
  • 附 則(昭和三一年五月二九日運輸省令第二九号)
  • 附 則(昭和三二年八月一〇日運輸省令第二九号)
  • 附 則(昭和三三年七月一五日運輸省令第三一号)
  • 附 則(昭和三三年一一月二五日運輸省令第四九号)抄
  • 附 則(昭和三四年二月二五日運輸省令第三号)
  • 附 則(昭和三四年四月一日運輸省令第九号)
  • 附 則(昭和三四年六月三〇日運輸省令第二九号)
  • 附 則(昭和三四年一一月二八日運輸省令第五二号)
  • 附 則(昭和三五年六月六日運輸省令第二〇号)抄
  • 附 則(昭和三五年一二月二八日運輸省令第四五号)
  • 附 則(昭和三六年七月一一日運輸省令第四二号)
  • 附 則(昭和三六年一二月二一日運輸省令第六二号)
  • 附 則(昭和三七年三月三〇日運輸省令第九号)
  • 附 則(昭和三八年一〇月一六日運輸省令第五七号)
  • 附 則(昭和三九年六月一七日運輸省令第四八号)抄
  • 附 則(昭和四〇年七月三一日運輸省令第六〇号)抄
  • 附 則(昭和四〇年一二月二五日運輸省令第七二号)
  • 附 則(昭和四一年四月一日運輸省令第一八号)
  • 附 則(昭和四一年五月二〇日運輸省令第三一号)抄
  • 附 則(昭和四一年一一月二一日運輸省令第五九号)
  • 附 則(昭和四一年一二月七日運輸省令第六二号)抄
  • 附 則(昭和四二年九月三〇日運輸省令第七五号)
  • 附 則(昭和四二年九月三〇日運輸省令第七六号)抄
  • 附 則(昭和四二年一一月九日運輸省令第八一号)抄
  • 附 則(昭和四三年三月二五日運輸省令第六号)
  • 附 則(昭和四三年八月三〇日運輸省令第四三号)
  • 附 則(昭和四三年一二月二四日運輸省令第六三号)
  • 附 則(昭和四五年四月一日運輸省令第一九号)
  • 附 則(昭和四五年六月二四日運輸省令第五二号)
  • 附 則(昭和四五年八月二六日運輸省令第七三号)抄
  • 附 則(昭和四六年一月一一日運輸省令第二号)抄
  • 附 則(昭和四六年一一月二五日運輸省令第六三号)抄
  • 附 則(昭和四七年七月一二日運輸省令第四八号)抄
  • 附 則(昭和四八年一二月二二日運輸省令第五九号)抄
  • 附 則(昭和四八年一二月二七日運輸省令第六〇号)抄
  • 附 則(昭和四九年五月三〇日運輸省令第二〇号)
  • 附 則(昭和五〇年一〇月一日運輸省令第三九号)抄
  • 附 則(昭和五一年四月二六日運輸省令第一三号)
  • 附 則(昭和五二年四月一八日運輸省令第九号)
  • 附 則(昭和五二年一一月一七日運輸省令第三五号)抄
  • 附 則(昭和五三年五月一三日運輸省令第二四号)
  • 附 則(昭和五三年六月一二日運輸省令第三〇号)
  • 附 則(昭和五三年六月二三日運輸省令第三二号)抄
  • 附 則(昭和五三年八月二一日運輸省令第四七号)
  • 附 則(昭和五三年一二月二八日運輸省令第七五号)
  • 附 則(昭和五四年六月二六日運輸省令第二七号)
  • 附 則(昭和五四年八月二四日運輸省令第三七号)
  • 附 則(昭和五四年一二月二五日運輸省令第四七号)
  • 附 則(昭和五五年八月六日運輸省令第二三号)
  • 附 則(昭和五六年五月一八日運輸省令第二九号)
  • 附 則(昭和五七年三月二四日運輸省令第四号)抄
  • 附 則(昭和五八年四月九日運輸省令第二〇号)抄
  • 附 則(昭和五八年一一月一日運輸省令第四八号)
  • 附 則(昭和六〇年一月一六日運輸省令第三号)
  • 附 則(昭和六〇年三月二三日運輸省令第一〇号)抄
  • 附 則(昭和六〇年四月二五日運輸省令第一八号)抄
  • 附 則(昭和六〇年六月一五日運輸省令第二二号)抄
  • 附 則(昭和六〇年八月二七日運輸省令第二七号)
  • 附 則(昭和六〇年一二月一二日運輸省令第三七号)
  • 附 則(昭和六〇年一二月二四日運輸省令第四〇号)抄
  • 附 則(昭和六〇年一二月二八日運輸省令第四二号)
  • 附 則(昭和六一年一一月二二日運輸省令第三九号)
  • 附 則(昭和六二年三月二七日運輸省令第二九号)抄
  • 附 則(昭和六二年五月二一日運輸省令第四〇号)抄
  • 附 則(昭和六二年七月一三日運輸省令第五〇号)
  • 附 則(昭和六二年一〇月三〇日運輸省令第六一号)
  • 附 則(昭和六二年一一月一九日運輸省令第六二号)
  • 附 則(昭和六三年三月三一日運輸省令第六号)
  • 附 則(昭和六三年六月三〇日運輸省令第二二号)
  • 附 則(昭和六三年一一月一九日運輸省令第三四号)
  • 附 則(平成元年二月七日運輸省令第二号)
  • 附 則(平成元年二月二七日運輸省令第五号)抄
  • 附 則(平成元年七月二〇日運輸省令第二四号)
  • 附 則(平成二年四月二七日運輸省令第九号)
  • 附 則(平成二年七月三〇日運輸省令第二三号)抄
  • 附 則(平成二年一二月一〇日運輸省令第三五号)
  • 附 則(平成二年一二月二〇日運輸省令第三六号)
  • 附 則(平成四年二月七日運輸省令第七号)
  • 附 則(平成五年一月二〇日運輸省令第一号)
  • 附 則(平成五年三月二四日運輸省令第四号)
  • 附 則(平成五年四月一日運輸省令第一二号)
  • 附 則(平成五年六月二四日運輸省令第一七号)
  • 附 則(平成六年三月二四日運輸省令第七号)
  • 附 則(平成六年三月三〇日運輸省令第一二号)抄
  • 附 則(平成六年三月三〇日運輸省令第一三号)
  • 附 則(平成六年六月二四日運輸省令第二六号)
  • 附 則(平成六年六月二九日運輸省令第三〇号)
  • 附 則(平成六年九月三〇日運輸省令第四六号)抄
  • 附 則(平成六年一一月九日運輸省令第四九号)
  • 附 則(平成六年一一月二九日運輸省令第五三号)
  • 附 則(平成六年一二月二六日運輸省令第五五号)
  • 附 則(平成七年四月一四日運輸省令第二六号)
  • 附 則(平成七年五月八日運輸省令第三〇号)
  • 附 則(平成八年一月四日運輸省令第一号)
  • 附 則(平成八年九月一九日運輸省令第五一号)
  • 附 則(平成九年三月一九日運輸省令第一四号)
  • 附 則(平成九年四月一日運輸省令第二四号)抄
  • 附 則(平成九年七月九日運輸省令第四七号)
  • 附 則(平成九年九月一〇日運輸省令第五八号)抄
  • 附 則(平成九年一〇月一日運輸省令第六七号)
  • 附 則(平成九年一二月一五日運輸省令第八五号)
  • 附 則(平成一〇年二月二日運輸省令第三号)
  • 附 則(平成一〇年二月二五日運輸省令第七号)
  • 附 則(平成一〇年五月一五日運輸省令第二七号)
  • 附 則(平成一〇年五月二七日運輸省令第三二号)
  • 附 則(平成一〇年六月一九日運輸省令第四〇号)
  • 附 則(平成一一年三月二五日運輸省令第一二号)
  • 附 則(平成一一年六月一一日運輸省令第二五号)
  • 附 則(平成一一年九月一七日運輸省令第四〇号)
  • 附 則(平成一一年一〇月二七日運輸省令第四七号)
  • 附 則(平成一二年一月一七日運輸省令第一号)
  • 附 則(平成一二年三月二日運輸省令第八号)
  • 附 則(平成一二年三月三〇日運輸省令第一七号)
  • 附 則(平成一二年八月一〇日運輸省令第二八号)
  • 附 則(平成一二年一一月二九日運輸省令第三九号)抄
  • 附 則(平成一二年一二月二二日運輸省令第四二号)
  • 附 則(平成一三年三月八日国土交通省令第三六号)
  • 附 則(平成一三年三月一五日国土交通省令第三七号)
  • 附 則(平成一三年三月一五日国土交通省令第三八号)抄
  • 附 則(平成一三年六月二五日国土交通省令第一〇一号)抄
  • 附 則(平成一三年七月二七日国土交通省令第一一三号)
  • 附 則(平成一三年八月一七日国土交通省令第一一八号)
  • 附 則(平成一三年一〇月九日国土交通省令第一三三号)
  • 附 則(平成一四年三月六日国土交通省令第一八号)
  • 附 則(平成一四年五月一日国土交通省令第六〇号)
  • 附 則(平成一四年一二月一三日国土交通省令第一一四号)
  • 附 則(平成一五年一月一四日国土交通省令第二号)
  • 附 則(平成一五年三月一八日国土交通省令第二一号)
  • 附 則(平成一五年三月二〇日国土交通省令第二七号)抄
  • 附 則(平成一五年四月一日国土交通省令第四三号)
  • 附 則(平成一五年七月一八日国土交通省令第八三号)
  • 附 則(平成一五年八月二九日国土交通省令第八八号)
  • 附 則(平成一五年一〇月一日国土交通省令第一〇九号)抄
  • 附 則(平成一五年一二月二二日国土交通省令第一一八号)抄
  • 附 則(平成一五年一二月二五日国土交通省令第一一九号)
  • 附 則(平成一六年二月二六日国土交通省令第六号)抄
  • 附 則(平成一六年三月二二日国土交通省令第一九号)抄
  • 附 則(平成一六年三月三一日国土交通省令第三四号)
  • 附 則(平成一六年六月七日国土交通省令第六八号)
  • 附 則(平成一六年一二月二一日国土交通省令第一〇七号)
  • 附 則(平成一六年一二月二八日国土交通省令第一一二号)
  • 附 則(平成一七年二月一七日国土交通省令第七号)
  • 附 則(平成一七年三月七日国土交通省令第一二号)抄
  • 附 則(平成一七年六月一日国土交通省令第六一号)
  • 附 則(平成一七年八月四日国土交通省令第八四号)
  • 附 則(平成一七年一一月二四日国土交通省令第一〇七号)
  • 附 則(平成一七年一二月一日国土交通省令第一一〇号)抄
  • 附 則(平成一七年一二月二六日国土交通省令第一一七号)
  • 附 則(平成一八年三月三一日国土交通省令第三三号)
  • 附 則(平成一八年四月二八日国土交通省令第五八号)抄
  • 附 則(平成一八年七月一四日国土交通省令第七八号)抄
  • 附 則(平成一八年一二月二八日国土交通省令第一二二号)
  • 附 則(平成一九年一月四日国土交通省令第一号)
  • 附 則(平成一九年一月二四日国土交通省令第二号)
  • 附 則(平成一九年六月七日国土交通省令第六四号)
  • 附 則(平成二〇年三月三一日国土交通省令第一七号)抄
  • 附 則(平成二〇年六月一八日国土交通省令第四四号)抄
  • 附 則(平成二〇年六月三〇日国土交通省令第五四号)
  • 附 則(平成二〇年七月一日国土交通省令第五六号)
  • 附 則(平成二〇年八月八日国土交通省令第七三号)
  • 附 則(平成二〇年一二月一〇日国土交通省令第九九号)
  • 附 則(平成二〇年一二月二四日国土交通省令第一〇四号)
  • 附 則(平成二一年二月二七日国土交通省令第四号)
  • 附 則(平成二一年三月二五日国土交通省令第九号)
  • 附 則(平成二一年三月二五日国土交通省令第一〇号)
  • 附 則(平成二一年一一月一八日国土交通省令第六四号)
  • 附 則(平成二二年六月七日国土交通省令第三三号)
  • 附 則(平成二二年一一月五日国土交通省令第五三号)
  • 附 則(平成二三年六月二日国土交通省令第四六号)
  • 附 則(平成二三年一一月一七日国土交通省令第八一号)
  • 附 則(平成二三年一二月二八日国土交通省令第一〇九号)
  • 附 則(平成二四年三月二八日国土交通省令第二二号)
  • 附 則(平成二四年九月一四日国土交通省令第七五号)抄
  • 附 則(平成二五年三月二九日国土交通省令第一五号)
  • 附 則(平成二五年四月四日国土交通省令第二九号)
  • 附 則(平成二五年五月一〇日国土交通省令第三四号)
  • 附 則(平成二五年一一月二九日国土交通省令第九〇号)
  • 附 則(平成二六年二月二六日国土交通省令第一二号)
  • 附 則(平成二六年四月一日国土交通省令第四五号)
  • 附 則(平成二六年四月一五日国土交通省令第四八号)
  • 附 則(平成二六年九月三〇日国土交通省令第七六号)
  • 附 則(平成二六年一〇月一六日国土交通省令第八二号)
  • 附 則(平成二七年三月三〇日国土交通省令第一五号)
  • 附 則(平成二七年四月一〇日国土交通省令第二六号)
  • 附 則(平成二七年七月二一日国土交通省令第五五号)
  • 附 則(平成二七年一〇月一日国土交通省令第七三号)
  • 附 則(平成二七年一一月六日国土交通省令第七七号)
  • 附 則(平成二七年一一月一七日国土交通省令第七九号)
  • 附 則(平成二八年一〇月二八日国土交通省令第七七号)
  • 附 則(平成二九年三月二九日国土交通省令第一四号)
  • 附 則(平成二九年九月二九日国土交通省令第五六号)
  • 附 則(平成二九年一〇月三日国土交通省令第五九号)
  • 附 則(平成三〇年三月三〇日国土交通省令第二〇号)
  • 附 則(平成三〇年八月一〇日国土交通省令第六一号)
  • 附 則(平成三〇年九月二〇日国土交通省令第七一号)抄
  • 附 則(平成三〇年一一月九日国土交通省令第八二号)抄
  • 附 則(平成三〇年一二月二六日国土交通省令第九〇号)抄
  • 附 則(平成三一年三月二九日国土交通省令第一四号)
  • 附 則(平成三一年四月一日国土交通省令第三一号)
  • 附 則(令和元年五月七日国土交通省令第一号)
  • 附 則(令和元年六月二八日国土交通省令第二〇号)
  • 附 則(令和元年八月二三日国土交通省令第二九号)
  • 附 則(令和元年九月一三日国土交通省令第三四号)抄
  • 附 則(令和元年一二月一六日国土交通省令第四七号)抄
  • 附 則(令和二年一月一七日国土交通省令第一号)
  • 附 則(令和二年三月一九日国土交通省令第一七号)
  • 附 則(令和二年八月七日国土交通省令第六八号)
  • 附 則(令和二年九月三〇日国土交通省令第八二号)
  • 附 則(令和二年一一月二日国土交通省令第八七号)抄
  • 附 則(令和二年一一月四日国土交通省令第八八号)抄
  • 附 則(令和二年一二月二三日国土交通省令第九八号)
  • 附 則(令和三年二月一五日国土交通省令第五号)
  • 附 則(令和三年三月三一日国土交通省令第一三号)抄
  • 附 則(令和三年五月一〇日国土交通省令第三五号)
  • 附 則(令和三年五月一九日国土交通省令第三七号)
  • 附 則(令和三年六月一一日国土交通省令第四一号)
  • 附 則(令和三年八月三一日国土交通省令第五三号)抄
  • 附 則(令和三年九月二四日国土交通省令第五七号)
  • 附 則(令和三年一〇月五日国土交通省令第六五号)
  • 附 則(令和三年一一月二五日国土交通省令第七二号)
  • 附 則(令和三年一二月八日国土交通省令第七六号)抄
  • 附 則(令和四年二月二八日国土交通省令第七号)抄
  • 附 則(令和四年六月一七日国土交通省令第五一号)抄
  • 附 則(令和四年七月二九日国土交通省令第五六号)
  • 附 則(令和四年一一月二日国土交通省令第七七号)
  • 附 則(令和四年一一月二二日国土交通省令第八一号)
  • 附 則(令和四年一二月一日国土交通省令第八六号)抄
  • 附 則(令和五年六月二〇日国土交通省令第四八号)
  • 附 則(令和五年七月二八日国土交通省令第五九号)
  • 附 則(令和五年九月二九日国土交通省令第八一号)
  • 附 則(令和五年一一月三〇日国土交通省令第九〇号)
  • 附 則(令和六年一月一九日国土交通省令第二号)抄
  • 附 則(令和六年二月一五日国土交通省令第九号)
  • 附 則(令和六年三月二九日国土交通省令第二六号)抄
  • 附 則(令和六年三月二九日国土交通省令第四一号)
  • 附 則(令和六年四月三〇日国土交通省令第五七号)
  • 附 則(令和六年六月二八日国土交通省令第七五号)
  • 附 則(令和六年一一月八日国土交通省令第九八号)
  • 附 則(令和六年一二月二日国土交通省令第一〇二号)
  • 附 則(令和六年一二月二七日国土交通省令第一一二号)
  • 附 則(令和七年三月三一日国土交通省令第三九号)
  • 附 則(令和七年四月一四日国土交通省令第五五号)
  • 附 則(令和七年五月二六日国土交通省令第六〇号)抄
  • 附 則(令和七年六月一一日国土交通省令第六五号)抄
  • 附 則(令和七年七月一八日国土交通省令第八三号)
  • 附 則(令和七年一一月一二日国土交通省令第一〇八号)
  • 附 則(令和七年一一月二七日国土交通省令第一一三号)
  • 附 則(令和七年一一月二七日国土交通省令第一一四号)
  • 別表第一 削除
  • 別表第二(第四十二条、第四十三条関係)
  • 別表第三(第四十六条、第四十六条の二関係)
  • 別表第四(第六十一条の二関係)
  • 別表第五(第七十九条関係)
  • 別表第六(第二百三十六条の四十七、第二百三十六条の五十五関係)
  • 第1号様式及び第2号様式 削除
  • 第3号様式(第7条関係)(日本産業規格A5)
  • 第4号様式(第9条関係)(日本産業規格A4)
  • 第5号様式及び第6号様式 削除
  • 第7号様式(第12条の2関係)(日本産業規格A4)
  • 第7号の2様式(第15条関係)(日本産業規格A4)
  • 第7号の3様式(第15条関係)(日本産業規格A4)
  • 第8号様式(第16条関係)(日本産業規格A5)
  • 第8号の2様式(第16条の2関係)(日本産業規格A4)
  • 第8号の3様式(第16条の8関係)
  • 第9号様式(第17条関係)(日本産業規格A4)
  • 第10号様式(第19条関係)(日本産業規格A4)
  • 第11号様式(第20条関係)(日本産業規格A4)
  • 第11号の2様式(第23条関係)(日本産業規格A4)
  • 第11号の3様式(第23条の3関係)(日本産業規格A4)
  • 第11号の4様式(第23条の4関係)(日本産業規格A4)
  • 第12号様式(第25条関係)(日本産業規格A4)
  • 第12号の2様式(第26条の3関係)(日本産業規格A4)
  • 第12号の3様式(第26条の5関係)(日本産業規格A4)
  • 第12号の4様式(第26条の6関係)(日本産業規格A4)
  • 第13号様式(第26条の13関係)(日本産業規格A4)
  • 第14号様式(第26条の13関係)(日本産業規格A4)
  • 第15号様式(第26条の13関係)(日本産業規格A4)
  • 第16号様式(第31条関係)(日本産業規格A4)
  • 第16号の2様式(第33条関係)(日本産業規格A4)
  • 第16号の3様式(第35条関係)(日本産業規格A4)
  • 第16号の4様式(第35条関係)(日本産業規格A4)
  • 第16号の5様式(第36条関係)(日本産業規格A4)
  • 第17号様式(第41条関係)(日本産業規格A4)
  • 第17号の2様式(第40条関係)(日本産業規格A4)
  • 第18号様式(第41条関係)(日本産業規格A4)
  • 第18号様式(第41条関係)(日本産業規格A4)裏面
  • 第19号様式(第42条、第57条、第63条、第64条、第168条関係)
  • 第19号の2様式(第42条、第57条、第63条、第64条、第168条関係)
  • 第19号の3様式(第50条の2、第168条関係)(日本産業規格A4)
  • 第19号の3の2様式(第50条の2関係)(日本産業規格A4)
  • 第19号の4様式(第50条の3関係)(日本産業規格A4)
  • 第19号の5様式(第50条の7関係)(日本産業規格A4)
  • 第19号の6様式(第50条の9関係)(日本産業規格A4)
  • 第19号の7様式(第50条の9関係)(日本産業規格A4)
  • 第19号の8様式(第50条の10関係)(日本産業規格A4)
  • 第19号の9様式(第50条の10関係)(日本産業規格A4)
  • 第20号様式(第52条関係)
  • 第二十一号様式 削除
  • 第22号様式(第61条関係)(日本産業規格A3)
  • 第23号様式(第61条の5関係)(日本産業規格A4)
  • 第23号の2様式(第61条の5関係)(日本産業規格A4)
  • 第24号様式(第61条の2関係)
  • 第24号の2様式(第62条の2関係)(日本産業規格A4)
  • 第24号の3様式(第62条の2関係)(日本産業規格A4)
  • 第二十五号様式 削除
  • 第26号様式(第67条関係)(日本産業規格A3)
  • 第27号様式(第68条関係)
  • 第27号の2様式(第69条関係)(日本産業規格A4)
  • 第27号の3様式(第69条の3関係)(日本産業規格A4)
  • 第28号様式(第71条関係)(日本産業規格A4)
  • 第28号の2様式(第92条の4関係)
  • 第28号の3様式(第162条の6関係)(日本産業規格A4)
  • 第28号の4様式(第162条の8関係)
  • 第28号の5様式(第162条の9関係)(日本産業規格A4)
  • 第28号の6様式(第162条の13関係)(日本産業規格A4)
  • 第28号の7様式(第162条の17関係)(日本産業規格A4)
  • 第29号様式(第171条の2関係)
  • 第29号の2様式(第171条の3関係)(日本産業規格A4)
  • 第29号の3様式(第171条の3関係)(日本産業規格A4)
  • 第29号の4様式(第235条の4の6関係)
  • 第29号の5様式(第235条の4の20関係)(日本産業規格A4)
  • 第29号の6様式(第235条の4の22関係)(日本産業規格A4)
  • 第29号の7様式(第236条の14関係)(日本産業規格A5)
  • 第29号の8様式(第236条の16関係)(日本産業規格A5)
  • 第29号の9様式(第236条の26関係)(日本産業規格A4)
  • 第29号の10様式(第236条の38関係)(日本産業規格A4)
  • 第29号の11様式(第236条の39関係)
  • 第29号の12様式(第236条の57関係、第236条の66関係)(日本産業規格A4)
  • 第三十号様式 削除
  • 第31号様式(第239条の6関係)(日本産業規格A4)
  • 附属書第1(第12条の3、第14条、第56条の2、別表第2関係)
  • 附属書第2(第14条関係)
  • 附属書第3(第14条関係)
  • 附属書第4(第14条関係)
履歴
令和10年4月1日
令和7年国土交通省令第58号
令和8年4月1日
令和7年国土交通省令第65号
令和7年12月1日
令和7年国土交通省令第114号
© Megaptera Inc.